Next Article in Journal
An Online Semi-Definite Programming with a Generalized Log-Determinant Regularizer and Its Applications
Next Article in Special Issue
Minimization of Torque Ripples in Multi-Stack Slotted Stator Axial-Flux Synchronous Machine by Modifying Magnet Shape
Previous Article in Journal
On the Security of the Dandelion Protocol
 
 
Font Type:
Arial Georgia Verdana
Font Size:
Aa Aa Aa
Line Spacing:
Column Width:
Background:
Article

Indirect Efficiency Measurement Method for Line-Start Permanent Magnet Synchronous Motors

1
Department of Electrical Engineering, Ural Federal University, 620002 Yekaterinburg, Russia
2
Nizhniy Tagil Technological Institute, Ural Federal University, 622000 Nizhniy Tagil, Russia
*
Author to whom correspondence should be addressed.
Mathematics 2022, 10(7), 1056; https://doi.org/10.3390/math10071056
Submission received: 28 February 2022 / Revised: 20 March 2022 / Accepted: 22 March 2022 / Published: 25 March 2022

Abstract

:
Despite the great potential and the high performance of energy-efficient line-start permanent magnet synchronous motors (LSPMSMs), their developers face a great deal of difficulties, one of which is the lack of reliable and accurate testing methods for such electrical machines. In this paper, we propose a new method for indirectly determining the efficiency of LSPMSM through the summation of individual loss components. The standard input-output method usually used for these machines is based on torque measurement, requires expensive measuring equipment, and, as a rule, has great uncertainty. Contrarily, the proposed method does not require direct measurement of torque and mechanical power on the shaft and is less sensitive to measurement uncertainties. The theoretical substantiation of the proposed method and its experimental verification using a commercially available four-pole LSPMSM with a rated power of 0.55 kW are presented. Satisfactory convergence of the experimental results obtained using the standard input-output method and using the proposed indirect method is shown.

1. Introduction

1.1. Advantages of Energy-Efficient Line-Start Permanent Magnet Synchronous Motors

Nowadays, the most common type of electric motor is the induction motor. Induction motors (IM) have a simple and reliable design (Figure 1a); however, due to their operating principle, they also have relatively high power loss, which limits their energy-efficiency class. While maintaining acceptable weight and dimensions, IMs comply with an energy-efficiency class no higher than IE3, according to IEC standard 60034-30-1 “Rotating Electrical Machines—Part 30-1: Efficiency Classes of Line Operated AC Motors (IE Code)” [1]. To obtain IE4 class IMs, a significant increase in the size and weight of the motor is required [2,3].
An alternative to IMs can be synchronous motors with or without permanent magnets. They cannot replace IMs in all applications; however, they have already firmly occupied some niches. Synchronous motors with rare earth permanent magnets without a starting winding on the rotor (PMSM) powered by a variable speed drive (VSD) are widely used as servo motors, spindle motors, and traction motors due to their small size [4,5,6]. PM-free VSD-powered synchronous reluctance motors (SynRM) without a starting winding on the rotor are used to drive fluid machinery instead of variable frequency IMs, as they can meet energy-efficiency classes IE4 and IE5, according to IEC standard 60034-30-2 “Rotating Electrical Machines—Part 30-2: Efficiency Classes of Variable Speed AC Motors (IE-Code)” [7], while remaining within the dimensions of IE3 class IMs [8,9,10]. However, the scope of application of synchronous motors powered by a VSD is significantly limited by the fact that the share of variable speed drives is only about 20% of all AC drives [11].
At the same time, line-start synchronous motors with rare earth permanent magnets (LSPMSM) powered directly from the mains can be also used to drive fluid machinery. For the low-power range of 0.55–7.5 kW for which there are difficulties in achieving the IE4 class using IMs, LSPMSMs can meet the IE4 class requirements while remaining within the IE3 IM dimensions [12,13,14]. LSPMSMs are powered directly from the 50/60 Hz mains during start-up and steady-state operation at a fixed speed. Typically, an LSPMSM uses an aluminum squirrel cage on the rotor for providing mains starting capability (Figure 1b). An LSPMSM starts as an IM and then continues to run at a synchronous speed as a permanent magnet synchronous motor, which eliminates fundamental current losses in the rotor cage and significantly improves efficiency. It can be concluded that LSPMSMs are potentially the most popular type of synchronous motors, as they can replace energy-efficient IMs in a large number of direct-on-line applications.

1.2. Application of Direct and Indirect Methods to Measure Motor Efficiency

One of the challenges in developing LSPMSMs is the lack of methods to experimentally measure the efficiency of these machines. According to the latest version of the international standard IEC 60034-2-1 [15], only the 2-1-2A (direct measurement: input-output) method, which includes torque measurement, is applicable for LSPMSM. The direct method for measuring motor efficiency requires measuring both the electrical input power P1 and the mechanical output power P2:
H = P2/P1 = T∙ωm/P1,
where T is the torque on the motor shaft; ωm is the angular frequency of the motor shaft.
Measurement of P2 by the direct method requires expensive equipment, including a torque sensor and a rotational speed sensor. In addition, the direct method may have a large uncertainty associated both with the rather large uncertainty of strain-gauge torque sensors in applications of rotating machinery, with the inherent disadvantage of this method, which is that the relative uncertainty of the efficiency deviation from 100% increases rapidly with increasing efficiency and tends to infinity when the efficiency is close to 100% [16].
An alternative is the indirect method that evaluates efficiency by measuring the total power loss in the motor without directly measuring the shaft torque:
η = (P1 − PT)/P1 = 1 − PT/P1,
where PT is the total loss in the motor. PT can either be directly measured by the calorimetric method, which is not easy to implement [17], or calculated as the sum of individual types of losses based on mathematical models, the parameters of which are determined in a series of experiments. For example, for IMs, the experiments may include no-load, blocked-rotor, and load tests.
The advantages of indirect efficiency measurement are the elimination of the need for direct torque measurement and the associated problems and potentially higher accuracy for high-efficiency machines. For these reasons, the use of the indirect method is also attractive for LSPMSM; however, as is known, the use of the indirect method for measuring the efficiency for machines with permanent magnets causes difficulties due to the impossibility of controlling their excitation flux [15].

1.3. Overview of Existing Indirect Methods for Measuring Efficiency of Motors with Permanent Magnets on the Rotor

Despite this difficulty, indirect methods have been proposed for determining the efficiency and losses of machines with permanent magnets. Thus, in [18], a simplified model for calculating VSD-PMSM individual losses without a starting winding was proposed, the parameters for which were identified from the no-load test and the removed-rotor test. Ventilation and friction losses were neglected. Losses in the magnetic system were determined using a torque sensor when a PMSM under test is rotated by a prime mover at various rotational speeds. Based on a comparison with the results of the direct method, it is shown that this approach makes it possible to approximately measure the efficiency of the machine. The comparative tests were carried out on two different PMSMs of 45 kW, 1000 rpm without a starting winding. It was concluded that this method is better suited for larger machines with more than 95% efficiency.
In [19,20], the approach proposed in [18] was further developed. Satisfactory convergence of the direct and indirect methods is shown in experiments on a converter-fed PMSMs with a power rating of 7.5 kW, 1800 rpm [19], 90 kW, 3000 rpm, and 84 kW 2500 rpm, etc. [20]. In [21], various original approaches to the determination of certain types of individual losses in high-speed PMSMs without a starting winding are shown. For example, to separate ventilation losses, the motor was rotated in a low-pressure chamber. Comparison with the direct method and conclusions about the accuracy of the proposed approaches were not conducted.
For testing converter-fed PMSMs without a starting winding, a methodology was also proposed in the “IEEE Trial-Use Guide for Testing Permanent Magnet Machines” [22]. However, this guide does not provide a complete procedure for determining all types of individual losses.
A common drawback of the methods proposed in [18,19,20,21,22] is that they are not suitable for line-start synchronous machines. Paper [3] discussed LSPMSM efficiency measurement methods and concluded that the procedures in IEC 60034-2-1 (version 2007) that do not require a torque sensor are not applicable to LSPMSM due to the impossibility of controlling the excitation flux. As a result, the direct method (input-output method) must be applied. Therefore, the 2014 version of IEC 60034-2-1 (latest published version) [15] expressly stated that only the input-output method can be applied LSPMSMs.

1.4. The Problem and Aim of the Study

It can be concluded that although the development of energy efficient LSPMSMs is an urgent task, the existing methods for experimental measurement of efficiency for such machines have significant drawbacks. The use of an indirect method with the summation of individual loss components would simplify the test procedure and improve the accuracy of the results.
However, based on the literature overview, it can be concluded that at the moment, for LSPMSMs powered directly from the mains at a constant voltage amplitude and frequency, no method has been proposed for indirect measurement of efficiency by summing individual losses, and the results of measurement of efficiency obtained by indirect and direct methods have not been compared.
Indirect methods of measuring efficiency by evaluating the individual loss components have been proposed for the VSD-powered PMSM; however, the different type of supply in the case of the LSPMSM requires a modification of the methodology since the traditional, more detailed loss separation is difficult or impossible when considering only experimental data at operating points with a fixed frequency and voltage amplitude.
In an attempt to fill this gap, this article presents a novel indirect method for determining the efficiency of LSPMSMs and the results of its experimental comparison with the direct method.
To develop an indirect method for measuring motor efficiency, general methods of electrical circuit analysis were used. For the processing of experimental data, statistical methods and polynomial interpolation to calculate the values of the considered quantities in the range between the measured individual operating points were used.

2. Existing Methods for Measuring the Efficiency of Line-Start Synchronous Machines

2.1. Applicability of Existing Methods for Measuring LSPMSM Efficiency

There are several methods for measuring the efficiency of line-start synchronous machines, both direct and indirect. One of the direct methods is the input-output method, which requires the measurement of both the input (electrical) power and the output (mechanical) power of the electric motor [15,16]. The advantages and disadvantages of the direct method are discussed below.
Another direct method for measuring motor efficiency is the two-machine (back-to-back) method. According to this method, two identical machines run on one shaft, providing a load to each other, and their efficiency is assumed identical and calculated based on the electrical power consumed from and generated to the external network by this two-machine unit. The advantage of the method is that it does not require direct measurement of the torque; however, as shown in [15], it is not applicable to LSPMSM since the practical implementation of this method requires control of the excitation flux. For this reason, the two-machine method is not considered further.
The synthetic load method makes it possible to overcomes many of the problems of the back-to-back method; however, this method is only suitable for converter-fed multiphase machines [23] and therefore is not suitable for three-phase mains-powered LSPMSM. The calorimetric method is not discussed due to the complexity of its implementation [16,17].
In addition to the direct measurements, indirect methods for measuring efficiency are widely used, which do not require direct measurement of mechanical power and are usually based on measuring individual power losses in an electric machine. After the individual losses and their sum are calculated, the efficiency can also be calculated. However, in [15], it was noted that in the case of machines with permanent magnets, it is not possible to carry out simple tests to separate the friction and the ventilation losses from the iron losses in the core since the excitation flux is fixed at the level determined by the permanent magnets and cannot be adjusted. The dependence of permanent magnet flux density on the temperature of the magnets is also mentioned as a complication of the estimation of losses at idle. To overcome this difficulty, this study proposes a corrected individual loss measurement procedure needed for measuring the LSPMSM efficiency.
The disadvantages of the input-output method and the attractiveness of using an indirect method for LSPMSM are discussed in more detail below.

2.2. Disadvantages of the Input-Output Method

2.2.1. Challenges in Acquiring Accurate Torque Measurements When Using the Direct Method

The input-output method is the only standard method for determining the efficiency of LSPMSMs [15]. This method involves evaluating the efficiency in terms of the ratio of the mechanical power on the motor shaft to the electric power consumed from the grid. The evaluation of mechanical power is made by measuring the rotational speed and the motor torque, as suggested by (1).
Based on the results of measuring the electric power supplied from the grid P1 and the output mechanical power P2, the LSPMSM efficiency is estimated as:
η% = 100%∙P2/P1.
This method requires the use of a shaft rotational speed sensor and a shaft torque sensor. This entails an increase in the initial cost of the test bench as well as the cost of its maintenance. In addition, taking into account all the uncertainties that arise in applications of rotating machinery (which includes the temperature effects and the influence of parasitic bending moments) [16], torque sensors have a rather low measurement accuracy and may be damaged due to possible overloads, for example, when starting the motor.
There is also a particular difficulty in using torque sensors to measure the efficiency of line-start motors, both synchronous and induction. To ensure maximum measurement accuracy, the rated torque of the torque sensor should not exceed the rated torque of the motor by more than two times [24]. For LSPMSMs, this requirement is difficult to meet given that the starting torque can exceed the rated torque of the motor by more than five times [14], while the maximum torque that does not damage the torque sensor rarely exceeds 150% of the rated torque of the sensor [24]. This leads to the fact that for testing an LSPMSM, it is necessary to use torque sensors with a much higher rating than the rated torque of the motor and to an even greater decrease in the accuracy of torque measurement and, consequently, efficiency measurement.

2.2.2. Comparison of the Measuring Uncertainty of the Direct and Indirect Methods

Another inherent disadvantage of the input-output method is that the relative uncertainty of total losses measurement increases rapidly with increasing efficiency, with constant uncertainties in determining P1 and P2, and tends to infinity when the efficiency is close to 100% [16,25].
Note that the relative uncertainty of value u is related to its absolute uncertainty, such as in [26]:
δu = Δu/u,
where Δu is the absolute measurement uncertainty of u; δu is the relative measurement uncertainty of u.
The absolute uncertainty when adding a constant to the measured value does not change:
Δ(1 − u) = Δu.
The relative uncertainty when dividing two independently measured values is defined as:
δ u v = δ u 2 + δ v 2 .
Since, when using the input-output method, the efficiency of the motor is determined by formula (1), then, considering (4)–(6), the relative uncertainty of measuring the efficiency in this case is calculated as:
δ η = Δ ( P 2 / P 1 ) P 2 / P 1 = P 2 / P 1 × δ ( P 2 / P 1 ) P 2 / P 1 = δ P 1 2 + δ P 2 2 .
Expression (7) means that for fixed δP1 and δP2, δη does not depend on η, and for η close to 100%, the measurement uncertainty of η becomes compatible with a bias of η from 100%.
At the same time, when measuring the efficiency by an indirect method (1), taking into account (4)–(6), the relative uncertainty in measuring the efficiency will be equal to:
δ η = Δ ( 1 P T P 1 ) 1 P T P 1 = Δ ( P T P 1 ) 1 P T P 1 = P T P 1 × δ ( P T P 1 ) 1 P T P 1 = P T δ P 1 2 + δ P T 2 P 1 P T = = ( P 1 P 2 ) δ P 1 2 + δ P T 2 P 2 = ( 1 η ) δ P 1 2 + δ P T 2 η .
Thus, if, for example, η = 0.9 (90%), then it is easy to see from (7) and (8) that the indirect method gives a result nine times more accurate than the direct one if the relative values of all uncertainties are equal. If it is necessary to obtain a result with the same accuracy by the indirect method as by the direct method, then measurements can be made with a nine-times greater relative uncertainty. For this reason, it is also attractive to use an indirect method for LSPMSMs, which have a higher efficiency than IMs.
Thus, the input-output method in the application to LSPMSM has many disadvantages, and the search for an alternative method is relevant.

3. Mathematical Model of LSPMSM

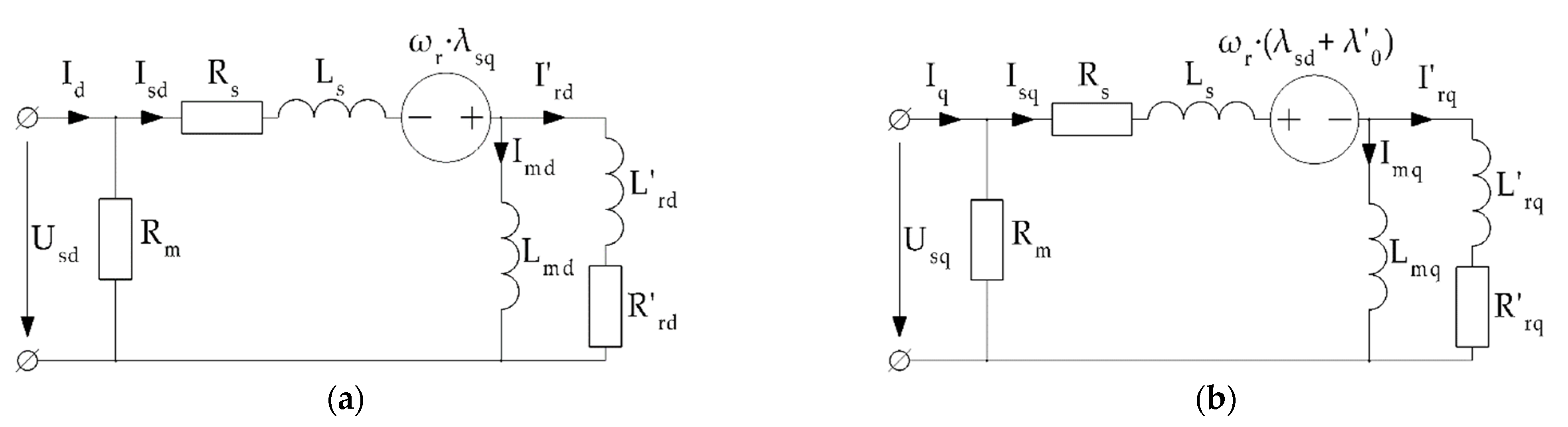
An LSPMSM consists of a three-phase stator and rotor incorporating a squirrel cage, aluminum or copper bars, and permanent magnets (Figure 1b). The equivalent circuit of an LSPMSM shown in Figure 2 clarifies the principal of the motor and the assumptions made. The equivalent circuit represents an LSPMSM in the reference frame rotating with the rotor and includes the stator leakage inductance Ls, the rotor inductances Lrd and Lrq, the mutual inductances Lmd and Lmq, the stator winding resistance Rs, the stator core losses resistance Rm, the squirrel-cage resistances Rrd and Rrq, and the mains voltage source Usq and Usd. Furthermore, the d- and q-equivalent circuits include the EMF (electromotive force) sources −p∙ωmλsq and p∙ωmsd + λ′0), where λsd and λsq are the stator flux linkages induced by flowing the current, λ′0 is the flux linkage of the permanent magnets referred to the stator side, p is the number of pairs of motor poles, and ωr = p∙ωm is the angular electrical speed of the rotor. These EMF sources take into account the flux changes due to rotating the rotor [14,27].
The motor starts as an asynchronous motor due to the torque of the squirrel cage (the corresponding elements L′rd, Lqd′, R′rd, and R′rq), overcoming the load torque and the oppositely directed torques of the permanent magnets and of the magnetic anisotropy, which generate the electric power at a frequency not equal to the frequency of the grid. When the motor speed reaches synchronous speed, a synchronous state occurs, which means that no eddy current is induced in the rotor bars from the fundamental component of the magnetic field. After synchronization, a synchronous torque acts on the rotor, maintaining rotation at synchronous speed.
Thus, it is possible, as it was done in [28], to take into account the individual types of losses considered in the model of the electric machine:
(1)
Loss in the stator copper, Ps = 1.5∙(Rs∙Isd2 + Rs∙Isq2), caused by the stator current, which is released on the stator resistance Rs;
(2)
Loss in the rotor squirrel cage is zero because the rotor rotates at a synchronous speed, and therefore, the flux coupled to the squirrel cage is constant in the coordinate system rotating with the rotor, and the EMF in the squirrel cage is not induced;
(3)
The loss in the stator steel, Pfe = 1.5∙(Usd2/Rm + Usd2/Rm), which releases on the magnetic loss resistance Rm, depends only on the supply voltage Us;
(4)
The friction and ventilation losses Pfw are a constant addition to the mechanical output P2 so that the motor electromagnetic power Pem [28]:
Pem = P1 − Ps − Pfe = P2 + Pfw.
Based on the above, according to the considered mathematical model, the total loss in LSPMSM can be found as:
PT = P1 − P2 = Ps + Pfe + Pfw.

4. Proposed Method for Summing Individual Loss Components for LSPMSM

This paper proposes an alternative method for measuring efficiency using loss separation suitable for LSPMSMs. This method implies the separation of motor losses into two groups: constant loss and load-dependent loss.
As explained in the previous section, the load-independent loss includes the steel loss Pfe and mechanical losses Pfw. Since the rotor loss is equal to zero in the steady state and P2 = 0 at no-load, then, according to (10), the load-independent loss Pconst can be determined from the no-load test as:
Pconst = Pfe + Pfw = P0 − Ps0 = P0 − 3∙I02∙Rso/2,
where P0 is the total active power consumed from the mains at no-load; Ps0 is the stator copper loss at no-load; I0 is the motor current at no-load; Rs0 is the winding line-to-line resistance.
Pfe and Pfw make up the constant losses independent on the load. Only their sum is measured in the proposed approach.
During the no-load test, the motor has no mechanical load on the shaft and is powered by mains voltage. The constant losses Pc are considered independent on the load on the motor since the motor runs at the synchronous speed, and the change in the voltage drop across the active resistance and leakage inductance of the stator winding can be neglected. The change in the iron loss due to changes in the magnitude and phase of the stator current under load compared to no-load is also neglected (see Figure 2).
The change in the stator resistance when applying alternating current compared to direct current is not taken into account due to the use of a random distributed winding with a large number of insulated conductors in low-power LSPMSMs. The load-dependent loss Ps is determined from the load test at the rated torque when the motor is powered from the mains as:
Ps = 3∙I2 Rs/2,
The line-to-line resistance Rs is measured immediately after the motor is disconnected from the mains after the rated-load test with the motor having reached steady-state heating. Efficiency based on measurement results is calculated as:
η% = 100%∙(Pel − Pc − Ps)/Pel.
where Pel is the active electrical power consumed from the mains.
Let us summarize all the above assumptions and limitations of the proposed indirect method:
  • In the steady state, ohmic loss in the stator winding Ps, iron loss in the stator magnetic core Pfe, as well as mechanical loss Pfw are taken into account. There are practically no losses in the rotor since the rotor rotates at the speed of the fundamental harmonic of the magnetic field, and the fundamental harmonic produces no losses. The influence of higher harmonics on the rotor losses is neglected. Therefore, all losses in the rotor are assumed to be zero.
  • The stator core losses are assumed to be independent on the motor load. This assumption is justified by the following: Firstly, in the steady state, since the motor efficiency is high and because of the stator ohmic resistance and leakage inductance are small, the voltage drops on the stator winding resistance and on the stator leakage inductance is negligibly small compared with the grid voltage. Therefore, the stator core losses are determined by the stator magnetic flux, which is determined with great accuracy as the grid voltage integral. This means that the stator core losses depend mainly only on the amplitude and frequency of the supply voltage and therefore do not depend much on the motor load. This fact is illustrated by the fact that the stator core losses resistance is connected directly to the mains voltage in the equivalent circuits shown in Figure 2. Secondly, usually, the winding losses prevail over the stator core losses in the mains-fed motors. Therefore, if a little dependance of the stator core losses on the motor load exists, it does not influence the efficiency estimation significantly.
  • Mechanical loss Pfw depends only on the rotational speed. Since the frequency of the grid voltage is fixed, and in steady mode, the rotor speed is synchronous (constant), both the mechanical losses Pfw and the stator core losses Pfe are assumed to be constant in a wide range of loading torques.
  • The change in the stator winding resistance when applying AC current compared to DC is not taken into account due to the use of a random distributed winding with a large number of insulated conductors in low-power LSPMSMs.
  • Considering the assumptions made, it can be expected that the scope of the proposed method is limited to low-power, high-efficiency, mains-powered 50/60 Hz LSMPMs with a random distributed winding with a large number of turns (effective conductors) per slot. However, this study is relevant even taking into account this limitation since, at present, most of the serially produced and developed LSPMSMs belong to this category of electrical machines [12,27].

5. Calculation and Measurements Results

5.1. Test Bench

In order to measure the efficiency of the LSPMSM with the input-output method and the proposed indirect method and to compare the results of these two methods, the no-load test at rated voltage and the load test were carried out for a low-power, commercially available LSPMSM sample.
Figure 3 shows the layout of the test bench: WQuattro 0.55 kW, 1500 rpm [12] LSPMSM (manufacturer WEG) was tested, and 1PH8101 induction motor was used as a loading machine. T21WN (20 N∙m) torque sensor was used. To measure the currents, voltages and real power of the motor, two current sensors LA 25-NP, and two voltage sensors CV 3-1000 were used, connected according to the scheme of two wattmeters. The ambient temperature θa was measured with a thermometer. The motor-housing temperature θc was measured with a thermocouple. To determine the constant losses and load-dependent losses depending on the load, the no-load and the load test were carried out with the measurement of the stator line-to-line resistance immediately after the tests.

5.2. No-Load Test

The no-load test was carried out to evaluate the constant loss Pc. During the no-load test, the motor runs at synchronous speed when powered directly from the mains. Table 1 shows the results of the no-load test for the 0.55 kW, 1500 rpm LSPMSM. The constant loss can be determined by formula (11) as Pconst = 58.4 − 3∙0.842∙31.1/2 = 27.0 W. To compensate for the effect of temperature on the permanent magnet flux, the temperature of the motor during the no-load test should be as close to the temperature during the rated-load test as possible.

5.3. Load Test

During the load test, the real power consumed from the mains is measured at various motor load torques. According to the results of the test, it is possible to calculate the motor efficiency according to the direct and indirect methods. Current and voltage sensors connected according to the scheme of two wattmeters, as shown in Figure 4, make it possible to estimate the real and apparent power consumed by the motor from the grid.
To avoid failure of the torque sensor due to the high starting torque of the LSPMSM, the motor under test is switched on only after the preliminary start of the converter-fed loading machine at the synchronous speed (1500 rpm). After connecting the LSPMSM to the mains, the loading machine is switched from the speed control to the torque control.
Before the measurements, the LSPMSM loaded with the rated torque of 3.5 N∙m was operated for about 2 h until the motor-housing temperature reached a steady state. After that, electrical quantities and torque were measured for the rated loading condition. Then, the motor was disconnected from the mains to measure the DC stator resistance. After that, the motor was powered again, and the measurement of electrical quantities and torque was carried out for non-rated load conditions as quickly as possible.
The stator resistance measured immediately after the rated-load test is Rs = 33.5 Ohm. Considering that the stator resistance at an ambient temperature of 24 °C is 30.6 Ohm, the average operating temperature of the winding can be estimated as 24 + (33.5 − 30.6)/30.6/α = 46 °C, where α = 1/235 1/°C is the copper temperature coefficient. The temperature of the motor housing measured by the thermocouple was 34 °C. Table 2 shows the results of the load test, total power loss PT, and efficiency η measurements carried out using the input-output method.
In Table 2, P2 = ωm∙T, where ωm = π∙50 rad/s is the mechanical angular frequency; T is the motor torque; η is the efficiency of the direct method calculated according (1).

6. Comparison of the Results Obtained by the Direct and Indirect Methods

Based on the results of the no-load and load tests, it is possible to calculate the motor efficiency by the proposed indirect method using formulas (11)-(13). Table 2 shows the calculation results. In Table 2, the output power P2′ = P1 − PT′ = P1 − Ps − Pconst; and the efficiency of indirect method η′ = P1 − PT′/ P1 = P2′/P1, according to (1). Due to the impossibility of dividing the constant losses Pc into components Pfw and Pfe and also due to the practically unchanged voltage U during the experiment, the change in Pconst depending on the values of U and I was not taken into account.
Figure 5, Figure 6 and Figure 7 show measured motor performances versus mechanical power when powered directly from the mains. Figure 5 shows the motor current and power factor measured under the load test. It can be noted that the measured power factor of the LSPMSM is much higher than that of an induction motor of the same power (usually no more than 0.78). The low-reactive current is an important advantage of LSPMSMs when powered directly from the mains, allowing to reduce losses in supply cables and transformers [29]. Figure 6 shows the measured total and individual losses (constant and load dependent). For total losses, a comparison of values measured by direct and indirect methods is shown. Figure 7 shows a comparison between the motor efficiency evaluated by the direct and indirect methods.
Based on the results of comparing the total loss and efficiency obtained by the direct and indirect methods, it can be concluded that they coincide with great accuracy. If the measurements carried out by the direct method are considered correct (which is guaranteed by the selection of measuring instruments and test procedures in accordance with [15]), then this means that the proposed simple indirect method, under the assumptions made, makes it possible to accurately determine the total loss of the low-power LSPMSM. This is possible probably due to the predominance of stator ohmic loss in the total motor loss as well as a small amount of additional load losses due to the use of a random distributed winding with a large number of insulated conductors. As shown in Figure 6, at the minimum mechanical power of 215 W, the ohmic losses are almost equal to the total of all losses in the motor. At the maximum mechanical power of 600 W, the ohmic losses exceed the sum of all other losses in the motor by a factor of 68.8/27 = 2.54 times. The relatively small value of the sum of mechanical and iron losses is explained by the low rotational speed of the motor (1500 rpm). At the rated load (mechanical power of 555 W ≈ 0.55 kW), the difference in the measured efficiency by the indirect method compared to the direct method is only 86.3 − 86.5 = −0.2%. The difference in measured total loss is 97.8 − 95.8 = 2 W (2%).

7. Conclusions

Line-start permanent magnet synchronous motors (LSPMSMs), fed directly from a grid with constant voltage magnitude and frequency, are becoming increasingly popular as an energy-efficient alternative to induction motors that does not require the use of a VSD and is therefore suitable for a wide range of applications. One of the challenges in developing LSPMSMs is the lack of methods for experimentally measuring the efficiency of these machines. According to international standards, only the input-output method with direct torque measurement is applicable to LSPMSMs, which has many disadvantages.
This paper proposes a novel indirect method for measuring the efficiency of LSPMSMs by summing individual loss components. To implement measurements, according to the proposed method, it is necessary to conduct only experiments with a rated load and no-load at a rated supply voltage. The proposed technique was tested on a commercially available LSPMSM sample (WQuattro 0.55 kW, 1500 rpm). The measured losses and efficiency were compared with the results acquired by the input-output method with direct measurement of the motor torque.
The conducted study shows small differences in the total losses and efficiency measured by the proposed simple indirect method relative to the input-output method, which is recommended for LSPMSMs in international standards but requires expensive equipment and is not always possible for implementation due to the need to build a high-precision torque sensor in the transmission between the motor and its load mechanism, which is especially difficult in the case of line-start motors with a large ratio of starting torque to the rated one. For the rated load condition, the difference in the efficiency measured by the proposed indirect method compared with the direct method is only 0.2%. The difference in measured total losses is 2%.
It can be concluded that the efficiency measured by the proposed simple indirect method agrees well with the standard input-output (direct) method in the case of a low-power LSPMSM of the considered type.
Considering the assumptions made, it can be expected that the scope of the proposed method is limited to low-power, high-efficiency, mains-powered 50/60 Hz LSMPMs with a random distributed winding with a large number of turns (effective conductors) per slot. However, this study is relevant even taking into account this limitation since, at present, most of the serially produced and developed LSPMSMs belong to this category of electrical machines.
This method can be used as the primary method if it is not possible to directly measure the motor torque or as an auxiliary method if it is necessary to verify the measurement results by more than one method.
Compared to the standard direct method, the proposed indirect method reduces the cost of the LSPMSM efficiency test bench and allows field measurements. In addition, it is expected that the results of measurements using the proposed method will correspond with a high accuracy to the results of the direct method.

Author Contributions

Conceptual approach, V.D. and V.P.; data curation V.G. and V.K.; calculations and modeling, A.P., V.D. and V.K.; writing of original draft, A.P., V.D., V.G., V.K. and V.P.; visualization, A.P. and V.K.; review and editing, A.P., V.D., V.G., V.K. and V.P. All authors have read and agreed to the published version of the manuscript.

Funding

This research received no external funding.

Institutional Review Board Statement

Not applicable.

Informed Consent Statement

Not applicable.

Data Availability Statement

All data are contained within the article.

Conflicts of Interest

The authors declare no conflict of interest.

References

  1. Rotating Electrical Machines—Part 30-1: Efficiency Classes of Line Operated AC Motors (IE Code). IEC 60034-30-1/ Ed. 1; IEC: 2014-03. Available online: https://webstore.iec.ch/publication/136 (accessed on 14 March 2022).
  2. Almeida, A.; Ferreira, F.; Fong, J.; Brunner, C. Electric motor standards, ecodesign and global market transformation. In Proceedings of the 2008 IEEE/IAS Industrial and Commercial Power Systems Technical Conference, Clearwater Beach, FL, USA, 4–8 May 2008; pp. 1–9. [Google Scholar] [CrossRef]
  3. Almeida, A.; Ferreira, F.; Duarte, A. Technical and Economical Considerations on Super High-Efficiency Three-Phase Motors. IEEE Trans. Ind. Appl. 2014, 50, 1274–1285. [Google Scholar] [CrossRef]
  4. Chin, Y.; Soulard, J. A permanent magnet synchronous motor for traction applications of electric vehicles. In Proceedings of the IEEE International Electric Machines and Drives Conference, Madison, WI, USA, 1–4 June 2003; Volume 2, pp. 1035–1041. [Google Scholar] [CrossRef]
  5. Dianov, A.; Tinazzi, F.; Calligaro, S.; Bolognani, S. Review and Classification of MTPA Control Algorithms for Synchronous Motors. IEEE Trans. Power Electron. 2022, 37, 3990–4007. [Google Scholar] [CrossRef]
  6. Dianov, A.; Anuchin, A. Design of Constraints for Seeking Maximum Torque per Ampere Techniques in an Interior Permanent Magnet Synchronous Motor Control. Mathematics 2021, 9, 2785. [Google Scholar] [CrossRef]
  7. Rotating Electrical Machines—Part 30-2: Efficiency Classes of Variable Speed AC Motors (IE-Code). IEC 60034-30-2/ IEC: 2016-12. Available online: https://webstore.iec.ch/publication/30830 (accessed on 14 March 2022).
  8. Vartanian, R.; Deshpande, Y.; Toliyat, H. Performance analysis of a ferrite based fractional horsepower permanent magnet assisted SynRM for fan and pump applications. In Proceedings of the 2013 International Electric Machines & Drives Conference, Chicago, IL, USA, 12–15 May 2013; pp. 1405–1410. [Google Scholar] [CrossRef]
  9. Ozcelik, N.G.; Dogru, U.E.; Imeryuz, M.; Ergene, L.T. Synchronous Reluctance Motor vs. Induction Motor at Low-Power Industrial Applications: Design and Comparison. Energies 2019, 12, 2190. [Google Scholar] [CrossRef] [Green Version]
  10. Goman, V.; Oshurbekov, S.; Kazakbaev, V.; Prakht, V.; Dmitrievskii, V. Energy Efficiency Analysis of Fixed-Speed Pump Drives with Various Types of Motors. Appl. Sci. 2019, 9, 5295. [Google Scholar] [CrossRef] [Green Version]
  11. Phillips, R.; Tieben, R. Improvement of Electric Motor Systems in Industry (IEMSI). In Proceedings of the 10th International Conference on Energy Efficiency in Motor Driven Systems (EEMODS ‘17), Rome, Italy, 6–8 September 2017. [Google Scholar] [CrossRef]
  12. WQuattro, Super Premium Efficiency Motor, Product Catalogue, WEG Group—Motors Business Unit, Cod: 50025713, Rev: 03, Date (m/y): 07/2017. Available online: https://static.weg.net/medias/downloadcenter/h01/hfc/WEG-w22-quattro-european-market-50025713-brochure-english-web.pdf (accessed on 28 February 2022).
  13. Zöhra, B.; Akar, M.; Eker, M. Design of A Novel Line Start Synchronous Motor Rotor. Electronics 2019, 8, 25. [Google Scholar] [CrossRef] [Green Version]
  14. Maraaba, L.S.; Al-Hamouz, Z.M.; Milhem, A.S.; Twaha, S. Comprehensive Parameters Identification and Dynamic Model Validation of Interior-Mount Line-Start Permanent Magnet Synchronous Motors. Machines 2019, 7, 4. [Google Scholar] [CrossRef] [Green Version]
  15. Rotating Electrical Machines—Part 2-1: Standard Methods for Determining Losses And efficiency from Tests (Excluding Machines for Traction Vehicles). IEC 60034-2-1:2014; IEC: 2014-06. Available online: https://webstore.iec.ch/publication/121 (accessed on 28 February 2022).
  16. Kepsu, M.-M. Uncertainty of Efficiency Measurements in Electric Drives. Master’s Thesis, Faculty of Technology, Lappeenranta University of Technology, Lappeenranta, Finland, 2015. Available online: https://citeseerx.ist.psu.edu/viewdoc/download?doi=10.1.1.960.7986&rep=rep1&type=pdf (accessed on 28 February 2022).
  17. Aarniovuori, L.; Kolehmainen, J.; Kosonen, A.; Niemelä, M.; Chen, H.; Cao, W.; Pyrhönen, J. Application of Calorimetric Method for Loss Measurement of a SynRM Drive System. IEEE Trans. Ind. Electron. 2016, 63, 2005–2015. [Google Scholar] [CrossRef] [Green Version]
  18. Deusinger, B.; Lehr, M.; Binder, A. Determination of efficiency of permanent magnet synchronous machines from summation of losses. In Proceedings of the 2014 International Symposium on Power Electronics, Electrical Drives, Automation and Motion, Ischia, Italy, 18–20 June 2014; pp. 619–624. [Google Scholar] [CrossRef]
  19. Yogal, N.; Lehrmann, C.; Henke, M. Determination of the Measurement Uncertainty of Direct and Indirect Efficiency Measurement Methods in Permanent Magnet Synchronous Machines. In Proceedings of the 2018 XIII International Conference on Electrical Machines (ICEM), Alexandroupoli, Greece, 3–6 September 2018; pp. 1149–1156. [Google Scholar] [CrossRef]
  20. Deusinger, B. Indirect Efficiency Determination and Parameter Identification of Permanent-Magnet Synchronous Machines. Ph.D. Thesis, Technischen Universität Darmstadt, Darmstadt, Germany, 2020. Available online: https://tuprints.ulb.tu-darmstadt.de/18915/13/2021-06-23_Deusinger_Bjoern.pdf (accessed on 28 February 2022).
  21. Lateb, R.; Silva, J. Indirect testing to determine losses of high speed synchronous permanent magnets motors. In Proceedings of the 2014 17th International Conference on Electrical Machines and Systems (ICEMS), Hangzhou, China, 22–25 October 2014; pp. 1520–1526. [Google Scholar] [CrossRef]
  22. Std 1812-2014; IEEE Trial-Use Guide for Testing Permanent Magnet Machines. IEEE: Piscataway, NJ, USA, 2015; pp. 1–56. [CrossRef]
  23. Herman, J.; Bojkovski, J.; Fišer, R.; Drobnič, K. An Improved Design of Synthetic Loading Method for a Rapid in-Wheel Motor Characterization in Different Operating Points. IEEE Trans. Transp. Electrif. 2021, 7, 2562–2575. [Google Scholar] [CrossRef]
  24. Schicker, R.; Wegener, G. Measuring Torque Correctly; Hottinger Baldwin Messtechnik GmbH: Darmstadt, Germany, 2002; ISBN 3000089454/9783000089459. [Google Scholar]
  25. Bucci, G.; Ciancetta, F.; Fiorucci, E.; Ometto, A. Uncertainty Issues in Direct and Indirect Efficiency Determination for Three-Phase Induction Motors: Remarks about the IEC 60034-2-1 Standard. IEEE Trans. Instrum. Meas. 2016, 65, 2701–2716. [Google Scholar] [CrossRef]
  26. Evaluation of Measurement Data—Guide to the Expression of Uncertainty in Measurement, 1st ed. JCGM 100:2008. September 2008. Available online: https://www.bipm.org/documents/20126/2071204/JCGM_100_2008_E.pdf/cb0ef43f-baa5-11cf-3f85-4dcd86f77bd6 (accessed on 15 March 2022).
  27. Isfahani, A.; Vaez-Zadeh, S. Line start permanent magnet synchronous motors: Challenges and opportunities. Energy 2009, 34, 1755–1763. [Google Scholar] [CrossRef]
  28. Ba, X.; Gong, Z.; Guo, Y.; Zhang, C.; Zhu, J. Development of Equivalent Circuit Models of Permanent Magnet Synchronous Motors Considering Core Loss. Energies 2022, 15, 1995. [Google Scholar] [CrossRef]
  29. Kazakbaev, V.; Prakht, V.; Dmitrievskii, V.; Golovanov, D. Feasibility Study of Pump Units with Various Direct-On-Line Electric Motors Considering Cable and Transformer Losses. Appl. Sci. 2020, 10, 8120. [Google Scholar] [CrossRef]
Figure 1. Motor sketches: (a) induction motor (IM); (b) line-start permanent magnet synchronous motor (LSPMSM).
Figure 1. Motor sketches: (a) induction motor (IM); (b) line-start permanent magnet synchronous motor (LSPMSM).
Mathematics 10 01056 g001
Figure 2. A d-q reference-frame-equivalent circuit of an LSPMSM motor: (a) d-axis; (b) q-axis.
Figure 2. A d-q reference-frame-equivalent circuit of an LSPMSM motor: (a) d-axis; (b) q-axis.
Mathematics 10 01056 g002
Figure 3. Scheme of the test bench.
Figure 3. Scheme of the test bench.
Mathematics 10 01056 g003
Figure 4. Electric sensors arrangement for the load test.
Figure 4. Electric sensors arrangement for the load test.
Mathematics 10 01056 g004
Figure 5. Experimental results: (a) motor current; (b) motor power factor.
Figure 5. Experimental results: (a) motor current; (b) motor power factor.
Mathematics 10 01056 g005
Figure 6. Experimental results: (a) comparison of total loss by the input-output method and the proposed indirect method; (b) separate losses evaluated using the indirect method.
Figure 6. Experimental results: (a) comparison of total loss by the input-output method and the proposed indirect method; (b) separate losses evaluated using the indirect method.
Mathematics 10 01056 g006
Figure 7. Comparison of motor efficiency measured by the input-output method and the proposed indirect method.
Figure 7. Comparison of motor efficiency measured by the input-output method and the proposed indirect method.
Mathematics 10 01056 g007
Table 1. Results of the no-load test.
Table 1. Results of the no-load test.
I0, AU, VP0, WS0, V∙AQ0, Varcosφ0Rs0, Ohm
0.84392.658.4571.9569.00.10231.1
Table 2. Results of the load test and separation of the individual losses.
Table 2. Results of the load test and separation of the individual losses.
I, AU, VT, N∙mcosφP1, WPs, WPconst, WPT, WPT′, WP2, WP2′, Wηη′
1.17391.53.810.877695.868.827.097.895.8598.0600.00.8590.862
1.091392.13.520.867642.259.827.088.286.8554.0555.40.8630.865
0.94391.82.860.816520.344.427.079.979.0448.9448.90.8630.863
0.868392.12.540.790465.937.927.071.371.4399.8401.10.8580.861
0.773391.71.910.684358.630.027.066.264.8300.8301.60.8390.841
0.734391.51.370.542269.727.127.062.160.4215.5215.60.7990.800
Publisher’s Note: MDPI stays neutral with regard to jurisdictional claims in published maps and institutional affiliations.

Share and Cite

MDPI and ACS Style

Kazakbaev, V.; Paramonov, A.; Dmitrievskii, V.; Prakht, V.; Goman, V. Indirect Efficiency Measurement Method for Line-Start Permanent Magnet Synchronous Motors. Mathematics 2022, 10, 1056. https://doi.org/10.3390/math10071056

AMA Style

Kazakbaev V, Paramonov A, Dmitrievskii V, Prakht V, Goman V. Indirect Efficiency Measurement Method for Line-Start Permanent Magnet Synchronous Motors. Mathematics. 2022; 10(7):1056. https://doi.org/10.3390/math10071056

Chicago/Turabian Style

Kazakbaev, Vadim, Aleksey Paramonov, Vladimir Dmitrievskii, Vladimir Prakht, and Victor Goman. 2022. "Indirect Efficiency Measurement Method for Line-Start Permanent Magnet Synchronous Motors" Mathematics 10, no. 7: 1056. https://doi.org/10.3390/math10071056

APA Style

Kazakbaev, V., Paramonov, A., Dmitrievskii, V., Prakht, V., & Goman, V. (2022). Indirect Efficiency Measurement Method for Line-Start Permanent Magnet Synchronous Motors. Mathematics, 10(7), 1056. https://doi.org/10.3390/math10071056

Note that from the first issue of 2016, this journal uses article numbers instead of page numbers. See further details here.

Article Metrics

Back to TopTop