A Quantum Planner for Robot Motion
Abstract
1. Introduction
2. Materials and Methods
2.1. Quantum Computation and Boolean Networks
- the directly translates to the X gate, which flips the phase of its input around the X axis of the Bloch sphere;
- the Toffoli () acts on the target qubit when both of its control bits are set to 1. This is the same behavior of a reversible operation;
- the classical operation can be implemented reversibly with a 3-qubit gate, where two s, one for each input, control the same output bit (rightmost subfigure of Figure 3).
2.2. Gate Reversibility
2.3. Quantum Path Planning
2.4. Grover’s Algorithm
2.5. Harnessing the Quantum Advantage
3. Planning Environment
4. Planning in a 2 × 2 Map
4.1. The M Block
4.2. The T Block
4.3. Grover’s Oracle
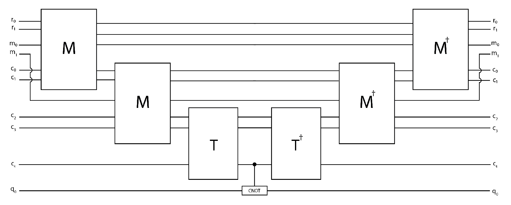
5. Planning in a 4 × 4 Map
5.1. The M block
- moving to the right means adding 1 to the column index of the current position;
- moving to the left means subtracting 1 to the column index of the current position;
- moving down corresponds to adding 1 to the row index of the current position;
- moving up corresponds to subtracting 1 to the row index of the current position.
5.1.1. Decoder
5.1.2. Move Maker
5.1.3. Move Validator
5.1.4. Move Selector
5.2. The T Block
5.3. Results
- The M operator is stripped down to just the 2-4 decoder and the -4 adder, so that we are in the case that we mentioned in Section 5.1.2, the robot is moving on a toroidal surface, that can jump from one edge to the other (in any case, this movement is not allowed for the short distance run by the robot);
- We wired in the position and considered . For this setting, we considered the usage of a single Grover iteration.
6. The Complete Procedure
6.1. Preprocessing
- quantum counting is more suitable for the cases where the answer lies on the number of solutions of the search problem rather than the solutions themselves; also, it is a quantum-classical hybrid procedure, meaning that at some point we would need to perform a measurement, destroying the superpositions within the circuit and forcing us to re-build a new circuit to perform the actual search procedure;
- the convenience of the taxicab geometry interpretation of the environment lets us perform an estimation of all the possible correct paths in a relatively straightforward way, removing the necessity of performing the more direct, but burdensome procedure of quantum counting.
6.2. Circuit Composition
7. Discussion on Performance and Resource Utilization
7.1. Quantum Hardware Constraints
7.2. Simulation Constraints
7.3. The Uncomputing Technique to Spare Qubits
7.4. Quantum Advantage of Grover’s Path Planning Formulation
7.5. Success Probability
8. Conclusions
Author Contributions
Funding
Institutional Review Board Statement
Informed Consent Statement
Conflicts of Interest
Appendix A. The Quantum Path Planning Is Optimal If the Average Branching Factor of the Search Tree Is Higher than the Square Root of the Maximal Branching Factor
References
- Nilsson, N.J. Artificial Intelligence: A New Synthesis; Morgan Kaufmann Publishers Inc.: Burlington, MA, USA, 1998. [Google Scholar]
- Costa, M.M.; Silva, M.F. A survey on path planning algorithms for mobile robots. In Proceedings of the 2019 IEEE International Conference on Autonomous Robot Systems and Competitions (ICARSC), Porto, Portugal, 24–26 April 2019; pp. 1–7. [Google Scholar]
- Karur, K.; Sharma, N.; Dharmatti, C.; Siegel, J.E. A Survey of Path Planning Algorithms for Mobile Robots. Vehicles 2021, 3, 448–468. [Google Scholar] [CrossRef]
- Post, E.L. Formal Reductions of the General Combinatorial Decision Problem. Am. J. Math. 1943, 65, 197–215. [Google Scholar] [CrossRef]
- Schmalhofer, F.; Polson, P. A production system model for human problem solving. Psychol. Res. 1986, 48, 113–122. [Google Scholar] [CrossRef]
- Turing, A.M. On Computable Numbers, with an Application to the Entscheidungsproblem. Proc. Lond. Math. Soc. 1937, s2-42, 230–265. [Google Scholar] [CrossRef]
- Tarrataca, L.; Wichert, A. Problem-solving and quantum computation. Cogn. Comput. 2011, 3, 510–524. [Google Scholar] [CrossRef]
- Manin, Y.I. Classical computing, quantum computing, and Shor’s factoring algorithm. Asterisque-Soc. Math. Fr. 2000, 266, 375–404. [Google Scholar]
- Ying, M. Quantum computation, quantum theory and AI. Artif. Intell. 2010, 174, 162–176. [Google Scholar] [CrossRef]
- Newell, A.; Simon, H.A. Human Problem Solving; Prentice-Hall: Hoboken, NJ, USA, 1972; Volume 104. [Google Scholar]
- Fikes, R.E.; Nilsson, N.J. STRIPS: A new approach to the application of theorem proving to problem solving. Artif. Intell. 1971, 2, 189–208. [Google Scholar] [CrossRef]
- Tarrataca, L.; Wichert, A. A Quantum Production Model. arXiv 2015, arXiv:1502.02029. [Google Scholar] [CrossRef]
- Tarrataca, L.; Wichert, A. Tree Search and Quantum Computation. arXiv 2015, arXiv:1502.01951. [Google Scholar] [CrossRef]
- Ambainis, A.; Kokainis, M. Quantum algorithm for tree size estimation, with applications to backtracking and 2-player games. In Proceedings of the 49th Annual ACM SIGACT Symposium on Theory of Computing, Montreal, QC, Canada, 19–23 June 2017; pp. 989–1002. [Google Scholar]
- Booth, K.E.; O’Gorman, B.; Marshall, J.; Hadfield, S.; Rieffel, E. Quantum-accelerated constraint programming. Quantum 2021, 5, 550. [Google Scholar] [CrossRef]
- Montanaro, A. Quantum walk speedup of backtracking algorithms. arXiv 2015, arXiv:1509.02374. [Google Scholar]
- Belovs, A. Quantum walks and electric networks. arXiv 2013, arXiv:1302.3143. [Google Scholar]
- Grover, L.K. Quantum computers can search arbitrarily large databases by a single query. Phys. Rev. Lett. 1997, 79, 4709. [Google Scholar] [CrossRef]
- IBM Qiskit. Available online: https://qiskit.org/ (accessed on 24 June 2022).
- Wichert, A. Artificial intelligence and a universal quantum computer. AI Commun. 2016, 29, 537–543. [Google Scholar] [CrossRef]
- Nielsen, M.A.; Chuang, I.L. Quantum Computation and Quantum Information: 10th Anniversary Edition; Cambridge University Press: Cambridge, UK, 2010. [Google Scholar]
- Wichert, A. Principles of Quantum Artificial Intelligence: Quantum Problem Solving and Machine Learning; World Scientific: Singapore, 2020. [Google Scholar]
- Mannone, M.; Seidita, V.; Chella, A. Categories, Quantum Computing, and Swarm Robotics: A Case Study. Mathematics 2022, 10, 372. [Google Scholar] [CrossRef]
- Deutsch, D.; Jozsa, R. Rapid solution of problems by quantum computation. Proc. R. Soc. Lond. Ser. A Math. Phys. Sci. 1992, 439, 553–558. [Google Scholar] [CrossRef]
- Falkenburg, B.; Mittelstaedt, P. Probabilistic Interpretation of Quantum Mechanics. In Compendium of Quantum Physics; Springer: Berlin/Heidelberg, Germany, 2009; pp. 485–491. [Google Scholar] [CrossRef]
- Bloch, F. Nuclear Induction. Phys. Rev. 1946, 70, 460–474. [Google Scholar] [CrossRef]
- A Representation of the Bloch Sphere. 2012. Available online: https://upload.wikimedia.org/wikipedia/commons/f/f4/Bloch_Sphere.svg (accessed on 24 June 2022).
- Wernick, W. Complete sets of logical functions. Trans. Am. Math. Soc. 1942, 51, 117–132. [Google Scholar] [CrossRef][Green Version]
- Deutsch, D.; Barenco, A.; Ekert, A. Universality in quantum computation. Proc. R. Soc. Lond. Ser. A Math. Phys. Sci. 1995, 449, 669–677. [Google Scholar] [CrossRef]
- Gottesman, D. Theory of fault-tolerant quantum computation. Phys. Rev. A 1998, 57, 127–137. [Google Scholar] [CrossRef]
- Gottesman, D. The Heisenberg Representation of Quantum Computers. arXiv 1998, arXiv:quant-ph/9807006. [Google Scholar] [CrossRef]
- Deutsch, D.; Penrose, R. Quantum theory, the Church‚ÄìTuring principle and the universal quantum computer. Proc. R. Soc. Lond. A. Math. Phys. Sci. 1985, 400, 97–117. [Google Scholar] [CrossRef]
- Feynman, R.P. Quantum mechanical computers. Found. Phys. 1986, 16, 507–531. [Google Scholar] [CrossRef]
- Braunstein, S.L.; Pati, A.K. Quantum Information Cannot Be Completely Hidden in Correlations: Implications for the Black-Hole Information Paradox. Phys. Rev. Lett. 2007, 98, 080502. [Google Scholar] [CrossRef]
- Mano, M.M.; Kime, C.R. Logic and Computer Design Fundamentals; Pearson Education: London, UK; Prentice Hall: Hoboken, NJ, USA, 2008. [Google Scholar]
- Cleve, R.; Ekert, A.; Macchiavello, C.; Mosca, M. Quantum algorithms revisited. Proc. R. Soc. Lond. Ser. A Math. Phys. Eng. Sci. 1998, 454, 339–354. [Google Scholar] [CrossRef]
- Zalka, C. Grover’s quantum searching algorithm is optimal. Phys. Rev. A 1999, 60, 2746–2751. [Google Scholar] [CrossRef]
- Centrone, F.; Kumar, N.; Diamanti, E.; Kerenidis, I. Experimental demonstration of quantum advantage for NP verification with limited information. Nat. Commun. 2021, 12, 850. [Google Scholar] [CrossRef]
- Guerreschi, G.G.; Matsuura, A.Y. QAOA for Max-Cut requires hundreds of qubits for quantum speed-up. Sci. Rep. 2019, 9, 6903. [Google Scholar] [CrossRef]
- Farhi, E.; Goldstone, J.; Gutmann, S. A Quantum Approximate Optimization Algorithm. arXiv 2014, arXiv:1411.4028. [Google Scholar] [CrossRef]
- Hlembotskyi, V.; Burczyński, R.; Jarnicki, W.; Szady, A.; Tułowiecki, J. Efficient unstructured search implementation on current ion-trap quantum processors. arXiv 2020, arXiv:2010.03841. [Google Scholar] [CrossRef]
- Vemula, D.R.; Konar, D.; Satheesan, S.; Kalidasu, S.M.; Cangi, A. A Scalable 5,6-Qubit Grover’s Quantum Search Algorithm. arXiv 2022, arXiv:2205.00117. [Google Scholar]
- Gebhart, V.; Pezzè, L.; Smerzi, A. Quantifying computational advantage of Grover’s algorithm with the trace speed. Sci. Rep. 2021, 11, 1288. [Google Scholar] [CrossRef] [PubMed]
- Zhuang, J.; Zhao, J.; Xu, F.; Hu, H.; Qiao, P. Analysis and Simulation of Grover’s Search Algorithm. Int. J. Mach. Learn. Comput. 2014, 4, 21–23. [Google Scholar] [CrossRef]
- Liu, J.; Zhou, H. Hardware Efficient Quantum Search Algorithm. arXiv 2021, arXiv:2103.14196. [Google Scholar] [CrossRef]
- Botsinis, P.; Babar, Z.; Alanis, D.; Chandra, D.; Nguyen, H.; Ng, S.X.; Hanzo, L. Quantum Error Correction Protects Quantum Search Algorithms Against Decoherence. Sci. Rep. 2016, 6, 38095. [Google Scholar] [CrossRef]
- Eddins, A.; Motta, M.; Gujarati, T.P.; Bravyi, S.; Mezzacapo, A.; Hadfield, C.; Sheldon, S. Doubling the Size of Quantum Simulators by Entanglement Forging. PRX Quantum 2022, 3, 010309. [Google Scholar] [CrossRef]
- IBM. Quantum Roadmap to Build Quantum-Centric Supercomputers; IBM: Armonk, NY, USA, 2021. [Google Scholar]
- Minkowski, H.H. Geometrie der Zahlen; Teubner: Leipzig, Germany, 1910. [Google Scholar]
- Qiskit Aer Simulator. 2022. Available online: https://github.com/Qiskit/qiskit-aer (accessed on 24 June 2022).
- Natarajan, D. Fundamentals of Digital Electronics; Springer: Cham, Switzerland, 2020; Volume 1. [Google Scholar] [CrossRef]
- Brassard, G.; Høyer, P.; Tapp, A. Quantum Counting. In Automata, Languages and Programming; Springer: Berlin/Heidelberg, Germany, 1998; pp. 820–831. [Google Scholar] [CrossRef]
- Preskill, J. Quantum Computing in the NISQ era and beyond. Quantum 2018, 2, 79. [Google Scholar] [CrossRef]
- Jang, W.; Terashi, K.; Saito, M.; Bauer, C.W.; Nachman, B.; Iiyama, Y.; Kishimoto, T.; Okubo, R.; Sawada, R.; Tanaka, J. Quantum Gate Pattern Recognition and Circuit Optimization for Scientific Applications. EPJ Web Conf. 2021, 251, 03023. [Google Scholar] [CrossRef]
- Paler, A.; Basmadjian, R. Clifford Gate Optimisation and T Gate Scheduling: Using Queueing Models for Topological Assemblies. arXiv 2019, arXiv:1906.06400. [Google Scholar] [CrossRef]
- Transpiler (Qiskit.Transpiler)—Qiskit 0.36.2 Documentation. Available online: https://qiskit.org/documentation/apidoc/transpiler.html (accessed on 24 June 2022).
- Saki, A.A.; Alam, M.; Ghosh, S. Study of Decoherence in Quantum Computers: A Circuit-Design Perspective. arXiv 2019, arXiv:1904.04323. [Google Scholar] [CrossRef]
- Bravyi, S.; Gosset, D.; König, R. Quantum advantage with shallow circuits. Science 2018, 362, 308–311. [Google Scholar] [CrossRef] [PubMed]
- Matrix Product State Simulation Method—Qiskit 0.36.2 Documentation. Available online: https://qiskit.org/documentation/tutorials/simulators/7_matrix_product_state_method.html (accessed on 24 June 2022).
- StabilizerState—Qiskit 0.36.2 Documentation. Available online: https://qiskit.org/documentation/stubs/qiskit.quantum_info.StabilizerState.html (accessed on 24 June 2022).
- The Extended Stabilizer Simulator—Qiskit 0.36.2 Documentation. Available online: https://qiskit.org/documentation/tutorials/simulators/6_extended_stabilizer_tutorial.html (accessed on 24 June 2022).
- Vidal, G. Efficient Classical Simulation of Slightly Entangled Quantum Computations. Phys. Rev. Lett. 2003, 91, 147902. [Google Scholar] [CrossRef]
- Aaronson, S.; Gottesman, D. Improved simulation of stabilizer circuits. Phys. Rev. A 2004, 70, 052328. [Google Scholar] [CrossRef]
- Bravyi, S.; Browne, D.; Calpin, P.; Campbell, E.; Gosset, D.; Howard, M. Simulation of quantum circuits by low-rank stabilizer decompositions. Quantum 2019, 3, 181. [Google Scholar] [CrossRef]
- Sadana, S. Grover’s search algorithm for n qubits with optimal number of iterations. arXiv 2020, arXiv:2011.04051. [Google Scholar] [CrossRef]
- Younes, A. Strength and Weakness in Grover’s Quantum Search Algorithm. arXiv 2008, arXiv:0811.4481. [Google Scholar] [CrossRef]
- Hart, P.E.; Nilsson, N.J.; Raphael, B. A Formal Basis for the Heuristic Determination of Minimum Cost Paths. IEEE Trans. Syst. Sci. Cybern. 1968, 4, 100–107. [Google Scholar] [CrossRef]
























| 1 | 0 | 0 | 1 | |
| 0 | 0 | 1 | 1 | |
| 1 | 1 | 0 | 0 | |
| 0 | 1 | 1 | 0 | |
Publisher’s Note: MDPI stays neutral with regard to jurisdictional claims in published maps and institutional affiliations. |
© 2022 by the authors. Licensee MDPI, Basel, Switzerland. This article is an open access article distributed under the terms and conditions of the Creative Commons Attribution (CC BY) license (https://creativecommons.org/licenses/by/4.0/).
Share and Cite
Chella, A.; Gaglio, S.; Pilato, G.; Vella, F.; Zammuto, S. A Quantum Planner for Robot Motion. Mathematics 2022, 10, 2475. https://doi.org/10.3390/math10142475
Chella A, Gaglio S, Pilato G, Vella F, Zammuto S. A Quantum Planner for Robot Motion. Mathematics. 2022; 10(14):2475. https://doi.org/10.3390/math10142475
Chicago/Turabian StyleChella, Antonio, Salvatore Gaglio, Giovanni Pilato, Filippo Vella, and Salvatore Zammuto. 2022. "A Quantum Planner for Robot Motion" Mathematics 10, no. 14: 2475. https://doi.org/10.3390/math10142475
APA StyleChella, A., Gaglio, S., Pilato, G., Vella, F., & Zammuto, S. (2022). A Quantum Planner for Robot Motion. Mathematics, 10(14), 2475. https://doi.org/10.3390/math10142475

