Abstract
The academic situation due to the COVID-19 lockdown forced teachers to transform conventional lessons to a fully online mode. The experimental component of chemical engineering degrees is an essential part of the courses, wherein the students usually attend a pilot plant and develop practical skills in a hands-on way. The present study shows the different methodologies developed and implemented during three academic years in the experimental component of two courses: fluid mechanics and heat transfer. Therefore, the year 2018–2019 represents a conventional scenario, in which the lessons and evaluation were conducted in a traditional mode (face-to-face). Later, the cessation of on-site teaching in the middle of the year 2019–2020 compelled the teaching staff to adapt methodologies to a distance mode. This transformation was based on the creation of new learning material: explanatory videos, online seminars, solved exercises and online tests. Finally, the end of the lockdown in the year 2020–2021 allowed the return to a mixed mode (face-to-face lessons in addition to online lessons), which enabled the redesign of the experimental part of the courses. After the end of the courses, the usefulness of the implemented methodologies was evaluated by means of collecting academic marks and student surveys. The results show that, in general, the yields were similar during the three years studied, except in the lockdown period of the fluid mechanics course in which it was slightly higher than the others. With regard to the opinion of the students, their feedback about the transformations made was generally positive.
1. Introduction
The COVID-19 pandemic led to changes to all aspects of our lives, including education. By the middle of April 2020, over 1.5 billion learners suffered the closure of their schools, colleges and universities and saw their academic offerings moved online [1]. The unexpected situation forced teachers to transform their conventional classroom courses to an online format, with hardly any time available to do it. This was a tough challenge for the educational system at all levels, from primary to high education, due to the fact that this transition requires significant effort as well as high familiarity with the involved tools [2]. For Spanish universities, the lockdown was imposed at the start of the second semester of the academic course in 2019–2020. The transition to the online model was highly challenging for teachers and coordinators due to the fact that they had to plan and adapt the courses on the go, while students still needed some improvement in their basic knowledge. It was essential to adapt teaching and assessment methods and they had to learn how to capture and maintain the attention and motivation of students from a distance. During the lockdown, they had to keep providing the theoretical lessons and getting the necessary immediate feedback from students. All these tasks could be carried out through synchronous or asynchronous communication with teleconferencing tools. However, the experimental laboratory lessons could not be fully replicated remotely [3].
The experimental learning component of any science, technology, engineering and math (STEM) course is broadly accepted as being an integral part of the higher education. Thus, competency in a range of practical skills is an essential component of the students’ curricula [4,5]. Specifically in the experimental sessions of a chemical engineering degree, students usually attend a pilot plant equipped with different instruments where they develop theoretical knowledge in a hands-on way. Therefore, they carry out activities involving machine operations and they can study the variables involved [6,7]. The main target is the acquisition of the necessary chemical engineering skills and the development of the transversal and higher-order thinking competencies [8]. Generally, the traditional approach to conducting experimental lessons involves the following steps. First, the teacher provides the students a document in advance, called a protocol, which includes a proposal of tasks, measurements and calculations to be performed during face-to-face sessions. Second, the students operate the equipment available for this purpose. Finally, students are required to submit a summary report about their experimental results and pass an exam to assess their empirical competencies.
However, the unexpected lockdown due to COVID-19 brought the distance equivalents to the laboratory activities that replaced the in-situ traditional hands-on lessons [9]. Within this context, adapting the conventional lessons took various new challenges, such as reducing the coursework load, the interaction with remote students and the assessment in the online modes [10]. All these circumstances transformed classical experimental teaching into a new virtual or hybrid experience [9]. For this purpose, several teaching tools exist in the market for helping students to acquire as many experimental competencies as possible, from mail-out experiences [11] to digital resources, such as learning web platforms [12,13], laboratory simulation programs [14], virtual laboratories courses [15,16] or tutorial/explanatory videos [7], among others. In this context, pedagogical tools such as a virtual campus (VC) based on e-learning platforms available on our university web could provide the resources and know-how needed for this task [17]. Thus, teachers could transform most of the activities developed in the teaching labs to the online mode, by integrating them into an e-learning platform or simply by adding interactive resources to the conventional teaching material [18].
In general, the online teaching equivalents are usually easier to scale up to large classes than the on-site courses because they are free of physical space restrictions, there are no scheduling limitations and students have flexible time to work. Likewise, while online students may not be able to gain specific technical skills, which can only be acquired by performing experiments in the laboratory, they can still gain other valuable pedagogical competencies, such as the capacity to collect data over multiple days, to analyze results, to realize their mistakes, to make experimental adjustments, and to design experimental strategies [19].
On the other hand, the majority of students prefer to learn complex concepts in a classroom environment and believe that online education does not facilitate a deep level of learning [20]. Shifting from the social learning environment of a classroom or laboratory to an isolated setting at home impairs motivation and the learning process due to the absence of or limited contact with other people. Thus, the strength of the online teaching does not signal the end of in situ-based teaching. In this way, a balanced point between the group face-to-face learning activities and the individual online learning equivalents may be suggested [11]. In fact, with the end of the lockdown and the subsequent COVID-19 recovery phase (September 2020 in Spanish Universities), attendance at teaching centers was progressively recovered and the return to conventional experimental lessons was very welcome by students. They reported that the widespread use of online teaching equivalents during the COVID-19 pandemic brought an increase in additional remote activities not only during the lockdown period but also in the post-pandemic era and that they missed the experimental engineering teaching [21].
In this framework, the present study shows the methodologies developed and implemented in order to carry out the experimental teaching of the fluid mechanics (FM) and heat transfer (HT) courses during three academic years: pre-pandemic, COVID-19 lock-down and post-lockdown. The usefulness of these methodologies and activities developed was evaluated through subsequent reports, tests and post-surveys implemented by the teachers for that purpose and carried out by the students. In addition, this work also shows some of the new teaching materials created for online teaching and used when attendance was recovered in a post-lockdown context. Therefore, in the following sections, the materials and methods used for the development of these methodologies are described as well as the results obtained which are shown and discussed next. Finally, in the last section, the main conclusions achieved and outlooks for the future are presented.
2. Materials and Methods
2.1. Course Descriptions
This work focuses on two different courses of our chemical engineering degree, fluid mechanics (FM) and heat transfer (HT). They are the responsibility of the Department of Chemical Engineering and Food Technology of the University of Cádiz (UCA) and share teaching staff, methodologies and the majority of students. Both are compulsory courses in the second year of the aforementioned degree and correspond to the pack of teaching subjects related to topics of the industrial field. The FM and HT courses have the same organization with six European Credit Transfer System (ECTS) and sixty hours of lesson time (Table 1).
Table 1.
Courses shown in this study.
In our FM course, as in most fluid mechanics courses, the mechanical energy balance is the central theme. Hence, there are some specific competencies to be acquired in this course: (i) to be able to describe the basic principles of fluid mechanics and apply them to solving engineering problems and (ii) to be able to calculate an efficient design of pipes, channels and fluid systems. In the case of our HT course, the specific competencies are: (i) to be able to explain the concepts of applied thermodynamics and heat transfer and (ii) to be able to apply the basic principles of heat transfer to solve engineering problems.
In both courses, students must achieve at least 5.0 points out of 10.0 in order to pass the course. This qualification can be obtained as follows:
- (1)
- Of the final mark, 60% is the average of two written mid-term exams. All students must take these exams and those who do not pass any of them are assessed again in a final exam;
- (2)
- Of the final mark, 20% is the result obtained in several written works proposed by the teacher, such as problems to be solved or questionnaires to be answered;
- (3)
- Of the final mark, 20% is the average score obtained in the assessment of the experimental work.
During the academic years of this study, the supervision, coordination, and theoretical lessons of both courses were a responsibility of a full professor of chemical engineering who has more than thirty years of teaching experience in this field. Additionally, two more assistant professors of the same teaching area supervised the experimental lessons. Casually, both courses involve a large percentage of the same students and the age and features profile of both study cohorts are very similar. Teachers and students had full access during that period to the online platform of UCA called virtual campus (VC).
As can be seen in Figure 1, the studied lessons covered the following academic years: 2018–2019 (pre-pandemic), 2019–2020 (including lockdown) and 2020–2021 (post-lockdown).
Figure 1.
Timeline of events in the academic years shown in this study at the UCA. Green line represents lessons in traditional mode (face-to-face). Red line represents lessons in online mode.
2.2. Experimental Lessons
FM and HT courses have twelve hours (each) assigned to experimental activities and attendance of these lessons is compulsory. The partial mark obtained by the students in these lessons has to be at least 4.0 points (out of 10.0) in order to pass the course. The specific activities and competencies of each one are shown in Table 2 and Table 3.
Table 2.
Activities proposed to the students during FM experimental lessons.
Table 3.
Activities proposed to the students during HT experimental lessons.
2.3. Virtual Campus
Virtual campus (VC) is an online service for teaching support and dissemination of the materials available in each teaching area that is provided by the UCA to teachers and students (Figure 2) [28].
Figure 2.
Home page screenshot of the VC interface of the UCA (English version).
In particular, it can be used as a management, communication and evaluation tool and it has been designed with the aim of creating a teaching online environment for teachers and students. VC integrates a set of servers that incorporate multiple technologies and software developed by the UCA. The code has been written using free software, being the central component Moodle 3.6 [29].
The tool provides services such as teaching resources, general information services, integrated intranet management, virtual teaching environments, videoconferencing and statistical data collection (Figure 3). The increase in the use of mobile devices, as well as the improvement of integrated tools in the platform, has spectacularly boosted the level of use of VC in recent years.
Figure 3.
Scheme of the VC services in the UCA.
2.4. Methodology Assessment
The evaluation of the methodologies implemented in this work was carried out in three different ways:
- (1)
- Collecting the marks obtained by the students in the reports and exams proposed during the experimental lessons. As it has been mentioned before, they were designed by the teacher to assess the specific competencies of this experimental part of the courses;
- (2)
- Registering the evolution of the access number to the VC during the course and specifically during the experimental lessons;
- (3)
- Performing post-surveys at the end of the courses to be answered by the students. Thus, the students, once the courses had finished, gave their consent and were invited anonymously to answer a survey. Specific questions were included with the aim of determining the usefulness of the teaching methodology developed during the courses. In this study, only those corresponding to the experimental component are shown (Table 4). They included rating responses on a scale of five (from strongly disagree to strongly agree) or four (from low to very high).
Table 4. List of questions about experimental components in the post-survey.
3. Results
The following sections explain the teaching methodologies adopted in the experimental component of the courses above mentioned.
3.1. Academic Year 2018–2019: The Pre-Pandemic Scenario
This year represents the conventional scenario, in which the lessons were conducted in a traditional mode, i.e., face-to-face in the campus premises. The number of students first enrolled or repeated were high in both courses, which is usual for this UCA degree. However, not all the students participated in the experimental activities because the students who passed this part of the competencies in the previous year do not need to pass it again (Table 5).
Table 5.
FM and HT students in the academic year 2018-2019.
3.1.1. Experimental Teaching Methodology
In both courses (FM and HT), the experimental lessons took place in a pilot plant specially designed for this purpose. The plant is endowed with equipment, instruments and devices for the development of the activities and tasks proposed by the teachers (Figure 4).
Figure 4.
Pilot plant where experimental activities were realized by the students of FM and HT courses.
The 12 hours assigned to the experimental work of each course were distributed in 3 sessions (4 hours each). The group of students was divided (by themselves) into pairs or trios depending on the enrolment and, according to previously defined schedules, they carried out three activities among the total number of activities available (one activity in each session). The assignment of these three activities was random. The students worked in pairs (or trios) during the first three hours carrying out the assigned activity and later they spent the last hour solving an individual written exam about the experimental activity performed. During the development of the activities, the students handled the equipment available (Appendix A and Appendix B) and carried out a sequence of operations according to the aims previously established. The laboratory work was continuously supervised by two teachers who made checks in terms of the safety, machine handling and data collection.
Each experimental lesson involved the following steps (Appendix C, Figure A1a):
- (1)
- An activity protocol is provided to the students in advance. This document included the theoretical basis of the lesson, a brief description of the installation and operation procedure, a list of measurements and calculations to be performed and the results, discussions and conclusions to be included in the subsequent report;
- (2)
- Once the experimental lesson in the pilot plant was completed, the students were individually assessed by means of a written exam. This test was designed to demonstrate to the students their knowledge of the specific experiment completed. It usually includes two questions. In one, students are asked to explain some basics of the activity, namely a specific part of the procedure or a part of the equipment used. In the other, a numerical exercise related to the typical calculations of the activity is required. The students had one hour to complete this test;
- (3)
- Finally, each pair (or trio) of students must submit a report to be assessed by the teachers, containing all the details of the experimental work carried out in the pilot plant and the requirements included in the initial protocol.
3.1.2. VC Function
In this mode of teaching, the VC platform assumes only the following functions:
- (a)
- Repository. Where teachers upload and students download documents of interest such as schedules, distribution of groups, activities, protocols, or safety guidelines;
- (b)
- Communication. The students can ask for some help in the preparation of their reports or can finally upload it, in the proper links.
Figure 5 shows the evolution of the access number to VC during the year in both courses. In particular, an increase in visits took place from the beginning of the experimental lessons until practically the end of the course. Although the HT course had a higher number of visits, the accesses/student ratio is very similar in both courses and also has the same pattern of evolution. Thus, we can observe an increase in visits during the empirical lessons, mainly due to the downloading of information and the sending of reports. The maximum number of visits per student and month was very similar in FM and HT, of 75 and 76, respectively.
Figure 5.
Student access to VC during the academic year 2018–2019 (pre-pandemic). Number of visits each month: (a) start course; (b) start experimental lessons; (c) end experimental lessons; (d) deadline submit final report and (e) end course.
3.1.3. Students’ Evaluation
According to the above-mentioned score procedures, in both courses, 40% corresponded to the final report (three activities) and 60% to the individual exams (three tests). Notably, the highest weight is given to the individual exams because it is considered that an individual exercise is more relevant for the individual assessment than a group-made report.
The final mark in the experimental lessons of the FM course was 5.4, almost one point lower than the one in the HT course (6.3). In addition, in both courses, it was observed that the marks of the group reports were higher (approximately 1.5 points) than those obtained in the individual tests. This result could be expected, considering that the individual tests were conducted without any documentary support (books, lecture notes, classmates, etc.), but the group report was performed with it (Table 6).
Table 6.
Average FM and HT student results in the academic course 2018–2019.
In addition, Figure 6 shows the percentage of students who passed each experimental task with respect to the complete course.
Figure 6.
Student passed and failed the FM and HT courses during the 2018–2019 academic year. (a) Written exams; (b) final reports; (c) experimental lessons; (d) global course.
It can be observed that the final report was passed completely by the students in HT and almost completely in FM, but the written exams were not passed by a quarter of the students in both cases. In addition, in FM, 28% of students did not pass the experimental part, mainly due to the marks obtained in the individual exams. However, in HT, there were no failures in this part, due to the higher score in the reports. The global final marks of the courses were also very similar, but this result corresponds to other causes not studied in this work.
3.1.4. Post-Surveys
The opinions collected from students about the experimental activities are shown in Figure 7. Post-surveys were carried out including questions about all the features of the courses, but here we have included only those related to the experimental part.
Figure 7.
Average of responses of the rating scale (on the left in a 5-point Likert level from strongly disagree to strongly agree).
Students were questioned on a scale from 1 to 5 in each item and, in all cases (objectives, contents and theoretical connection) the average score was between 4 and 4.5, being slightly higher in FM. This leads us to think that the students generally have a positive opinion of these sessions. On the other hand, it is remarkable that the vast majority of students consider the difficulty of both courses to be high (close to 70%) or very high (close to 30%).
3.2. Academic Year 2019–2020: Lockdown in the Pandemic Situation
Due to the COVID-19 pandemic, the UCA ceased all face-to-face teaching activities on the 14th of March 2020 and it soon became apparent that this lockdown would be long lasting. Thus, all the teaching, including experimental lessons, had to be moved remotely to follow an online mode. In this academic year, the number of students enrolled was higher than in the previous one, and was somewhat higher in the HT course (Table 7).
Table 7.
FM and HT students in the academic year 2019–2020.
3.2.1. Experimental Teaching Methodology
In this period, experimental lessons were redesigned in order to be able to adapt to the distance mode. However, as far as possible we had to maintain the achievement of the specific competencies of this empirical part of the courses. Therefore, all the experimental activities with their corresponding aims of the previous year were maintained, as well as the assigned teachers. In addition, the time working dedicated to each activity was the same, despite the fact that they were moved to an online mode (through the VC platform).
To carry out this mode of experimental teaching, a new learning approach was designed including synchronous and asynchronous activities. It involved the following steps (Appendix C, Figure A1b):
- (1)
- (2)
- Later, to the VC platform teachers uploaded explanatory first-person videos produced specifically for each laboratory activity. These videos explained the aim and fundamentals of the activity, showed the installation in the laboratory (stopped and running), the handling of the different parts (valves, pipes, pumps, measurement elements, etc.) and helpful information obtained from working experience;
- (3)
- On a specific scheduled day, an online explanatory seminar was taught for each experimental activity, grouping all the students assigned. In these videoconference meetings, teachers described additional equipment and operations necessary to carry out the activities, as well as explaining the related calculations to be performed (Adobe Connect® [30]). Appendix D and Appendix E show several screenshots of the videos and seminars developed;
- (4)
- A numerical problem of each activity, completely solved, was uploaded to the VC platform (Power Point® format), where students could see the solution procedure step by step;
- (5)
- Each student received a pack of raw experimental data for each activity assigned. These data correspond to real experiments carried out by students in previous years. Then, they had to analyze the data and develop the necessary calculations to obtain the required results. At last, they had to submit the individual final report of each activity, which contained all the calculations made, the discussions presented and the conclusions obtained;
- (6)
- Finally, on another scheduled day, the students individually carried out an online exam (through the VC platform) about the assigned activities. These tests were specifically designed to allow students to demonstrate their knowledge of each activity and included only one question about the numerical calculations associated. They had 35 minutes to complete the test and, during this time, the supervisor was available in an online chat room [30] to clear doubts, answer questions or solve technical problems, as well as to check the isolation of the student along with providing evidence of their isolation.
3.2.2. VC Function
During this period, the principal function of the VC platform was that of a communication tool (synchronous and asynchronous), where teachers could upload materials for the students (protocols, videos, data, exercises, etc.), broadcast their presentations or lessons, perform tutorial sessions or exams or maintain email contact. In addition, as in previous years, VC was used for students to submit their reports or any other required documents.
Figure 8 shows the evolution of the access numbers to VC during this period. Notably, an increase in the number of visits took place from the 14th of March, before the start of the experimental lessons, because VC was also used in this period as the platform for the online broadcasting of the rest of the theoretical lessons of both courses. However, the highest access number coincided with the period dedicated to the experimental activities (second half of May). This maximum was similar in both cases: 261 in FM and 252 in HT located at the end of the experimental lessons and final examinations of the courses (second week of June). As expected, this value was higher (threefold) than the number of accesses in the previous academic year.
Figure 8.
Student access evolution to the VC during the academic year 2019–2020 (lockdown). Number of visits each month: (a) start course; (b) start experimental lessons; (c) end experimental lessons; (d) deadline submit final report and (e) end course.
3.2.3. Students’ Evaluation
In order to contribute to the adaptation of the scoring procedure to the new methodology implemented, the teaching staff changed the weight of each activity in the final mark of the experimental component of the courses. Thus, this year 40% corresponded to the four individual tests completed, while the other 60% corresponded to the four activity reports submitted which were also individual. The modification also responds to the fact that this year there was one more report to be conducted (four instead of three). Table 8 shows the results obtained in each course. In general, the marks were very similar in the two evaluation activities of each course, but in the FM course, they were one point higher than in the HT.
Table 8.
FM and HT students’ results in the academic course of 2019–2020.
Regarding the pass rates for this academic year (experimental part), they were very high: in FM 100% of students and in HT 94% (Figure 9). On the contrary, in relation to the overall course marks, the pass rate was lower than in previous years, being around 30%.
Figure 9.
Students passed and failed in FM and HT courses during the 2019–2020 academic year. (a) Experimental exam; (b) experimental report; (c) experimental component; (d) global course.
3.2.4. Post-Surveys
The lockdown also forced the collection of the students’ opinions using online post-surveys to be conducted through the VC platform. The average results are plotted in Figure 10.
Figure 10.
Average of responses of the rating scale (on the left in a 5 point Likert level from strongly disagree to strongly agree).
The scores about statements related to the experimental component of both courses were again high (around 4.5 out of 5.0) (objectives, contents and theoretical connection). Concerning the perception of the difficulty of the global course, it was similar to that in the previous year (traditional mode). Thus, 80–90% of the opinions considered it high or very high, although these results were slightly more balanced to the “very high” point.
3.3. Academic Year 2020–2021: Post-Lockdown Situation
The Spanish government ended the state of emergency due to the COVID-19 pandemic on 21 June 2020 and, consequently, the lockdown period finished. Hence, this circumstance allowed the start of the next university course (dated in September) to be developed again in a face-to-face mode, despite the corresponding health protection measures. In this academic year, student enrolment increased in both courses significantly (Table 9). Specifically, it raised in terms of the number of first-time enrolments and, consequently, also increased in terms of the number of students in the experimental part.
Table 9.
FM and HT students in the academic year 2020–2021.
3.3.1. Experimental Teaching Methodology
As usual, in the planning, the experimental lessons of the FM and HT courses started in the last week of May. Some weeks before, the group of teachers organized the tasks and activities to be carried out by the students in this case. Appendix C, Figure A1c summarizes the new mode established, which basically returns to the conventional teaching but incorporates some of the new resources created during the previous period (2019–2020, lockdown scenario).
During this year, the experimental lessons involved the following steps:
- (1)
- (2)
- Students were provided with the conventional protocols and with the explanatory videos (developed for the distance learning mode) available in the VC;
- (3)
- Later, according to the organized timetable, each student group performed three experimental lessons of four hours each at the laboratory (or pilot plant). First, three and a half hours working in groups on site, developing the corresponding activities and, in the remaining time (30 min), individually accessing the VC platform to do an online test. Each test included seven questions of three possible answers (only one correct). A total of 5 of these questions were selected randomly from a database of theoretical reasoning questions (with around 30 elements in total). The other two questions were also randomly selected from another database of applied calculation questions (of similar total size);
- (4)
- Finally, on the scheduled date after the end of the lessons, each student group submitted their report. This document included all the experimental data, calculations, discussion and conclusions of each one of the three activities assigned in each course.
3.3.2. VC Function
In this scenario, the use of VC as a learning platform was significant, but its use as a communication tool dropped fairly. In fact, it played the principal role as a repository of documents (protocols, videos, schedules, etc.). In addition, students could access the final tests online instead of a writing format. In fact, a shared VC course was created by the teachers, where students of FM and HT courses could access the tests at the end of each session. The essential benefit of this version is that the platform was programmed to automatically assess the tests and show the score and the correct answers to the students.
The number of total accesses to VC was higher than before the pandemic, probably due to the increment of resources available. Thus, the access ratio during the experimental part was more than double compared to the 2018–2019 academic year (pre-pandemic scenario). The maximum number of accesses per month was 142 (FM), 108 (HT) and 130 (shared) (Figure 11).
Figure 11.
Student access evolution to the VC during the academic year 2020–2021. Number of visits each month: (a) start course; (b) start experimental lessons; (c) end experimental lessons; (d) deadline submit final report and (e) end course.
3.3.3. Students’ Evaluation
To assess the experimental competencies, the scoring procedure reverted to the pre-pandemic approach where 40% corresponds to the final report in groups and 60% to the individual tests. Table 10 shows the obtained results. As can be seen, the marks were lower in FM than in HT (overall marks of 5.1 versus 6.2, respectively) and reports achieved better results than tests. In fact, in FM, 35% of the students did not pass the tests while only 5% did not pass the reports (Figure 12). At the end, 22% failed the experimental part of this course. In the case of HT, 100% passed the practical part, despite only 28% passed the global course.
Table 10.
FM and HT students’ results in the academic course 2020–2021.
Figure 12.
Student evaluation in FM and HT courses during the 2020–2021 academic year. (a) Experimental test; (b) experimental report; (c) experimental component; (d) global course.
3.3.4. Post-Surveys
The post-surveys were carried out through VC, where students were able to answer freely and anonymously, following the same format as in the 2019–2020 academic year (lockdown scenario). The average results obtained were very similar to those of the previous year. Both courses were very similar (average values between 4.5 and 4.8 out of 5), being slightly higher in FM. However, in the section corresponding to the course difficulty, the perception was again around 90% of responses being high or very high and HT was clearly more balanced to the “very high” point (Figure 13).
Figure 13.
Average of responses of the rating scale (on the left in a 5-point Likert level from strongly disagree to strongly agree).
4. Discussion
In order to establish the impact and usefulness of the different methodologies described in the previous sections, the results obtained in each case are discussed here.
First, the teaching methodology implemented during the pre-pandemic is the traditional system usually adopted in most STEM degrees. This is a common hands-on-based methodology [11,14,15,31,32,33] that principally evaluates the understanding of the equipment and the practical knowledge of the student. The students can interact with the equipment by themselves and can engage in discussions with other classmates or teachers during the sessions. Thus, it is oriented to the acquisition of practical competencies. However, from the point of view of many students, this conventional methodology poses some difficulties. One of the main drawbacks is that the instruction manuals and operation protocols are usually very cumbersome and unattractive [28]. Of course, these documents are not motivating at all.
Other problems that arise are in relation to the lack of theoretical knowledge about the fundamentals of the experiments and the large amount of information to be processed during the sessions without any bibliographical help. In addition, the high number of students usually enrolled and the limited number of equipment available sometimes make lab sessions very extensive. Moreover, they often restrict their learning to mere observation of the work performed by other classmates [34]. Finally, in this case, the number of hours assigned to the experimental sessions in both courses (12 h) did not allow the students to carry out all the activities proposed. Thus, teachers generally must discard activities from the schedule and the achievement of all objectives is impaired.
Furthermore, the methodology applied during the COVID-19 pandemic was forced to be implemented in a very short time, including the planning and development with new digital tools (videoconference, online teaching, etc.), with some of them being unfamiliar to teachers. Nevertheless, they tried to keep all the previous goals in focus. Therefore, the most practical proposal was to maintain the same pack of lab activities but obviously change the face-to-face format to the online one. Thus, the possibility to work with real equipment was replaced suddenly with demonstration videos. Fortunately, all this adaptation process was supported by the available platform VC of UCA, an excellent tool that became priceless at this time.
It is evident that a video cannot replace practical laboratory work, where students can manipulate every part of a machine and obtain their own experimental data. In this sense, some studies have claimed that videos do not provide any experience of protocol procedures or the use of equipment, in the same way that watching a video about car driving does not make someone a driver [35]. Moreover, these materials were produced by the teaching staff, not by film professionals, thus the quality of recordings has room for improvement. Despite all these drawbacks, this type of video is reported to be highly appreciated by the students [19,32], especially when the issues are followed by a set of data obtained by other classmates.
Finally, in the year 2020–2021, face-to-face experimental teaching was reinstated. However, the above-mentioned changes were introduced. Previous studies have highlighted the importance of mixed-mode strategies (a combination of remote and traditional lab components) in the improvement of traditional teaching [33]. They state that an increase in remote activities can help students to strengthen concepts [21]. In our case, data show that students appreciated the preview of videos and gained self-confidence in the subsequent hands-on procedures. This way, the experimental setup is familiar to the students when they access the pilot plant. Nevertheless, it is possible that they hold misconceptions about material or equipment if the quality of videos is poor [19]. In relation to the change from the written exam to the online multiple-choice test, this allowed a reduction in the exam time, despite the increase in the number of questions, with the consequent increase in the lab time (30 min). As was mentioned above, this is especially important for some slow students or slow processes such as those applied in the activities proposed in the HT course. It is remarkable that students had access to the visual material before and after the experimental sessions, thus, they could revise the operation protocols during the preparations of the final reports and solve some of the doubts that usually arise at that moment. Finally, through explanatory videos provided to the students, they had access to the handling of all activities and equipment proposed that are not available to them for operating in the traditional mode due to timetable limitations.
It is important to state that, in the post-pandemic period, the use of e-learning tools (VC platform) also played a crucial role, although the focus was on hands-on learning. The aim of the VC materials was then to augment the course experience [18]. The count of the platform access shows that in this period there was an increase in the number of visits of more than two times in relation to the pre-pandemic period and of three times in relation to the lockdown period (Figure 14).
Figure 14.
VC access/student ratio maximum per month during the academic years 2019–2020, 2020–2021 and 2021–2022.
In relation to the marks obtained by the students, a general comparison shows that they scored higher in the final reports than in the individual tests (Figure 15). This is precisely what was expected due to the stress generated by an individual and an interviewed exam against a group and open time report. As for another detail, namely contrasting the global marks of the experimental part of different periods (and methodologies), the best results were obtained in the fully online period (year 2019–2020) (Figure 15). This maximum was more significant in the case of the FM course, whereas the HT course evolved more uniformly. In this sense, it was reported that online proofs give students the possibility of creating their own exam atmosphere and this leads to better yields [36].
Figure 15.
Student average marks in FM and HT, courses during the academic years: 2018–2019, 2019–2020 and 2020–2021. (a) Overall; (b) report; (c) exam.
In any case, the differences between the post-pandemic mixed mode (on-site + online mode, year 2020–2021) and the pre-pandemic pure on-site mode (year 2018–2019) were minimal. Even, in the case of the HT course, the differences between the mixed mode and the pure online mode (year 2019–2020) were also very low. However, we have to take into account that the limitations in the production of the pure online methodology were high and perhaps this was not an adequate example of proper online practical teaching.
5. Conclusions
The present study focuses on the modification of the teaching methodology involved in the experimental part of two chemical engineering courses (fluid mechanics, FM, and heat transfer, HT), including the pre-pandemic methodology, the lockdown period methodology and the post-pandemic methodology. Thus, considering the results previously discussed, the following could be concluded.
Dedicated online teaching platforms as the VC platform of the UCA was fundamental to adapting the experimental lessons from the face-to-face learning mode to the distance mode during the lockdown of 2020 and to adapting the hands-on teaching methodology to new strategies (mix modes).
Despite the full distance mode, which did not allow the interaction of students with the equipment and the operation of machines, the learning and knowledge of the experimental competencies increased slightly in this mode. Thereby, students reported an enhancement to their experiences in the practical part of the courses because of the explanatory videos, the example solved files and the online exams included.
The assessment of the experimental activities carried out by means of group reports was best rated by students than individual written exams, although the former has the drawback that does not show personal progresses.
The marks obtained by students under each of the three methodologies (pure on-site, pure online and mixed) were very similar. Only in the FM course was a slightly better result detected under the pure online mode (in the way this was implemented).
Despite the students’ perception of the difficulty of the FM and HT courses being high or very high, the evaluation of the experimental component was quite positive, being more than four out of five in all the cases.
Additionally, this study opened the following future possible lines of work. First, the implementation of new methodological tools for the assessment of the student competencies under the online mode must be studied, specifically for with control groups of students. Second, the videos and other visual materials included in the online mode must be enhanced with digital simulators, which can give the students the possibility to obtain the pack of experimental data by themselves or through the filming and editing of videos at 360°, even incorporating interactive elements such as emergent action points. Finally, the development of experimental courses based on the pure online mode must be more deeply studied, including planning and methodologies, for example, for students who do not attend any of the sessions in the pilot plant for justified reasons or for repeating students with the experimental component passed in previous years.
Author Contributions
Conceptualization, methodology, original draft preparation, review and editing M.J.D.; critical revision, I.C.; methodology, data acquisition and critical revision, R.M. All authors have read and agreed to the published version of the manuscript.
Funding
This research received no external funding.
Institutional Review Board Statement
Not applicable.
Informed Consent Statement
Not applicable.
Data Availability Statement
Data available from the author.
Acknowledgments
The authors give special thanks to the teachers and students who undertook the activities proposed and provided valuable feedback on the resources generated.
Conflicts of Interest
The authors declare no conflict of interest.
Appendix A
Table A1.
Activities and equipment available during the experimental lessons of the FM course.
Table A1.
Activities and equipment available during the experimental lessons of the FM course.
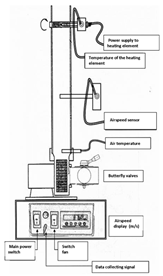
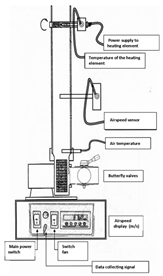
| Experimental Activity | Installation Diagram | Equipment |
|---|---|---|
| Bernoulli Theorem | ![]() | ![]() |
| Head Loss in Pipes | ![]() | ![]() |
| Pumps Characterization | ![]() | ![]() |
| Head Loss in Fixed Bed | ![]() | ![]() |
| Fluidization | ![]() | ![]() |
Appendix B
Table A2.
Activities and equipment available during the experimental lessons of the HT course.
Table A2.
Activities and equipment available during the experimental lessons of the HT course.
| Experimental Activity | Installation Diagram | Equipment |
|---|---|---|
| Conduction | ![]() | ![]() |
| Convection | ![]() | ![]() |
| Radiation | ![]() | ![]() |
| Heat Exchanger | ![]() | ![]() |
Appendix C
Figure A1.
Student workflow for each experimental sessions: (a) academic year 2018–2019 (conventional mode); (b) academic year 2019–2020 (lockdown scenario) and (c) academic year 2020–2021.
Figure A1.
Student workflow for each experimental sessions: (a) academic year 2018–2019 (conventional mode); (b) academic year 2019–2020 (lockdown scenario) and (c) academic year 2020–2021.

Appendix D

Figure A2.
Screenshots as an example of videos and seminars (in Spanish) corresponding to FM experimental activities. (a) Bernoulli theorem; (b) head loss in pipes; (c) pumps characterization; (d) head loss in fixed bed and (e) fluidization.
Figure A2.
Screenshots as an example of videos and seminars (in Spanish) corresponding to FM experimental activities. (a) Bernoulli theorem; (b) head loss in pipes; (c) pumps characterization; (d) head loss in fixed bed and (e) fluidization.


Appendix E

Figure A3.
Screenshots as an example of videos and seminars (in Spanish) corresponding to HT experimental activities. (a) Conduction; (b) convection; (c) radiation and (d) heat exchanger.
Figure A3.
Screenshots as an example of videos and seminars (in Spanish) corresponding to HT experimental activities. (a) Conduction; (b) convection; (c) radiation and (d) heat exchanger.


References
- Education: From School Closure to Recovery. Available online: https://www.unesco.org/en/covid-19/education-response#schoolclosures (accessed on 16 April 2023).
- Asgari, S.; Trajkovic, J.; Rahmani, M.; Zhang, W.; Lo, R.C.; Sciortino, A. An observational study of engineering online education during the COVID-19 pandemic. PLoS ONE 2020, 16, e0250041. [Google Scholar] [CrossRef]
- Quesada, V. Virtual laboratory lessons in enzymology. Biochem. Mol. Biol. Educ. 2020, 48, 442–447. [Google Scholar] [CrossRef] [PubMed]
- Abdulwahed, M.; Nagy, Z.K. Applying Kolb’s experiential learning cycle for laboratory education. J. Eng. Educ. 2009, 98, 283–294. [Google Scholar] [CrossRef]
- Feisel, L.D.; Rosa, A.J. The role of the laboratory in undergraduate engineering education. J. Eng. Educ. 2005, 94, 121–130. [Google Scholar] [CrossRef]
- Díaz, M.J.; Álvarez-Gallego, C.J.; Caro, I.; Portela, J.R. Incorporating Augmented Reality Tools into an Educational Pilot Plant of Chemical Engineering. Educ. Sci. 2023, 13, 84. [Google Scholar] [CrossRef]
- Díaz, M.J.; Mantell, C.; Caro, I.; de Ory, I.; Sánchez, J.; Portela, J.R. Creation of Immersive Resources Based on Virtual Reality for Dissemination and Teaching in Chemical Engineering. Educ. Sci. 2022, 12, 572. [Google Scholar] [CrossRef]
- Ripoll, V.; Godino-Ojer, M.; Calzada, J. Teaching chemical engineering to biotechnology students in the time of COVID-19: Assessment of the adaptation to digitalization. Educ. Chem. Eng. 2021, 34, 21–32. [Google Scholar] [CrossRef]
- Glassey, J.; Magalhães, F.D. Virtual labs–love them or hate them, they are likely to be used more in the future. Educ. Chem. Eng. 2020, 33, 76–77. [Google Scholar] [CrossRef]
- Foster, D.; Layman, H. Online Proctoring Systems Compared. Midvale, Utah, USA 2013. Available online: https://www.caveon.com/wp-content/uploads/2014/03/Online-Proctoring-Systems-Compared-Mar-13-2013.pdf (accessed on 16 April 2023).
- Honig, C.D.F.; Sutton, C.C.R.; Bacal, D.M. Off-campus but hands-on: Mail out practicals with synchronous online activities during COVID-19. Educ. Chem. Eng. 2022, 39, 84–93. [Google Scholar] [CrossRef]
- Selmer, A.; Kraft, M.; Moros, R.; Colton, C.K. Weblabs in chemical engineering education. Educ. Chem. Eng. 2007, 2, 38–45. [Google Scholar] [CrossRef]
- Rafael, A.C.; Bernardo, F.; Ferreira, L.M.; Rasteiro, M.G.; Teixeira, J.C. Virtual applications using a web platform to teach chemical engineering the distillation case. Educ. Chem. Eng. 2007, 2, 20–28. [Google Scholar] [CrossRef]
- Yap, W.H.; Teoh, M.L.; Tang, Y.O.; Goh, B.H. Exploring the use of virtual laboratory simulations before, during, and post COVID-19 recovery phase: An Animal Biotechnology case study. Biochem. Mol. Biol. Educ. 2021, 49, 685–691. [Google Scholar] [CrossRef] [PubMed]
- Vergara, D.; Fernández-Arias, P.; Extremera, J.; Dávila, L.P.; Rubio, M.P. Educational trends post COVID-19 in engineering: Virtual laboratories. Mater. Today Proc. 2022, 49, 155–160. [Google Scholar] [CrossRef] [PubMed]
- Rasteiro, M.G.; Granjo, J.F. LABVIRTUAL—A platform for the teaching of chemical engineering: The use of interactive videos. Comput. Appl. Eng. Educ. 2018, 26, 1668–1676. [Google Scholar] [CrossRef]
- Zhang, W.; Wang, Y.; Yang, L.; Wang, C. Suspending Classes without Stopping Learning: China’s Education Emergency Management Policy in the COVID-19 Outbreak. J. Risk Financ. Manag. 2020, 13, 55. [Google Scholar] [CrossRef]
- Grodotzki, J.; Ortelt, T.R.; Tekkaya, A.E. Remote and Virtual Labs for Engineering Education 4.0: Achievements of the ELLI project at the TU Dortmund University. Procedia Manuf. 2018, 26, 1349–1360. [Google Scholar] [CrossRef]
- Chen, S.H. Learning lab skills online: Lessons from implementing video-based instruction for a remote biotechnology lab. Biochem. Mol. Biol. Educ. 2022, 50, 633–640. [Google Scholar] [CrossRef]
- Holzweiss, P.C.; Joyner, S.A.; Fuller, M.B.; Henderson, S.; Young, R. Online graduate students’ perceptions of best learning experiences. Dist. Educ. 2014, 35, 311–323. [Google Scholar] [CrossRef]
- Grodotzki, J.; Upadhya, S.; Tekkaya, A.E. Engineering education amid a global pandemic. Adv. Ind. Manuf. Eng. 2021, 3, 100058. [Google Scholar] [CrossRef]
- McCabe, W.L.; Smith, J.C.; Harriot, P. Operaciones Unitarias en Ingeniería Química, 7th ed.; McGraw-Hill: Madrid, Spain, 2007. [Google Scholar]
- Çengel, Y.A.; Cimbala, J.M. Fluids Mechanics: Fundamentals and Applications, 3rd ed.; McGraw-Hill: New York, NY, USA, 2006. [Google Scholar]
- Franzini, J.B.; Finnemore, E.J. Mecánica de Fluidos con Aplicaciones en Ingeniería, 9th ed.; McGraw-Hill: Madrid, Spain, 1999. [Google Scholar]
- Çengel, Y.A. Heat Transfer: A Practical Approach, 3rd ed.; McGraw-Hill: New York, NY, USA, 2007. [Google Scholar]
- Incropera, F.P.; De Witt, D.P. Fundamentos de Transferencia de Calor, 4th ed.; Pearson Educación: México DF, Mexico, 1999. [Google Scholar]
- Holman, J.P. Transferencia de Calor, 1st ed.; McGraw-Hill: Madrid, Spain, 1998. [Google Scholar]
- Universidad de Cádiz: Campus Virtual. Available online: https://campusvirtual.uca.es/en/ (accessed on 16 April 2023).
- Moodle 3.6. Available online: https://moodledev.io/general/releases/3.6 (accessed on 16 April 2023).
- Adobe Connect. Available online: https://www.adobe.com/products/adobeconnect.html (accessed on 16 April 2023).
- Alves, G.R.; Marques, A.; da Silva, J.B. Lab-based Education. In Proceedings of the TEEM’21: Ninth International Conference on Technological Ecosystems for Enhancing Multiculturality, Barcelona, Spain, 26–29 October 2021. [Google Scholar] [CrossRef]
- Cruz del Álamo, A.; Megía, P.; Plaza, J.; Casado, C.; Van Grieken, R.; Martínez, F.; Molina, R. FLUID-LABVIR, an immersive online platform as complement to enhance the student’s learning experience in experimental laboratories of Fluid Mechanics and Fluid. Educ. Chem. Eng. 2022, 39, 84–93. [Google Scholar] [CrossRef]
- Bhute, V.J.; Inguva, P.; Shah, U.; Brechtelsbauer, C. Transforming traditional teaching laboratories for effective remote delivery—A review. Educ. Chem. Eng. 2021, 35, 96–104. [Google Scholar] [CrossRef]
- Gautam, S.; Qin, Z.; Loh, K.C. Enhancing laboratory experience through e-lessons. Educ. Chem. Eng. 2016, 15, 19–22. [Google Scholar] [CrossRef]
- Lewis, D.I. The Pedagogical Benefits and Pitfalls of Virtual Tools for Teaching and Learning Laboratory Practices in the Biological Sciences; The Higher Education Academy: York, UK, 2014. [Google Scholar]
- Hassan Hosny, H.A.; Ibrahim, A.A.; Elmesalawy, M.M.; Abd El-Haleem, A.M. An Intelligent Approach for Fair Assessment of Online Laboratory Examinations in Laboratory Learning Systems Based on Student’s Mouse Interaction Behavior. Appl. Sci. 2022, 12, 11416. [Google Scholar] [CrossRef]
Disclaimer/Publisher’s Note: The statements, opinions and data contained in all publications are solely those of the individual author(s) and contributor(s) and not of MDPI and/or the editor(s). MDPI and/or the editor(s) disclaim responsibility for any injury to people or property resulting from any ideas, methods, instructions or products referred to in the content. |
© 2023 by the authors. Licensee MDPI, Basel, Switzerland. This article is an open access article distributed under the terms and conditions of the Creative Commons Attribution (CC BY) license (https://creativecommons.org/licenses/by/4.0/).
































