Solid State Transformers: A Review—Part I: Stages of Conversion and Topologies
Abstract
1. Introduction
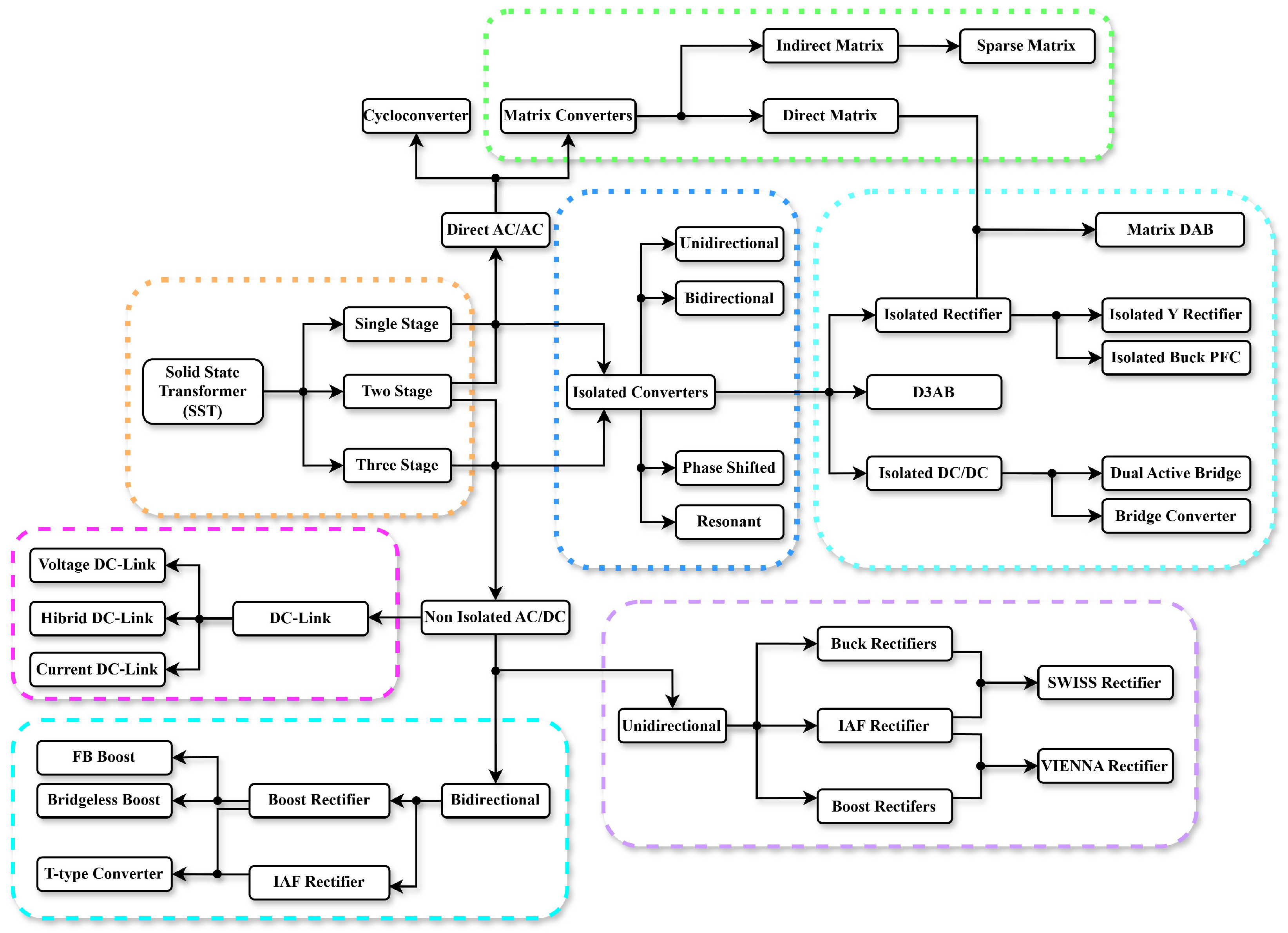
2. Stages of Conversion
2.1. Description of the Stages of Conversion
2.2. Single-Stage SST
2.3. Two-Stage SST
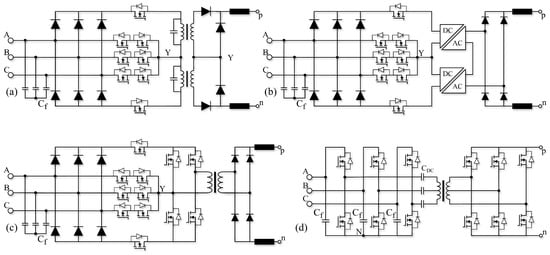
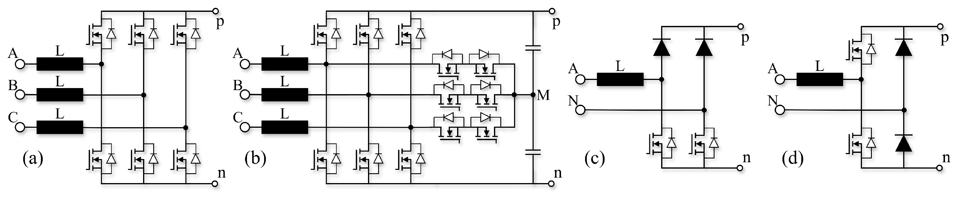
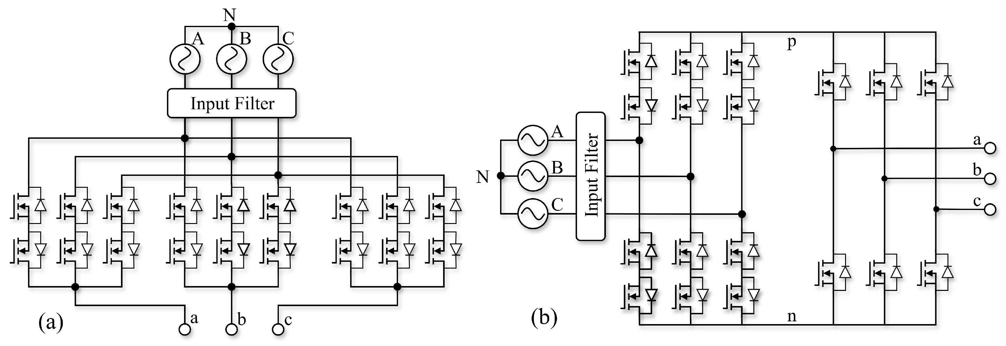
2.3.1. Rectifier/Inverter Topologies
2.3.2. Isolated Bridge Converter Topologies
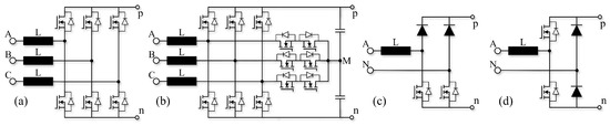
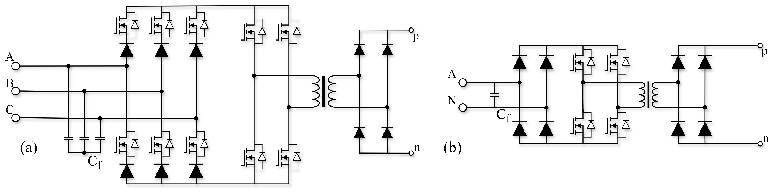
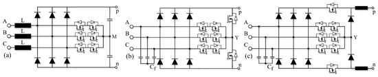
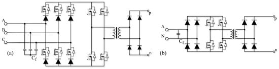
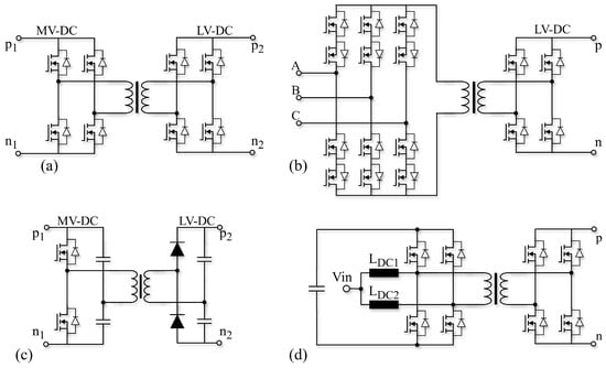
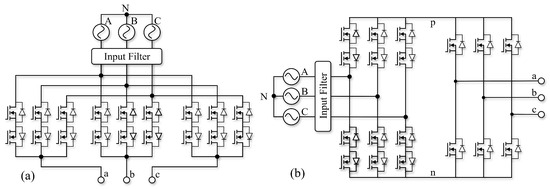
2.3.3. Isolated Rectifier Topologies
2.3.4. DC-Link Classification
2.4. Three-Stage SST
3. General Analysis of Converters
- Role: The functionalities fulfilled by the topology. One of the goals of this review is to identify converter topologies by functionality. As such, identifying the role/functionality of the converter is important.
- SST Stages: This relates to the possible SST configurations in which the topology can be used: single-stage (I), two-stage (II), and three-stage (III). A topology can be used in multiple SST configurations.
- Power Flow: This describes whether the topology allows for bidirectional power flow (⇔) or is limited to unidirectional power flow (⇒).
- : This is an important metric, as SSTs are characterized by their reduced size compared to LFTs. Energy density is an essential metric for topology selection. It is considered together with efficiency, as many modern topologies may achieve very high-efficiency ratings at the cost of low energy density and vice versa; therefore, the balance between these two factors may be a better indicator. Energy density/efficiency () performance is based on multiple factors, such as the existing Pareto power density–efficiency fronts, helping to estimate the theoretical limits of the topology in conjunction with high-density or high-efficiency implementations of the topology where available. In the case of novel topologies, the results are based on direct comparison with the topologies from which they were derived.
- Voltage Control: This represents the topology’s ability to control the output voltage level. A topology can either be a buck-type (step-down), boost-type (step-up), or lacking voltage regulation (none). In the case of bidirectional power flow, it can be stepped up in one direction and stepped down in the other, or vice versa. Certain isolated converters can achieve both buck and boost, although at the cost of significantly lower efficiency. As such, there is a tradeoff between efficiency and voltage regulation.
- Power Quality: The power quality metric is divided into two subcategories, namely, Power Factor Correction Capabilities (PF) and Harmonic Distortion (THD). Both the PF and THD performance are based on the converters’ nominal and low-power performance, focusing on achieving <5% THD on as wide a loading range as possible and close to unity power factor with minimal filter values.
- Component Count: This measures the number of required passive and active elements; thus, three subcategories are determined: switches, diodes, and passive elements. For the component count, n is the number of phases at the input and m is the number of phases at the output, with B and U indicating bidirectional switch and unidirectional switch, respectively, C denoting the capacitors, and L denoting the inductors. When discussing resonant converters, the abbreviation RN is used for the resonance network, as the number of elements depends on the structure of the resonance network. The number of storage elements only accounts for the number of inductors and capacitors necessary for the converter’s main functionalities to work, such as boost inductors and input filter capacitors for voltage source rectifiers or DC-link capacitors for indirect AC/AC converter topologies.
3.1. Performance of Matrix Topologies
- Advantages of Matrix Topologies:
- –
- Reduced volume (around half the volume of indirect AC/AC topologies)
- –
- Reduced passive component count
- –
- Sinusoidal current absorption
- –
- Reduced conduction losses
- Disadvantages of Matrix Topologies:
- –
- Increased switch count
- –
- Complex control
- –
- Limited reactive power compensation
- –
- Buck-type only (output voltage limited to 0.87 of input voltage)
- –
- No natural freewheeling or ride-through capabilities
3.2. Performance of Isolated Converters
- Bridge Converters: These have the advantage of a reduced switch count; however, they are unidirectional, and have fewer degrees of freedom when compared to the other isolated converters.
- Dual Active Bridges: These allow bidirectional power flow and present the ability to use more advanced modulation, although they require more switches.
- Phase-Shift Modulation: Advantages include wide voltage control and the choice of either simple or efficient modulation. The disadvantages are considerable, however, including limited soft switching capabilities, possible need for DC blocking capacitors, and the chance of circulating currents or harmonics in the magnetic circuit.
- Resonant Control: This has the advantage of increased soft switching range and sinusoidal currents; on the other hand, it has drawbacks such as limited voltage regulation capabilities and the need for additional components.
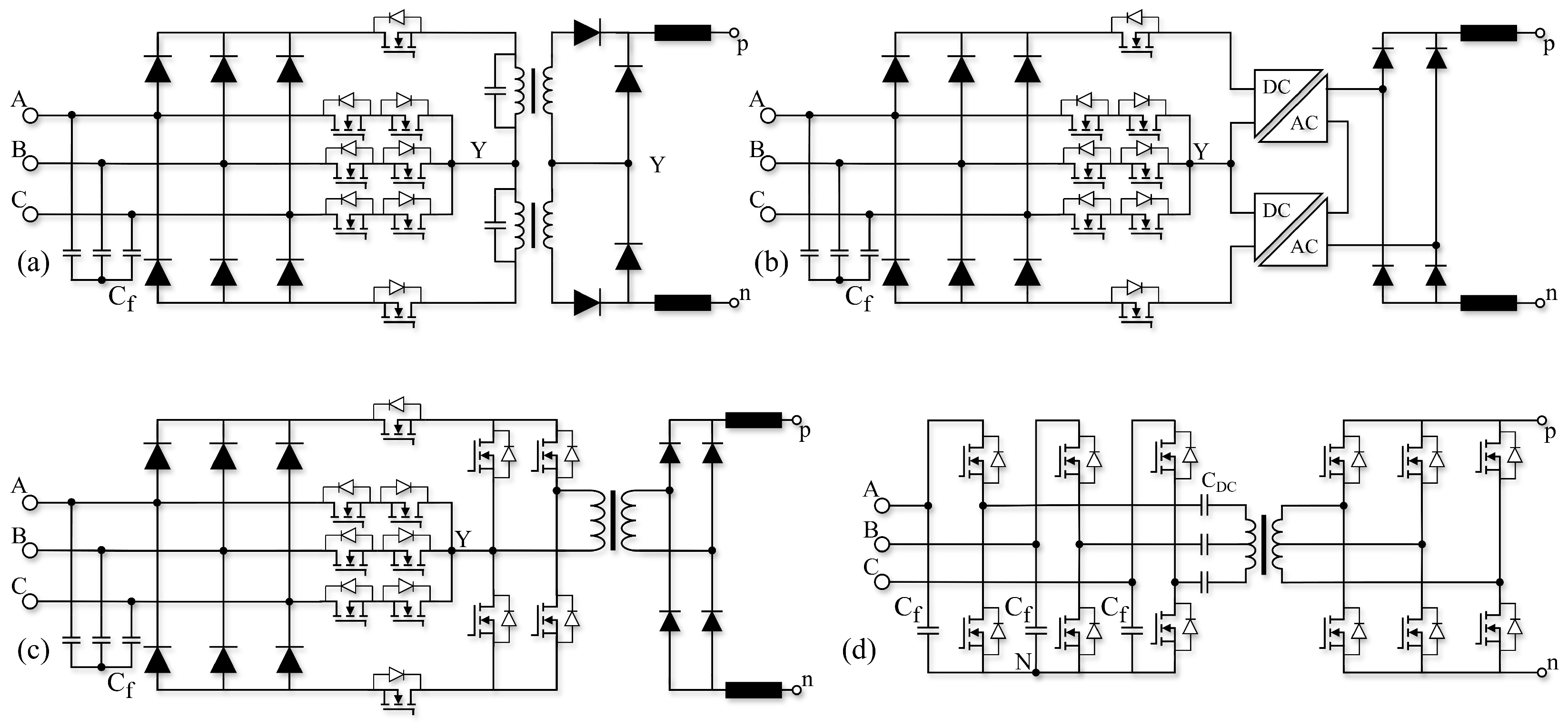
3.3. Performance of Isolated Rectifiers
- Isolated Rectifiers: Similar to matrix converter SSTs, these have advantages such as high energy density, with the added benefit of a DC stage to allow proper current shaping, power factor correction, voltage regulation, and simplified control. A common problem is magnetizing/demagnetizing of the magnetic circuit.
- Matrix-Type DAB Rectifiers: These present the advantages of matrix SSTs while eliminating many of their deficiencies. However, the disadvantage of the required bidirectional switches is also carried over from the matrix converter.
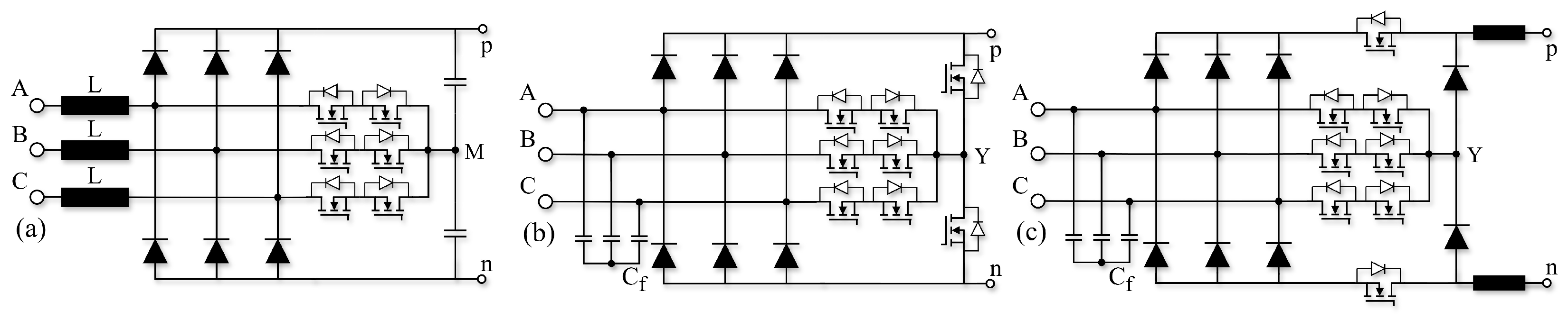
- Isolated Y Converters: These converters offer wide voltage regulation, can absorb sinusoidal currents, and achieve high efficiency with a reduced number of switches. However, they have some disadvantages, including the need for DC-blocking capacitors, high component stress and limited voltage regulation to maintain high efficiency and low Total Harmonic Distortion (THD). Additionally, the novelty of this topology complicates the design process.
- Isolated SWISS Rectifiers: These present simplified control and decent all-around performance, along with the capability of extending soft switching to the current injection network. The disadvantages of this topology lies in the unidirectional power flow, complicated demagnetization process, higher number of components compared to similar topologies, and sector-switching current ripple.
- D3AB Converters: These present good all-around performance, have integrated DC ports, DC blocking capacitors, and input filter inductors, providing them with very good energy density. Their disadvantages lie in the novelty of the topology and its limited experimental implementations, which makes it difficult to determine certain characteristics.
3.4. Performance of AC/DC Topologies
- Diode Bridge Rectifiers: These have the advantages of low cost and easy scalability to high voltages, but have considerable disadvantages, including a lack voltage and absence of power factor and current shaping capabilities.
- Integrated Active Filter: This structure benefits from simplified control while having the disadvantages of no voltage regulation, requirement of constant unidirectional power flow, and similar performance to two-level topologies.
- SWISS Rectifier: This topology exhibits good performance with simplified control and buck-type voltage regulation, but is unidirectional, suffers from significant ripple during sector switching, and requires additional switches and diodes compared to the VIENNA rectifier.
- VIENNA Rectifier: It has the advantage of simplified control and very high performance compared to other rectifiers, while allowing boost functionality; however, it is a unidirectional topology that requires three bidirectional switches and large boost inductors.
- T-Type Converters: These have the same advantages of the VIENNA rectifier in addition to bidirectional power flow, though with the added disadvantage of additional switches.
- Active Six-Switch Boost-Type Converter: A bidirectional PFC converter with decent performances; regarding power density, power factor, and current shaping, it is capable of boost-type voltage regulation and uses fewer components than other bidirectional boost converters (T-type). On the other hand, it requires more complicated control and large boost inductors.
- Semi-Active Bridgeless and Totem Pole PFCs: Compared to the previous topology, they offer simplified control and reduce cost, though with the disadvantage of significantly reduced performance in multi-phase systems.
4. Applications and Control of SSTs
4.1. Representative Research and Development of SST Projects
- The Gen II SST maintained the ratings of Gen I but explored the use of high-voltage SiC modules instead of a multicell structure [231].
- The Gen IV SST is currently under development, utilizing the same structure as Gen III with the addition of an output active filter stage to allow Current Shaping and Voltage Control [232].
- SST-based Medium-Voltage Extreme Fast Charging Station (MV-XFC) for EVs [233] is a 1 MV 13.2 kV two-stage SST for EV charging, with the purpose of supplying multiple charging dispensaries, connecting to DC supplies/storage, improving fault isolation, and providing controllable output power. A phase-modular multicell approach is used for power scaling and fault isolation. The two stages of conversion are composed of an AC/DC active-switch boost rectifier utilizing Neutral Point Clamped (NPC) cells and resonant DAB. The general control is decentralized, with multiple control loops; for the rectifier, a dual LV voltage and current loop with grid voltage compensation and a subsequent time delay between modules allows interleaving. The DAB realizes MV DC-link voltage control. At startup, precharging is performed on the LV side [235,236].
| Developer (Author)/Project | Nominal Parameters | Topologies | Control |
|---|---|---|---|
| FREEDM-TIPS [219] | 1 MVA, 13.8 kV/800 V 10 kHz | Six-Switch Boost-Type PFC (NPC/2L) + DAB | D-Q Dual Loop PFC + Harmonic Mitigation, Synchronous Reference, Optimal Phase Shift |
| UNIFLEX [201] | 300 kW, 33 kV/415 V 10 kHz | Single Phase Active Bridge rectifier (MMC) + DAB | Synchronous Reference/Stationary Reference/Predictive Control/Sliding Mode + Port Power Balancing, Single Phase Shift |
| HFB-PET [25] | 2 MVA, 10 kVAC/ 10 kVDC/750 VDC/380 VAC, 20 kHz | Single Phase Active Bridge rectifier + Resonant DAB + Six-Switch Active Bridge | Power Feed-Forward, Negative Sequence Current Injection, Cross Coupling Suppression |
| State Key SST [239] | 500 kVA, 10 kV/400 V 1 kHz | Single Phase Active Bridge rectifier + Bridge Converter | Voltage Balancing Loop, Positive/Negative Sequence Current, Synchronous Loop |
4.2. Other Implementations and Real-World Case Studies
5. Conclusions
Author Contributions
Funding
Institutional Review Board Statement
Informed Consent Statement
Data Availability Statement
Conflicts of Interest
References
- Yun, H.J.; Jeong, D.K.; Kim, H.S.; Kim, M.; Baek, J.W.; Kim, J.Y.; Kim, H.J. Implementation of a Single-Phase SST for the Interface between a 13.2 kV MVAC Network and a 750 V Bipolar DC Distribution. Electronics 2018, 7, 62. [Google Scholar] [CrossRef]
- Rothmund, D.; Ortiz, G.; Kolar, J.W. SiC-based unidirectional solid-state transformer concepts for directly interfacing 400 V DC to Medium-Voltage AC distribution systems. In Proceedings of the 2014 IEEE 36th International Telecommunications Energy Conference (INTELEC), Vancouver, BC, Canada, 28 September–2 October 2014; pp. 1–9. [Google Scholar] [CrossRef]
- Sun, Q.; Li, Y.; Ma, D.; Zhang, Y.; Qin, D. Model Predictive Direct Power Control of Three-Port Solid-State Transformer for Hybrid AC/DC Zonal Microgrid Applications. IEEE Trans. Power Deliv. 2022, 37, 528–538. [Google Scholar] [CrossRef]
- Halbig, J. 15 kW Bi-Directional Vienna PFC; Technical Report; STMicroelectronics: Plan-les-Ouates, Switzerland, 2020. [Google Scholar]
- Zhu, C. High-Efficiency, Medium-Voltage-Input, Solid-State-Transformer-Based 400-kW/1000 V/400 A Extreme Fast Charger for Electric Vehicles; Technical Report EE–0008361, 1987553; Delta Electronics: Livonia, MI, USA, 2023. [Google Scholar] [CrossRef]
- Tahir, Y.; Khan, I.; Rahman, S.; Nadeem, M.F.; Iqbal, A.; Xu, Y.; Rafi, M. A state-of-the-art review on topologies and control techniques of solid-state transformers for electric vehicle extreme fast charging. IET Power Electron. 2021, 14, 1560–1576. [Google Scholar] [CrossRef]
- Gadelrab, R.; Yang, Y.; Li, B.; Lee, F.; Li, Q. High-Frequency High-Density Bidirectional EV Charger. In Proceedings of the 2018 IEEE Transportation Electrification Conference and Expo (ITEC), Long Beach, CA, USA, 13–15 June 2018; pp. 687–694. [Google Scholar] [CrossRef]
- Sadat, A.R.; Krishnamoorthy, H.S. Fault-Tolerant ISOSP Solid-State Transformer for MVdc Distribution. IEEE J. Emerg. Sel. Top. Power Electron. 2021, 9, 6985–6996. [Google Scholar] [CrossRef]
- Pool-Mazun, E.I.; Sandoval, J.J.; Enjeti, P.N.; Pitel, I.J. An Integrated Solid-State Transformer with High-Frequency Isolation for EV Fast-Charging Applications. IEEE J. Emerg. Sel. Top. Ind. Electron. 2020, 1, 46–56. [Google Scholar] [CrossRef]
- Follo, A.; Saborío-Romano, O.; Tedeschi, E.; Cutululis, N.A. Challenges in All-DC Offshore Wind Power Plants. Energies 2021, 14, 6057. [Google Scholar] [CrossRef]
- Liu, L.; Li, H.; Xue, Y.; Liu, W. Decoupled Active and Reactive Power Control for Large-Scale Grid-Connected Photovoltaic Systems Using Cascaded Modular Multilevel Converters. IEEE Trans. Power Electron. 2015, 30, 176–187. [Google Scholar] [CrossRef]
- Bahmani, M.A.; Thiringer, T.; Rabiei, A.; Abdulahovic, T. Comparative Study of a Multi-MW High-Power Density DC Transformer with an Optimized High-Frequency Magnetics in All-DC Offshore Wind Farm. IEEE Trans. Power Deliv. 2016, 31, 857–866. [Google Scholar] [CrossRef]
- Fabre, J.; Blaquière, J.M.; Verdicchio, A.; Ladoux, P.; Sanchez, S. Characterization in ZVS Mode of SiC MOSFET Modules for MVDC Applications. In Proceedings of the 2019 International Conference on Clean Electrical Power (ICCEP), Otranto, Italy, 2–4 July 2019; pp. 470–477. [Google Scholar] [CrossRef]
- Zhao, C.; Dujic, D.; Mester, A.; Steinke, J.K.; Weiss, M.; Lewdeni-Schmid, S.; Chaudhuri, T.; Stefanutti, P. Power Electronic Traction Transformer—Medium Voltage Prototype. IEEE Trans. Ind. Electron. 2014, 61, 3257–3268. [Google Scholar] [CrossRef]
- Li, Z.; Hsieh, E.; Li, Q.; Lee, F.C. High-Frequency Transformer Design with Medium-Voltage Insulation for Resonant Converter in Solid-State Transformer. IEEE Trans. Power Electron. 2023, 38, 9917–9932. [Google Scholar] [CrossRef]
- Huber, J.; Wallmeier, P.; Pieper, R.; Schafmeister, F.; Kolar, J.W. Comparative Evaluation of MVAC-LVDC SST and Hybrid Transformer Concepts for Future Datacenters. In Proceedings of the 2022 International Power Electronics Conference (IPEC-Himeji 2022—ECCE Asia), Himeji, Japan, 15–19 May 2022; pp. 2027–2034. [Google Scholar] [CrossRef]
- Hannan, M.A.; Ker, P.J.; Lipu, M.S.H.; Choi, Z.H.; Rahman, M.S.A.; Muttaqi, K.M.; Blaabjerg, F. State of the Art of Solid-State Transformers: Advanced Topologies, Implementation Issues, Recent Progress and Improvements. IEEE Access 2020, 8, 19113–19132. [Google Scholar] [CrossRef]
- Shamshuddin, M.A.; Rojas, F.; Cardenas, R.; Pereda, J.; Diaz, M.; Kennel, R. Solid State Transformers: Concepts, Classification, and Control. Energies 2020, 13, 2319. [Google Scholar] [CrossRef]
- Huber, J.E.; Kolar, J.W. Solid-State Transformers: On the Origins and Evolution of Key Concepts. IEEE Ind. Electron. Mag. 2016, 10, 19–28. [Google Scholar] [CrossRef]
- Kasper, M.J. Analysis and Multi-Objective Optimization of Multi-Cell DC/DC and AC/DC Converter Systems. Ph.D. Thesis, ETH Zurich, Example City, CA, USA, 2016. [Google Scholar]
- Huber, J. Conceptualization and Multi-Objective Analysis of Multi-Cell Solid-State Transformers. Ph.D. Thesis, ETH Zurich, Example City, CA, USA, 2016. [Google Scholar] [CrossRef]
- Liserre, M.; Costa, L.; Guo, Z.; D’Amato, D.; Queiroz, S.S.; Huang, A. Last Developments and New Technologies in Solid-State Transformer. In Proceedings of the 2024 IEEE 15th International Symposium on Power Electronics for Distributed Generation Systems (PEDG), Luxembourg, 23–26 June 2024; pp. 1–8. [Google Scholar] [CrossRef]
- Yelaverthi, D.B.; Hesterman, B.; Mansour, M.; Zane, R. CLLLC Dual Active Bridge with novel Insulation Approach for SST Applications. In Proceedings of the 2021 IEEE Applied Power Electronics Conference and Exposition (APEC), Phoenix, AZ, USA, 14–17 June 2021; pp. 1651–1658. [Google Scholar] [CrossRef]
- Gupta, R.K.; Castelino, G.F.; Mohapatra, K.K.; Mohan, N. A novel integrated three-phase, switched multi-winding power electronic transformer converter for wind power generation system. In Proceedings of the 2009 35th Annual Conference of IEEE Industrial Electronics, Porto, Portugal, 3–5 November 2009; pp. 4481–4486. [Google Scholar] [CrossRef]
- Wen, W.; Li, K.; Zhao, Z.; Yuan, L.; Mo, X.; Cai, W. Analysis and Control of a Four-Port Megawatt-Level High-Frequency-Bus-Based Power Electronic Transformer. IEEE Trans. Power Electron. 2021, 36, 13080–13095. [Google Scholar] [CrossRef]
- Nie, J.; Yuan, L.; Wen, W.; Duan, R.; Shi, B.; Zhao, Z. Communication-Independent Power Balance Control for Solid State Transformer Interfaced Multiple Power Conversion Systems. IEEE Trans. Power Electron. 2020, 35, 4256–4271. [Google Scholar] [CrossRef]
- Chen, W.; Riar, B.; Zane, R. Battery Integrated Modular Multifunction Converter for Grid Energy Storage. In Proceedings of the 2018 IEEE Energy Conversion Congress and Exposition (ECCE), Portland, OR, USA, 23–27 September 2018; pp. 2157–2163. [Google Scholar] [CrossRef]
- Rashidi, M.; Altin, N.N.; Ozdemir, S.S.; Bani-Ahmed, A.; Nasiri, A. Design and Development of a High-Frequency Multiport Solid-State Transformer with Decoupled Control Scheme. IEEE Trans. Ind. Appl. 2019, 55, 7515–7526. [Google Scholar] [CrossRef]
- Nair, A.C.; Fernandes, B.G. Solid-State Transformer Based Fast Charging Station for Various Categories of Electric Vehicles with Batteries of Vastly Different Ratings. IEEE Trans. Ind. Electron. 2021, 68, 10400–10411. [Google Scholar] [CrossRef]
- Tian, J.; Mao, C.; Wang, D.; Nie, S.; Yang, Y. A Short-Time Transition and Cost Saving Redundancy Scheme for Medium-Voltage Three-Phase Cascaded H-Bridge Electronic Power Transformer. IEEE Trans. Power Electron. 2018, 33, 9242–9252. [Google Scholar] [CrossRef]
- López, A.; Oliveira, T.H.; Arias, M.; Miaja, P.F.; Villarejo, J.A.; Fernández, A. Modular Fault Tolerant DC/DC Transformer Enabled by Natural Power Sharing. IEEE Open J. Power Electron. 2024, 5, 902–919. [Google Scholar] [CrossRef]
- Yang, M.; Wang, X.; Sima, W.; Yuan, T.; Sun, P.; Liu, H. Air-Core-Transformer-Based Solid-State Fault-Current Limiter for Bidirectional HVdc Systems. IEEE Trans. Ind. Electron. 2022, 69, 4914–4925. [Google Scholar] [CrossRef]
- Czyz, P.; Guillod, T.; Krismer, F.; Kolar, J.W. Exploration of the Design and Performance Space of a High Frequency 166 kW/10 kV SiC Solid-State Air-Core Transformer. In Proceedings of the 2018 International Power Electronics Conference (IPEC-Niigata 2018—ECCE Asia), Niigata, Japan, 20–24 May 2018; pp. 396–403. [Google Scholar] [CrossRef]
- Yeh, C.S.; Lai, J.S. A Study on High Frequency Transformer Design in Medium-voltage Solid-state Transformers. In Proceedings of the 2018 Asian Conference on Energy, Power and Transportation Electrification (ACEPT), Singapore, 30 October–2 November 2018; pp. 1–5. [Google Scholar] [CrossRef]
- Fei, C.; Gadelrab, R.; Li, Q.; Lee, F.C. High-Frequency Three-Phase Interleaved LLC Resonant Converter with GaN Devices and Integrated Planar Magnetics. IEEE J. Emerg. Sel. Top. Power Electron. 2019, 7, 653–663. [Google Scholar] [CrossRef]
- Groon, F.; Beiranvand, H.; Can, G.; Liserre, M. Circular Economy Oriented and Reconfigurable Planar Transformer Design for Isolated DC/DC Converters. In Proceedings of the PCIM Europe 2024; International Exhibition and Conference for Power Electronics, Intelligent Motion, Renewable Energy and Energy Management, Nuernberg, Germany, 11–16 June 2024; pp. 3375–3384. [Google Scholar] [CrossRef]
- Song, Y.; Madawala, U.K.; Thrimawithana, D.J.; Vilathgamuwa, M. Three-phase bi-directional wireless EV charging system with high tolerance to pad misalignment. IET Power Electron. 2019, 12, 2697–2705. [Google Scholar] [CrossRef]
- Teeneti, C.R.; Hatch, R.; Yelaverthi, D.B.; Kamineni, A.; Wang, H.; Zane, R. Unfolder-Based Single-Stage AC-AC Conversion System for Wireless Charging Applications. In Proceedings of the 2020 IEEE Energy Conversion Congress and Exposition (ECCE), Detroit, MI, USA, 11–15 October 2020; pp. 5193–5198. [Google Scholar] [CrossRef]
- Zhao, S.; Li, Q.; Lee, F.C.; Li, B. High-Frequency Transformer Design for Modular Power Conversion From Medium-Voltage AC to 400 VDC. IEEE Trans. Power Electron. 2018, 33, 7545–7557. [Google Scholar] [CrossRef]
- Chen, D.; Zhang, S.; Bai, B.; Zhang, Z.; Yang, Z. Study of the decoupling magnetic integrated high-frequency transformer for DC/DC converter. IET Power Electron. 2024, 17, 92–106. [Google Scholar] [CrossRef]
- Ouyang, Z.; Zhang, Z.; Andersen, M.A.E.; Thomsen, O.C. Four Quadrants Integrated Transformers for Dual-Input Isolated DC–DC Converters. IEEE Trans. Power Electron. 2012, 27, 2697–2702. [Google Scholar] [CrossRef]
- Leibl, M.; Ortiz, G.; Kolar, J.W. Design and Experimental Analysis of a Medium-Frequency Transformer for Solid-State Transformer Applications. IEEE J. Emerg. Sel. Top. Power Electron. 2017, 5, 110–123. [Google Scholar] [CrossRef]
- Pereira, T.; Hoffmann, F.; Zhu, R.; Liserre, M. A Comprehensive Assessment of Multiwinding Transformer-Based DC–DC Converters. IEEE Trans. Power Electron. 2021, 36, 10020–10036. [Google Scholar] [CrossRef]
- Makoschitz, M. Multi-megawatt charging to foster the mobility transition. E I Elektrotechnik Und Informationstechnik 2022, 139, 734–736. [Google Scholar] [CrossRef]
- Hitachi. Hitachi Develops the Most Compact, Lightweight EV Charging Technology in the Industry with Fast Charging and Multi-Vehicle ChargingCapabilities; Technical Report; Hitachi Ltd.: Tokyo, Japan, 2021. [Google Scholar]
- Tarisciotti, L.; Zanchetta, P.; Watson, A.; Wheeler, P.; Clare, J.C.; Bifaretti, S. Multiobjective Modulated Model Predictive Control for a Multilevel Solid-State Transformer. IEEE Trans. Ind. Appl. 2015, 51, 4051–4060. [Google Scholar] [CrossRef]
- Jakka, V.N.S.R.; Shukla, A. A triple port active bridge converter based multi-fed power electronic transformer. In Proceedings of the 2016 IEEE Energy Conversion Congress and Exposition (ECCE), Milwaukee, WI, USA, 18–22 September 2016; pp. 1–8. [Google Scholar] [CrossRef]
- Qin, H.; Kimball, J. A comparative efficiency study of silicon-based solid state transformers. In Proceedings of the 2010 IEEE Energy Conversion Congress and Exposition, ECCE 2010—Proceedings 10, Atlanta, GA, USA, 12–16 September 2010; Volume 21, pp. 1458–1463. [Google Scholar] [CrossRef]
- Zheng, L.; Marellapudi, A.; Chowdhury, V.R.; Bilakanti, N.; Kandula, R.P.; Saeedifard, M.; Grijalva, S.; Divan, D. Solid-State Transformer and Hybrid Transformer with Integrated Energy Storage in Active Distribution Grids: Technical and Economic Comparison, Dispatch, and Control. IEEE J. Emerg. Sel. Top. Power Electron. 2022, 10, 3771–3787. [Google Scholar] [CrossRef]
- Liserre, M.; Buticchi, G.; Andresen, M.; De Carne, G.; Costa, L.F.; Zou, Z.X. The Smart Transformer: Impact on the Electric Grid and Technology Challenges. IEEE Ind. Electron. Mag. 2016, 10, 46–58. [Google Scholar] [CrossRef]
- Chen, K.T.; Chen, J.F.; Wang, T.J.; Liao, H. Study and Implementation of High Frequency Cast Resin Transformer Applied for Medium-Voltage Solid-State Transformer. In Proceedings of the 2021 IEEE International Future Energy Electronics Conference (IFEEC), Taipei, Taiwan, 16–19 November 2021; pp. 1–6. [Google Scholar] [CrossRef]
- Huber, J.E.; Rothmund, D.; Kolar, J.W. Comparative evaluation of isolated front end and isolated back end multi-cell SSTs. In Proceedings of the 2016 IEEE 8th International Power Electronics and Motion Control Conference (IPEMC-ECCE Asia), Hefei, China, 22–26 May 2016; pp. 3536–3545. [Google Scholar] [CrossRef]
- Kolar, J.W.; Friedli, T.; Krismer, F.; Round, S.D. The essence of three-phase AC/AC converter systems. In Proceedings of the 2008 13th International Power Electronics and Motion Control Conference, Poznan, Poland, 1–3 September 2008; pp. 27–42. [Google Scholar] [CrossRef]
- Orser, D.; Mohan, N. A Matrix Converter Ride-Through Configuration Using Input Filter Capacitors as an Energy Exchange Mechanism. IEEE Trans. Power Electron. 2015, 30, 4377–4385. [Google Scholar] [CrossRef]
- Alammari, R.; Aleem, Z.; Iqbal, A.; Winberg, S. Matrix converters for electric power conversion: Review of topologies and basic control techniques. Int. Trans. Electr. Energy Syst. 2019, e12063. [Google Scholar] [CrossRef]
- Ali, M.; Iqbal, A.; Khalid, M. A Review on Recent Advances in Matrix Converter Technology: Topologies, Control, Applications, and Future Prospects. Int. J. Energy Res. 2023, 2023, 1–28. [Google Scholar] [CrossRef]
- Friedli, T.; Kolar, J.W.; Rodriguez, J.; Wheeler, P.W. Comparative Evaluation of Three-Phase AC–AC Matrix Converter and Voltage DC-Link Back-to-Back Converter Systems. IEEE Trans. Ind. Electron. 2012, 59, 4487–4510. [Google Scholar] [CrossRef]
- Kolar, J.W.; Friedli, T.; Rodriguez, J.; Wheeler, P.W. Review of Three-Phase PWM AC–AC Converter Topologies. IEEE Trans. Ind. Electron. 2011, 58, 4988–5006. [Google Scholar] [CrossRef]
- Heinke, F.; Sittig, R. The monolithic bidirectional switch (MBS) in a matrix converter application. In Proceedings of the 13th International Symposium on Power Semiconductor Devices & ICs, IPSD ’01 (IEEE Cat. No.01CH37216), Osaka, Japan, 7 June 2001; pp. 367–371. [Google Scholar] [CrossRef]
- Huber, J.; Kolar, J.W. Monolithic Bidirectional Power Transistors. IEEE Power Electron. Mag. 2023, 10, 28–38. [Google Scholar] [CrossRef]
- Rameshkumar, M.; Rao, Y.S. Modulation and Control Techniques for Matrix Converters. Int. J. Adv. Eng. Technol. 2012, 4, 244–255. [Google Scholar]
- Sarajian, A.; Guan, Q.; Harbi, I.; Khaburi, D.A.; Kennel, R.; Garcia, C.; Wheeler, P.; Rodriguez, J. Enhanced Modulated Model Predictive Control for Matrix Converters in Overmodulation Zones. IEEE Open J. Power Electron. 2025, 6, 66–77. [Google Scholar] [CrossRef]
- Arya, S.; Nisha, G.K. Indirect Space Vector Modulation Based Three Phase Matrix Converter. In Proceedings of the 2018 International CET Conference on Control, Communication, and Computing (IC4), Thiruvananthapuram, India, 5–7 July 2018; pp. 68–73. [Google Scholar] [CrossRef]
- ichi Itoh, J.; Odaka, A.; Sato, I. High Efficiency Power Conversion Using a Matrix Converter 1. Fuji Electr. Rev. Open J. 2004, 50, 94–98. [Google Scholar]
- Itoh, J.; Sato, I.; Odaka, A.; Ohguchi, H.; Kodatchi, H.; Eguchi, N. A novel approach to practical matrix converter motor drive system with reverse blocking IGBT. In Proceedings of the 2004 IEEE 35th Annual Power Electronics Specialists Conference (IEEE Cat. No.04CH37551), Aachen, Germany, 20–25 June 2004; Volume 3, pp. 2380–2385. [Google Scholar] [CrossRef]
- Liu, Y.; Wang, W.; Liu, Y.; Abu-Rub, H.; Li, Y. Control of single-stage AC-AC solid state transformer for power exchange between grids. In Proceedings of the 2016 IEEE 11th Conference on Industrial Electronics and Applications (ICIEA), Hefei, China, 5–7 June 2016; pp. 892–896. [Google Scholar] [CrossRef]
- Chen, H.; Prasai, A.; Divan, D. Dyna-C: A Minimal Topology for Bidirectional Solid-State Transformers. IEEE Trans. Power Electron. 2017, 32, 995–1005. [Google Scholar] [CrossRef]
- Pinto, S.; Mendes, P.; Fernando Silva, J. Modular Matrix Converter Based Solid State Transformer for smart grids. Electr. Power Syst. Res. 2016, 136, 189–200. [Google Scholar] [CrossRef]
- Guan, L.; Wang, Z.; Liu, P.; Wu, J. A Three-Phase to Single-Phase Matrix Converter for Bidirectional Wireless Power Transfer System. In Proceedings of the IECON 2019—45th Annual Conference of the IEEE Industrial Electronics Society, Lisbon, Portugal, 14–17 October 2019; pp. 4451–4456. [Google Scholar] [CrossRef]
- Empringham, L.; Kolar, J.W.; Rodriguez, J.; Wheeler, P.W.; Clare, J.C. Technological Issues and Industrial Application of Matrix Converters: A Review. IEEE Trans. Ind. Electron. 2013, 60, 4260–4271. [Google Scholar] [CrossRef]
- Wheeler, P.; Clare, J.; De Lillo, L.; Bradley, K.; Aten, M.; Whitley, C.; Towers, G. A comparison of the reliability of a matrix converter and a controlled rectifier-inverter. In Proceedings of the 2005 European Conference on Power Electronics and Applications, Dresden, Germany, 11–14 September 2005; p. 7. [Google Scholar] [CrossRef]
- Nasir, U.; Costabeber, A.; Rivera, M.; Wheeler, P.; Clare, J. A Leakage-Inductance-Tolerant Commutation Strategy for Isolated AC/AC Converters. IEEE J. Emerg. Sel. Top. Power Electron. 2019, 7, 467–479. [Google Scholar] [CrossRef]
- Rivera, M.; Rojas, S.; Restrepo, C.; Muñoz, J.; Baier, C.; Wheeler, P. Control Techniques for a Single-Phase Matrix Converter. Energies 2020, 13, 6337. [Google Scholar] [CrossRef]
- Saito, M.; Takeshita, T.; Matsui, N. A single to three phase matrix converter with a power decoupling capability. In Proceedings of the 2004 IEEE 35th Annual Power Electronics Specialists Conference (IEEE Cat. No.04CH37551), Aachen, Germany, 20–25 June 2004; Volume 3, pp. 2400–2405. [Google Scholar] [CrossRef]
- Aten, M.; Towers, G.; Whitley, C.; Wheeler, P.; Clare, J.; Bradley, K. Reliability comparison of matrix and other converter topologies. IEEE Trans. Aerosp. Electron. Syst. 2006, 42, 867–875. [Google Scholar] [CrossRef]
- Weise, N.D.; Mohapatra, K.K.; Mohan, N. Universal utility interface for Plug-in Hybrid electric vehicles with vehicle-to-grid functionality. In Proceedings of the IEEE PES General Meeting, Minneapolis, MN, USA, 25–29 July 2010; pp. 1–8. [Google Scholar] [CrossRef]
- Sayed, M.A.; Suzuki, K.; Takeshita, T.; Kitagawa, W. New PWM technique for grid-tie isolated bidirectional DC-AC inverter based high frequency transformer. In Proceedings of the 2016 IEEE Energy Conversion Congress and Exposition (ECCE), Milwaukee, WI, USA, 18–22 September 2016; pp. 1–8. [Google Scholar] [CrossRef]
- Emiliani, P.; Blinov, A.; Carne, G.D.; Arena, G.; Vinnikov, D. Predictive Control for Isolated Matrix Rectifier Without Current Distortion at Sector Boundary. In Proceedings of the 2023 IEEE 17th International Conference on Compatibility, Power Electronics and Power Engineering (CPE-POWERENG), Tallinn, Estonia, 14–16 June 2023; pp. 1–6. [Google Scholar] [CrossRef]
- Carvalho, E.L.; Blinov, A.; Emiliani, P.; Chub, A.; Vinnikov, D. Three-Phase Bidirectional Isolated AC–DC Matrix-Converter with Full Soft-Switching Range. IEEE Access 2023, 11, 119270–119283. [Google Scholar] [CrossRef]
- Vieira, J.L.F.; Oliver, J.A.; Alou, P.; Cobos, J.A. Power converter topologies for a high performance transformer rectifier unit in aircraft applications. In Proceedings of the 2014 11th IEEE/IAS International Conference on Industry Applications, Juiz de Fora, Brazil, 7–10 December 2014; pp. 1–8. [Google Scholar] [CrossRef]
- Saha, J.; Yadav, G.N.B.; Panda, S.K. A Matrix-Based Solid-State-Transformer For A Hybrid Nanogrid. In Proceedings of the 2018 IEEE International Conference on Power Electronics, Drives and Energy Systems (PEDES), Chennai, India, 18–21 December 2018; pp. 1–6. [Google Scholar] [CrossRef]
- Glinka, M.; Marquardt, R. A New AC/AC Multilevel Converter Family. IEEE Trans. Ind. Electron. 2005, 52, 662–669. [Google Scholar] [CrossRef]
- Qin, H.; Kimball, J.W. Solid-State Transformer Architecture Using AC–AC Dual-Active-Bridge Converter. IEEE Trans. Ind. Electron. 2013, 60, 3720–3730. [Google Scholar] [CrossRef]
- Fereydouni, M.; Rokrok, E.; Taheri, S. Design of a Hybrid Transformer based on an Indirect Matrix Converter for Distribution Networks. Electr. Power Components Syst. 2022, 50, 1100–1112. [Google Scholar] [CrossRef]
- Wang, H.; Yu, T.; Wang, M.; Ning, G. Innovative Matrix-Type AC-AC Solid-State Transformer Eliminating Ripple Power with Double-Grid Frequency. Energies 2024, 17, 1540. [Google Scholar] [CrossRef]
- Forouzesh, M.; Liu, Y.F.; Sen, P.C. Implementation of an Isolated Phase-Modular-Designed Three-Phase PFC Rectifier Based on Single-Stage LLC Converter. In Proceedings of the 2021 IEEE Energy Conversion Congress and Exposition (ECCE), Vancouver, BC, Canada, 10–14 October 2021; pp. 2266–2273. [Google Scholar] [CrossRef]
- Small, K.T. Three-Phase AC Power Converter with Power Factor Correction. U.S. Patent US5731969, 24 March 1998. [Google Scholar]
- Everts, J.; Krismer, F.; Van Den Keybus, J.; Driesen, J.; Kolar, J.W. Optimal ZVS Modulation of Single-Phase Single-Stage Bidirectional DAB AC–DC Converters. IEEE Trans. Power Electron. 2014, 29, 3954–3970. [Google Scholar] [CrossRef]
- Borges, V.L.F.; Da Silva, R.L.; Possamai, C.E.; Bettiol, A.L.; Barbi, I. A ISOP AC-AC Hybrid Switched-Capacitor SRC for Solid State Transformer Applications. In Proceedings of the 2019 IEEE 15th Brazilian Power Electronics Conference and 5th IEEE Southern Power Electronics Conference (COBEP/SPEC), Santos, Brazil, 1–4 December 2019; pp. 1–6. [Google Scholar] [CrossRef]
- Ma, D.; Chen, W.; Shu, L.; Qu, X.; Zhan, X.; Liu, Z. A Multiport Power Electronic Transformer Based on Modular Multilevel Converter and Mixed-Frequency Modulation. IEEE Trans. Circuits Syst. II Express Briefs 2019, 67, 1284–1288. [Google Scholar] [CrossRef]
- Vasiladiotis, M.; Rufer, A. A Modular Multiport Power Electronic Transformer with Integrated Split Battery Energy Storage for Versatile Ultrafast EV Charging Stations. IEEE Trans. Ind. Electron. 2015, 62, 3213–3222. [Google Scholar] [CrossRef]
- Kolar, J.; Baumann, M.; Schafmeister, F.; Ertl, H. novel three-phase AC-DC-AC sparse matrix converter. In Proceedings of the APEC. Seventeenth Annual IEEE Applied Power Electronics Conference and Exposition (Cat. No.02CH37335), Dallas, TX, USA, 10–14 March 2002; Volume 2, pp. 777–791. [Google Scholar] [CrossRef]
- Schrittwieser, L.; Cortes, P.; Fassler, L.; Bortis, D.; Kolar, J.W. Modulation and Control of a Three-Phase Phase-Modular Isolated Matrix-Type PFC Rectifier. IEEE Trans. Power Electron. 2018, 33, 4703–4715. [Google Scholar] [CrossRef]
- Gupta, S.; Singh, S.; Bhuvaneswari, G.; Singh, B.; Mohan, N. A thyristorised phase-controlled cycloconverter based power electronic transformer for grid integration of renewable energy sources. In Proceedings of the 2016 IEEE 7th Power India International Conference (PIICON), Bikaner, India, 25–27 November 2016; pp. 1–6. [Google Scholar] [CrossRef]
- Kolar, J.W.; Friedli, T. The Essence of Three-Phase PFC Rectifier Systems—Part I. IEEE Trans. Power Electron. 2013, 28, 176–198. [Google Scholar] [CrossRef]
- Singh, B.; Singh, B.; Chandra, A.; Al-Haddad, K.; Pandey, A.; Kothari, D. A Review of Three-Phase Improved Power Quality AC–DC Converters. IEEE Trans. Ind. Electron. 2004, 51, 641–660. [Google Scholar] [CrossRef]
- Le Métayer, P.; Reynes, H.; Dworakowski, P. Design of Oil Insulated SiC Diode Rectifier for an MVDC SST. In Proceedings of the 2023 International Exhibition and Conference on Power Electronics and Intelligent Motion (PCIM Europe 2023), Nuremberg, Germany, 9–11 May 2023; pp. 1–9. [Google Scholar]
- Jonas, H. A New Family of Three-Phase-Unfolder-Based MVAC-LVDC Solid-State Transformers. In Proceedings of the 2024 International Exhibition and Conference on Power Electronics and Intelligent Motion (PCIM Europe 2024), Nuremberg, Germany, 9–10 June 2024; pp. 256–263. [Google Scholar] [CrossRef]
- Elserougi, A.; Abdelsalam, I.; Massoud, A. An isolated-boost-converter-based unidirectional three-phase off-board fast charger for electric vehicles. IET Electr. Syst. Transp. 2022, 12, 79–88. [Google Scholar] [CrossRef]
- Wang, L.; Zhang, D.; Wang, Y.; Gu, Y. Dynamic performance optimization for high-power density three-phase Vienna PFC rectifier. In Proceedings of the 2015 IEEE 2nd International Future Energy Electronics Conference (IFEEC), Taipei, Taiwan, 1–4 November 2015; pp. 1–4. [Google Scholar] [CrossRef]
- Liu, J.; Ding, W.; Qiu, H.; Zhang, C.; Duan, B. Neutral-point voltage balance control and oscillation suppression for VIENNA rectifier. In Proceedings of the 2017 IEEE 3rd International Future Energy Electronics Conference and ECCE Asia (IFEEC 2017—ECCE Asia), Kaohsiung, Taiwan, 3–7 June 2017; pp. 1275–1279. [Google Scholar] [CrossRef]
- Ma, H.; Xie, Y.; Shi, Z. A novel Low-Loss Modulation Strategy for High-Power Bi-directional Buck+Boost Converters. IET Power Electron. 2016, 9, 427–434. [Google Scholar] [CrossRef]
- Lai, R.; Wang, F.; Burgos, R.; Boroyevich, D.; Jiang, D.; Zhang, D. Average Modeling and Control Design for VIENNA-Type Rectifiers Considering the DC-Link Voltage Balance. IEEE Trans. Power Electron. 2009, 24, 2509–2522. [Google Scholar] [CrossRef]
- Nikouei, M. Design and Evaluation of the Vienna Rectifier for a 5 MW Wind Turbine System. Ph.D. Thesis, Chalmers University of Technology, Göteborg, Sweden, 2013. [Google Scholar]
- Friedli, T.; Hartmann, M.; Kolar, J.W. The Essence of Three-Phase PFC Rectifier Systems—Part II. IEEE Trans. Power Electron. 2014, 29, 543–560. [Google Scholar] [CrossRef]
- Pham N., H.; Mannen, T.; Wada, K. A Three-Phase Isolated Rectifier using Current Unfolding and Active Damping Methods. In Proceedings of the 2020 IEEE Energy Conversion Congress and Exposition (ECCE), Detroit, MI, USA, 11–15 October 2020; pp. 4587–4593. [Google Scholar] [CrossRef]
- Tu, H.; Feng, H.; Srdic, S.; Lukic, S. Extreme Fast Charging of Electric Vehicles: A Technology Overview. IEEE Trans. Transp. Electrif. 2019, 5, 861–878. [Google Scholar] [CrossRef]
- Raaed Faleh Hassan, D. Design and software implementation of solid state transformer. Int. J. Eng. Technol. 2018, 7, 1776. [Google Scholar] [CrossRef][Green Version]
- Wrona, G.; Zdanowski, M.; Trochimiuk, P.; Rąbkowski, J.; Sobieski, R. Experimental Validation of 40 kW EV Charger Based on Vienna Rectifier and Series-Resonant Dual Active Bridge. Energies 2023, 16, 5797. [Google Scholar] [CrossRef]
- Jantsch, M.; Verhoeve, C.W. Inverters with three phase output and without electrolyte capacitor for improved lifetime, efficiency and costs of grid connected systems. In Proceedings of the 14th European Photovoltaic Solar Energy Conference, Barcelona, Spain, 30 June–4 July 1997; pp. 2198–2200. [Google Scholar]
- Yoo, H.; Sul, S.K. A novel Approach to Reduce Line Harmonic Current for a Three-phase Diode Rectifier-fed Electrolytic Capacitor-less Inverter. In Proceedings of the 2009 Twenty-Fourth Annual IEEE Applied Power Electronics Conference and Exposition, Washington, DC, USA, 15–19 February 2009; pp. 1897–1903. [Google Scholar] [CrossRef]
- Soeiro, T.B.; Vancu, F.; Kolar, J.W. Hybrid Active Third-Harmonic Current Injection Mains Interface Concept for DC Distribution Systems. IEEE Trans. Power Electron. 2013, 28, 7–13. [Google Scholar] [CrossRef]
- Cheng, Z.; Deng, J.; Luo, B.; Zhang, Y. SWISS rectifier structure sector boundary current distortion suppression based on multi-step predictive control. J. Eng. 2024, 2024, e12354. [Google Scholar] [CrossRef]
- Demirkutlu, E.; Iskender, I. Three-Phase Buck Type PFC Rectifier for Electrical Vehicle Battery Charging. Int. J. Tech. Phys. Probl. Eng. 2019, 11, 51–56. [Google Scholar]
- Chen, R.; Yao, Y.; Zhao, L.; Xu, M. Inhibiting mains current distortion for SWISS Rectifier—A three-phase buck-type harmonic current injection PFC converter. In Proceedings of the 2015 IEEE Applied Power Electronics Conference and Exposition (APEC), Charlotte, NC, USA, 15–19 March 2015; pp. 1850–1854. [Google Scholar] [CrossRef]
- Kim, H.S.; Baek, J.W.; Ryu, M.H.; Kim, J.H.; Jung, J.H. The High-Efficiency Isolated AC–DC Converter Using the Three-Phase Interleaved LLC Resonant Converter Employing the Y-Connected Rectifier. IEEE Trans. Power Electron. 2014, 29, 4017–4028. [Google Scholar] [CrossRef]
- Kanagaraj, N.; Ramasamy, M.; Vijayakumar, M.; Aldosari, O. Experimentation of Multi-Input Single-Output Z-Source Isolated DC–DC Converter-Fed Grid-Connected Inverter with Sliding Mode Controller. Sustainability 2023, 15, 16875. [Google Scholar] [CrossRef]
- Zhang, Y.; Kotecha, R.; Mantooth, H.A.; Balda, J.C.; Zhao, Y.; Farnell, C. Cascaded bridgeless totem-pole multilevel converter with model predictive control for 400 V dc-powered data centers. In Proceedings of the 2017 IEEE Applied Power Electronics Conference and Exposition (APEC), Tampa, FL, USA, 26–30 March 2017; pp. 2745–2750. [Google Scholar] [CrossRef]
- Zhang, X.; Zhou, L.; Qiu, D.; Xiao, W.; Zhang, B.; Xie, F. Phase-modular three-phase isolated bridgeless PFC converter. In Proceedings of the IECON 2015—41st Annual Conference of the IEEE Industrial Electronics Society, Yokohama, Japan, 9–12 November 2015; pp. 001723–001728. [Google Scholar] [CrossRef]
- Shi, Z.; Tang, Y.; Zhang, Z.; Ge, L.; Davari, P. Transformer Volume Reduction: A New Analysis and Design of an SSSA Control-Based 20-kW High Power Density Wide Range Resonant Converter. IEEE Trans. Ind. Electron. 2024, 71, 13503–13512. [Google Scholar] [CrossRef]
- Li, L.; Xu, G.; Sha, D.; Liu, Y.; Sun, Y.; Su, M. Review of Dual-Active-Bridge Converters with Topological Modifications. IEEE Trans. Power Electron. 2023, 38, 9046–9076. [Google Scholar] [CrossRef]
- Papamanolis, P.; Bortis, D.; Krismer, F.; Menzi, D.; Kolar, J.W. New EV Battery Charger PFC Rectifier Front-End Allowing Full Power Delivery in 3-Phase and 1-Phase Operation. Electronics 2021, 10, 2069. [Google Scholar] [CrossRef]
- Rehman, A.; Imran-Daud, M.; Haider, S.K.; Rehman, A.U.; Shafiq, M.; Eldin, E.T. Comprehensive Review of Solid State Transformers in the Distribution System: From High Voltage Power Components to the Field Application. Symmetry 2022, 14, 2027. [Google Scholar] [CrossRef]
- Falcones, S.; Mao, X.; Ayyanar, R. Topology comparison for Solid State Transformer implementation. In Proceedings of the IEEE PES General Meeting, Minneapolis, MN, USA, 25–29 July 2010; pp. 1–8. [Google Scholar] [CrossRef]
- Valedsaravi, S.; El Aroudi, A.; Martínez-Salamero, L. Review of Solid-State Transformer Applications on Electric Vehicle DC Ultra-Fast Charging Station. Energies 2022, 15, 5602. [Google Scholar] [CrossRef]
- Zhao, B.; Song, Q.; Liu, W.; Sun, Y. Overview of Dual-Active-Bridge Isolated Bidirectional DC–DC Converter for High-Frequency-Link Power-Conversion System. IEEE Trans. Power Electron. 2014, 29, 4091–4106. [Google Scholar] [CrossRef]
- Lu, J.; Bai, K.; Taylor, A.R.; Liu, G.; Brown, A.; Johnson, P.M.; McAmmond, M. A Modular-Designed Three-Phase High-Efficiency High-Power-Density EV Battery Charger Using Dual/Triple-Phase-Shift Control. IEEE Trans. Power Electron. 2018, 33, 8091–8100. [Google Scholar] [CrossRef]
- Molina García, J.M. Three Phase Buck Type Rectifier Integrated with Current Fed Full Bridge. Ph.D. Thesis, Universidad Politécnica de Madrid, Madrid, Spain, 2016. [Google Scholar] [CrossRef]
- Hussain, E.; Abusara, M.; Sharkh, S. Design Optimisation of a Current-Fed Solid-State Transformer for MV Grid-Connected Applications. Energies 2021, 14, 3283. [Google Scholar] [CrossRef]
- Le, T.T.; Kim, S.; Choi, S. A Four-Phase Current-Fed Push–Pull DAB Converter for Wide-Voltage-Range Applications. IEEE Trans. Power Electron. 2021, 36, 11383–11396. [Google Scholar] [CrossRef]
- Segaran, D.; Holmes, D.; McGrath, B. Comparative analysis of single-and Three-Phase Dual Active Bridge Bidirectional DC-DC Converters. Aust. J. Electr. Electron. Eng. 2009, 6, 329–337. [Google Scholar] [CrossRef]
- Wang, Y.C.; Ni, F.M.; Lee, T.L. Hybrid Modulation of Bidirectional Three-Phase Dual-Active-Bridge DC Converters for Electric Vehicles. Energies 2016, 9, 492. [Google Scholar] [CrossRef]
- Shi, Y.; Li, R.; Xue, Y.; Li, H. Optimized Operation of Current-Fed Dual Active Bridge DC–DC Converter for PV Applications. IEEE Trans. Ind. Electron. 2015, 62, 6986–6995. [Google Scholar] [CrossRef]
- Qin, Z.; Shen, Y.; Loh, P.C.; Wang, H.; Blaabjerg, F. A Dual Active Bridge Converter with an Extended High-Efficiency Range by DC Blocking Capacitor Voltage Control. IEEE Trans. Power Electron. 2018, 33, 5949–5966. [Google Scholar] [CrossRef]
- Naruse, K.; Ota, R.; Hoshi, N. Parallel AC-Link Connection of Current-Fed Dual Active Bridge Converters. IEEE Access 2024, 12, 38985–38998. [Google Scholar] [CrossRef]
- Kowalewski, P.; Tissen, A.; Thönnessen, A.; Fritz, N.; De Doncker, R.W. Experimental Validation of a Control Strategy Enhancing the Dynamic Performance of Current-Fed Triple-Active-Bridge DC-DC Converters. In Proceedings of the 2024 IEEE Applied Power Electronics Conference and Exposition (APEC), Long Beach, CA, USA, 25–29 February 2024; pp. 666–672. [Google Scholar] [CrossRef]
- Rashidi, M.; Altin, N.; Ozdemir, S.; Bani-Ahmed, A.; Sabbah, M.; Balali, F.; Nasiri, A. Design and Implementation of a LLC Resonant Solid State Transformer. IEEE Trans. Ind. Appl. 2020, 56, 3855–3864. [Google Scholar] [CrossRef]
- Kurm, S.; Agarwal, V. Current Fed Dual Active Bridge based Multi-Port DC/AC Converter for Standalone Solar PV fed Systems with Battery Backup. In Proceedings of the 2020 IEEE International Conference on Power Electronics, Drives and Energy Systems (PEDES), Jaipur, India, 16–19 December 2020; pp. 1–6. [Google Scholar] [CrossRef]
- Liu, T.; Yang, X.; Chen, W.; Li, Y.; Xuan, Y.; Huang, L.; Hao, X. Design and Implementation of High Efficiency Control Scheme of Dual Active Bridge Based 10 kV/1 MW Solid State Transformer for PV Application. IEEE Trans. Power Electron. 2019, 34, 4223–4238. [Google Scholar] [CrossRef]
- Riedel, J.; Holmes, D.G.; McGrath, B.P.; Teixeira, C. ZVS Soft Switching Boundaries for Dual Active Bridge DC–DC Converters Using Frequency Domain Analysis. IEEE Trans. Power Electron. 2017, 32, 3166–3179. [Google Scholar] [CrossRef]
- Takagi, K.; Fujita, H. Dynamic Control and Performance of a Dual-Active-Bridge DC–DC Converter. IEEE Trans. Power Electron. 2018, 33, 7858–7866. [Google Scholar] [CrossRef]
- Bu, Q.; Wen, H.; Wen, J.; Hu, Y.; Du, Y. Transient DC Bias Elimination of Dual-Active-Bridge DC–DC Converter with Improved Triple-Phase-Shift Control. IEEE Trans. Ind. Electron. 2020, 67, 8587–8598. [Google Scholar] [CrossRef]
- Hou, N.; Li, Y.W. Overview and Comparison of Modulation and Control Strategies for a Nonresonant Single-Phase Dual-Active-Bridge DC–DC Converter. IEEE Trans. Power Electron. 2020, 35, 3148–3172. [Google Scholar] [CrossRef]
- Hu, J.; Cui, S.; De Doncker, R.W. Natural Boundary Transition and Inherent Dynamic Control of a Hybrid-Mode-Modulated Dual-Active-Bridge Converter. IEEE Trans. Power Electron. 2022, 37, 3865–3877. [Google Scholar] [CrossRef]
- Steub, V. Study of Modulation Schemes for the Dual-Active-Bridge Converter in a Grid-Connected Photovoltaic Park. Master’s Thesis, Chalmers University of Technology, Gothenburg, Sweden, 2018. [Google Scholar]
- Wang, Y.; De Haan, S.; Ferreira, J. Optimal operating ranges of three modulation methods in dual active bridge converters. In Proceedings of the 2009 IEEE 6th International Power Electronics and Motion Control Conference, Wuhan, China, 17–20 May 2009; pp. 1397–1401. [Google Scholar] [CrossRef]
- Al, T.M.; Lyu, D.; Soeiro, T.B.; Bauer, P. Design of a Wide Output Voltage Dual Active Bridge Converter as Power Electronics Building Block for the Fast Charging of Electric Vehicles. In Proceedings of the 2021 IEEE 19th International Power Electronics and Motion Control Conference (PEMC), Gliwice, Poland, 25–29 April 2021; pp. 89–96. [Google Scholar] [CrossRef]
- Raj Kafle, Y.; Hossain, M.J.; Kashif, M. Quasi-Z-source-based bidirectional DC-DC converters for renewable energy applications. Int. Trans. Electr. Energy Syst. 2021, 31, 1–16. [Google Scholar] [CrossRef]
- Elsanabary, A.I.; Konstantinou, G.; Mekhilef, S.; Townsend, C.D.; Seyedmahmoudian, M.; Stojcevski, A. Medium Voltage Large-Scale Grid-Connected Photovoltaic Systems Using Cascaded H-Bridge and Modular Multilevel Converters: A Review. IEEE Access 2020, 8, 223686–223699. [Google Scholar] [CrossRef]
- Bian, L.; Cheng, D.; Zou, J.; Ji, W. Topology and Control Strategy Improvement of Middle Stage of Power Electronic Transformer Based on Modular Multilevel Converter. In Proceedings of the 2019 4th International Conference on Power and Renewable Energy (ICPRE), Chengdu, China, 21–23 September 2019; pp. 259–263. [Google Scholar] [CrossRef]
- Zhu, Q.; Wang, L.; Huang, A.Q.; Booth, K.; Zhang, L. 7.2-kV Single-Stage Solid-State Transformer Based on the Current-Fed Series Resonant Converter and 15-kV SiC mosfets. IEEE Trans. Power Electron. 2019, 34, 1099–1112. [Google Scholar] [CrossRef]
- Cheong, Y.; Cao, S.; Naayagi, R.T.; Lee, S. Triple Phase Shift Control of Wireless Charging DAB LCC Resonant Converter for Unity Power Factor Operation with Optimized Rectifier AC Load Resistance. Appl. Sci. 2022, 12, 11871. [Google Scholar] [CrossRef]
- Yeh, C.S.; Zhang, L.; Choe, J.M.; Chen, C.W.; Yu, O.; Lai, J.S. Light-load efficiency improvement for LLC converter with synchronous rectification in solid-state transformer application. In Proceedings of the 2018 IEEE Applied Power Electronics Conference and Exposition (APEC), San Antonio, TX, USA, 4–8 March 2018; pp. 2142–2147. [Google Scholar] [CrossRef]
- Wu, J.; Zhang, W.; Sun, X.; Su, X. Research on Reactive Power Optimization Control of a Series-Resonant Dual-Active-Bridge Converter. Energies 2022, 15, 3856. [Google Scholar] [CrossRef]
- Twiname, R.P.; Thrimawithana, D.J.; Madawala, U.K.; Baguley, C.A. A New Resonant Bidirectional DC–DC Converter Topology. IEEE Trans. Power Electron. 2014, 29, 4733–4740. [Google Scholar] [CrossRef]
- Venkatesan, M.; Rajamanickam, N.; Vishnuram, P.; Bajaj, M.; Blazek, V.; Prokop, L.; Misak, S. A Review of Compensation Topologies and Control Techniques of Bidirectional Wireless Power Transfer Systems for Electric Vehicle Applications. Energies 2022, 15, 7816. [Google Scholar] [CrossRef]
- Texas Instruments. Survey of Resonant Converter Topologies; Texas Instruments Power Supply Design Seminar SEM2300; Texas Instruments: Dallas, TX, USA, 2018. [Google Scholar]
- Lee, J.; Roh, J.; Kim, M.Y.; Baek, S.H.; Kim, S.; Lee, S.H. A novel Solid-State Transformer with Loosely Coupled Resonant Dual-Active-Bridge Converters. IEEE Trans. Ind. Appl. 2022, 58, 709–719. [Google Scholar] [CrossRef]
- Tan, X.; Ruan, X. Equivalence Relations of Resonant Tanks: A New Perspective for Selection and Design of Resonant Converters. IEEE Trans. Ind. Electron. 2015, 63, 2111–2123. [Google Scholar] [CrossRef]
- Yasutaka, K.; Tomokazu, M. Analysis and Verification on CLLC Resonant Bidirectional DC-DC Converter Based on Variable Frequency Phase Difference Control Principle. In Proceedings of the 2018 IEEE 18th International Power Electronics and Motion Control Conference (PEMC), Budapest, Hungary, 26–30 August 2018; pp. 58–65. [Google Scholar] [CrossRef]
- Bogza, A.; Floricau, D. Optimization of Leakage Inductance for Phase-Shifted Full-Bridge DC-DC Converter. UPB Sci. Bull. 2021, 83, 1–14. [Google Scholar]
- Lv, M.; Wang, P.; Wei, Y.; Wen, C.; Li, J.; Jia, P.; Wei, Q. An Input-Series-Output-Parallel Cascaded Converter System Applied to DC Microgrids. Symmetry 2023, 15, 1174. [Google Scholar] [CrossRef]
- Baranwal, R.; Iyer, K.V.; Basu, K.; Castelino, G.F.; Mohan, N. A Reduced Switch Count Single-Stage Three-Phase Bidirectional Rectifier with High-Frequency Isolation. IEEE Trans. Power Electron. 2018, 33, 9520–9541. [Google Scholar] [CrossRef]
- Chen, H.; Divan, D. Soft-Switching Solid-State Transformer (S4T). IEEE Trans. Power Electron. 2018, 33, 2933–2947. [Google Scholar] [CrossRef]
- Cuma, M.U.; Anvari, A.D.; Savrun, M.M. A Novel Solid-State Transformer with Improved Flyback Converter Equipped with Quasi Z-Source Converter for Medium-Voltage Utility Grid. Energies 2023, 16, 2687. [Google Scholar] [CrossRef]
- Honório, D.d.A.; Oliveira, D.S.; Barreto, L.H.S.C.; Antunes, F.L.M. A solid state transformer based on a single-stage AC-DC modular cascaded multilevel converter. In Proceedings of the 2016 18th European Conference on Power Electronics and Applications (EPE’16 ECCE Europe), Karlsruhe, Germany, 5–9 September 2016; pp. 1–9. [Google Scholar] [CrossRef]
- De Almeida, B.R.; De Araujo, J.W.M.; Praca, P.P.; De, S. Oliveira, D. A Single-Stage Three-Phase Bidirectional AC/DC Converter with High-Frequency Isolation and PFC. IEEE Trans. Power Electron. 2018, 33, 8298–8307. [Google Scholar] [CrossRef]
- Le, T.T.; Hakim, R.M.; Choi, S. A High-Efficiency Bidirectional Single-Stage AC-DC Converter Under Wide Voltage Range for Fast Chargers. IEEE Trans. Power Electron. 2023, 38, 4945–4956. [Google Scholar] [CrossRef]
- Krismer, F.; Hatipoglu, E.; Kolar, J.W. novel Isolated Bidirectional Integrated Dual Three-Phase Active Bridge (D3AB) PFC Rectifier. In Proceedings of the 2018 International Power Electronics Conference (IPEC-Niigata 2018—ECCE Asia), Niigata, Japan, 20–24 May 2018; pp. 3805–3812. [Google Scholar] [CrossRef]
- Heller, M.J.; Krismer, F.; Kolar, J.W. Quad-Port AC–DC–DC–AC Operation of Isolated Dual Three-Phase Active Bridge Converter. In Proceedings of the 2021 IEEE Applied Power Electronics Conference and Exposition (APEC), Phoenix, AZ, USA, 14–17 June 2021; pp. 1643–1650. [Google Scholar] [CrossRef]
- Silva Faúndez, M.A. Isolated Swiss-Forward Three-Phase Rectifier for Aircraft Applications: Analysis, Design and Validation. Ph.D. Thesis, Universidad Politécnica de Madrid, Madrid, Spain, 2018. [Google Scholar] [CrossRef]
- Zhang, B.; Xie, S.; Xu, J.; Li, Z.; Zhao, P. An Optimized Isolated Swiss-Forward Three-Phase Rectifier. In Proceedings of the 2020 IEEE Applied Power Electronics Conference and Exposition (APEC), New Orleans, LA, USA, 15–19 March 2020; pp. 2027–2031. [Google Scholar] [CrossRef]
- Zhouyang, L.; Shaojun, X.; Binfeng, Z.; Pengcheng, Z. An Efficiency Improved Isolated SWISS Rectifier Based on Two Phase-Shifted Full-Bridge Structures. Trans. China Electrotech. Soc. 2022, 37, 198. [Google Scholar] [CrossRef]
- Wang, X.; Zhang, B.; Xie, S.; Xu, K. A Soft Switching Swiss Rectifier Based on Phase-Shifted Full-Bridge Topology. In Proceedings of the 2018 IEEE International Power Electronics and Application Conference and Exposition (PEAC), Shenzhen, China, 4–7 November 2018; pp. 1–6. [Google Scholar] [CrossRef]
- Zhao, S.; Silva, M.; Oliver, J.A.; Alou, P.; Garcia, O.; Cobos, J.A. Analysis and design of an isolated single-stage three-phase full-bridge with current injection path PFC rectifier for aircraft application. In Proceedings of the 2015 IEEE Energy Conversion Congress and Exposition (ECCE), Montreal, QC, Canada, 20–24 September 2015; pp. 6777–6784. [Google Scholar] [CrossRef]
- Zhang, B.; Xie, S.; Li, Z.; Zhao, P.; Xu, J. An Optimized Single-Stage Isolated Swiss-Type AC/DC Converter Based on Single Full-Bridge with Midpoint-Clamper. IEEE Trans. Power Electron. 2021, 36, 11288–11297. [Google Scholar] [CrossRef]
- Antivachis, M.; Bortis, D.; Schrittwieser, L.; Kolar, J.W. Three-phase buck-boost Y-inverter with wide DC input voltage range. In Proceedings of the 2018 IEEE Applied Power Electronics Conference and Exposition (APEC), San Antonio, TX, USA, 4–8 March 2018; pp. 1492–1499. [Google Scholar] [CrossRef]
- Nino, S. Reversible Buck-Boost Chopper Circuit, and Inverter Circuit with the Same. U.S. Patent US7088595 B2, 8 August 2006. [Google Scholar]
- Waffler, S.; Kolar, J.W. A novel low-loss modulation strategy for high-power bi-directional buck+boost converters. In Proceedings of the 2007 7th Internatonal Conference on Power Electronics, Daegu, Republic of Korea, 22–26 October 2007; pp. 889–894. [Google Scholar] [CrossRef]
- Antivachis, M.; Kleynhans, N.; Kolar, J.W. Three-Phase Sinusoidal Output Buck-Boost GaN Y-Inverter for Advanced Variable Speed AC Drives. IEEE J. Emerg. Sel. Top. Power Electron. 2022, 10, 3459–3476. [Google Scholar] [CrossRef]
- Sarnago, H.; Lucía, O.; Menzi, D.; Kolar, J.W. Single-/Three-Phase Bidirectional EV On-Board Charger Featuring Full Power/Voltage Range and Cost-Effective Implementation. In Proceedings of the 2023 IEEE 17th International Conference on Compatibility, Power Electronics and Power Engineering (CPE-POWERENG), Tallinn, Estonia, 14–16 June 2023; pp. 1–6. [Google Scholar] [CrossRef]
- Menzi, D.; Krismer, F.; Ohno, T.; Huber, J.; Kolar, J.; Everts, J. novel Bidirectional Single-Stage Isolated Three-Phase Buck-Boost PFC Rectifier System. In Proceedings of the 2023 IEEE Applied Power Electronics Conference and Exposition (APEC), Orlando, FL, USA, 19–23 March 2023; pp. 1936–1944. [Google Scholar] [CrossRef]
- Menzi, D.; Yang, A.; Chhawchharia, S.; Coday, S.; Kolar, J.W. novel Three-Phase Electronic Transformer. IEEE Trans. Power Electron. 2024, 39, 5027–5033. [Google Scholar] [CrossRef]
- Chen, J.F.; Chen, R.Y.; Liang, T.J. Study and Implementation of a Single-Stage Current-Fed Boost PFC Converter with ZCS for High Voltage Applications. IEEE Trans. Power Electron. 2008, 23, 379–386. [Google Scholar] [CrossRef]
- Xiong, J.; Jia, J.; Deng, C. Passive Integrations for Γ-Z Source & DAB DC-AC Bidirectional Converter. In Proceedings of the 2019 IEEE Applied Power Electronics Conference and Exposition (APEC), Anaheim, CA, USA, 17–21 March 2019; pp. 650–655. [Google Scholar] [CrossRef]
- Jammy, R.R.; Annamalai, K. A new configuration of seven-level quasi Z-source–based isolated inverter for renewable applications. Int. Trans. Electr. Energy Syst. 2019, 29, e2833. [Google Scholar] [CrossRef]
- Alshawish, A.M.; Jafarishiadeh, S.; Ghasemi, A.; Shojaeighadikolaei, A.; Ahmadi, R. A New Fault Tolerant SST Topology and Operation Strategy for Alleviating HVAC Grid Faults. In Proceedings of the 2020 IEEE Kansas Power and Energy Conference (KPEC), Manhattan, KS, USA, 13–14 July 2020; pp. 1–6. [Google Scholar] [CrossRef]
- Parthiban, S.; Madhaiyan, V. Experimental validation of solar PV sustained ZSI based unified active power filter for enrichment of power quality. Automatika 2021, 62, 137–153. [Google Scholar] [CrossRef]
- Li, Z.; Zhao, C.; Hsieh, Y.H.; Li, Q.; Lee, F.C. Partial Fluctuation Power Control of Resonant Converter in Solid-State Transformer. IEEE Trans. Ind. Electron. 2024, 71, 12358–12367. [Google Scholar] [CrossRef]
- Yaskawa America, Inc. Matrix Drive Technology: The Future in Active Front End Drives; White Paper WP.AFD.31; Yaskawa: Waukegan, IL, USA, 2020. [Google Scholar]
- Jamil, I.; Jamil, R.; Nakamura, K.; Tokunaga, K.; Hasegawa, M.; Araki, K.; Zushi, H.; Hanada, K.; Fujisawa, A.; Idei, H.; et al. Matrix Converter in Power Electronics as a Power Supply for Plasma Control: A Short Review and a Foresight; Research Institute for Applied Mechanics, Kyushu University: Fukuoka, Japan, 2015. [Google Scholar] [CrossRef]
- Sandoval, J.J.; Essakiappan, S.; Enjeti, P. A bidirectional series resonant matrix converter topology for electric vehicle DC fast charging. In Proceedings of the 2015 IEEE Applied Power Electronics Conference and Exposition (APEC), Charlotte, NC, USA, 15–19 March 2015; pp. 3109–3116. [Google Scholar] [CrossRef]
- Singh, A.K.; Jeyasankar, E.; Das, P.; Panda, S.K. A Single-Stage Matrix-Based Isolated Three-Phase AC–DC Converter with novel Current Commutation. IEEE Trans. Transp. Electrif. 2017, 3, 814–830. [Google Scholar] [CrossRef]
- Beiranvand, H.; Rokrok, E.; Liserre, M. Vf-constrained ηρ-pareto Optim. Medium Freq. Transform. ISOP-DAB Convert. IET Power Electron. 2020, 13, 1984–1994. [Google Scholar] [CrossRef]
- Burkart, R.M.; Kolar, J.W. Comparative η-ρ-σ Pareto Optimization of Si and SiC Multilevel Dual-Active-Bridge Topologies with Wide Input Voltage Range. IEEE Trans. Power Electron. 2017, 32, 5258–5270. [Google Scholar] [CrossRef]
- Wang, L.; Huang, A.Q.; Zhu, Q. Multi-objective optimization of medium voltage SiC DC-DC converter based on modular input-series-output-parallel (ISOP) architecture. In Proceedings of the 2017 IEEE 3rd International Future Energy Electronics Conference and ECCE Asia (IFEEC 2017—ECCE Asia), Kaohsiung, Taiwan, 3–7 June 2017; pp. 627–632. [Google Scholar] [CrossRef]
- Wolfspeed. CRD-06600FF065N-K, 6.6KW High Power Density Bi-Directional EV On-Board Charger; User Guide PRD-02490; Wolfspeed: Durham, NC, USA, 2023. [Google Scholar]
- Harish, R.; Jayanth, R. Power Topology Considerations for Electric Vehicle Charging Stations; Application Report SLLA497; Texas Instruments: Dallas, TX, USA, 2020. [Google Scholar]
- Xu, J.; Mirić, S.; Bortis, D.; Blickenstorfer, M.; Hitz, M.; Kolar, J.W.; Huber, J. Automatic Time-Division Multiplexing for Inductive Power Transfer to Multiple Stainless-Steel-Enclosed Receivers. IEEE J. Emerg. Sel. Top. Power Electron. 2024, 12, 2333–2344. [Google Scholar] [CrossRef]
- Wang, D.; Tian, J.; Mao, C.; Lu, J.; Duan, Y.; Qiu, J.; Cai, H. A 10-kV/400-V 500-kVA Electronic Power Transformer. IEEE Trans. Ind. Electron. 2016, 63, 6653–6663. [Google Scholar] [CrossRef]
- Hyde, A.R. Advanced Power Converters for Universal and Flexible Power Management in Future Electricity Networks; Technical Report; AREVA: Courbevoie, France, 2006. [Google Scholar]
- Afsharian, J. High Efficiency High Power Density Isolated Matrix-Type Rectifier for Telecom and Data Center Applications. Ph.D. Thesis, Ryerson University, Toronto, ON, Canada, 2019. [Google Scholar]
- Schrittwieser, L.; Leibl, M.; Kolar, J.W. 99% Efficient Isolated Three-Phase Matrix-Type DAB Buck–Boost PFC Rectifier. IEEE Trans. Power Electron. 2020, 35, 138–157. [Google Scholar] [CrossRef]
- Vermulst, B.J.D.; Duarte, J.L.; Wijnands, C.G.E.; Lomonova, E.A. Quad-Active-Bridge Single-Stage Bidirectional Three-Phase AC–DC Converter with Isolation: Introduction and Optimized Modulation. IEEE Trans. Power Electron. 2017, 32, 2546–2557. [Google Scholar] [CrossRef]
- Varajao, D.; Araujo, R.E.; Miranda, L.M.; Lopes, J.A.P. Modulation Strategy for a Single-Stage Bidirectional and Isolated AC–DC Matrix Converter for Energy Storage Systems. IEEE Trans. Ind. Electron. 2018, 65, 3458–3468. [Google Scholar] [CrossRef]
- Schrittwieser, Lukas. Ultra-Efficient Three-Phase Buck-Type PFC Rectifier Systems. Ph.D. Thesis, ETH Zurich, Example City, CA, USA, 2018. [CrossRef]
- Zhao, S. Analysis and Comparison of Topologies of Three-Phase Active Rectifiers for Aircraft Applications. Ph.D. Thesis, Universidad Politécnica de Madrid, Madrid, Spain, 2018. [Google Scholar] [CrossRef]
- Waffler, S.; Kolar, J.W. A Novel Low-Loss Modulation Strategy for High-Power Bidirectional Buck+Boost Converters. IEEE Trans. Power Electron. 2009, 24, 1589–1599. [Google Scholar] [CrossRef]
- Menzi, D.; Kappeler, L.; Ziegler, P.; Biadene, D.; Kolar, J.W. Wide DC Output Voltage Range Buck-Boost 6-Module Y-Rectifier Featuring Full Power Delivery in 3-Phase and 1-Phase Operation. IEEE Access 2024, 12, 189804–189819. [Google Scholar] [CrossRef]
- Wang, R.; Wang, F.; Boroyevich, D.; Burgos, R.; Lai, R.; Ning, P.; Rajashekara, K. A High Power Density Single-Phase PWM Rectifier with Active Ripple Energy Storage. IEEE Trans. Power Electron. 2011, 26, 1430–1443. [Google Scholar] [CrossRef]
- Kolar, J.W.; Biela, J.; Minibock, J. Exploring the pareto front of multi-objective single-phase PFC rectifier design optimization—99.2% efficiency vs. 7 kW/din3 power density. In Proceedings of the 2009 IEEE 6th International Power Electronics and Motion Control Conference, Wuhan, China, 17–20 May 2009; pp. 1–21. [Google Scholar] [CrossRef]
- Round, S.D.; Karutz, P.; Heldwein, M.L.; Kolar, J.W. Towards a 30 kW/liter, Three-Phase Unity Power Factor Rectifier. In Proceedings of the 2007 Power Conversion Conference, Nagoya, Japan, 2–5 April 2007; pp. 1251–1259. [Google Scholar] [CrossRef]
- Microchip. MSCSICPFC/REF5 3-Phase 30 kW Vienna PFC Reference Design; Design Guide DS50002952A; Microchip: Chandler, AZ, USA, 2020. [Google Scholar]
- Soeiro, T.B.; Friedli, T.; Kolar, J.W. Swiss rectifier—A novel three-phase buck-type PFC topology for Electric Vehicle battery charging. In Proceedings of the 2012 Twenty-Seventh Annual IEEE Applied Power Electronics Conference and Exposition (APEC), Orlando, FL, USA, 5–9 February 2012; pp. 2617–2624. [Google Scholar] [CrossRef]
- Jiang, W.; Liu, S.; Zhang, Q.; Wang, J.; Ma, M. Coordinated Control of DC Output Voltage and AC Input Current for SWISS Rectifier Under Unbalanced Grid. IEEE J. Emerg. Sel. Top. Power Electron. 2024; early access. [Google Scholar] [CrossRef]
- Song, W.; Yang, Y.; Du, M.; Wheeler, P. Study of Constant DC-voltage Control for VIENNA Rectifier under No-load Condition. IEEE Trans. Transp. Electrif. 2024, 11, 4730–4743. [Google Scholar] [CrossRef]
- Vollmaier, F.; Nain, N.; Huber, J.; Kolar, J.W.; Leong, K.K.; Pandya, B. Performance Evaluation of Future T-Type PFC Rectifier and Inverter Systems with Monolithic Bidirectional 600 V GaN Switches. In Proceedings of the 2021 IEEE Energy Conversion Congress and Exposition (ECCE), Vancouver, BC, Canada, 10–14 October 2021; pp. 5297–5304. [Google Scholar] [CrossRef]
- Texas Instruments. 10-kW, Bidirectional Three-Phase Three-Level (T-type) Inverter and PFC Reference Design; Reference Design TIDA-01606; Texas Instruments: Dallas, TX, USA, 2023. [Google Scholar]
- Mainali, K.; Tripathi, A.; Madhusoodhanan, S.; Kadavelugu, A.; Patel, D.; Hazra, S.; Hatua, K.; Bhattacharya, S. A Transformerless Intelligent Power Substation: A three-phase SST enabled by a 15-kV SiC IGBT. IEEE Power Electron. Mag. 2015, 2, 31–43. [Google Scholar] [CrossRef]
- Bifaretti, S.; Zanchetta, P.; Fan, Y.; Iov, F.; Clare, J. Power flow control through a multi-level H-bridge based power converter for Universal and Flexible Power Management in future electrical grids. In Proceedings of the 2008 13th International Power Electronics and Motion Control Conference, Poznan, Poland, 1–3 September 2008; pp. 1771–1778. [Google Scholar] [CrossRef]
- Almaleki, M.; Wheeler, P.; Clare, J. Sliding mode observer design for universal flexible power management (Uniflex-PM) structure. In Proceedings of the 2008 34th Annual Conference of IEEE Industrial Electronics, Orlando, FL, USA, 10–13 November 2008; pp. 3321–3326. [Google Scholar] [CrossRef]
- Dang, H.; Watson, A.; Clare, J.; Wheeler, P.; Kenzelmann, S.; de Novaes, Y.R.; Rufer, A. Advanced integration of multilevel converters into power system. In Proceedings of the 2008 34th Annual Conference of IEEE Industrial Electronics, Orlando, FL, USA, 10–13 November 2008; pp. 3188–3194. [Google Scholar] [CrossRef]
- Ciobotaru, M.; lov, F.; Zanchetta, P.; De Novaes, Y.; Clare, J. A stationary reference frame current control for a multi-level H-bridge power converter for universal and flexible power management in future electricity network. In Proceedings of the 2008 IEEE Power Electronics Specialists Conference, Rhodes, Greece, 15–19 June 2008; pp. 3943–3949. [Google Scholar] [CrossRef]
- Bifaretti, S.; Zanchetta, P.; Iov, F.; Clare, J.C. Predictive current control of a 7-level AC-DC back-to-back converter for Universal and Flexible Power Management system. In Proceedings of the 2008 13th International Power Electronics and Motion Control Conference, Poznan, Poland, 1–3 September 2008; pp. 561–568. [Google Scholar] [CrossRef]
- Watson, A.J.; Wheeler, P.W.; Clare, J.C. Field programmable gate array based control of Dual Active Bridge DC/DC Converter for the UNIFLEX-PM project. In Proceedings of the 2011 14th European Conference on Power Electronics and Applications, Birmingham, UK, 30 August–1 September 2011; pp. 1–9. [Google Scholar]
- Madhusoodhanan, S.; Bhattacharya, S.; Hatua, K. A unified control scheme for harmonic elimination in the front end converter of a 13.8 kV, 100 kVA transformerless intelligent power substation grid tied with LCL filter. In Proceedings of the 2014 IEEE Applied Power Electronics Conference and Exposition—APEC 2014, Fort Worth, TX, USA, 16–20 March 2014; pp. 964–971. [Google Scholar] [CrossRef]
- Tripathi, A.; Mainali, K.; Patel, D.; Kadavelugu, A.; Hazra, S.; Bhattacharya, S.; Hatua, K. Design considerations of a 15kV SiC IGBT enabled high-frequency isolated DC-DC converter. In Proceedings of the 2014 International Power Electronics Conference (IPEC-Hiroshima 2014—ECCE ASIA), Hiroshima, Japan, 18–21 May 2014; pp. 758–765. [Google Scholar] [CrossRef]
- Tripathi, A.K.; Shah, M.; Madhusoodhanan, S.; Bhattacharya, S.; Hatua, K. FPGA based control board development for medium-voltage high-power three-phase dual active bridge converter. In Proceedings of the IECON 2014—40th Annual Conference of the IEEE Industrial Electronics Society, Dallas, TX, USA, 29 October–1 November 2014; pp. 1487–1493. [Google Scholar] [CrossRef]
- Mainali, K.; Madhusoodhanan, S.; Tripathi, A.; Patel, D.; Bhattacharya, S. Start-up scheme for solid state transformers connected to medium voltage grids. In Proceedings of the 2015 IEEE Applied Power Electronics Conference and Exposition (APEC), Charlotte, NC, USA, 15–19 March 2015; pp. 1014–1021. [Google Scholar] [CrossRef]
- Alex, H.; Li, W.; Qianlai, Z. Y9.ET3: Robust Gen-III SST Development; Technical Report; Freedm Systems Center: Raleigh, NC, USA, 2017. [Google Scholar]
- Huang, A.Q.; Zhu, Q.; Wang, L.; Zhang, L. 15 kV SiC MOSFET: An enabling technology for medium voltage solid state transformers. CPSS Trans. Power Electron. Appl. 2017, 2, 118–130. [Google Scholar] [CrossRef]
- Wensong, Y.; Iqbal, H. Gen4 Medium Voltage SST Development; Technical Report; Freedm Systems Center: Raleigh, NC, USA, 2018. [Google Scholar]
- Lukic, S. Intelligent, Grid-Friendly, Modular Extreme Fast Charging System with Solid-State DC Protection; Technical Report; North Carolina State University: Raleigh, NC, USA, 2024. [Google Scholar]
- Zhu, Q.; Wang, L.; Chen, D.; Zhang, L.; Huang, A.Q. Design and implementation of a 7.2kV single stage AC-AC solid state transformer based on current source series resonant converter and 15 kV SiC MOSFET. In Proceedings of the 2017 IEEE Energy Conversion Congress and Exposition (ECCE), Cincinnati, OH, USA, 1–5 October 2017; pp. 1288–1295. [Google Scholar] [CrossRef]
- Bipu, M.R.H.; Berdugo, O.A.M.; Lukic, S.; Husain, I. Hierarchical Failure Mode Effect Analysis for the Protection Design of a MV AC-DC Solid State Transformer based EV Extreme Fast Charging Station. In Proceedings of the 2023 IEEE Energy Conversion Congress and Exposition (ECCE), Nashville, TN, USA, 29 October–2 November 2023; pp. 6403–6410. [Google Scholar] [CrossRef]
- Awal, M.A.; Montes, O.A.; Teng, F.; Wang, D.; Bipu, M.R.H.; Yu, W.; Lukic, S.; Husain, I. Medium Voltage Solid State Transformer for Extreme Fast Charging Applications. In Proceedings of the 2023 IEEE Applied Power Electronics Conference and Exposition (APEC), Orlando, FL, USA, 19–23 March 2023; pp. 1528–1535. [Google Scholar] [CrossRef]
- Li, K.; Wen, W.; Zhao, Z.; Yuan, L.; Cai, W.; Mo, X.; Gao, C. Design and Implementation of Four-Port Megawatt-Level High-Frequency-Bus Based Power Electronic Transformer. IEEE Trans. Power Electron. 2021, 36, 6429–6442. [Google Scholar] [CrossRef]
- Wang, D.; Yang, Y.; Tian, J.; Mao, C.; Zhang, J. Design and Implementation of 10-kV MW-level Electronic Power Transformer (EPT). In Proceedings of the 2018 IEEE Industry Applications Society Annual Meeting (IAS), Portland, OR, USA, 23–27 September 2018; pp. 1–10. [Google Scholar] [CrossRef]
- Tian, J.; Mao, C.; Wang, D.; Lu, J.; Liang, X.; Liu, Y. Analysis and control of electronic power transformer with star-configuration under unbalanced conditions. IET Electr. Power Appl. 2015, 9, 358–369. [Google Scholar] [CrossRef]
- Zhang, R.; Wang, D.; Mao, C.; Lu, J.; Yang, J.; Yi, Y.; Chen, X.; Zhang, J. Dual active bridge synchronous chopper control strategy in electronic power transformer. IET Electr. Power Appl. 2014, 8, 89–97. [Google Scholar] [CrossRef]
- Hefner, A.R.; Beermann-Curtin, S. Status of the DARPA WBST High Power Electronics Program in SiC Device Development and Technology Transition. In Proceedings of the GOMACTech, Lake Buena Vista, FL, USA, 19 March 2007. [Google Scholar]
- Rahman, M.A.; Islam, M.R.; Muttaqi, K.M.; Sutanto, D. Data Driven Coordinated Control of Converters in a Smart Solid State Transformer for Reliable and Automated Distribution Grids. IEEE Trans. Ind. Appl. 2020, 56, 4532–4542. [Google Scholar] [CrossRef]
- Lai, J.S.; Lai, W.H.; Moon, S.R.; Zhang, L.; Maitra, A. A 15-kV class intelligent universal transformer for utility applications. In Proceedings of the 2016 IEEE Applied Power Electronics Conference and Exposition (APEC), Long Beach, CA, USA, 20–24 March 2016; pp. 1974–1981. [Google Scholar] [CrossRef]
- Ouyang, S.; Liu, J.; Chen, X.; Yang, Y. Control Strategy for Single-Phase Open-Circuit Operation of a Modular Solid-State Transformer. IEEE Trans. Power Electron. 2019, 34, 8555–8573. [Google Scholar] [CrossRef]
- Guillod, T.; Krismer, F.; Färber, R.; Franck, C.M.; Kolar, J.W. Protection of MV/LV solid-state transformers in the distribution grid. In Proceedings of the IECON 2015—41st Annual Conference of the IEEE Industrial Electronics Society, Yokohama, Japan, 9–12 November 2015; pp. 003531–003538. [Google Scholar] [CrossRef]
- Madhusoodhanan, S.; Tripathi, A.; Patel, D.; Mainali, K.; Bhattacharya, S. Stability analysis of the high voltage DC link between the FEC and DC-DC stage of a transformer-less intelligent power substation. In Proceedings of the 2014 IEEE Energy Conversion Congress and Exposition (ECCE), Pittsburgh, PA, USA, 14–18 September 2014; pp. 3702–3709. [Google Scholar] [CrossRef]
- Ronanki, D.; Williamson, S.S. Evolution of Power Converter Topologies and Technical Considerations of Power Electronic Transformer-Based Rolling Stock Architectures. IEEE Trans. Transp. Electrif. 2018, 4, 211–219. [Google Scholar] [CrossRef]
- Steiner, M.; Reinold, H. Medium frequency topology in railway applications. In Proceedings of the 2007 European Conference on Power Electronics and Applications, Aalborg, Denmark, 2–5 September 2007; pp. 1–10. [Google Scholar] [CrossRef]
- Dujic, D.; Zhao, C.; Mester, A.; Steinke, J.K.; Weiss, M.; Lewdeni-Schmid, S.; Chaudhuri, T.; Stefanutti, P. Power Electronic Traction Transformer—Low Voltage Prototype. IEEE Trans. Power Electron. 2013, 28, 5522–5534. [Google Scholar] [CrossRef]
- Glinka, M. Prototype of multiphase modular-multilevel-converter with 2 MW power rating and 17-level-output-voltage. In Proceedings of the 2004 IEEE 35th Annual Power Electronics Specialists Conference (IEEE Cat. No.04CH37551), Aachen, Germany, 20–25 June 2004; Volume 4, pp. 2572–2576. [Google Scholar] [CrossRef]
- Weigel, J. Patent: Multi-System Traction Power Converter. WIPO PATENT WO2012025254A1, 1 March 2012. [Google Scholar]
- Taufiq, J. Power Electronics Technologies for Railway Vehicles. In Proceedings of the 2007 Power Conversion Conference, Nagoya, Japan, 2–5 April 2007; pp. 1388–1393. [Google Scholar] [CrossRef]
- Hugo, N.; Stefanutti, P.; Pellerin, M.; Akdag, A. Power electronics traction transformer. In Proceedings of the 2007 European Conference on Power Electronics and Applications, Aalborg, Denmark, 2–5 September 2007; pp. 1–10. [Google Scholar] [CrossRef]
- Ronanki, D.; Williamson, S.S. Topological Overview on Solid-state Transformer Traction Technology in High-speed Trains. In Proceedings of the 2018 IEEE Transportation Electrification Conference and Expo (ITEC), Long Beach, CA, USA, 13–15 June 2018; pp. 32–37. [Google Scholar] [CrossRef]
- Feng, J.; Chu, W.Q.; Zhang, Z.; Zhu, Z.Q. Power Electronic Transformer-Based Railway Traction Systems: Challenges and Opportunities. IEEE J. Emerg. Sel. Top. Power Electron. 2017, 5, 1237–1253. [Google Scholar] [CrossRef]
- Jiang, Y.; Chen, K.; Zhao, Z.; Yuan, L.; Tan, T.; Lin, Q. Designing an M-Shape Magnetic Coupler for the Wireless Charging System in Railway Applications. IEEE Trans. Power Electron. 2022, 37, 1059–1073. [Google Scholar] [CrossRef]
- Fabre, J.; Ladoux, P.; Caron, H.; Verdicchio, A.; Blaquiere, J.M.; Flumian, D.; Sanchez, S. Characterization and Implementation of Resonant Isolated DC/DC Converters for Future MVdc Railway Electrification Systems. IEEE Trans. Transp. Electrif. 2021, 7, 854–869. [Google Scholar] [CrossRef]
- Choi, D.; Park, J.H.; Lee, J.S. Individual Module Power Control of Solid-state Transformer for Multiport Configuration in Railway Traction Systems. IEEE Trans. Transp. Electrif. 2024, 11, 3102–3113. [Google Scholar] [CrossRef]
- Khan, A.; Nag, S.S.; Singh, B. A Three-Phase Unfolding Based Solid-State Traction Transformer for Railway Application. IEEE Trans. Power Electron. 2025; early access. [Google Scholar] [CrossRef]
- Zhang, C.; Molinas, M.; Rygg, A.; Cai, X. Impedance-Based Analysis of Interconnected Power Electronics Systems: Impedance Network Modeling and Comparative Studies of Stability Criteria. IEEE J. Emerg. Sel. Top. Power Electron. 2020, 8, 2520–2533. [Google Scholar] [CrossRef]
- Meng, X.; Hu, G.; Liu, Z.; Wang, H.; Zhang, G.; Lin, H.; Sadabadi, M.S. Neural Network-Based Impedance Identification and Stability Analysis for Double-Sided Feeding Railway Systems. IEEE Trans. Transp. Electrif. 2024, 11, 4429–4442. [Google Scholar] [CrossRef]
- Tasiu, I.; Wang, H.; Liu, Z.; Zhang, Y.; Zhang, Q.; Meng, X.; Zhao, W. Robust fuzzy stabilization control for the traction converters in high-speed train. Control Eng. Pract. 2023, 132, 105423. [Google Scholar] [CrossRef]
- Pan, P.; Hu, H.; Yang, X.; Blaabjerg, F.; Wang, X.; He, Z. Impedance Measurement of Traction Network and Electric Train for Stability Analysis in High-Speed Railways. IEEE Trans. Power Electron. 2018, 33, 10086–10100. [Google Scholar] [CrossRef]
- Yang, G.; Xiao, F.; Fan, X.; Wang, R.; Liu, J. Three-Phase Three-Level Phase-Shifted PWM DC–DC Converter for Electric Ship MVDC Application. IEEE J. Emerg. Sel. Top. Power Electron. 2017, 5, 162–170. [Google Scholar] [CrossRef]
- Chen, Y.; Zhao, S.; Li, Z.; Wei, X.; Kang, Y. Modeling and Control of the Isolated DC–DC Modular Multilevel Converter for Electric Ship Medium Voltage Direct Current Power System. IEEE J. Emerg. Sel. Top. Power Electron. 2017, 5, 124–139. [Google Scholar] [CrossRef]
- Guidi, G.; Suul, J.A.; Jenset, F.; Sorfonn, I. Wireless Charging for Ships: High-Power Inductive Charging for Battery Electric and Plug-In Hybrid Vessels. IEEE Electrif. Mag. 2017, 5, 22–32. [Google Scholar] [CrossRef]
- Li, Z.; Hsieh, Y.H.; Li, Q.; Lee, F.C.; Zhao, C. Evaluation of Double-Line-Frequency Power Flow in Solid-State Transformers. In Proceedings of the 2021 IEEE Fourth International Conference on DC Microgrids (ICDCM), Arlington, VA, USA, 18–21 July 2021; pp. 1–7. [Google Scholar] [CrossRef]
- Li, Z.; Zhao, C.; Hsieh, Y.H.; Li, Q. Partial Fluctuating Power Control of Resonant Converter for Solid-State Transformer. In Proceedings of the 2022 IEEE Applied Power Electronics Conference and Exposition (APEC), Houston, TX, USA, 20–24 March 2022; pp. 770–776. [Google Scholar] [CrossRef]
- Zhao, C.; Hsieh, Y.H.; Lee, F.C.; Li, Q. Design and Analysis of a High-frequency CLLC Resonant Converter with Medium Voltage insulation for Solid-State-Transformer. In Proceedings of the 2021 IEEE Applied Power Electronics Conference and Exposition (APEC), Phoenix, AZ, USA, 14–17 June 2021; pp. 1638–1642. [Google Scholar] [CrossRef]
- Lee, M.; Yeh, C.S.; Yu, O.; Kim, J.W.; Choe, J.M.; Lai, J.S. Modeling and Control of Three-Level Boost Rectifier Based Medium-Voltage Solid-State Transformer for DC Fast Charger Application. IEEE Trans. Transp. Electrif. 2019, 5, 890–902. [Google Scholar] [CrossRef]
- Srdic, S.; Liang, X.; Zhang, C.; Yu, W.; Lukic, S. A SiC-based high-performance medium-voltage fast charger for plug-in electric vehicles. In Proceedings of the 2016 IEEE Energy Conversion Congress and Exposition (ECCE), Milwaukee, WI, USA, 18–22 September 2016; pp. 1–6. [Google Scholar] [CrossRef]
- Anderson, J.A.; Haider, M.; Bortis, D.; Kolar, J.W.; Kasper, M.; Deboy, G. New Synergetic Control of a 20 kW Isolated VIENNA Rectifier Front-End EV Battery Charger. In Proceedings of the 2019 20th Workshop on Control and Modeling for Power Electronics (COMPEL), Toronto, ON, Canada, 17–20 June 2019; pp. 1–8. [Google Scholar] [CrossRef]

















| Topology | Role | SST Stages | Power Flow | Voltage Control | Power Quality | Component Count | ||||
|---|---|---|---|---|---|---|---|---|---|---|
| PF | THD | Switches | Diodes | Passive Elements (L + C) | ||||||
| Direct Matrix [67] | AC/AC | I + II | ⇔ | V. High | Step Down | Limited | B: m × n | 0 | C: n | |
| Indirect Matrix [89] | B: 2n U: 2m | 0 | C: n | |||||||
| Sparse Matrix [86] | ⇒ | Dependent on variation 1 | ||||||||
| Topology | Role | SST Stages | Power Flow | Voltage Control | Power Quality | Component Count | ||||
|---|---|---|---|---|---|---|---|---|---|---|
| PF | THD | Switches | Diodes | Passive Elements (L + C) | ||||||
| Bridge Converter [200] | Isolated DC/DC | II + III | ⇒ | Low | Limited for high efficiency | N/A | U: n/2n | n/2n | C: 2 | |
| Dual Active Bridge 1 [201] | ⇔ | Low | U: 4n | 0 | C: 2/1/1 L: 0/1/n | |||||
| Resonant Bridge Converter [116] | ⇒ | Avg | U: n/2n | n/2n | C: 2 RN: n | |||||
| Resonant DAB [23] | ⇔ | Avg | U: 4n | 0 | C: 2 RN: 2n | |||||
| Topology | Role | SST Stages | Power Flow | Voltage Control | Power Quality | Component Count | ||||
|---|---|---|---|---|---|---|---|---|---|---|
| PF | THD | Switches | Diodes | Passive Elements (L + C) | ||||||
| Matrix Type DAB [88] | Isolated AC/DC | I + II | ⇔ | V. High | Limited for high efficiency | Avg | Low | B: 2n U: 4 | 0 | C: n + 1 |
| Isolated Y Converter [183] | ⇔ | V. High | High | V. Low | U: 4n | 0 | C: 2n + 1 | |||
| Isolated SWISS [176] | ⇒ | High | High | Low | Dependent on variation 1 | |||||
| D3AB 2 [170] | Isolated AC/AC + DC Port | I | ⇔ | V. High | N/A | High | Low | U: 2n + 2m | 0 | C: 4 + n + m L: n + m |
| Topology | Role | SST Stages | Power Flow | Voltage Control | Power Quality | Component Count | ||||
|---|---|---|---|---|---|---|---|---|---|---|
| PF | THD | Switches | Diodes | Passive Elements (L + C) | ||||||
| Diode Bridge Rectifier | AC/DC | II + III | ⇒ | Avg | None | Low | High | 0 | 2n | 0 |
| IAF Rectifier [112] | N/A | None | Limited | U: 2 B: n | 2n | C: n + 1 L: 1 | ||||
| SWISS Rectifier [171] | Avg | Step Down | High | Low | U: 2 B: n | 2n + 2 | C: n + 1 L: 1 | |||
| VIENNA Rectifier [109] | High | Step Up | High | V. Low | B: n | 2n | C: 2 L: n | |||
| Six-Switch Boost-Type PFC [219] | ⇔ | Avg | Step Up (Rectifier) Step Down (Inverter) | Avg | Low | U: 2n | 0 | C: 1 L: n | ||
| Bridgeless Boost [118] | ⇒ | Avg | Step Up | Limited | U: n | n | C: 1 L: n | |||
| T-Type Converter [4] | ⇔ | High | Step Up (Rectifier) Step Down (Inverter) | High | V. Low | U: 2n B: n | 0 | C: 2 L: n | ||
Disclaimer/Publisher’s Note: The statements, opinions and data contained in all publications are solely those of the individual author(s) and contributor(s) and not of MDPI and/or the editor(s). MDPI and/or the editor(s) disclaim responsibility for any injury to people or property resulting from any ideas, methods, instructions or products referred to in the content. |
© 2025 by the authors. Licensee MDPI, Basel, Switzerland. This article is an open access article distributed under the terms and conditions of the Creative Commons Attribution (CC BY) license (https://creativecommons.org/licenses/by/4.0/).
Share and Cite
Predescu, D.-M.; Roșu, Ș.-G. Solid State Transformers: A Review—Part I: Stages of Conversion and Topologies. Technologies 2025, 13, 74. https://doi.org/10.3390/technologies13020074
Predescu D-M, Roșu Ș-G. Solid State Transformers: A Review—Part I: Stages of Conversion and Topologies. Technologies. 2025; 13(2):74. https://doi.org/10.3390/technologies13020074
Chicago/Turabian StylePredescu, Dragoș-Mihail, and Ștefan-George Roșu. 2025. "Solid State Transformers: A Review—Part I: Stages of Conversion and Topologies" Technologies 13, no. 2: 74. https://doi.org/10.3390/technologies13020074
APA StylePredescu, D.-M., & Roșu, Ș.-G. (2025). Solid State Transformers: A Review—Part I: Stages of Conversion and Topologies. Technologies, 13(2), 74. https://doi.org/10.3390/technologies13020074

