Next Article in Journal
Malaria Cell Image Classification Using Compact Deep Learning Architectures on Jetson TX2
Previous Article in Journal
Resource Sizing for Virtual Environments of Networked Interconnected System Services
 
 
Font Type:
Arial Georgia Verdana
Font Size:
Aa Aa Aa
Line Spacing:
Column Width:
Background:
Article

Isolated High-Gain DC-DC Converter with Nanocrystalline-Core Transformer: Achieving 1:16 Voltage Boost for Renewable Energy Applications

by
Tania Sandoval-Valencia
1,
Dante Ruiz-Robles
2,*,
Jorge Ortíz-Marín
3,
Jesus Alejandro Franco
2,
Quetzalcoatl Hernandez-Escobedo
2 and
Edgar Moreno-Goytia
3
1
Facultad de Ingeniería, Universidad Autónoma de Querétaro, Santiago de Querétaro 76010, Mexico
2
Escuela Nacional de Estudios Superiores Unidad Juriquilla, Universidad Nacional Autonoma de México, Querétaro 76230, Mexico
3
Posgrado de Graduados e Investigación en Ingeniería Eléctrica (PGIIE), Tecnológico Nacional de México/Instituto Tecnológico de Morelia, Morelia 58120, Mexico
*
Author to whom correspondence should be addressed.
Technologies 2024, 12(12), 246; https://doi.org/10.3390/technologies12120246
Submission received: 14 October 2024 / Revised: 20 November 2024 / Accepted: 22 November 2024 / Published: 27 November 2024

Abstract

This paper presents an isolated DC-DC converter with high voltage gain that features an advanced inter-built nanocrystalline-core medium-frequency transformer (NC-MFT). The isolated DC-DC converter with an NC-MFT is specifically designed for applications such as interconnect photovoltaic (PV) systems, DC microgrids, DC loads, and DC buses, where voltage gain is one of the essential issues to consider. The NC-MFT inside the DC-DC converter is designed with a new approach that not only provides isolation but also contributes to achieving high efficiency and a higher step-up ratio. The high efficiency of the converters contributes to the integration of PV systems into DC microgrids. The converter yields a high voltage conversion ratio of 16.17. The experimental results obtained at 41.8 V/676 V and 275 W for the prototype revealed high efficiency (95.63% at full load). The experimental results validate the theoretical analysis and simulation, confirming that the converter achieves the main objective of high voltage conversion and high efficiency. These results will contribute to the interest in the use of this type of energy and its impact on the reduction in CO2 emissions.

1. Introduction

The continuous and effective use of renewable energy sources is one of the key activities that can be used to minimize carbon dioxide emissions deriving from the energy conversion process. Governments, industries, and general consumers have a growing interest in solar energy, mainly photovoltaic (PV) [1]. From the point of view of enabling technologies, several challenging issues must be tackled to achieve high performance and further increase the penetration of renewable power options. One of these challenges is to efficiently increment the low voltage output of solar panel blocks to the required voltage levels of DC loads/buses [2].
PV systems are becoming an essential type of DC microgrid, and they can have a great impact on mitigating energy poverty in rural and geographically remote locations [3]. The interconnection voltage level of PV systems connected to a DC microgrid, more specifically to a DC bus, is around 380 V [4,5,6,7]. To reach this voltage level, the voltage output of a single panel, or a small group of panels, must be low (20 V to 60 V for a single panel) [8]. Therefore, this output voltage must be stepped up, which opens the door to the development of high-gain DC-DC interfaces, as shown in Figure 1, while keeping efficiency and performance high [4,5,6,7,8,9]. Converters interconnecting photovoltaic panels and DC and AC microgrids are shown in Figure 2. Finally, in the last few years, we have observed the development of both conventional converters [9] as well as restructured ones [4,5] with the aim of stepping up the solar panels’ voltage output [4,5,6,7].
The design of converters with a high step-up voltage ratio conversion for PV applications faces issues such as a high input current and the technique for increasing voltage. If this input current is handled only with electronic commutation devices, as shown in Figure 3, efficiency is jeopardized because of the greater losses and cost. Taking this into account, in recent years, there has been increasing interest in developing both isolated [5,9] and non-isolated DC-DC converters [4,6,7].
The configuration of non-isolated converters lacks medium- or high-frequency transformers to step up or step down the voltage at its input [4,6,7]. In this case, transformer issues, such as core saturation or efficiency, are put aside. Although this apparent advantage may benefit non-isolated converters, the lack of galvanic isolation between the solar panels and the DC buses is regarded as a drawback. In [4], two transformerless DC-DC configurations are presented. Both configurations follow the structure of conventional boost and buck–boost converters. As expected, the voltage conversion ratio obtained is lower than 10, 1 to 8.4 (45 V/380 V), and the efficiency is 94.86%, both verified with a 110 W lab prototype. In this case, a higher voltage conversion ratio results in lower efficiency due to the increase in the current at the input.
From a similar point of view, in [7], a DC-DC boost converter with 1 to 11.5 ratio (34 V/380 V) is presented. The results obtained with a 200 W lab prototype validate the ratio and demonstrate 93% efficiency. Also, in [6], a DC-DC converter with a voltage conversion ratio of 1 to 15.83 (24 V/380 V) is presented. Like in other proposals, the results were validated by using a lab prototype but, in this case, specified at 225 W and 91.6% efficiency. As can be noted in previous works, the higher the step-up ratio, the lower the efficiency. Therefore, the challenge is to attain a converter configuration that has a high step-up ratio and high efficiency at the same time.
On the other hand, an isolated converter includes a medium- or high-frequency transformer. The characteristics required for such a transformer are high efficiency, low core losses, low winding losses, high power density, low working temperature, and non-saturated transformer operation [5,9]. Achieving all these characteristics together is a design challenge. In this work, an MFT, designed with a new approach, was used as part of the DC-DC converter structure.
With regard to isolated converters, a DC-DC half-bridge boost converter with a voltage conversion ratio of 1 to 10 (40 V/400 V) and a 94.5% efficiency is presented in [5]. These results were validated with a 300 W lab prototype. A high step-down DC-DC converter with a 1 to 23 voltage conversion ratio and 92% efficiency is presented in another approach [9]. These results are corroborated using a lab prototype specified at 110 W.
Some of the previous proposed converters attain efficiencies close to 95% but at the cost of obtaining a low voltage conversion ratio of 1 to 10. On the other hand, the efficiency of those proposed converters achieving a voltage conversion ratio ≥15 is lower than 92%. In these types of converters, the step-up ratio vs. efficiency relationship is inadequate for today’s PV applications.
In this context, the research problem is to determine whether DC-DC converters can be designed as an enabling technology of photovoltaic systems exhibiting a voltage conversion ratio ≥15 while keeping efficiency ≥95%. A positive solution to this challenge may result in achieving advanced converters that can further improve the performance of photovoltaic systems installations. Improved enabling technology can be one of the major players in boosting the penetration of PV systems into power grids.
Full-bridge DC-DC converters featuring new nanocrystalline-core medium-frequency transformers not only achieve high efficiency but also a high voltage conversion ratio useful to both photovoltaic systems and DC microgrids. In this regard, this paper proposes the design, simulation, and construction of a lab DC-DC full-bridge prototype featuring a medium-frequency transformer with a nanocrystalline core. The result is an advanced structure achieving a high voltage conversion ratio, 16, along with efficiency ≥95%.
Section 1 presents the state of the art of the boost converters applied to PV systems presented as well as the impact of the results of such works. Section 2 details the structure and stages of the boost converter proposed in this paper as well as the calculation of the losses in the semiconductor devices, both in the rectifier and in the inverter. The performance of the boost converter was evaluated using the MATLAB-Simulink platform, as described in Section 3. Section 4 presents the experimental validation of the proposed boost converter. Finally, in Section 5, all results are discussed and compared with those of other proposed boost converters available in the contemporary literature, while conclusions are expressed in Section 6.

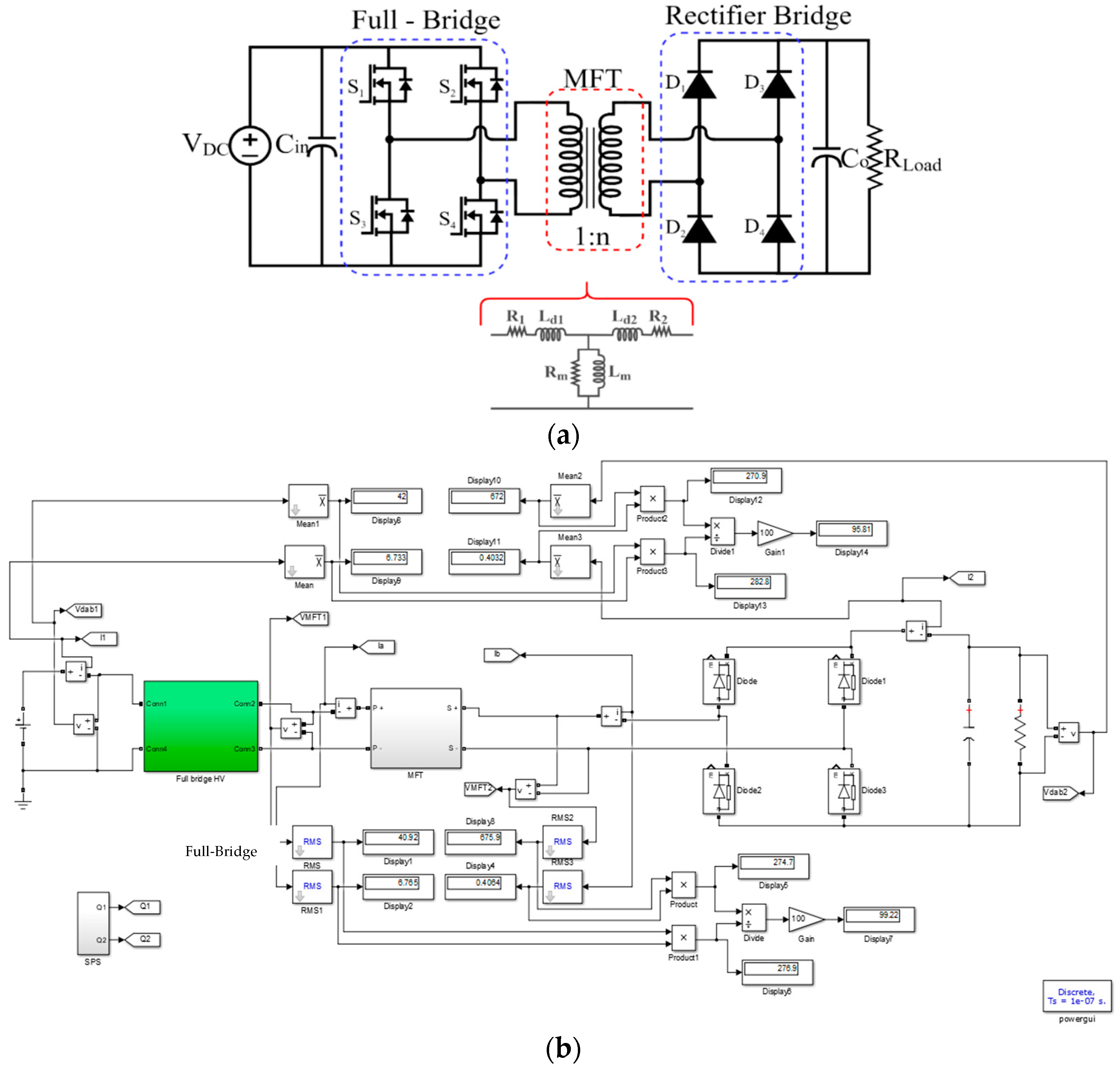
2. DC-DC Converter Structure

The specialized literature reports several proposed isolated and non-isolated converters designed for high efficiency and a high voltage conversion ratio useful for PV system applications [4,5,6,7,9]. Although the full-bridge configuration is a well-known structure, adding cutting edge MFTs featuring nanocrystalline cores into these designs can improve efficiency while achieving high voltage conversion ratios. The three main stages of the full-bridge DC-DC configuration featuring a nanocrystalline-core MFT are the MOSFET H-bridge, the MFT, and the diode bridge, as shown in Figure 4. Besides the insolation provided, the MFT also increases the transformer turns ratio (transformation relation). The ratio results in an increase in the output voltage level while keeping a low level of core losses and winding losses.

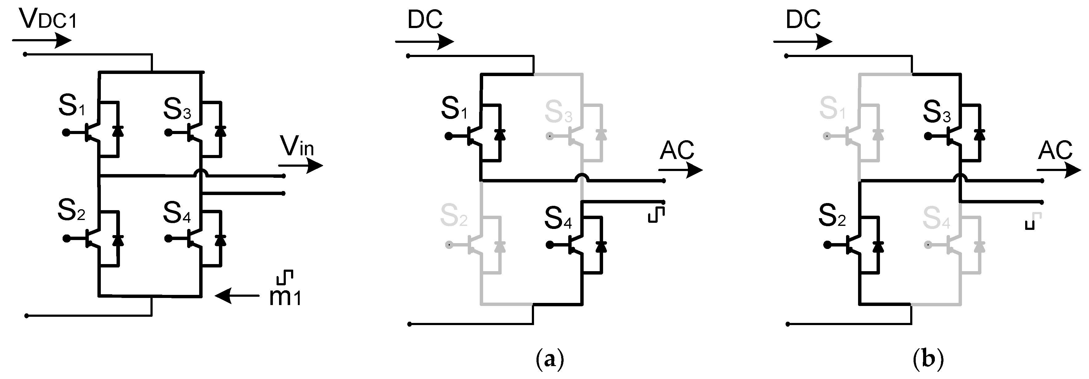
2.1. MOSFET H-Bridge

The H-bridge stage (see Figure 5) converts the DC power signal into an AC square power signal to feed the MFT. VDC1 denotes the DC input voltage to the H-bridge, and Vin is the AC square wave voltage output of the above-mentioned bridge. Observe that Vin depends on the modulation signal m1 as shown in Figure 5.
The H-bridge configurations found in electronic converters are generally used for either signal inversion or adding two-way signaling to DC-DC dual-active bridge converters [10], electric vehicles [11], and electronic transformers [12,13]. It is worth mentioning that the H-bridge configuration facilitates the replication of the results presented in this paper by other potential interested parties.
Figure 6 shows the modulation signals to the converter for the two-level voltage at the MFT. The signal to S1 and S4 is 180° out of phase from the main signal applied to S2 and S3. The control scheme is not complex, which turns into an advantage due to the ease of reproducing the results compared to other types of control techniques applied, such as robust control, which may lead to even more confusion if multilevel topologies are in use.
Losses in semiconductor devices (MOSFETs) are determined through Equations (1)–(4), where the conduction losses are I D ( R M S ) 2 · R D S ( O N ) and the switching losses are P O N + P O F F .
P M O S F E T = I D ( R M S ) 2 · R D S ( O N ) + P O N + P O F F
I D ( R M S ) = I D ( O N ) · D
P O N = f s w · I D ( O N ) · V D D · t O N · 1 2
P O F F = f s w · I D ( O N ) · V D D · t O F F · 1 2
where FMOSFET are the losses through each MOSFET; ID(RMS) is the RMS current of the waveform flowing through the MOSFET; ID(ON) is the current through the MOSFET; D is the duty cycle of the MOSFET; RDS(ON) is the turn-on resistance of the MOSFET; PON is the turn-on losses of the MOSFET; POFF is the turn-off losses of the MOSFET; fSW is the switching frequency; VDD is the blocking voltage across the MOSFET; tON is the time taken for the MOSFET to reach its on state; and tOFF is the time taken for the MOSFET to reach its off state.

2.2. Medium-Frequency Transformer (MFT)

The selected MFT design method is key to optimizing the performance of the transformer and by extension the DC-DC converter. Most MFT designs are specified to operate at a frequency range of 600 Hz to 20 kHz [14,15,16,17,18,19,20]. The core materials mostly define the transformer performance, efficiency, and power density. Common core materials are ferrite, silicon steel, and more recently nanocrystalline. Silicon steel is widely used at frequencies lower than 2 kHz [18,19,20], while nanocrystalline materials are reported at a frequency range of 1 kHz to 10 kHz [14,15,20,21] and ferrite cores at frequencies greater than 10 kHz [16,17].
Table 1 shows a comparison of characteristics of core materials used in MFTs. Regarding the frequency operating ranges of nanocrystalline materials, recent research efforts have found that such materials exhibit high performance, high efficiency, and high power density at frequencies of 1 kHz [20] and 5 kHz. As a step forward in this direction, this paper presents a 20 kHz, high-power-density MFT prototype design, which was numerically simulated, built, and validated via lab experimentation.
The operation of silicon steel at a 2 kHz frequency is not an acceptable option in the proposed converter because at this specification, the transformer size increases [18]. This implies a lower power density than using nanocrystalline materials. Ferrites are a possible option for 20 kHz; however, there are two major drawbacks with regard to nanocrystalline materials: (1) low density flow [17], which implies a lower density power, and (2) lower permeability [17], which implies both a greater dispersion inductance and higher dispersion flow. Therefore, the nanocrystalline material is highlighted as an option for the MFT designed in this paper, specifically VITROPERM 500F. It should be mentioned that the methodology for the MFT design as well as its corresponding specifications are presented in [21]. The design parameters for the MFT are reported in Table 2.
Table 3 summarizes the results of the MFT design. The flow density (Bac) was calculated with (5), obtaining 0.5 T for a working frequency of 20 kHz [22]. The number of turns of the primary (N1) and secondary (N2) winding is determined with (6) and (7), respectively. The computation of the core losses (Pfe) yields 0.39 W, calculated with (8). In this regard, the analytical calculation of the winding losses (Pw) using (9) yields 0.71 W. The final efficiency achieved is 99.6%, obtained with (10) [21]. Based on these results, a litz wire is not required to achieve high efficiency at 20 kHz. Thus, using the conventional round shape copper wire, the results obtained are highly satisfactory. This is also valid for the lab prototype as shown in Section 4.
B a c = P t · 10 4 k f k u J f A p
In (5), Pt is the total power of the MFT, Ap is the product between the transversal section area (Ac) and the window area (Wa), f is the design frequency, J is the current density, ku is the use factor, and kf is the waveform factor (4.44 for sine waves and 4.0 for square waves).
N 1 = V i n · 10 4 k f B a c f A c
N 2 = N 1 · V o V i n
P f e = P f e 1 · W f e
where Pfe1 are the nanocrystalline materials losses (w/kg). In the design of the MFT, Pfe1 = 17 W/kg was selected. In this case, Wfe, the core weight (kg), is specified at 275 W.
P w = P p · P s = ( I i n 2 · R 1 ) · ( I o 2 · R 2 )
Pp and Ps are the winding losses of the primary and the secondary winding, respectively, while R1 and R2 are the resistance of the primary and secondary winding.
E f f i c i e n c y = ( P f e + P w ) · 100 P o · ( 1 ) + 100
Finally, obtaining a highly efficient MFT is a key step in achieving a DC-DC converter with high efficiency. Therefore, the higher the MFT efficiency, the higher the efficiency of the DC-DC converter. In this work, the MFT losses obtained are 1.1 W (0.4%), which is far better than the losses obtained by other proposed converters. It should be noticed that the total DC-DC converter losses comprise the MTF losses and those of the MOSFET H diode bridges. The minimum MFT efficiency expected is 98%; otherwise, the final converter efficiency might not be as high as required for today’s PV applications.

2.3. Diode H-Bridge

In the load side of the full-bridge DC-DC converter is the rectifier diode bridge, as is depicted in Figure 7. In this work, the bridge was implemented with silicon carbide Schottky diodes due to their capability for high-frequency operation and working voltage of up to 1200 V. Additional advantages of using this type of diodes are the reduction in the specifications for the required heatsink, low commutation losses, and high efficiency. All these characteristics together lead to a high-performance converter.
The losses in the diodes are determined with (11)–(14).
P D I O D E = V F · I F ( A V G ) + I F ( R M S ) 2 · R D ( O N )
I F ( A V G ) = I M A X + I M I N 2 · δ
I F ( R M S ) = I M A X 2 + I M I N 2 + I M A X · I M I N 3 · δ
where FDIODE is the losses in the diode; VF is the driving voltage of the diode; IF(AVG) is the current flowing through the diode; IF(RMS) is the RMS current of the waveform flowing through the diode; δ is the duty cycle of the diode; RD(ON) is the on resistance of the diode; IMAX is the maximum value of current (in forward bias) that flows through the diode; and IMIN is the minimum value of current (forward bias) flowing through the diode.
The losses in the two stages of the converter (rectifier and inverter) are determined considering the nominal operating conditions of the topology. Equation (1) for the losses of the MOSFETs is made up of two parts, the conduction and switching losses. Conduction losses correspond to the product of the square of PON (3) and POFF (4). The switching losses correspond to the sum of PON (3) and POFF (4). The values of ID(ON), D, fSW, and VDD are determined in the dimensioning of the boost converter.
In this work, VDD is the voltage of the power supply connected to the input of the MOSFET H-bridge, and ID(ON) is the current demanded by the converter. D is the duty cycle to which the semiconductor devices are subjected. The values of RDS(ON), tON, and tOFF were obtained from the manufacturer’s data sheet.
To calculate PDIODE (11), it is required to determine (12) and (13). IMIN is the current value demanded by the load connected to the bridge, while IMAX is twice IMIN. VF and RD(ON) are considered the VF-IF characteristic curves of the diode at different temperatures. Therefore, the values of VF and RD(ON) are dependent on the temperature and the currents IMIN and IMAX. To obtain the final efficiency of the converter, it is essential to determine the output power (PDCout), which is determined with Equation (14).
P D C o u t = P D C i n ( n M · P M O S F E T ) ( n D · P D I O D E ) P M F T
where PDCin is the input power of the converter, nM is the number of MOSFETs used, nD is the number of diodes, and PMFT is the total losses of the medium-frequency transformer.

3. Simulation Results

The data used for the numerical simulation of the converter are reported in Table 4. The converter is devised for photovoltaic system applications; therefore, it can be interconnected to DC buses, DC microgrids, and/or DC loads. The interconnection interface steps the voltage input up from 42 V to 672 V, a ratio of 16. In all simulations, the converter is supplied by a DC source, and the load is 1680 Ω. Figure 8 shows the MATLAB-Simulink version R2022b scheme of the proposed converter. Figure 9 shows the block diagram of Figure 8.
The parameters of the MFT are reported in Table 5. In this work, a T equivalent model was used to determine the magnetization inductance and resistance (Lm, Rm), the primary and secondary winding dispersion inductances (Ld1, Ld2), and the resistance corresponding to the primary and secondary of the MFT windings (R1, R2). Lm and Rm were calculated with (15) and (16), respectively [23], and Ld1 and Ld2 were determined with (17) [24], whereas R1 and R2 were calculated with (18) and (19), respectively [21].
A nanocrystalline-core MFT has lower dispersion inductances in comparison to high-frequency ferrite-core transformers. Such low dispersion inductance is because nanocrystalline cores exhibit high permeability, ranging from 15,000 to 150,000, while ferrites have 4000, at most. It is a well-known fact that the greater the permeability, the lower the dispersion inductance. All this leads to lower dispersion flow, and as a consequence, a concentrated magnetic flow occurs at the transformer core, which allows minimum MTF losses. These characteristics mean that greater converter efficiency can be obtained by using nanocrystalline MFT cores instead of ferrite.
L m = μ r μ 0 N 1 2 A c l c
where µr is the relative permeability of the core material, µ0 is the vacuum permeability, and lc is the mean length of the core [23].
R m = V i n 2 P f e
L d = μ 0 N L 1 2 h ω m 1 [ M L T i s o m 1 d i s o + M L T p r i m 1 1 2 m 1 1 6 d i n s 1 + M L T s e c m 1 m 2 1 2 m 2 1 6 m 2 d i n s 2 + M L T p r i sin 2 1 α δ 4 α δ 2 m 1 2 1 + 4 d p r i 2 m 1 2 + 1 24 sin 2 1 α δ 2 M L T p r i α δ 2 4 1 α δ 2 m 1 2 + 1 8 d p r i 1 m 1 2 cos 2 1 α δ 24 sin 2 1 α δ 2 + M L T s e c m 1 m 2 sin 2 2 α δ 4 α δ 2 m 2 2 1 + 4 d s e c 2 m 2 2 + 1 24 sin 2 2 α δ 2 M L T s e c m 1 m 2 α δ 2 sin 4 2 α δ 2 m 2 2 + 1 24 sin 2 2 α δ 2 + M L T s e c m 1 m 2 8 d s e c 1 m 2 2 cos 2 2 α δ 24 sin 2 2 α δ 2 ]
where:
μ 0 = vacuum permeability
dins1 = insulation distance between the layers of the primary winding
dins2 = insulation distance between the layers of the secondary winding
m1 = number of layers in the primary winding
m2 = number of layers in the secondary winding
MLTiso = mean length of the isolation distance
MLTpri = mean length turns of primary portion
MLTsec = mean length turns of secondary portion
diso = isolation distance
NL1 = turns per layer
hw = winding height
dpri = thickness of the primary winding
dsec = thickness of the secondary winding
1 = penetration ratio of the primary winding, 1 = d p r i δ
2 = penetration ratio of the primary winding, 2 = d s e c δ
α = 1 + j δ where δ is the skin depth
R 1 = M L T 1 · N 1 · μ c m 1 · 10 6
R 2 = M L T 2 · N 2 · μ c m 2 · 10 6
MLT1 and MLT2 are the mean lengths of the primary and secondary windings, respectively. µΩ/cm1 and µΩ/cm2 are the resistance per centimeter of the primary and secondary winding conductors, respectively.
The simulation results are depicted in Figure 10a–d. In Figure 9, observe that the input and output MTF voltages are 40.92 V and 675.9 V, respectively; this results in a turns ratio of 16.5. Then, Figure 9 shows the input and output MFT currents, 6.76 A and 0.406 A, respectively. This yields an efficiency of 99.22%. Next, Figure 9 depicts both the input and output converter voltages, which are the result of a load of 1680 Ω, and input/output converter voltages of 42 V/672 V, respectively. Finally, Figure 9 presents the input and output converter currents, 6.73 A and 0.403 A, respectively. The converter efficiency is 95.81%. Various other simulations were performed at distinct frequencies (1 kHz, 5 kHz, 10 kHz, 20 kHz, and 50 kHz) focusing on determining the frequency at which the highest converter efficiency is obtained. This frequency is 20 kHz.
Figure 11 shows the efficiency of the boost converter obtained in the simulation with respect to different load levels. The maximum efficiency is 95.81%. The total converter losses are 4.19%, which is the sum of 0.78% from the MTF plus 3.41% from the MOSFET H. The simulation results confirm that the nanocrystalline-core MFT achieves high converter efficiency. Also notice that the MFT losses are low using square waves at 20 kHz. The MFT high step-up ratio, in addition to its galvanic isolation, makes this proposed converter a very attractive solution in PV system applications.

4. Experimental Results

To validate the design and simulation results, a lab prototype of the full-bridge DC-DC converter with a high-efficiency nanocrystalline-core MFT was implemented and tested. The specifications of this lab prototype are reported in Table 6. Observe that the prototype was tested at 275 W, with a DC input voltage of 42 V and a load of 1680 Ω. The lab prototype is designed to achieve a voltage conversion ratio of 1 to 16.
Figure 12 depicts a block diagram of the experimental setup. The converter is fed with a DC variable voltage source. The supplied signal to the MOSFET H-bridge is a square wave at 20 kHz generated with a DSP PICOLO S28335 (TexasInstrument, Dallas, TX, USA).
Figure 13 shows the lab prototype and the experimental setup. The 20 kHz nanocrystalline-core MFT was constructed according to the specifications listed in Table 7. At this frequency, the commutation losses of the MOSFET H-bridge increases, and converter efficiency drops.
However, if a MFT is designed at frequencies below 20 kHz, the efficiency is still about 95%. In this case, the power density is lower than required, and the size of the transformer can be increased to comply with the amount of power specified.
Figure 14 depicts both the voltage and the current MTF waveforms. Observe that the input voltage is 41.6 V, the output voltage is 697 V, the input current is 6.83 A, and the output current is 0.400 A. The final MFT efficiency is 98.12%, which is high compared to other nanocrystalline-core MFTs reported in the literature.
Figure 15a–c show the voltage and current inputs and outputs of the boost converter at 25%, 50%, and 75% load. Figure 16 shows the input and output voltages as well as the currents of the DC-DC converter at full load. Notice that the input voltage of the converter is 41.8 V, while its respective output voltage is 676 V. The input current of the converter is 6.9 A, and the output current is 0.408 A. The full-bridge DC-DC converter efficiency is 95.62% at a power of 275 W.
Figure 17 shows the efficiency of the boost converter obtained in the laboratory with respect to different load levels; the highest efficiency obtained is 95.6% at full load.
The experimental results obtained validate the high values of the transformer turns ratio, efficiency, and voltage step-up ratio (1:16) of the DC-DC converter design. These results are very encouraging for the use of the proposed converter as an interface to connect PV systems to DC microgrids, DC buses, and/or loads.

5. Discussion

A review of research papers was thoughtfully carried out to compare our proposal to other similar works also featuring DC-DC converters with a voltage conversion ratio >8 and high efficiency. Considering this, Table 8 presents the characteristics of five different proposed converters.
Referring to Table 8, ref. [4] presents a high voltage gain converter (8.4) with an input voltage of 45 V and an output voltage of 380 V. This design is based on boost and buck–boost converters. However, this proposed converter was validated with a lab prototype specified at 100 W and does not provide galvanic isolation because no transformer is included. The reported converter efficiency is 94.8%. In comparison, the voltage conversion ratio in our proposed converter is 90.5% greater than that reported in [4], and our converter is slightly more efficient (0.8%).
In [5], a voltage conversion ratio very close to [4] is reported but with the advantage of providing internal galvanic isolation. The results were validated using a lab prototype specified at 300 W. The primary and secondary testing voltages are 40 V and 400 V, respectively. The reported efficiency is 94.5%, just 1.1% lower than that achieved in our work. However, the voltage conversion ratio of the converter is 60% lower than that obtained in our work.
In [7], a DC-DC converter design exhibiting a voltage conversion ratio of 1 to 11.5 is presented. The converter input/output voltage is 34 V/380 V. The reported efficiency is 93% and was validated with a 200 W lab prototype. The voltage conversion ratio achieved in our proposed converter is 39.13% greater, and the efficiency is slightly greater (2.6%). In summary, in [4,5,7], the reported efficiencies are closer to 95%, but the corresponding voltage conversion ratios reported are generally about 35% lower than in our work.
Moreover, refs. [6,9] presents proposed DC-DC converters for which voltage conversion ratios greater than 15 have been reported. Specifically, in [6], a voltage booster with a voltage gain of 15.8 is described. This converter was validated using a 225 kW lab prototype. The input/output voltages are 24 V/380 V with an efficiency of 91.6%. The voltage conversion ratio achieved is 0.2, lower than the ratio reported in our investigation. Also, the reported efficiency is 4% lower. In other work, ref. [9] presents a galvanic isolated DC-DC converter with a high voltage conversion ratio of 1 to 23. However, the efficiency of 92% achieved is low. In that work, compared to our proposed converter, a slightly higher voltage ratio was obtained but with 3.6% lower efficiency.
In summary, the full-bridge DC-DC converter featuring an MFT with a nanocrystalline core proposed in this paper contributes to increasing the efficiency of photovoltaic systems interconnected to DC microgrids, DC buses, and/or DC loads.

6. Conclusions

An isolated full-bridge DC-DC converter with a nanocrystalline-core MFT exhibiting a high voltage conversion ratio and high efficiency that is well suited for photovoltaic system applications is presented in this paper. The structure of the converter designed was obtained by modifying the basic full-bridge converter. The modifications represent (i) an introduction to a transformer with new design techniques, (ii) the combination of these new transformer designs with nanocrystalline materials, and (iii) the integration of these new transformer structures with the MOSFET H-bridge and rectifier diode bridge. The adaptation of these structures strengthens the development of new generations of full-bridge DC-DC converters producing a voltage gain of 16 and total converter losses of 4.4%.
The experimental results obtained from the lab prototype show that the converter handles a power of 275 W with an efficiency of 95.6% and provides a voltage gain of 16. The outstanding characteristics of the proposed converter make it a promising candidate for interconnecting a PV system to a DC microgrid or AC microgrid. In addition, bearing in mind that combined cycle CO2 emissions emit 400 g/kWh and photovoltaic energy emissions of 32 g/kWh, when increasing the efficiency of this type of converter by 4%, the CO2 emissions per kWh tend to increase by the same percentage, contributing to the minimum production objective of CO2 emissions for 2050.

Author Contributions

Conceptualization, T.S.-V. and D.R.-R.; methodology, J.O.-M. and Q.H; software, J.A.F. and E.M.-G.; validation, Q.H.-E., E.M.-G. and D.R.-R.; formal analysis, T.S.-V., J.A.F. and J.O.-M.; investigation, J.O.-M., D.R.-R. and Q.H.-E.; resources, T.S.-V. and J.A.F.; data curation, E.M.-G. and Q.H.-E.; writing—original draft preparation, T.S.-V., J.O.-M. and D.R.-R.; writing—review and editing, E.M.-G.; visualization, T.S.-V. and J.A.F.; supervision, D.R.-R., J.A.F. and Q.H.-E.; project administration, J.O.-M. and E.M.-G. All authors have read and agreed to the published version of the manuscript.

Funding

This research was funded by Universidad Nacional Autónoma de México through the project “Desarrollo e implementación de una interfaz electrónica de alta eficiencia aplicada a la interconexión de energías renovables en industrias, empresas y la red eléctrica nacional en impulso a la transición energética”, grant number IA 104923.

Institutional Review Board Statement

Not applicable.

Informed Consent Statement

Not applicable.

Data Availability Statement

The original contributions presented in the study are included in the article; further inquiries can be directed to the corresponding authors.

Acknowledgments

This work was supported by UNAM-PAPIIT IA104923 project entitled “Desarrollo e implementación de una interfaz electrónica de alta eficiencia aplicada a la interconexión de energías renovables en industrias, empresas y la red eléctrica nacional en impulso a la transición energética” as well as the PAPIME PE102424 project entitled “Diseño, desarrollo, implementación y pruebas de equipo eléctrico para la enseñanza del comportamiento de la interconexión de las energías renovables en el Sistema eléctrico (corriente alterna) y generación de prototipos para diffusion de la LIER”. The authors would like to thank Rosa Trillo and Carlos Gutierrez of Solarever Tecnología de América S.A. of C.V. for their substantial contributions to this project.

Conflicts of Interest

The authors declare no conflicts of interest.

References

  1. Obeidat, F. A comprehensive review of future photovoltaic systems. Sol. Energy 2018, 163, 545–551. [Google Scholar] [CrossRef]
  2. Singh, R.; Banerjee, R. Estimation of rooftop solar photovoltaic potential of a city. Sol. Energy 2015, 115, 589–602. [Google Scholar] [CrossRef]
  3. Fathabadi, H. Novel standalone hybrid solar/wind/fuel cell power generation system for remote areas. Sol. Energy 2017, 146, 30–43. [Google Scholar] [CrossRef]
  4. Amir, A.; Che, H.S.; Amir, A.; El Khateb, A.; Abd Rahim, N. Transformerless high gain boost and buck-boost DC-DC converters based on extendable switched capacitor (SC) cell for stand-alone photovoltaic system. Sol. Energy 2018, 171, 212–222. [Google Scholar] [CrossRef]
  5. Lee, H.-S.; Kang, B.; Kim, W.-S.; Yoon, S.-J. Reduction of input voltage/current ripples of boost half-bridge DC-DC converter for photovoltaic micro-inverter. Sol. Energy 2019, 188, 1084–1101. [Google Scholar] [CrossRef]
  6. Revathi, B.S.; Mahalingam, P.; Gonzalez-Longatt, F. Interleaved high gain DC-DC converter for integrating solar PV source to DC bus. Sol. Energy 2019, 188, 924–934. [Google Scholar] [CrossRef]
  7. Tewari, N.; Sreedevi, V. A novel single switch dc-dc converter with high voltage gain capability for solar PV based power generation systems. Sol. Energy 2018, 171, 466–477. [Google Scholar] [CrossRef]
  8. Rajesh, R.; Mabel, M.C. A comprehensive review of photovoltaic systems. Renew. Sustain. Energy Rev. 2015, 51, 231–248. [Google Scholar] [CrossRef]
  9. Mirzaei, A.; Rezvanyvardom, M. High voltage gain soft switching full bridge interleaved Flyback DC-DC converter for PV applications. Sol. Energy 2020, 196, 217–227. [Google Scholar] [CrossRef]
  10. Zhao, B.; Song, Q.; Liu, W.; Sun, Y. Overview of Dual-Active-Bridge Isolated Bidirectional DC–DC Converter for High-Frequency-Link Power-Conversion System. IEEE Trans. Power Electron. 2014, 29, 4091–4106. [Google Scholar] [CrossRef]
  11. Wang, Y.-C.; Ni, F.-M.; Lee, T.-L. Hybrid Modulation of Bidirectional Three-Phase Dual-Active-Bridge DC Converters for Electric Vehicles. Energies 2016, 9, 492. [Google Scholar] [CrossRef]
  12. She, X.; Yu, X.; Wang, F.; Huang, A.Q. Design and Demonstration of a 3.6-kV–120-V/10-kVA Solid-State Transformer for Smart Grid Application. IEEE Trans. Power Electron. 2014, 29, 3982–3996. [Google Scholar] [CrossRef]
  13. She, X.A.; Huang, Q.; Burgos, R. Review of Solid-State Transformer Technologies and Their Application in Power Distribution Systems. IEEE J. Emerg. Sel. Top. Power Electron. 2013, 1, 186–198. [Google Scholar] [CrossRef]
  14. Bahmani, M.A.; Thiringer, T.; Kharezy, M. Design Methodology and Optimization of a Medium-Frequency Transformer for High-Power DC–DC Applications. IEEE Trans. Ind. Appl. 2016, 52, 4225–4233. [Google Scholar] [CrossRef]
  15. Balci, S.; Sefa, I.; Altin, N. Design and analysis of a 35 kVA medium frequency power transformer with the nanocrystalline core material. Int. J. Hydrogen Energy 2017, 42, 17895–17909. [Google Scholar] [CrossRef]
  16. Balci, S.; Sefa, I.; Altin, N. An Investigation of Ferrite and Nanocrystalline Core Materials for Medium-Frequency Power Transformers. J. Electron. Mater. 2016, 45, 3811–3821. [Google Scholar] [CrossRef]
  17. Garcia-Bediaga, A.; Villar, I.; Rujas, A.; Mir, L.; Rufer, A. Multiobjective Optimization of Medium-Frequency Transformers for Isolated Soft-Switching Converters Using a Genetic Algorithm. IEEE Trans. Power Electron. 2017, 32, 2995–3006. [Google Scholar] [CrossRef]
  18. Huang, P.; Mao, C.; Wang, D.; Wang, L.; Duan, Y.; Qiu, J.; Xu, G.; Cai, H. Optimal Design and Implementation of High-Voltage High-Power Silicon Steel Core Medium-Frequency Transformer. IEEE Trans. Ind. Electron. 2017, 64, 4391–4401. [Google Scholar] [CrossRef]
  19. Krishnamoorthy, H.; Daniel, M.; Ramos-Ruiz, J.; Enjeti, P.; Liu, L.; Aeloiza, E. Isolated AC–DC Converter Using Medium Frequency Transformer for Off-Shore Wind Turbine DC Collection Grid. IEEE Trans. Ind. Electron. 2017, 64, 8939–8947. [Google Scholar] [CrossRef]
  20. Ruiz-Robles, D.; Ortíz-Marín, J.; Venegas-Rebollar, V.; Moreno-Goytia, E.L.; Granados-Lieberman, D.; Rodríguez-Rodriguez, J.R. Nanocrystalline and silicon steel medium-frequency transformers applied to DC-DC converters: Analysis and experimental comparison. Energies 2019, 12, 2062. [Google Scholar] [CrossRef]
  21. Ruiz-Robles, D.; Venegas-Rebollar, V.; Anaya-Ruiz, A.; Moreno-Goytia, E.L.; Rodríguez-Rodríguez, J.R. Design and Prototyping Medium-Frequency Transformers Featuring a Nanocrystalline Core for DC–DC Converters. Energies 2018, 11, 2081. [Google Scholar] [CrossRef]
  22. McLyman, C.W.T. Transformer and Inductor Design Handbook, 3rd ed.; Rev. Expanded. en Electrical and Computer Engineering, no. 121; Marcel Dekker: New York, NY, USA, 2004. [Google Scholar]
  23. Hurley, W.G.; Wölfle, W.H. Transformers and Inductors for Power Electronics: Theory, Design and Applications, 1st ed.; Wiley: Hoboken, NJ, USA, 2013. [Google Scholar] [CrossRef]
  24. Bahmani, M.A.; Thiringer, T. Accurate Evaluation of Leakage Inductance in High-Frequency Transformers Using an Improved Frequency-Dependent Expression. IEEE Trans. Power Electron. 2014, 30, 5738–5745. [Google Scholar] [CrossRef]
Figure 1. DC-DC converter (boost) in DC microgrids with renewable energies.
Figure 1. DC-DC converter (boost) in DC microgrids with renewable energies.
Technologies 12 00246 g001
Figure 2. Interconnection of photovoltaic panels with DC and AC microgrids.
Figure 2. Interconnection of photovoltaic panels with DC and AC microgrids.
Technologies 12 00246 g002
Figure 3. Voltages and currents fed to the DC-DC converter.
Figure 3. Voltages and currents fed to the DC-DC converter.
Technologies 12 00246 g003
Figure 4. Structure of the full-bridge DC-DC converter featuring an MFT with a nanocrystalline core.
Figure 4. Structure of the full-bridge DC-DC converter featuring an MFT with a nanocrystalline core.
Technologies 12 00246 g004
Figure 5. MOSFET H-bridge. (a) Operation 1: S1/S4 on, S2/S3 off, (b) operation 2: S1/S4 off, S2/S3 on.
Figure 5. MOSFET H-bridge. (a) Operation 1: S1/S4 on, S2/S3 off, (b) operation 2: S1/S4 off, S2/S3 on.
Technologies 12 00246 g005
Figure 6. Modulation signals.
Figure 6. Modulation signals.
Technologies 12 00246 g006
Figure 7. Silicon carbide Schottky diodes.
Figure 7. Silicon carbide Schottky diodes.
Technologies 12 00246 g007
Figure 8. Scheme of the converter used for computer simulations, (a) circuit, (b) Simulink-MATLAB.
Figure 8. Scheme of the converter used for computer simulations, (a) circuit, (b) Simulink-MATLAB.
Technologies 12 00246 g008
Figure 9. Block diagram of the schematic of the 1:16 converter used for computer simulations (MATLAB-Simulink).
Figure 9. Block diagram of the schematic of the 1:16 converter used for computer simulations (MATLAB-Simulink).
Technologies 12 00246 g009
Figure 10. Simulated voltages and currents: (a) MFT voltages, input voltage (Vin), and output voltage (Vo); (b) MFT currents, input current (Iin), and output current (Io); (c) Converter voltages, input voltage (VDC1), and output voltage (VDC2); (d) Converter currents, input current (IDC1), and output current (IDC2).
Figure 10. Simulated voltages and currents: (a) MFT voltages, input voltage (Vin), and output voltage (Vo); (b) MFT currents, input current (Iin), and output current (Io); (c) Converter voltages, input voltage (VDC1), and output voltage (VDC2); (d) Converter currents, input current (IDC1), and output current (IDC2).
Technologies 12 00246 g010
Figure 11. Converter efficiency in simulation.
Figure 11. Converter efficiency in simulation.
Technologies 12 00246 g011
Figure 12. Block diagram for the experimental setup.
Figure 12. Block diagram for the experimental setup.
Technologies 12 00246 g012
Figure 13. Lab prototype for the DC-DC converter. (a) DC voltage source (0 to 120 V), (b) MOSFET H-bridge, (c) MFT featuring a nanocrystalline core, (d) diode H-bridge, (e) DSP, (f) DC source (12 V), (g) load, and (h) oscilloscope.
Figure 13. Lab prototype for the DC-DC converter. (a) DC voltage source (0 to 120 V), (b) MOSFET H-bridge, (c) MFT featuring a nanocrystalline core, (d) diode H-bridge, (e) DSP, (f) DC source (12 V), (g) load, and (h) oscilloscope.
Technologies 12 00246 g013
Figure 14. Voltages and currents of the lab MFT prototype; input voltage (CH1), output voltage (CH2), input current (CH3), and output current (CH4).
Figure 14. Voltages and currents of the lab MFT prototype; input voltage (CH1), output voltage (CH2), input current (CH3), and output current (CH4).
Technologies 12 00246 g014
Figure 15. Voltages and currents of the proposed DC-DC converter: (a) 25% load, (b) 50% load, (c) 75% load; input voltage (CH1), output voltage (CH2), input current (CH3), and output current (CH4).
Figure 15. Voltages and currents of the proposed DC-DC converter: (a) 25% load, (b) 50% load, (c) 75% load; input voltage (CH1), output voltage (CH2), input current (CH3), and output current (CH4).
Technologies 12 00246 g015
Figure 16. Voltages and currents of the proposed DC-DC converter at full load; input voltage (CH1), output voltage (CH2), input current (CH3), and output current (CH4).
Figure 16. Voltages and currents of the proposed DC-DC converter at full load; input voltage (CH1), output voltage (CH2), input current (CH3), and output current (CH4).
Technologies 12 00246 g016
Figure 17. Efficiency of the converter in the laboratory.
Figure 17. Efficiency of the converter in the laboratory.
Technologies 12 00246 g017
Table 1. Comparison of core materials used in MFT design.
Table 1. Comparison of core materials used in MFT design.
ParametersSilicon SteelNanocrystallineFerrite
TypeGrain-orientedVITROPERM 500FN87
CoreLaminate 0.19 mmLaminate 0.02 mmBlock
Permeability100015,000/150,0002000
Frequency range600 Hz–2 kHz1 kHz–10 kHzAbove 10 kHz
Maximum density flow1.5-2.0 T1.2 T0.4 T
CostLowHighLow
Table 2. Initial MFT design parameters.
Table 2. Initial MFT design parameters.
ParametersValue
Output power, Po275 W
Conversion ratio1:16.5
Input voltage, Vin41 V
Output voltage, Vo676.5 V
Output current, io0.406 A
Frequency, f20 kHz
Number of phases1-phase
Core materialNanocrystalline
Core typeToroidal
Table 3. MFT design results.
Table 3. MFT design results.
ParametersValue
Core materialNanocrystalline (VITROPERM 500F, W423)
Core typeToroidal
Core dimensions30 × 20 × 10 mm
Number of primary winding turns (N1)18
Number of secondary winding turns (N2)303
Primary winding caliber14 AWG
Secondary winding caliber26 AWG
Dispersion inductance (Ld)0.79 µH
Flow density (Bac)0.5 T
Temperature increase48.5 °C
Core losses (Pfe)0.39 W
Core winding (Pw)0.71 W
Efficiency99.6%
Table 4. Data for simulation of cases of study.
Table 4. Data for simulation of cases of study.
ParametersValue
VDC142 V
VDC2672 V
iDC20.409 A
PoDC275 W
VDC120 kHz
Table 5. MFT simulation parameters.
Table 5. MFT simulation parameters.
VariableValue
Po275 W
f20 kHz
R10.0084 Ω
R22.29 Ω
Ld10.79 µH
Ld290 µH
Rm4299 Ω
Lm24.2 mH
Table 6. Parameters of the lab prototype.
Table 6. Parameters of the lab prototype.
ParameterValue
Conversion ratio1:16
VDC142 V
VDC2672 V
PoDC275 W
Load 1680 Ω
Table 7. Design specifications for the MFT featuring a nanocrystalline core.
Table 7. Design specifications for the MFT featuring a nanocrystalline core.
VariableValue
CoreT60006-L2030-W423
Core manufactureVacuumschmelze
Core dimensions30 × 20 × 10 mm
Winding typeCopper wire (round)
N118 turns
N2303 turns
Primary winding caliber14 AWG
Table 8. Comparison between the proposed converter and others that also exhibit high voltage gain.
Table 8. Comparison between the proposed converter and others that also exhibit high voltage gain.
Parameter[4][5][7][6][9]Proposed Converter
Voltage gain8.41011.515.82316
Efficiency94.8%94.5%93%91.6%92%95.6%
Galvanic insulationNoYesNoNoYesYes
Prototype power100 W300 W200 W225 W110 W275 W
Switching frequency100 kHz46 kHz50 kHz50 kHz100 kHz20 kHz
Raised voltageYesYesYesYesNoYes
Disclaimer/Publisher’s Note: The statements, opinions and data contained in all publications are solely those of the individual author(s) and contributor(s) and not of MDPI and/or the editor(s). MDPI and/or the editor(s) disclaim responsibility for any injury to people or property resulting from any ideas, methods, instructions or products referred to in the content.

Share and Cite

MDPI and ACS Style

Sandoval-Valencia, T.; Ruiz-Robles, D.; Ortíz-Marín, J.; Franco, J.A.; Hernandez-Escobedo, Q.; Moreno-Goytia, E. Isolated High-Gain DC-DC Converter with Nanocrystalline-Core Transformer: Achieving 1:16 Voltage Boost for Renewable Energy Applications. Technologies 2024, 12, 246. https://doi.org/10.3390/technologies12120246

AMA Style

Sandoval-Valencia T, Ruiz-Robles D, Ortíz-Marín J, Franco JA, Hernandez-Escobedo Q, Moreno-Goytia E. Isolated High-Gain DC-DC Converter with Nanocrystalline-Core Transformer: Achieving 1:16 Voltage Boost for Renewable Energy Applications. Technologies. 2024; 12(12):246. https://doi.org/10.3390/technologies12120246

Chicago/Turabian Style

Sandoval-Valencia, Tania, Dante Ruiz-Robles, Jorge Ortíz-Marín, Jesus Alejandro Franco, Quetzalcoatl Hernandez-Escobedo, and Edgar Moreno-Goytia. 2024. "Isolated High-Gain DC-DC Converter with Nanocrystalline-Core Transformer: Achieving 1:16 Voltage Boost for Renewable Energy Applications" Technologies 12, no. 12: 246. https://doi.org/10.3390/technologies12120246

APA Style

Sandoval-Valencia, T., Ruiz-Robles, D., Ortíz-Marín, J., Franco, J. A., Hernandez-Escobedo, Q., & Moreno-Goytia, E. (2024). Isolated High-Gain DC-DC Converter with Nanocrystalline-Core Transformer: Achieving 1:16 Voltage Boost for Renewable Energy Applications. Technologies, 12(12), 246. https://doi.org/10.3390/technologies12120246

Note that from the first issue of 2016, this journal uses article numbers instead of page numbers. See further details here.

Article Metrics

Back to TopTop