From a Battery-Based to a PEM Fuel Cell-Based Propulsion Architecture on a Lightweight Full Electric Aircraft: A Comparative Numerical Study
Abstract
1. Introduction
2. State-of-the-Art
3. Description of the Propulsion System
4. Numerical Model
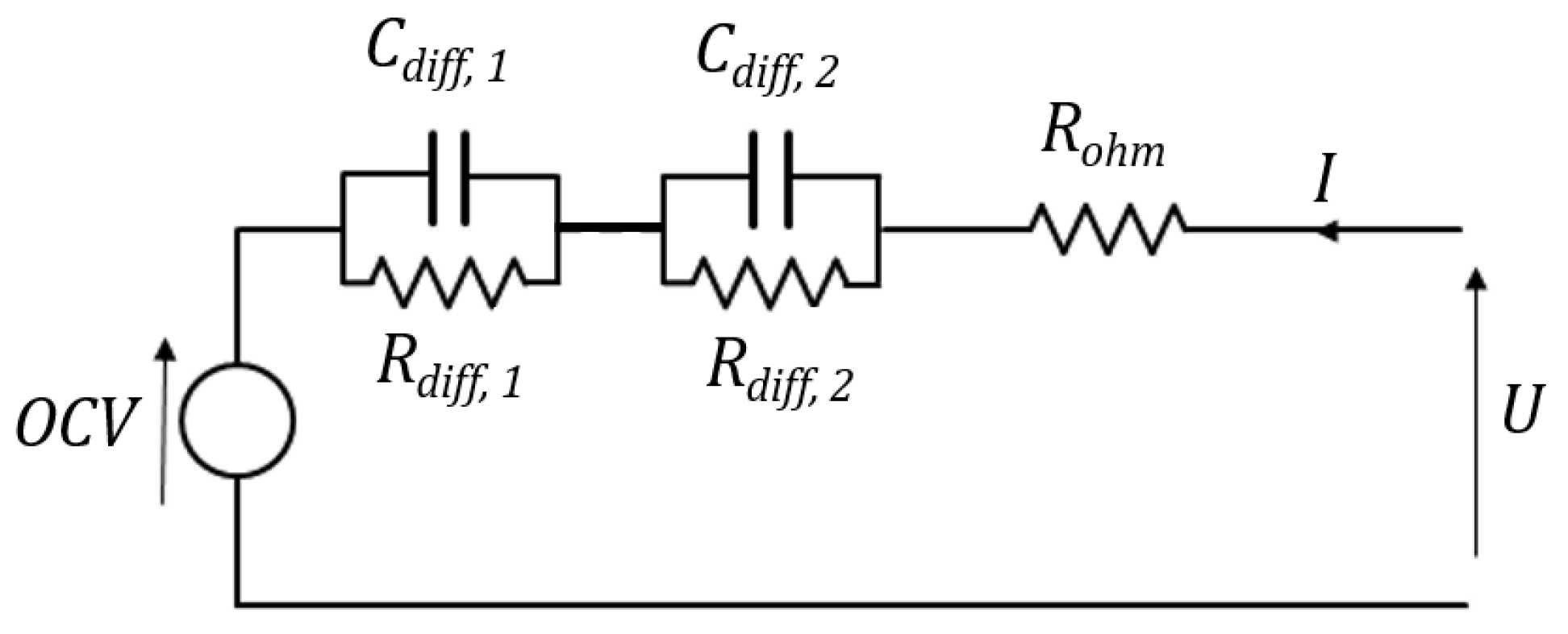
4.1. Battery Source
4.2. Fuel Cell Source
- two electrodes, identified by catalyst layers where the two half-reactions occur;
- a membrane, where the water transport can occur;
- two GDLs, identified by porous media used to deliver the reactant species to the electrode;
- two bipolar plates, to simulate the inlet and outlet conditions at both anode and cathode sides.
4.3. Electrical BLDC Motor
- high power density;
- high specific torque values;
- rotation speeds compatible with the propeller chosen to avoid heavy gearbox;
- diameters of the external case compatible with the nose of the aircraft;
- the possibility of working in overload for few minutes;
- high reliability.
4.4. Propeller, Aerodynamics and Mission Profile
5. Results and Discussion
6. Integration of an Ultracapacitor Module
Ultracapacitor Source Numerical Modelling
7. Conclusions
Author Contributions
Funding
Institutional Review Board Statement
Informed Consent Statement
Data Availability Statement
Acknowledgments
Conflicts of Interest
Abbreviations
| AC | Alternate Current |
| BLDC or BLDCM | Brushless DC |
| BoP | Balance of Plant |
| CPU | Central Processing Unit |
| DC | Direct Current |
| EDLC | Electrochemical double-layer capacitor |
| GLDs | Gas Diffusion Layers |
| HV | High Voltage |
| LV | Low Voltage |
| MEA | More Electric Aircraft |
| MMF | Magnetomotive Force |
| MTOW | Max Take-Off Weight |
| MV | Medium Voltage |
| NCA-C | Nickel-Cobalt-Aluminum Grafite |
| OCV | Open Circuit Voltage |
| PEM | Proton Exchange Membrane |
| PMSM | Permanent Magnet Synchronous Motor |
| RAM | Random Access Memory |
| RC | Resistor-Capacitor |
| SoC | State of Charge |
| UAV | Unmanned Aerial Vehicle |
| UCAP | Ultracapacitor |
References
- FlightGlobal. Available online: https://www.flightglobal.com/engines/wideroe-and-rolls-royce-pursue-all-electric-aircraft-based-on-tecnam-design/142845.article (accessed on 16 May 2022).
- Geekwire. Available online: https://www.geekwire.com/2022/eviation-makes-a-deal-to-sell-cape-air-2675-electric-airplanes-first-flight-test-now-set-for-summer/ (accessed on 16 May 2022).
- Trainelli, L.; Salucci, F.; Comincini, D.; Riboldi, C.E.D.; Rolando, A. Sizing and performance of hydrogen-driven airplanes. In Proceedings of the Italian Association of Aeronautics and Astronautics (AIDAA), Rome, Italy, 9–12 September 2019. [Google Scholar]
- International Energy Agency. Available online: https://www.iea.org/reports/aviation (accessed on 20 December 2021).
- European Commission, Directorate-General for Mobility and Transport, Directorate-General for Research and Innovation, Flightpath 2050 : Europe’s Vision for Aviation: Maintaining Global Leadership and Serving Society’s Needs; Publications Office: Luxembourg, 2012.
- Zaporozhets, O.; Isaienko, V.; Synylo, K. PARE preliminary analysis of ACARE FlightPath 2050 environmental impact goals. Ceas Aeronaut. J. 2021, 12, 653–667. [Google Scholar] [CrossRef] [PubMed]
- Lapeña-Rey, N.; Mosquera, J.; Bataller, E.; Ortí, F. The Boeing Fuel Cell Demonstrator Airplane; SAE Technical Paper Series; SAE International: Warrendale, PA, USA, 2007. [Google Scholar]
- Renouard-Vallet, G.; Kallo, J.; Saballus, M.; Gores, F.; Schmithals, G.; Friedrich, K. Fuel Cell Systems for a Greener Aviation. In Proceedings of the 3rd International Symposium on Energy Engineering, Economics and Policy: EEEP 2011, Orlando, FL, USA, 9–14 July 2011. [Google Scholar]
- Romeo, G.; Borello, F.; Correa, G.; Cestino, E. When Fuel Cells Fly. Fuel cell systems for a greener aviation. In Aerospace Engineering; SAE International: Warrendale, PA, USA, 2012; pp. 26–29. [Google Scholar]
- Romeo, G.; Cestino, E.; Borello, F. More/All Electric Aircraft Based on Fuel Cell Energy System: The ENFICA-FC Experience. In Proceedings of the 28th International Conference of the Aeronautical Sciences (ICAS 2012), Brisbane, Australia, 23–28 September 2012. [Google Scholar]
- Romeo, G.; Borello, F.; Cestino, E. Design of inter-city transport aircraft powered by fuel cell & flight test of zero emission 2-seater aircraft powered by fuel cells. In Proceedings of the 2012 Electrical Systems for Aircraft, Railway and Ship Propulsion, Bologna, Italy, 16–18 October 2012. [Google Scholar]
- Müller, C.; Kieckhäfer, K.; Spengler, T. The influence of emission thresholds and retrofit options on airline fleet planning: An optimization approach. Energy Policy 2018, 112, 242–257. [Google Scholar] [CrossRef]
- Di Lorenzo, G.; Frosina, E.; De Petrillo, L.; Lauria, D.; Senatore, A.; Curreri, F.; Saccone, G.; Kivel Mazuy, M.; Pascarella, C. Design and Development of Hybrid-Electric Propulsion Model for Aeronautics. MATEC Web Conf. 2019, 304, 03012. [Google Scholar] [CrossRef][Green Version]
- Frosina, E.; Caputo, C.; Marinaro, G.; Senatore, A.; Pascarella, C.; Di Lorenzo, G. Modelling of a Hybrid-Electric Light Aircraft. Energy Procedia 2017, 126, 1155–1162. [Google Scholar] [CrossRef]
- Frosina, E.; Senatore, A.; Palumbo, L.; Di Lorenzo, G.; Pascarella, C. Development of a Lumped Parameter Model for an Aeronautic Hybrid Electric Propulsion System. Aerospace 2018, 5, 105. [Google Scholar] [CrossRef]
- Jarry, T.; Lacressonnière, F.; Jaafar, A.; Turpin, C.; Scohy, M. Modeling and Sizing of a Fuel Cell—Lithium-Ion Battery Direct Hybridization System for Aeronautical Application. Energies 2021, 14, 7655. [Google Scholar] [CrossRef]
- Radmanesh, H.; Heidari Yazdi, S.; Gharehpetian, G.; Fathi, S. Modelling and Simulation of Fuel Cell Dynamics for Electrical Energy Usage of Hercules Airplanes. Sci. World J. 2014, 2014, 593121. [Google Scholar] [CrossRef] [PubMed]
- Miazga, T.; Iwański, G.; Nikoniuk, M. Energy Conversion System and Control of Fuel-Cell and Battery-Based Hybrid Drive for Light Aircraft. Energies 2021, 14, 1073. [Google Scholar] [CrossRef]
- Nya, B.; Brombach, J.; Schulz, D. Benefits of higher voltage levels in aircraft electrical power systems. In Proceedings of the 2012 Electrical Systems for Aircraft, Railway and Ship Propulsion, Bologna, Italy, 16–18 October 2012. [Google Scholar]
- MIL STD 704E; Department of Defense Interface Standard: Aircraft Electric Power Characteristics. U.S. Department of Defense: Washington, DC, USA, 2004.
- Gong, A.; Verstraete, D. Fuel cell propulsion in small fixed-wing unmanned aerial vehicles: Current status and research needs. Int. J. Hydrogen Energy 2017, 42, 21311–21333. [Google Scholar] [CrossRef]
- Zuttel, A. Materials for hydrogen storage. Mater. Today 2003, 6, 24–33. [Google Scholar] [CrossRef]
- Tzimas, E.; Filiou, C.; Peteves, S.; Veyret, J. Hydrogen Storage: State-of-the-Art and Future Perspective; EUR 20995 EN. cat. No. LD-NA-20995-EN-C; 2003. JRC26493; European Commission: Brussels, Belgium, 2003. [Google Scholar]
- Siemens PLM Software. Simcenter Amesim Help; User’s Guide; Siemens PLM Software: Plano, TX, USA, 2021. [Google Scholar]
- Siemens PLM Software. Simcenter Amesim: Electric Storage Library; User’s Guide; Siemens PLM Software: Plano, TX, USA, 2021. [Google Scholar]
- Siemens PLM Software. Simcenter Amesim: Fuel Cell Library; User’s Guide; Siemens PLM Software: Plano, TX, USA, 2021. [Google Scholar]
- Larminie, J.; Dicks, A. Fuel Cell Systems Explained, 2nd ed.; Wiley: New York, NY, USA, 2013. [Google Scholar]
- Momen, F.; Rahman, K.; Son, Y. Electrical Propulsion System Design of Chevrolet Bolt Battery Electric Vehicle. IEEE Trans. Ind. Appl. 2019, 55, 376–384. [Google Scholar] [CrossRef]
- Mersha, T.; Du, C. Co-Simulation and Modeling of PMSM Based on Ansys Software and Simulink for EVs. World Electr. Veh. J. 2021, 13, 4. [Google Scholar] [CrossRef]
- Emrax. Available online: https://emrax.com/e-motors/emrax-268/ (accessed on 19 November 2021).
- Mccormick, B.; Aljabri, A.; Jumper, S.; Martinovic, Z. The Analysis of Propellers Including Interaction Effects; SAE Technical Paper Series; SAE International: Warrendale, PA, USA, 1979. [Google Scholar]
- Rafik, F.; Gualous, H.; Gallay, R.; Crausaz, A.; Berthon, A. Frequency, thermal and voltage supercapacitor characterization and modeling. J. Power Sources 2007, 165, 928–934. [Google Scholar] [CrossRef]
- Prada, E.; Bernard, J.; Mingant, R.; Sauvant-Moynot, V. A physical approach to Electrochemical Storage System multi-scale modeling: Electrochemical Double Layer Capacitors (as case studies). In Proceedings of the 25th World Battery, Hybrid and Fuel Cell Electric Vehicle Symposium and Exhibition (EVS25), Shenzhen, China, 5–9 November 2010. [Google Scholar]
- Boukoberine, M.; Donateo, T.; Benbouzid, M. Optimized Energy Management Strategy for Hybrid Fuel Cell Powered Drones in Persistent Missions using Real Flight Test Data. IEEE Trans. Energy Convers. 2022. [Google Scholar] [CrossRef]
- Wikner, E.; Thiringer, T. Extending Battery Lifetime by Avoiding High SOC. Appl. Sci. 2018, 8, 1825. [Google Scholar] [CrossRef]
- Wu, Z.; Zhu, G.; Wang, Q.; Yang, S.; Wang, J.; Kang, J. Study on Adaptive Cycle Life Extension Method of Li-Ion Battery Based on Differential Thermal Voltammetry Parameter Decoupling. Energies 2021, 14, 6239. [Google Scholar] [CrossRef]

















| Architecture Component | Battery-Based | Fuel Cell-Based |
|---|---|---|
| Battery-pack | 88.8 kg 1 | 29.6 kg 1 |
| Fuel cell system | - | 30.0 kg |
| Fuel cell H2 supply system 2 | - | 10.0 kg |
| Fuel cell DC/DC converter | - | 20.0 kg |
| Total weight estimation | 88.8 kg | 89.6 kg |
| Parameter | Value |
|---|---|
| Max continunous mechanical power | 40 kW |
| Max continunous stator rms current | 190 A |
| Motor inductance | 126/118 H |
| Phase resistance at 25 °C | 12 mΩ |
| Motor efficiency | 0.92–0.98 |
| Max temperature | 120 °C |
| Specific load speed | 7 rev/min/1 Vdc |
| Motor weight | 20 kg |
| System Architecture | Mission Range (NM) | Range Extension (%) |
|---|---|---|
| Battery-based | 67.5 | - |
| Fuel cell-based | 108.7 | +61% |
| System Architecture | Energy Density of Prop. Architecture (MJ/kg) | Increment (%) |
|---|---|---|
| Battery-based | 0.45 | - |
| Fuel cell-based | 0.75 | +66.7% |
| Architecture Component | Fuel Cell-Based |
|---|---|
| Battery-pack | 29.6 kg |
| Fuel cell system | 30.0 kg |
| Fuel cell H2 supply system | 10.0 kg |
| Fuel cell DC/DC converter | 20.0 kg |
| Ultracapacitor pack | 5.0 kg |
| Ultracapacitor DC/DC converter | 17.0 kg |
| Total weight estimation | 111.6 kg |
Publisher’s Note: MDPI stays neutral with regard to jurisdictional claims in published maps and institutional affiliations. |
© 2022 by the authors. Licensee MDPI, Basel, Switzerland. This article is an open access article distributed under the terms and conditions of the Creative Commons Attribution (CC BY) license (https://creativecommons.org/licenses/by/4.0/).
Share and Cite
Marinaro, G.; Di Lorenzo, G.; Pagano, A. From a Battery-Based to a PEM Fuel Cell-Based Propulsion Architecture on a Lightweight Full Electric Aircraft: A Comparative Numerical Study. Aerospace 2022, 9, 408. https://doi.org/10.3390/aerospace9080408
Marinaro G, Di Lorenzo G, Pagano A. From a Battery-Based to a PEM Fuel Cell-Based Propulsion Architecture on a Lightweight Full Electric Aircraft: A Comparative Numerical Study. Aerospace. 2022; 9(8):408. https://doi.org/10.3390/aerospace9080408
Chicago/Turabian StyleMarinaro, Gianluca, Giuseppe Di Lorenzo, and Antonio Pagano. 2022. "From a Battery-Based to a PEM Fuel Cell-Based Propulsion Architecture on a Lightweight Full Electric Aircraft: A Comparative Numerical Study" Aerospace 9, no. 8: 408. https://doi.org/10.3390/aerospace9080408
APA StyleMarinaro, G., Di Lorenzo, G., & Pagano, A. (2022). From a Battery-Based to a PEM Fuel Cell-Based Propulsion Architecture on a Lightweight Full Electric Aircraft: A Comparative Numerical Study. Aerospace, 9(8), 408. https://doi.org/10.3390/aerospace9080408

