On the Potentials of the Integration of Pressure Gain Combustion with a Hybrid Electric Propulsion System
Abstract
1. Introduction
2. Methods
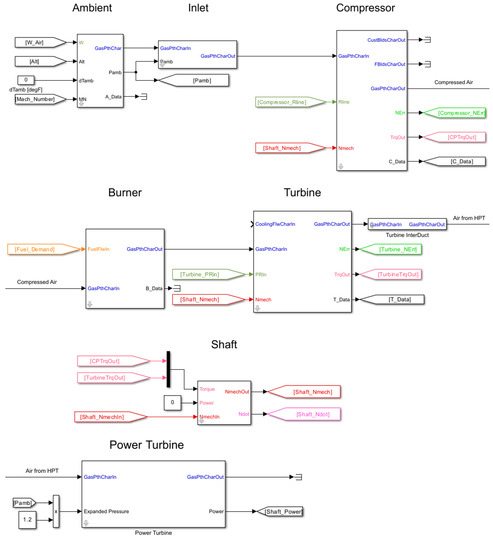
2.1. Methodology to Design Reference Turboprop Engine
2.2. Methodology to Model Pressure Gain from RDC
3. Results and Discussions
3.1. Performance Analysis of Engine Configurations with Applications of HEPS and RDC
3.1.1. Performance Analysis of Engine with Application of HEPS
3.1.2. Performance Analysis of Engine with Application of RDC
3.1.3. Performance Analysis of Engine with Integrated RDC and HEPS
3.2. Turbine Efficiency Degradation Analysis Due to RDC–Turbine Interaction
4. Conclusions
Author Contributions
Funding
Data Availability Statement
Conflicts of Interest
Nomenclature
| Abbreviations | |
| AFR | Air Fuel Ratio |
| CAS | Calibrated Airspeed |
| DoH | Degrees of Hybridization |
| EAP | Equivalent Available Pressure |
| HEPS | Hybrid Electrical Propulsion System |
| HPC | High-Pressure Compressor |
| HPT | High-Pressure Turbine |
| LHV | Lower Heating Value |
| PG | Pressure Gain |
| PGC | Pressure Gain Combustion |
| RDC | Rotating Detonation Combustor |
| SHP | Shaft Horsepower |
| TIT | Turbine Inlet Temperature |
| ZND | Zel’dovich, von Neumann, Döring |
| Symbols | |
| p | Pressure |
| P | Power |
| T | Temperature |
| Efficiency | |
| Subscripts | |
| 0 | Undisturbed flow far in front of the engine |
| 2 | Fan or compressor inlet |
| 3 | Compressor exit and combustion chamber inlet |
| 4 | Combustion chamber exit and turbine inlet |
| 4.5 | Level between high-pressure and low-pressure turbines |
| 5 | Turbine exit |
| eq | Equivalent property |
| s | Static property |
| t | Total property |
References
- Aviation Market Size, Share, Growth, Industry Forecast till 2030. Available online: https://www.decisionforesight.com/reports/aviation-market (accessed on 10 May 2023).
- Reducing Emissions from Aviation | European Climate Pact. Available online: https://climate.ec.europa.eu/eu-action/transport-emissions/reducing-emissions-aviation_en (accessed on 8 August 2023).
- Programme Overview and Structure | Clean Aviation. Available online: https://www.clean-aviation.eu (accessed on 10 May 2023).
- Schwer, D.; Kailasanath, K. Effect of inlet on fill region and performance of rotating detonation engines. In Proceedings of the 47th AIAA/ASME/SAE/ASEE Joint Propulsion Conference & Exhibit, San Diego, CA, USA, 31 July–3 August 2011; p. 6044. [Google Scholar]
- Xie, Q.; Wang, B.; Wen, H.; He, W. Thermoacoustic instabilities in an annular rotating detonation combustor under off-design condition. J. Propuls. Power 2019, 35, 141–151. [Google Scholar] [CrossRef]
- Epstein, A.H.; O’Flarity, S.M. Considerations for reducing aviation’s CO2 with aircraft electric propulsion. J. Propuls. Power 2019, 35, 572–582. [Google Scholar] [CrossRef]
- Adu-Gyamfi, B.; Good, C. Electric aviation: A review of concepts and enabling technologies. Transp. Eng. 2022, 9, 100134. [Google Scholar] [CrossRef]
- Coutinho, M.; Bento, D.; Souza, A.; Cruz, R.; Afonso, F.; Lau, F.; Suleman, A.; Barbosa, F.; Gandolfi, R.; Junior, W.A.; et al. A review on the recent developments in thermal management systems for hybrid-electric aircraft. Appl. Therm. Eng. 2023, 227, 120427. [Google Scholar] [CrossRef]
- Rendón, M.A.; Sánchez, C.D.; Gallo, J.; Anzai, A.H. Aircraft Hybrid-Electric Propulsion: Development Trends, Challenges and Opportunities. J. Control. Autom. Electr. Syst. 2021, 32, 1244–1268. [Google Scholar] [CrossRef]
- Gesell, H.; Wolters, F.; Plohr, M. System analysis of turbo-electric and hybrid-electric propulsion systems on a regional aircraft. Aeronaut. J. 2019, 123, 1268. [Google Scholar] [CrossRef]
- Eissele, J.; Lafer, S.; Mejía Burbano, C.; Schließus, J.; Wiedmann, T.; Mangold, J.; Strohmayer, A. Hydrogen-Powered Aviation—Design of a Hybrid-Electric Regional Aircraft for Entry into Service in 2040. Aerospace 2023, 10, 277. [Google Scholar] [CrossRef]
- National Academies of Sciences, Engineering, and Medicine. Commercial Aircraft Propulsion and Energy Systems Research: Reducing Global Carbon Emissions; National Academies Press: Washington, DC, USA, 2016. [Google Scholar]
- Zhou, R.; Wang, J.P. Numerical investigation of flow particle paths and thermodynamic performance of continuously rotating detonation engines. Combust. Flame 2012, 159, 3632–3645. [Google Scholar] [CrossRef]
- Stathopoulos, P. Comprehensive thermodynamic analysis of the Humphrey cycle for gas turbines with pressure gain combustion. Energies 2018, 11, 3521. [Google Scholar] [CrossRef]
- Sousa, J.; Paniagua, G.; Collado Morata, E. Thermodynamic analysis of a gas turbine engine with a rotating detonation combustor. Appl. Energy 2017, 195, 247–256. [Google Scholar] [CrossRef]
- Naples, A.; Hoke, J.; Battelle, R.; Schauer, F. T63 turbine response to rotating detonation combustor exhaust flow. J. Eng. Gas Turbines Power 2019, 141, 2. [Google Scholar] [CrossRef]
- Klopsch, R.; Garan, N.; Bach, E.; Bohon, M.D.; Asli, M.; Stathopoulos, P. 2D Euler Modeling of Rotating Detonation Combustion in Preparation for Turbomachinery Matching. In Proceedings of the AIAA SCITECH Forum, San Diego, CA, USA, 3–7 January 2022. [Google Scholar]
- Zhang, C.; Lin, Z.; Dong, T. Numerical study on the interaction characterization of rotating detonation wave and turbine rotor blades. Int. J. Hydrog. Energy 2023, 47, 6898–6910. [Google Scholar] [CrossRef]
- ATR: The Optimum Choice for a Friendly Environment; Report No. CO/EM 467/00; Avions de Transport Regional: Blagnac, France, 2001.
- Choi, W.; Jeong, I.M.; You, J.H.; Kim, J.H.; Lee, I.W. Performance Analysis of Turboprop Aircraft Propulsion System by using Gasturb. In Proceedings of the Korean Society of Propulsion Engineers Conference, Gyeongju, Republic of Korea, 19–20 November 2009; pp. 371–377. [Google Scholar]
- Kurzke, J.; Halliwell, I. Propulsion and Power: An Exploration of Gas Turbine Performance Modeling; Springer: Cham, Switzerland, 2018. [Google Scholar]
- Kaemming, T.A.; Paxson, D.E. Determining the pressure gain of pressure gain combustion. In Proceedings of the 2018 Joint Propulsion Conference, Cincinnati, OH, USA, 9–11 July 2018; p. 4567. [Google Scholar]
- Bach, E.; Paschereit, C.O.; Stathopoulos, P.; Bohon, M. Advancement of Empirical Model for Stagnation Pressure Gain in RDCs. In Proceedings of the AIAA Scitech 2022 Forum, San Diego, CA, USA, 3–7 January 2022; p. 0834. [Google Scholar]
- Iancu, F.; Müller, N. Efficiency of shock wave compression in a microchannel. Microfluid. Nanofluidics 2006, 2, 50–63. [Google Scholar] [CrossRef]
- Hayashi, A.K.; Kimura, Y.; Yamada, T.; Yamada, E.; Kindracki, J.; Dzieminska, E.; Wolanski, P.; Tsuboi, N.; Tangirala, V.; Fujiwara, T. Sensitivity analysis of rotating detonation engine with a detailed reaction model. In Proceedings of the 47th AIAA Aerospace Sciences Meeting Including the New Horizons Forum and Aerospace Exposition, Orlando, FL, USA, 5–8 January 2009; p. 633. [Google Scholar]
- Asli, M.; Stathopoulos, P.; Paschereit, C.O. Aerodynamic Investigation of Guide Vane Configurations Downstream a Rotating Detonation Combustor. J. Eng. Gas Turbines Power 2021, 143, 061011. [Google Scholar] [CrossRef]
- Paniagua, G.; Iorio, M.C.; Vinha, N.; Sousa, J. Design and analysis of pioneering high supersonic axial turbines. Int. J. Mech. Sci. 2014, 89, 65–77. [Google Scholar] [CrossRef]
















| Phase | Takeoff | Climb | Cruise |
|---|---|---|---|
| Duration (min) | 2.1 | 16.3 | 21.2 |
| Required Shaft Power (hp) | 2750 | 2192 | 2132 |
| CAS (knots) | - | 170 | - |
| Altitude (feet) | to 3000 | to 22,000 | 22,000 |
| Fuel Flow (kg/min) | 9.9 | 8.38 | 8.28 |
Disclaimer/Publisher’s Note: The statements, opinions and data contained in all publications are solely those of the individual author(s) and contributor(s) and not of MDPI and/or the editor(s). MDPI and/or the editor(s) disclaim responsibility for any injury to people or property resulting from any ideas, methods, instructions or products referred to in the content. |
© 2023 by the authors. Licensee MDPI, Basel, Switzerland. This article is an open access article distributed under the terms and conditions of the Creative Commons Attribution (CC BY) license (https://creativecommons.org/licenses/by/4.0/).
Share and Cite
Kim, D.; Asli, M.; Höschler, K. On the Potentials of the Integration of Pressure Gain Combustion with a Hybrid Electric Propulsion System. Aerospace 2023, 10, 710. https://doi.org/10.3390/aerospace10080710
Kim D, Asli M, Höschler K. On the Potentials of the Integration of Pressure Gain Combustion with a Hybrid Electric Propulsion System. Aerospace. 2023; 10(8):710. https://doi.org/10.3390/aerospace10080710
Chicago/Turabian StyleKim, Dongsuk, Majid Asli, and Klaus Höschler. 2023. "On the Potentials of the Integration of Pressure Gain Combustion with a Hybrid Electric Propulsion System" Aerospace 10, no. 8: 710. https://doi.org/10.3390/aerospace10080710
APA StyleKim, D., Asli, M., & Höschler, K. (2023). On the Potentials of the Integration of Pressure Gain Combustion with a Hybrid Electric Propulsion System. Aerospace, 10(8), 710. https://doi.org/10.3390/aerospace10080710

