Robust LQR Design Method for the Aero-Engine Integral Constant Pressure Drop Control Valve with High Precision
Abstract
1. Introduction
- Firstly, based on the modern servo model design theory, an integral design structure for the constant pressure drop control valve is proposed, and a servo controller with dual functions of integral control and stabilization control is constructed;
- Secondly, based on the decoupling design theory, the servo controller is decoupled. Where the stabilizing controller guarantees the asymptotic stability, as well as the disturbance rejection performance, and the integral controller realizes the command servo tracking without static error;
- Finally, a robust LQR design method is proposed to design the control gains of the system, and it completes the design task well. The method is proven to guarantee fine performance and stability, as well as strong robust performance.
2. Theoretical Design
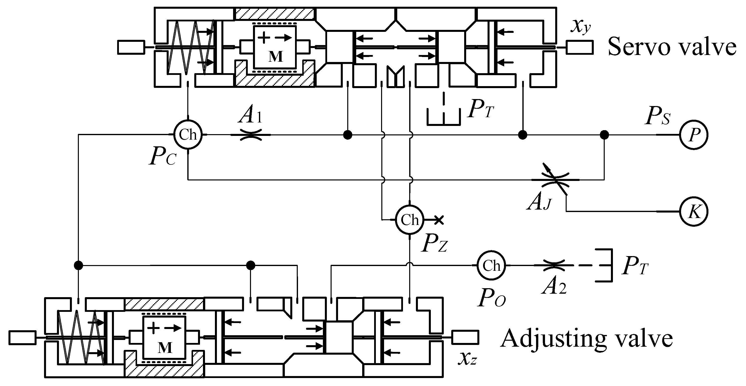
2.1. Working Principle
2.2. State–Space Model of the Controlled Plant
2.3. Structure Design of the Servo Controller
3. Decoupling Design of the Servo Controller
3.1. Integral Controller
3.1.1. Characteristics Analysis of the Servo Valve
3.1.2. Characteristics Analysis of the Adjusting Chamber
3.2. Stabilizing Controller
3.3. State–Space Model of the Servo Controller
4. Robust LQR Design Method
4.1. Output Feedback Control Gains Design
4.1.1. Integral Control Gain
4.1.2. Stabilization Control Gain
4.2. Design and Implementation Method of the Servo Controller
- Steady-state requirement: The steady-state pressure drop is designed as , and the phase margin should be more than N°;
- Dynamic requirement: The settling time should be within the , and the overshoot should be within the .
4.2.1. Control Gains Design
4.2.2. Orifice Geometry Relationship Design
4.2.3. Valve Initial Parameters Design
- (1)
- Adjusting valve
- (2)
- Servo valve
5. Design Example
- The inlet pressure is within [3, 9] the MPa;
- The metered flow area is within [10, 240] × 10−6 m2.
- Geometry design of the adjusting orifice ;
- Geometry design of the servo orifices and .
- The rated pressure drop is 0.92 MPa, and the variation range is within 0.01 MPa;
- The settling time is within 0.01 s, and the overshoot is within 10%;
- The phase margin should be more than 50°.
5.1. Dynamic Design
5.1.1. First Steady-State Working Point
5.1.2. Other Steady-State Working Points
5.1.3. Valve Initial Parameters Design
- (1)
- Adjusting valve
- (2)
- Servo valve
5.1.4. Orifice Geometry Relationship Design
5.2. Simulation and Discussion
5.2.1. Simulation
5.2.2. Discussion
- Despite suffering from strong step inputs, the controlled pressure drop is always 0.92 MPa, and the static error is almost 0. Evidently, the designed control device has the ability to perform servo tracking without static error. It follows that the theoretical design architecture is relevant and the LQR design method is effective;
- During each transient process, the settling time is within 0.01s and the dynamic overshoot is within 10%. Obviously, the dynamic performances match the design requirements. It follows that the derived models are precise and the designed weight matrices, Q and R, are reasonable.
- When the adjusting chamber leaks, the pressure drop in the system deviates from the design value, and as the leakage area increases, the deviation increases; however, even if the leakage area reaches 2.5 mm2, the deviation is still within 0.01 MPa. Thus, the steady-state performance is acceptable;
- Besides, during each transient process, the settling time is still within 0.01 s and the dynamic overshoot is still within 10%. Obviously, the dynamic performances match the design requirements and the leakage has a small impact on the dynamic performances.
6. Conclusions
- Based on the servo system design theory, a servo control architecture for the pressure drop control valve is constructed and implemented, which can clearly explain the design theory of the system. In addition, the control architecture clearly displays the key structural design parameters, including the generalized stabilization control gain and the generalized servo control gain. Compared with classic design methods, the proposed design architecture and design method are more illustrative;
- Based on the output feedback design theory, the robust LQR design method can realize the design of the key structural design parameters effectively and obtain optimized structural parameters to guarantee high precision and high robustness in performance. The proposed method provides more accurate guidance for the design of the structural parameters and improves the design efficiency;
- The simulation results show that the designed integral constant pressure drop control valve has dual control functions of integral control and stabilization control and can realize tracking without static error and pretty good dynamic performance. Besides, when faced with nonlinear effects, the designed system still has good performance and strong robustness. Evidently, the proposed design method is robust and effective, and can also be used in the design process of other fuel system components.
Author Contributions
Funding
Data Availability Statement
Conflicts of Interest
References
- Wu, D.G. Research on the Performance of Turbofan Engine and Its System; National Defense Industry Press: Beijing, China, 1986; pp. 161–201. [Google Scholar]
- Wang, X.; Yang, S.B.; Zhu, M.Y.; Kong, X.X. Aeroengine Control Principles; Science Press: Beijing, China, 2021; pp. 128–257. [Google Scholar]
- Lavretsky, E.; Wise, K.A. Robust and Adaptive Control with Aerospace Applications; Springer: London, UK, 2012; pp. 27–72. [Google Scholar] [CrossRef]
- Yang, F.; Wang, X.; Cheng, T.; Liu, X. Dynamic characteristics analysis of a pressure differential valve. Aeroengine 2015, 41, 44–50. [Google Scholar] [CrossRef]
- Ma, C.Y. The analysis and design of hydraulic pressure-reducing valves. J. Eng. Ind. 1967, 89, 301. [Google Scholar] [CrossRef]
- Fan, R.; Zhang, M. The establishment of pilot-operated relief valve’s dynamic mathematic model and the dynamic properties analysis. J. ZhengZhou Text. Inst. 1997, 3, 58–61. [Google Scholar]
- Wu, D.; Burton, R.; Schoenau, G.; Bitner, D. Analysis of a pressure—Compensated flow control valve. J. Dyn. Syst. Meas. Control. 2007, 129, 203–211. [Google Scholar] [CrossRef]
- Wen, Y.J. Analysis of characteristics of oil return differential pressure valve with EASY5. In Proceedings of the 11th Symposium on Automatic Engine Control of CAA, Beijing, China, 8–10 November 2002; pp. 21–26. [Google Scholar]
- Hong, W.; Liu, H.L.; Wang, G.Z.; Qin, J. Research on pressure characteristics of relief valve without pressure overshoot. Chin. Hydraul. Pneum. 2012, 10, 104–106. [Google Scholar] [CrossRef]
- Shang, Y.; Guo, Y.Q.; Wang, L. Study of impact of design parameter of differential pressure controller on fuel metering system. Aeronaut. Manuf. Technol. 2013, 6, 89–91. [Google Scholar] [CrossRef]
- Wang, B.; Zhao, H.C.; Ye, Z.F. AMESim simulation of afterburning metering unit for fuel system. Aeroengine 2014, 40, 62–66. [Google Scholar] [CrossRef]
- Hang, J.; Li, Y.Y.; Yang, L.M.; Li, Y.H. Design and Simulation of Large Flowrate Fuel Metering Valve of Aero engine Based on AMESim. In Proceedings of the 2020 15th IEEE Conference on Industrial Electronics and Applications (ICIEA), Kristiansand, Norway, 9–13 November 2020; IEEE: Piscataway, NJ, USA, 2020. [Google Scholar] [CrossRef]
- Wei, Y.Y.; Wang, H.Y.; Miao, W.B. Analysis on modeling of constant pressure difference valve for a turboshaft engine. Aeroengine 2014, 40, 75–78. [Google Scholar] [CrossRef]
- Zeng, D.T.; Wang, X. Design and analysis of characteristics of damping hole for a fuel metering valve. In Proceedings of the 2010 International Conference on Mechanical and Electrical Technology, Kyoto, Japan, 1–3 August 2010; IEEE: Piscataway, NJ, USA, 2010. [Google Scholar] [CrossRef]
- Zeng, D.T.; Wang, X.; Tan, D.L.; Xu, M. Fuel scavenger contour performance analysis of fuel metering devices. Aeroengine 2010, 36, 38. [Google Scholar] [CrossRef]
- Zeng, D.T.; Wang, X.; Tan, D.L. Effects of fuel returned shape on metering devices characteristics. Aeroengine 2012, 38, 46. [Google Scholar] [CrossRef]
- Maiti, R.; Pan, S.; Bera, D. Analysis of a load sensing hydraulic flow control valve. Proc. JFPS Int. Symp. Fluid Power 1996, 1996, 307–312. [Google Scholar] [CrossRef]
- Amirante, R.; Vescovo, G.D.; Lippolis, A. Flow forces analysis of an open center hydraulic directional control valve sliding spool. Energy Convers. Manag. 2006, 47, 114–131. [Google Scholar] [CrossRef]
- Amirante, R.; Vescovo, G.D.; Lippolis, A. Evaluation of the flow forces on an open centre directional control valve by means of a computational fluid dynamic analysis. Energy Convers. Manag. 2006, 47, 1748–1760. [Google Scholar] [CrossRef]
- Okungbowa, B.; Stanley, N. CFD Analysis of Steady State Flow Reaction Forces in a Rim Spool Valve. Master’s Thesis, University of Saskatchewan, Saskatoon, SK, Canada, 2006. [Google Scholar]
- Valdes, J.R.; Miana, M.J.; Nunez, J.L. Reduced order model for estimation of fluid flow and flow forces in hydraulic proportional valves. Energy Convers. Manag. 2008, 49, 1517–1529. [Google Scholar] [CrossRef]
- Li, Z.; Guo, Y.Q.; Liao, G.H. Structure design and performance calculation of a differential pressure measuring device. In Proceedings of the 12th Engine Automatic Control Academic Conference of CAAC, Hong Kong, China, 1–5 November 2004; pp. 158–162. [Google Scholar]
- Deng, Z.J.; Guo, L.Y. Analysis of speed fluctuation in bench test of aero-engine numerical control system. China Sci. Technol. Overv. 2020, 15, 63–65. [Google Scholar]
- Zhao, W.; Wang, X.; Long, Y.; Zhou, Z.; Tian, L. Frequency Domain Design Method of the Aeroengine Fuel Servo Constant Pressure Difference Control System with High Performance. Aerospace 2022, 9, 775. [Google Scholar] [CrossRef]
- Merritt, H.E. Hydraulic Control Systems; John Wiley: New York, NY, USA, 1967; pp. 360–374. [Google Scholar] [CrossRef]
- Fitch, E.C.; Hong, I.T. Hydraulic Component Design and Selection; Bardyn Incorporation: Etobicoke, ON, Canada, 2004; pp. 205–213. [Google Scholar]
- Li, C.G.; He, Y.M. Modeling and Simulation Analysis of Hydraulic System; Aviation Industry Press: Beijing, China, 2008; pp. 2–11. [Google Scholar]
- Wang, Y.; Fan, D.; Zhang, C.; Peng, K.; Shi, D.Y. Design and analysis of the variable pressure-drop fuel metering device. In Proceedings of the 36th Chinese Control Conference, Dalian, China, 26–28 July 2017; pp. 6434–6439. [Google Scholar]
- Agh, S.M.; Pirkandi, J.; Mahmoodi, M.; Jahromi, M. Optimum design simulation and test of a new flow control valve with an electronic actuator for turbine engine fuel control system. Flow Meas. Instrum. 2019, 65, 65–77. [Google Scholar] [CrossRef]
- Yuan, Y.; Zhang, T.H.; Lin, Z.L.; Zhang, J.M. An investigation into factors determining the metering performance of a fuel control unit in an aero engine. Flow Meas. Instrum. 2020, 71, 101672. [Google Scholar] [CrossRef]



















| Parameter/Unit | Value | Parameter/Unit | Value | 
|---|---|---|---|
| /Kg | 0.08 | /(N/m) | 4 × 104 | 
| /Kg | 0.05 | /(N/(m/s)) | 200 | 
| /m | 0.036 | /(N/m) | 1.5 × 104 | 
| /m | 0.036 | /(N/(m/s)) | 200 | 
| /m3 | 2 × 10−6 | /(Kg/m3) | 780 | 
| /m3 | 2 × 10−6 | /MPa | 1.7 × 103 | 
| /m3 | 4.9087 × 10−4 | 0.7 | |
| /m2 | 2.8274 × 10−7 | /Pas | 0.051 | 
| /m2 | 1.9007 × 10−4 | 1 × 103 | |
| /MPa | 0.2 | 
| Phase/° | ||
|---|---|---|
| 0.005 | 0.0213 | 60.4 | 
| 0.010 | 0.0307 | 59.8 | 
| 0.015 | 0.0303 | 59.0 | 
| 0.020 | 0.0302 | 58.1 | 
| 0.025 | 0.0289 | 57.2 | 
| 0.030 | 0.0311 | 56.4 | 
| 0.035 | 0.0318 | 55.6 | 
| 0.040 | 0.0385 | 55.0 | 
| MPa | mm2 | mm2 | Phase/° | |
|---|---|---|---|---|
| 3 | 10 | 7.1413178 | 0.0305 | 69.2 | 
| 30 | 21.258905 | 0.0251 | 87.6 | |
| 80 | 58.720918 | 0.0161 | 89.4 | |
| 160 | 138.75330 | 0.0299 | 83.1 | |
| 240 | 359.53286 | 0.0305 | 89.8 | |
| 5 | 10 | 4.9691655 | 0.0302 | 61.5 | 
| 30 | 14.750547 | 0.0288 | 84.5 | |
| 80 | 39.904931 | 0.0151 | 84.5 | |
| 160 | 85.546194 | 0.0201 | 76.0 | |
| 240 | 148.38949 | 0.0259 | 70.4 | |
| 7 | 10 | 4.0360839 | 0.0298 | 58.2 | 
| 30 | 11.969912 | 0.0301 | 82.6 | |
| 80 | 32.175269 | 0.0152 | 81.1 | |
| 160 | 67.213819 | 0.0141 | 73.7 | |
| 240 | 109.70300 | 0.0159 | 68.5 | |
| 9 | 10 | 3.4862689 | 0.0311 | 56.4 | 
| 30 | 10.334703 | 0.0281 | 81.3 | |
| 80 | 27.693258 | 0.0221 | 76.6 | |
| 160 | 57.160884 | 0.0121 | 70.7 | |
| 240 | 90.995231 | 0.0149 | 62.8 | 
| Parameter/Unit | Value | 
|---|---|
| /mm | 10 | 
| /mm | 23.39155 | 
| /mm | 0.1 | 
| /mm | 0 | 
| /mm | 0 | 
| mm | mm2 | 
|---|---|
| 0 | 0 | 
| 0.1 | 3.4862689 | 
| 0.117678939 | 4.0360839 | 
| 0.148990402 | 4.9691655 | 
| 0.220915975 | 7.1413178 | 
| 0.325617129 | 10.334703 | 
| 0.38380962 | 11.969912 | 
| 0.47618952 | 14.750547 | 
| 0.702174173 | 21.258905 | 
| 0.958522898 | 27.693258 | 
| 1.161328826 | 32.175269 | 
| 1.669859221 | 39.904931 | 
| 2.812637565 | 57.160884 | 
| 2.941565995 | 58.720918 | 
| 3.469075374 | 67.213819 | 
| 4.769243813 | 85.546194 | 
| 5.040340181 | 90.995231 | 
| 6.295895148 | 109.70300 | 
| 8.122958041 | 138.75330 | 
| 8.445238643 | 148.38949 | 
| 16.59749231 | 359.53286 | 
| Disclaimer/Publisher’s Note: The statements, opinions and data contained in all publications are solely those of the individual author(s) and contributor(s) and not of MDPI and/or the editor(s). MDPI and/or the editor(s) disclaim responsibility for any injury to people or property resulting from any ideas, methods, instructions or products referred to in the content. | 
© 2023 by the authors. Licensee MDPI, Basel, Switzerland. This article is an open access article distributed under the terms and conditions of the Creative Commons Attribution (CC BY) license (https://creativecommons.org/licenses/by/4.0/).
Share and Cite
Zhao, W.; Wang, X.; Long, Y.; Zhou, Z.; Tian, L. Robust LQR Design Method for the Aero-Engine Integral Constant Pressure Drop Control Valve with High Precision. Aerospace 2023, 10, 428. https://doi.org/10.3390/aerospace10050428
Zhao W, Wang X, Long Y, Zhou Z, Tian L. Robust LQR Design Method for the Aero-Engine Integral Constant Pressure Drop Control Valve with High Precision. Aerospace. 2023; 10(5):428. https://doi.org/10.3390/aerospace10050428
Chicago/Turabian StyleZhao, Wenshuai, Xi Wang, Yifu Long, Zhenhua Zhou, and Linhang Tian. 2023. "Robust LQR Design Method for the Aero-Engine Integral Constant Pressure Drop Control Valve with High Precision" Aerospace 10, no. 5: 428. https://doi.org/10.3390/aerospace10050428
APA StyleZhao, W., Wang, X., Long, Y., Zhou, Z., & Tian, L. (2023). Robust LQR Design Method for the Aero-Engine Integral Constant Pressure Drop Control Valve with High Precision. Aerospace, 10(5), 428. https://doi.org/10.3390/aerospace10050428
 
        


 
       