Review of Solid State Transfer Switch on Requirements, Standards, Topologies, Control, and Switching Mechanisms: Issues and Challenges
Abstract
1. Introduction
- (i)
- This study provides a comprehensive idea about the requirements, standards, and specifications of SSTS towards the selection, development, and design of SSTS.
- (ii)
- This research illustrates the various SSTS control strategies and switching mechanisms including make-before-break, break-before-make, and commutation strategies.
- (iii)
- This work describes the various applications of SSTS, SSCB as SSTS, hybrid SSTS and addresses the issues and challenges towards the development of SSTS. The key findings will benefit researchers and industrialists for the future scope of applications.
2. Requirements, Standards and Specifications
2.1. SSTS Requirements
2.2. SSTS Standards
2.3. SSTS Specifications
3. Overview of SSTS Topologies
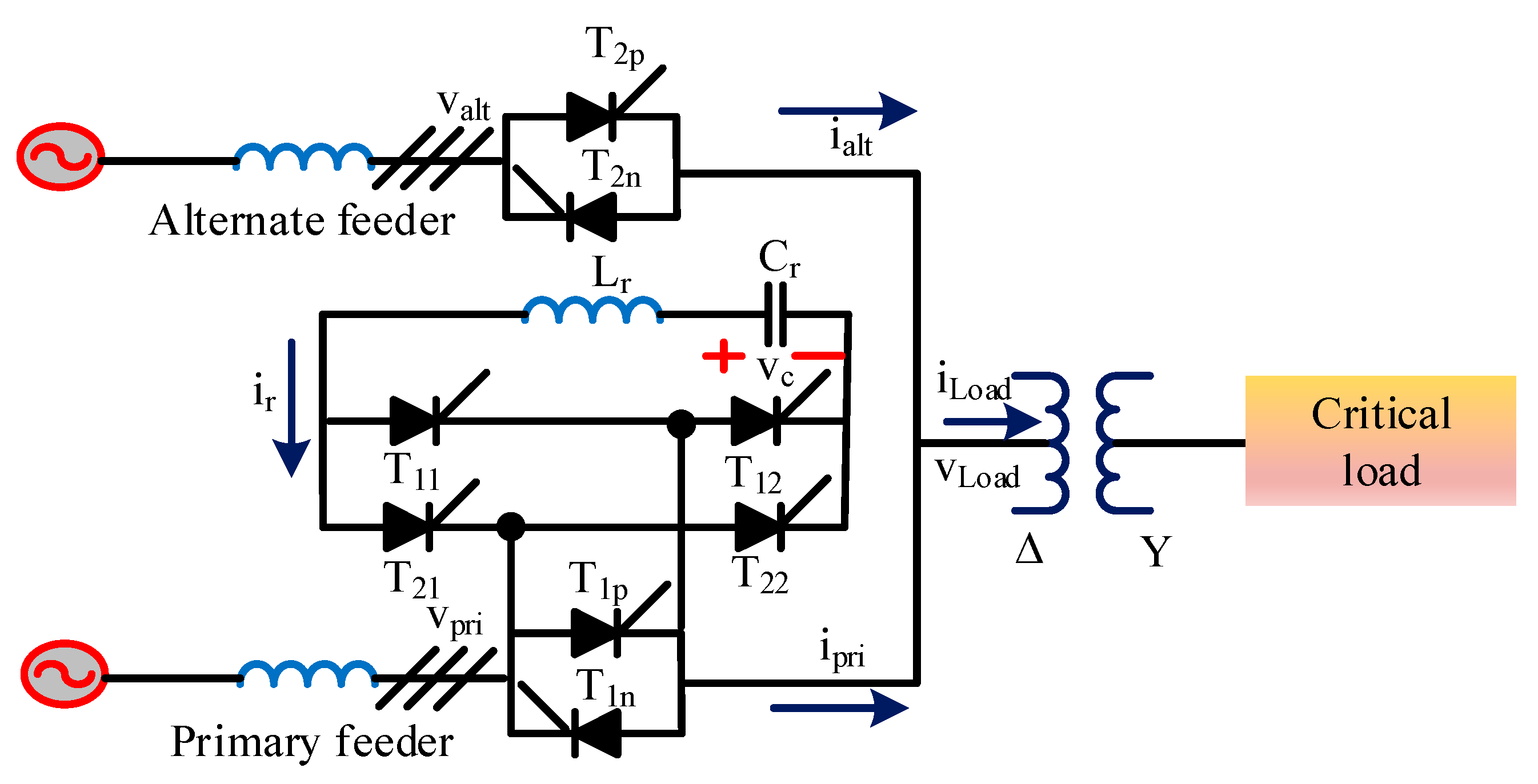
3.1. Forced Current Commutation Based SSTS in Improving Power Quality and Reliability
3.2. Simplified Forced Commutation Based SSTS for Commutation BRIDGE Using Flux Estimation Scheme
3.3. SSTS Topologies for a Switched Doubly-Fed Machine Drive
3.4. MOV-Based Modular SSTS Topologies in DC Chopper
3.5. SSCB as SSTS to Ensure High Operating Efficiency in DC Microgrid
3.6. Commutation Based CS-MCT Evaluation to Interrupt the Fault Current in SSCB Applications
3.7. Static Load Transfer Switch in Bipolar Low Voltage DC Distribution System
3.8. SSTS to From Hybrid ATS in Identifying the Fault Location
4. SSTS Control Methods
4.1. Voltage Detection
4.2. Current Detection
4.3. PLL Synchronizing Scheme
4.4. Firing Control Logic
5. Transfer/Switching Strategies
5.1. MBB Transfer Strategy
- The voltage difference, Δvpa(t), in the vicinity of tk keeps decreasing, which can be expressed byhere Δvpa(n) and Δvpa(n + 1) are the voltage differences between two feeders, Δvpa(t), at instants t = nTss, and t = (n + 1)Tss, respectively, and Tss is the controller’s sampling time.
- Condition for determining the upper limit of tk, (tkmax): The voltage difference, Δvpa(tk), should be smaller than the voltage difference threshold, ΔVth, which can be written asHere, the threshold voltage, ΔVth, is determined by the maximum allowed cross current, Icth. Here τ is the time constant, Rp is the equivalent resistance of the proposed model.
- Condition for determining the lower limit of tk, (tkmin): The voltage difference, Δvpa(tk), needs to be larger than a certain value to allow sufficient time for successful commutation.
5.2. Communication Strategy
5.2.1. Transition from DC to AC Source
5.2.2. Transition from AC to DC Source
5.3. BBM Transfer Strategy
6. Issues and Challenges
6.1. Selection of Transfer Switch
6.2. Grounding Location and Neutral Bonding
6.3. Safety and Reliability
6.4. Testing
6.5. Phase Difference, Fast Commutation, and Transfer Time
6.6. Memory, Materials and Costs
6.7. Fault Location Identification
6.8. Uncertainties
7. Conclusions and Recommendations
Author Contributions
Funding
Conflicts of Interest
References
- Lu, Q.; Zhanqing, Y.; Tianyu, W.; Zhengyu, C.; Bin, L.; Rong, Z. Study on the operating characteristics of a compound automatic transfer switch based on forced current commutation. J. Eng. 2019, 2019, 3329–3332. [Google Scholar] [CrossRef]
- Tian, B.; Mao, C.; Lu, J.; Wang, D.; He, Y.; Duan, Y.; Qiu, J. 400 V/1000 kVA hybrid automatic transfer switch. IEEE Trans. Ind. Electron. 2013, 60, 5422–5435. [Google Scholar] [CrossRef]
- Tsai, M.-J.; Shen, Y.-Y.; Zhou, J.; Cheng, P.-T. A forced commutation method of the solid-state transfer switch in the uninterrupted power supply applications. IEEE Trans. Ind. Appl. 2020, 56, 1609–1617. [Google Scholar] [CrossRef]
- Wan, X.; Gan, Y.; Zhang, F.; Yu, Y.; Yuan, H.; Wang, H.; Zhao, C. Design of a Medium Voltage AC Fast Solid-State Transfer Switch. In Proceedings of the 2019 IEEE 10th International Symposium on Power Electronics for Distributed Generation Systems (PEDG), Xi’an, China, 3–6 June 2019; pp. 1036–1402. [Google Scholar] [CrossRef]
- Khan, I.; Zheng, J.; Koval, D.; Dinavahi, V. Impact of Manual Versus Automatic Transfer Switching on the Reliability Levels of an Industrial Plant. In Proceedings of the Conference, 2004 IEEE Industrial and Commercial Power Systems Technical, Clearwater Beach, FL, USA, 1–6 May 2004; Volume 41, pp. 109–115. [Google Scholar] [CrossRef]
- Hashim, M.H.; Megat Rasidin, M.A.F.; Adullah, S. Automatic Transfer Scheme (ATS) Experience in Tenaga Nasional Berhad Distribution Negeri Perak. 2008. Available online: http://dspace.unimap.edu.my/123456789/15688 (accessed on 3 August 2020).
- Urciuoli, D.P.; Ibitayo, D.; Koebke, G.; Ovrebo, G.; Green, R. A Compact 100-A, 850-V, Silicon Carbide Solid-State DC Circuit Breaker. In Proceedings of the 2016 IEEE Energy Conversion Congress and Exposition (ECCE), Milwaukee, IL, USA, 18–22 September 2016; pp. 1–5. [Google Scholar] [CrossRef]
- Yao, J.; Abramovitz, A.; Wang, Y.; Weng, H.; Zhao, J. Safe-triggering-region control scheme for suppressing cross current in static transfer switch. Electr. Power Syst. Res. 2015, 125, 245–253. [Google Scholar] [CrossRef]
- Mazumdar, J. Application of Transfer Switch in Mining Converters. In Proceedings of the 2010 IEEE Industry Applications Society Annual Meeting, Houston, TX, USA, 3–7 October 2010; pp. 1–5. [Google Scholar] [CrossRef]
- Banerjee, A.; Chang, A.H.; Surakitbovorn, K.N.; Leeb, S.B.; Kirtley, J.L. bumpless automatic transfer for a switched doubly-fed machine propulsion drive. IEEE Trans. Ind. Appl. 2015, 51, 1. [Google Scholar] [CrossRef]
- Sannino, A. Power Quality Improvement in an Industrial Plant with Motor Load by Installing a Static Transfer Switch. In Proceedings of the Conference Record of the 2001 IEEE Industry Applications Conference. Proc of the IEEE t36th IAS Annual Meeting, Chicago, IL, USA, 30 September–4 October 2001; Volume 2, pp. 782–788. [Google Scholar]
- He, N.; Shuai, Z.; Lei, Z.; Wang, W.; Yang, X.; Shen, Z.J. A SiC JFET-based solid state circuit breaker with digitally controlled current-time profiles. IEEE J. Emerg. Sel. Top. Power Electron. 2019, 7, 1556–1565. [Google Scholar] [CrossRef]
- Palav, L.; Gole, A.M. On Using the Solid State Breaker in Distribution Systems. In Proceedings of the IEEE Canadian Conference on Electrical and Computer Engineering, Waterloo, ON, Canada, 25–28 May 1998; Volume 2, pp. 693–696. [Google Scholar]
- Mische, W.; Stevens, R.A.; Lee, J.J.; MacGregor, M. US010491036B1: Solid-State Automatic Transfer Switch. Patent number 10491036, 26 November 2019. [Google Scholar]
- Mokhtari, H.; Iravani, M.R. Effect of source phase difference on static transfer switch performance. IEEE Trans. Power Deliv. 2007, 22, 1125–1131. [Google Scholar] [CrossRef]
- Hermans, L. Emergency Power Transfer Switch System. U.S. 2019/0067990; Application No. 16/111678, 28 February 2019. [Google Scholar]
- Da Silva, D.J.; Ventura, J.; Amaral, J.S.; Amaral, V.S. Enhancing the temperature span of thermal switch-based solid state magnetic refrigerators with field sweeping. Int. J. Energy Res. 2018, 43, 742–748. [Google Scholar] [CrossRef]
- Hannan, M.A.; Mohamed, A.; Hussain, A. A simulation model of solid-state transfer switch for protection in distribution systems. J. Appl. Sci. 2006, 6, 1993–1999. [Google Scholar] [CrossRef][Green Version]
- Banerjee, A.; Leeb, S.B.; Kirtley, J.L.; Leeb, S. Solid-state transfer switch topologies for a switched doubly fed machine drive. IEEE Trans. Power Electron. 2015, 31, 5709–5720. [Google Scholar] [CrossRef]
- Gwon, G.-H.; Kim, C.-H.; Oh, Y.-S.; Noh, C.-H.; Jung, T.-H.; Han, J. Mitigation of voltage unbalance by using static load transfer switch in bipolar low voltage DC distribution system. Int. J. Electr. Power Energy Syst. 2017, 90, 158–167. [Google Scholar] [CrossRef]
- Langston, J.; Hauer, J.; Leonard, I.; Sloderbeck, M.; Steurer, M.; Dalessandro, D.; Fikse, T.; Borraccini, J. Demonstration of Solid State Circuit Breakers within Low Voltage DC Distribution System for Shipboard Applications. In Proceedings of the 2019 IEEE Electric Ship Technologies Symposium (ESTS), Arlington, VA, USA, 13–16 August 2019; pp. 460–467. [Google Scholar] [CrossRef]
- Niaki, S.A.N.; Fard, S.H. US010312684B2: System and Method for Intelligent Static Transfer Switch with Smart Home Power Management. Patent number 20190237970, 1 August 2019. [Google Scholar]
- Zhang, X.; Yu, Z.; Zhao, B.; Chen, Z.; Lv, G.; Huang, Y.; Zeng, R.; Lyu, G. A novel mixture solid-state switch based on igct with high capacity and IGBT with high turn-off ability for hybrid DC breakers. IEEE Trans. Ind. Electron. 2020, 67, 4485–4495. [Google Scholar] [CrossRef]
- Chen, Z.; Yu, Z.; Zhang, X.; Wei, T.; Lyu, G.; Qu, L.; Huang, Y.; Zeng, R. Analysis and experiments for IGBT, IEGT, and IGCT in hybrid DC circuit breaker. IEEE Trans. Ind. Electron. 2018, 65, 2883–2892. [Google Scholar] [CrossRef]
- Zhang, X.; Yu, Z.; Chen, Z.; Zhao, B.; Zeng, R. Optimal Design of Diode-Bridge Bidirectional Solid-State Switch Using Standard Recovery Diodes for 500-kV High-Voltage DC Breaker. IEEE Trans. Power Electron. 2020, 35, 1165–1170. [Google Scholar] [CrossRef]
- Cheng, P.-T.; Chen, Y.-H. Design of an impulse commutation bridge for the solid-state transfer switch. IEEE Trans. Ind. Appl. 2008, 44, 1249–1258. [Google Scholar] [CrossRef]
- UL Standards. UL Standard For Transfer Switch Equipment, 8th ed.; UL Standards: Northbrook, IL, USA, 2014; No. 1008. [Google Scholar]
- Ransom, D.L. Choosing the correct transfer switch. IEEE Trans. Ind. Appl. 2013, 49, 2820–2824. [Google Scholar] [CrossRef]
- William, P.; Risko, P.W. Considerations Involving the Application of Medium Voltage Subcycle Static Transfer Switches. EE Online Magazine 2002, 4, 1–3. [Google Scholar]
- IEC. LVDC: Electricity for the 21st century; International Electrotechnical Commission: Geneva, Switzerland, 2002. [Google Scholar]
- Comtech EF Data. RRS11: Solid-State Transfer Switch Installation and Operation Manual; Comtech EF Data: Tempe, AZ, USA, 2010. [Google Scholar]
- Xu, C.; Zhang, X.; Yu, Z.; Zhao, B.; Chen, Z.; Zeng, R. A Novel DC chopper with MOV-based modular solid-state switch and concentrated dissipation resistor for ±400 kV/1100 MW offshore wind VSC-HVDC system. IEEE Trans. Power Electron. 2020, 35, 4483–4488. [Google Scholar] [CrossRef]
- Nova Electric. Available online: https://novaelectric.com/wp-content/uploads/2014/01/Jupiter-Series-10-100-KVA-120-VDC-Pure-Sine-Wave-DC-AC-Inverters.pdf (accessed on 3 August 2020).
- Zhang, X.; Yu, Z.; Chen, Z.; Huang, Y.; Zhao, B.; Zeng, R. Modular design methodology of dc breaker based on discrete metal oxide varistors with series power electronic devices for HVdc application. IEEE Trans. Ind. Electron. 2019, 66, 7653–7662. [Google Scholar] [CrossRef]
- Wang, Y.; Li, W.; Wu, X.; Wu, X. A novel bidirectional solid-state circuit breaker for DC microgrid. IEEE Trans. Ind. Electron. 2018, 66, 5707–5714. [Google Scholar] [CrossRef]
- Chen, W.; Li, Z.; Zhang, B.; Tao, H.; Liu, C.; Xia, Y.; Shi, Y.; Liu, Y.; Liu, C.; Liu, J.; et al. Evaluation of CS-MCT in DC solid-state circuit breaker applications. IEEE Trans. Ind. Appl. 2018, 54, 5465–5473. [Google Scholar] [CrossRef]
- Comtech. Available online: https://www.comtechefdata.com/files/datasheets/ds-STS11_STS11L.pdf (accessed on 3 August 2020).
- LayerZero Power Systems Inc. LayerZero eSTS Static Transfer Switch. Available online: https://www.layerzero.com/Products/Static-Transfer-Switches/index.html (accessed on 3 August 2020).
- Socomec Innovative Power Solution. Transfer Switches; Socomec Innovative Power Solution: Archdale, NC, USA, 2001. [Google Scholar]
- Eaton. Cutler-Hammer Transfer Switches. Available online: https://www.eaton.com/ecm/groups/public/@pub/@eatonca/@elec/documents/content/pct_1606533.pdf (accessed on 3 August 2020).
- Banerjee, A.; Leeb, S.B.; Kirtley, J.L. Transient Performance Comparison of Switched Doubly-Fed Machine Propulsion Drives. In Proceedings of the 2015 IEEE Transportation Electrification Conference and Expo (ITEC), Dearborn, MI, USA, 14–17 June 2015; pp. 1–6. [Google Scholar]
- Liu, Z.; Liu, J. Indirect current control based seamless transfer of three-phase inverter in distributed generation. IEEE Trans. Power Electron. 2013, 29, 3368–3383. [Google Scholar] [CrossRef]
- Maneiro, J.; Tennakoon, S.; Barker, C.; Hassan, F.; Hassan, F. Energy Diverting Converter Topologies for HVDC Transmission Systems. In Proceedings of the IEEE 2013 15th European Conference on Power Electronics and Applications (EPE), Lille, France, 2–6 September 2013; pp. 1–10. [Google Scholar]
- Weilin, L.; Liang, L.; Liu, W.; Wu, X. State of charge estimation of lithium-ion batteries using a discrete-time nonlinear observer. IEEE Trans. Ind. Electron. 2017, 64, 8557–8565. [Google Scholar] [CrossRef]
- Ding, X.; Du, M.; Duan, C.; Guo, H.; Xiong, R.; Xu, J.; Cheng, J.; Luk, P.C.-K. Analytical and experimental evaluation of SiC-inverter nonlinearities for traction drives used in electric vehicles. IEEE Trans. Veh. Technol. 2018, 67, 146–159. [Google Scholar] [CrossRef]
- Mahmood, T.; Choudhry, M.A. Application of State Estimation Technique for Impedance Matching to Optimize Static Transfer Switch operation. In Proceedings of the IEEE 2007 International Conference on Emerging Technologies, Islamabad, Pakistan, 12–13 November 2007; pp. 269–273. [Google Scholar]
- Puhan, J.; Raič, D.; Tuma, T.; Árpád, B. Break-before-make CMOS inverter forp power-efficient delay implementation. Sci. World J. 2014, 2014, 1–12. [Google Scholar] [CrossRef]
- Moschakis, M.; Hatziargyriou, N. A detailed model for a thyristor-based static transfer switch. IEEE Trans. Power Deliv. 2003, 18, 1442–1449. [Google Scholar] [CrossRef]
- Cañizares, C.A.; Cavallo, C.; Pozzi, M.; Corsi, S. Comparing secondary voltage regulation and shunt compensation for improving voltage stability and transfer capability in the Italian power system. Electr. Power Syst. Res. 2005, 73, 67–76. [Google Scholar] [CrossRef]
- Mokhtari, H.; Dewan, S.; Iravani, M. Effect of regenerative load on a static transfer switch performance. IEEE Trans. Power Deliv. 2001, 16, 619–624. [Google Scholar] [CrossRef]
- Anaya-Lara, O.; Acha, E. Modeling and analysis of custom power systems by PSCAD/EMTDC. IEEE Trans. Power Deliv. 2002, 17, 266–272. [Google Scholar] [CrossRef]
- Mokhtari, H.; Dewan, S.; Iravani, M. Analysis of a static transfer switch with respect to transfer time. IEEE Trans. Power Deliv. 2002, 17, 190–199. [Google Scholar] [CrossRef]
- Kim, J.-H.; Ryu, M.-H.; Min, B.-D.; Shenderey, S.V.; Kim, J.S.; Rim, G.-H. High Voltage Pulse Power Supply Using Marx Generator & Solid-State Switches. In Proceedings of the 31st Annual Conference of IEEE Industrial Electronics Society, Raleigh, NC, USA, 6–10 November 2005. [Google Scholar]
- Wang, L.; Feng, B.; Wang, Y.; Wu, T.; Lin, H. Wang bidirectional short-circuit current blocker for DC microgrid based on solid-state circuit breaker. Electronics 2020, 9, 306. [Google Scholar] [CrossRef]
- Sannino, A. Static Transfer Switch: Analysis of Switching Conditions and Actual Transfer Time. In Proceedings of the 2001 IEEE Power Engineering Society Winter Meeting. Conference Proceedings (Cat. No.01CH37194), Columbus, OH, USA, 28 January–1 February 2001; pp. 120–125. [Google Scholar]
- NFPA. NFPA Codes and Standards: National Electrical Code; NFPA: Quincy, MA, USA, 2017; No. 70, Edition 2017. [Google Scholar]
- IEEE. IEEE. IEEE Standard Electrical Power System Device Function Numbers, Acronyms, and Contact Designations—Redline. In IEEE Standard C37.2-2008 (Revision of IEEE Standard C37.2-1996)—Redline; IEEE: Piscataway, NJ, USA, 2008; pp. 1–62. [Google Scholar]
- Ibrahim, M.; Siciliano, R.; Hayes, J. US009989948B2: Methods And Systems for Dynamic Memory Backup for Transfer Switch Controllers. Patent number 99899482018, 5 June 2018. [Google Scholar]
- Leyva-Ramos, J.; Morales-Saldana, J. Uncertainty models for switch-mode DC-DC converters. IEEE Trans. Circuits Syst. I Regul. Pap. 2000, 47, 200–203. [Google Scholar] [CrossRef]
- Adams, M.J.; Verosky, M.; Zebarjadi, M.; Heremans, J.P. High switching ratio variable-temperature solid-state thermal switch based on thermoelectric effects. Int. J. Heat Mass Transf. 2019, 134, 114–118. [Google Scholar] [CrossRef]



















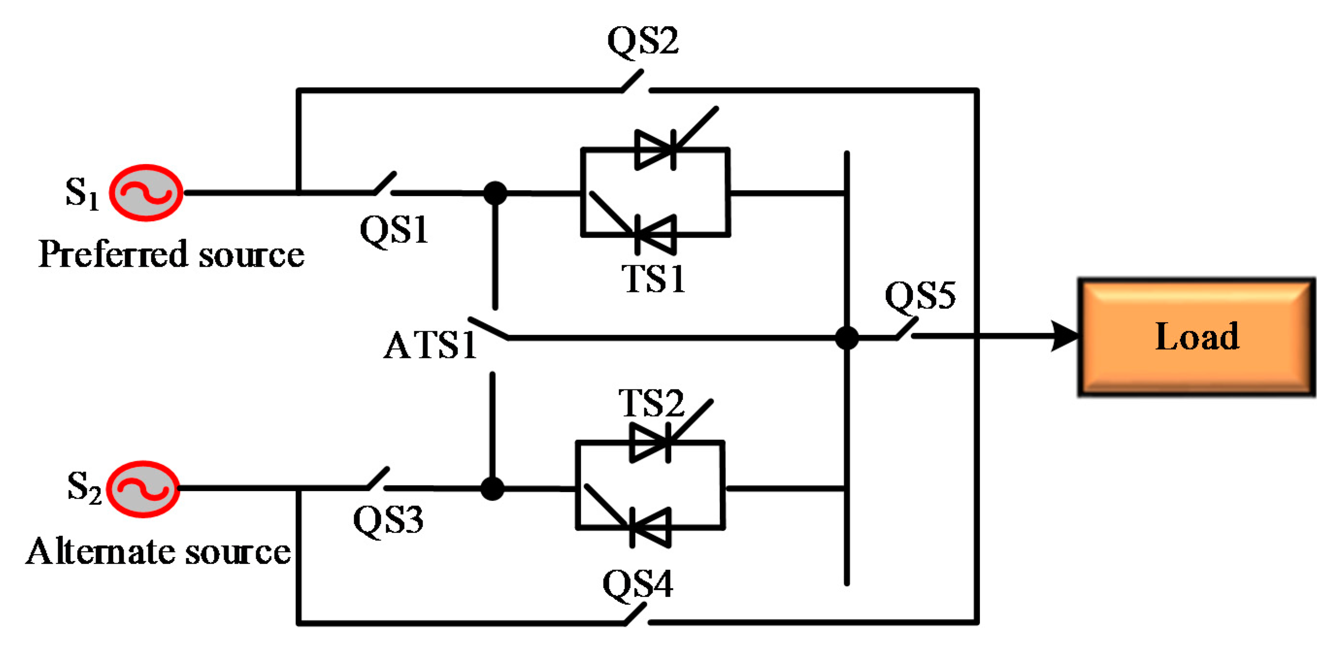
| I. Constraints of General Requirements: | |
|---|---|
| (i) Switch logic operation | Functions |
| Input selection | One source needs to be select as the preferred source, and another source which will be deemed to an alternate source. |
| Voltage sensing | Detection of undervoltage and overvoltage conditions. Maintain the connection between a viable voltage source and critical load. Follow the voltage level and timing setpoints. |
| Current sensing | Detection of overcurrent, shorted and open circuit conditions in all phases and neutral for both sources |
| Phase and neutral transfer requirements | Order of switching phase and neutral: (1) Failed phases OFF, (2) New neutral ON, (3) New phases ON, (4) Failed neutral OFF |
| Measurement, decision, and action | Noise immune and direct measurement system, digital logic switching for decision and action |
| Adjustment | Phase angle difference between preferred and alternate sources, overvoltage, undervoltage, overload for source, frequency detection, retransfer time to the preferred sources |
| (ii) Control | Lamp test, reset, source selector, auto retransfer of the selector switch, control enable key switch, alarm |
| (iii) Indicator | Switch status, availability of source and load, selection of preferred source |
| (iv) Communication | Serial port having standard baud rate and no parity in the data, shunt trip capability |
| (v) Cooling requirements | Fans, filters, over-temperature detection, convection cooling |
| II. Constraints of Environmental Requirements: | |
| Storage temperature | −40 °C to +70 °C |
| Operating temperature | 0 °C to 40 °C for cabinet operation and 0 °C to 45 °C for panel operation |
| Relative humidity | 0% to 95% (noncondensing) |
| Audible noise | Not greater than 55 dB outside a radius of 6 feet |
| Magnetic fields | No appreciable magnetic fields |
| Seismic | Shall be rated for installation in Seismic Zone 4. |
| III. Life Expectancy: | |
| Mean time between failure | Must be greater than 300,000 h of continuous operation without failure |
| Table Head | Standards |
|---|---|
| Safety | UL 1008 (Standard for transfer switch equipment) and UL924 for load control relay [16] |
| Electrical | National Electrical Manufactures Association (NEMA) ICS 10, ANSI C62.41E, Low-voltage Switchgear and Control gear; Multifunction equipment; (IEC 947-6-1), National Electrical Code (NFPA 70) in collaboration with Emerge Alliance, Essential Electrical Systems for Health Care Facilities (NFPA 99), Emergency and Standby Power Systems (NFPA 110), IEEE Recommended Practice for Emergency and Standby Power Systems for Commercial and Industrial Applications (IEEE Standard 446), Fast Transient Immunity Severity Level 4 (EN61000-4-4), Surge Immunity Class 4 (EN61000-4-5), IEC Specifications for EMI/EMC Immunity (CISPR 11, IEC 1000-4-2, IEC 1000-4-3, IEC 1000-4-4, IEC 1000-4-5, IEC 1000-4-6, IEC 1000-4-8, IEC 1000-4-11), Limits and Methods of Measurement of Radio Interference Characteristics of Industrial, Scientific and Medical Equipment (EN55011). |
| Software | ANSI, IEEE |
| SSTS Model | Features | Specifications/Available Data |
|---|---|---|
| I. SSTS Model Developed/Applied for Academic Purpose | ||
| Model: Not specified [1] | Influence of the fault on switching has been analyzed, designed for medium voltage | Response time: 2–3 ms System capacity: 10 MVA Rated voltage: 10 kV Rated frequency: 50 Hz |
| Model: 5STP 45Q2800 [2] | Aluminum radiator is used to fix the thyristor and nature cooling system is used for cooling purpose. | Rated voltage: 2800 V Rated current: 5490 A Designed capacity:1000 kVA |
| Model: TBBQ-3-16/4P-III [2] | More common and satisfy the needs of neutral wire | Rated current: 1600 A Short time withstand current:32 kA Opening time: 17–20 ms Closing time: 110–140 ms |
| Model: 5SNA 2000K452300 [23] | Although the gate driving power of IGBT is low, the complementary advantage of IGBT and IGCT can be obtained with the inverse relationship of surge capability and turn-off capability of IGBT. | Voltage ability: 4.5 kV; IRMS: 2000 A; On-state voltage: 5.8 V; Surge ability: 14 kA; Turn-off ability: >13 kA; Cost: 1.6 p.u. |
| Model: 5SHY 42L6500 [23] | Have enhanced conductivity modulation effect and a more preferred technology for large capacity applications. IGCTs is simple, low cost and maintain a high degree of reliability and can be turned ON and OFF by gate control. | Voltage ability: 6.5 kV; IRMS: 2030 A; On-state voltage: 3.8 V; Surge ability: 26 kA; Turn-off ability: 3.8 kA; Cost: 1 p.u., System capacity: 25 kV/20 kA |
| Diode-bridge bidirectional switch [25] | IGBT based switch and cost reduced significantly | System capacity: 500 kV/25 kA |
| Modular solid state switch [32] | IGCT based transfer switch | Voltage rating: 4.5 kV Current rating: 2 kA System capacity: 1100 MW |
| Model: Static switch [33] | - | Voltage rating: Same as AC output; Temperature: 0–50 °C; Humidity:0–95%, noncondensing; Altitude: Up to 1500 m above sea level; Communication interface: RS-232, RS-485; Frequency: 50 Hz/60 Hz |
| Modular transfer switch [34] | Balancing circuit and series power devices | System capacity: 100 kV/25 kA |
| SCR based Bidirectional circuit breaker [35] | Ensure higher operating efficiencu in dc microgrid | Response time: 50 us Voltage rating: 400 V Current rating: 100 A |
| Thyristor based switch [36] | 30% reduction in energy loss compare to IGBT based topology | Voltage rating: 400 V |
| II. Commercially Developed SSTS Model | ||
| Model: STS11(70/140 MHz)/STS11L(L-Band) Solid-State Transfer Switches [37] | IF or L-Band switching for DM240XR modulators. Easy access to connectors and LEDs. The small size makes installation easy and convenient with included brackets | Prime power: +12 VDC Operating temperature: 0 to 50 °C, 95% humidity, non-condensing Storage temperature: −20 °C to +40 °C, 99% humidity, non-condensing; Switch time: 50 ms maximum; IF: 20 dB; L band: 14 dB |
| Model: eSTS [38] | Provides solid-state transfers between two in-phase AC sources in quarter cycles. Performs open-transition transfer as well. | No. Of inputs: 2/3; No. Of poles: 3; Frequency: 50 Hz/60 Hz; Phases: 3 phases, 3 or 4 wires; Transfer time: Nominal 1/4-cycle for in-phase sources; Cooling: Convection |
| Model: LX-450 [39] | Monitors voltage and controls the transfer to and from the normal and emergency sources. | No. of poles: 2, 3, 4; Short circuit rating: 100 A, 200 A, 260 A, 400 A, 600 A, 800 A, 1000 A, 1250 A; Control voltage: 120 V AC; Pick up voltage: 90% of both normal and emergency source voltage; Drop out voltage: 84% of both normal and emergency source voltage; Auxiliary contact: 10 A,125/250 V AC |
| Model: RRS11 [31] | Offers IF or L-Band redundancy in a simple straight forward plug and play design. Allows the user access to the online and offline ports. No external power source required. | Frequency: 70/140 MHz (L-band system) Switch time: 50 ms maximum; Prime power: +12 V DC; Operating temperature: 0 to 50 °C, 95% humidity, non-condensing; Storage temperature: −20 to +40 °C, 99% humidity, non-condensing |
| Model: Cutler-Hammer Transfer Switches [40] Sector: Commercial | Reliable, rugged, versatile, self-protected. | No. Of poles: 2, 3, 4; Frequency: 50 Hz/60 Hz Voltage rating: 120–600 V; Current rating: 30–1000 A Fuse type: J, T, L (based on ampere rating) System capacity: 100 kVA |
| Model: P9400A | Superior performance in terms of isolation, insertion loss and return loss across a broad operating frequency range. Suitable for high-speed radio frequency and microwave switching applications. | Frequency: 100 MHz to 8 GHz; Isolation (dB): 80 Insertion loss (dB): 3.5; Return loss for ON port (dB): 15; Switching speed rise/fall: 200 ns; Input power (average) (dBm): 23; Driving voltage (VDC): 5 |
| Model: P9400C | - | Frequency: 100 MHz to 18 GHz; Isolation (dB): 80 Insertion loss (dB): 4.2; Return loss for ON port (dB): 10; Switching speed rise/fall: 200 ns; Input power (average) (dBm): 23; Driving voltage (VDC): 5 |
| Model: U9400A | - | Frequency: 300 kHz to 8 GHz; Isolation (dB): 100; Insertion loss (dB): 3.5; Return loss for ON port (dB): 15; Switching speed rise/fall: 4/0.5 µs; Input power (average) (dBm): 29; Driving voltage (VDC): 11 to 26 V |
| Model: U9400C | - | Frequency: 300 kHz to 18 GHz; Isolation (dB): 90; Insertion loss (dB): 6.5; Return loss for ON port (dB): 10; Switching speed rise/fall: 5/1 µs; Input power (average) (dBm): 27; Driving voltage (VDC): 11 to 26 V |
| Location of Stator Current Vector | Conducting Bank (AC Side) | Succeeding Bank (DC Side) | Required AC Source Voltage Vector |
|---|---|---|---|
| −30° < < 30° | , , | , , | 150° < < 210° |
| 30° < < 90° | , , | , , | 210° < < 360° − ε |
| 90° < < 150° | , , | , , | 360° − ε < < 330° |
| 150° < < 210° | , , | , , | −30° < < 30° |
| 210° < < 270° | , , | , , | 30° < < ε |
| 270° < < 330° | , , | , , | ε < < 150° |
| Purpose | Control Scheme | Features | Ref. |
|---|---|---|---|
| Identifying the fault location and fast transfer process | Realizing the overlapping transfer of neutral wire in HATS | Cost-effective solution for maximum power transfer reliability. Reduce the forward voltage drop of thyristors. BBM, natural communication, mechanical switch breaking the circuit and MBB strategies are possible | [2] |
| Suppressing cross current in static switch with less than one cycle transfer time | Safe-triggering region control scheme with MBB technique | Limit the cross current surge and minimise the current stress in the system. Enhance system reliability, and it does not require any additional components. | [8] |
| Alter the connection between ac and dc source based on speed | SCR control scheme | Current commutation of SCRs and bumpless transition in shaft behavior are both controlled from the rotor | [10] |
| Using the solid-state breaker as a transfer switch in the distribution system | Firing logic | Detect a voltage disturbance within one-fourth of a cycle. Mitigating the effect of voltage sags on sensitive loads. | [13] |
| Reduce the power loss and mitigate voltage unbalance by using SLTS | Modified percent voltage unbalance system and EMTP are used. | SLTS algorithm is used to determine the position of the load considering the neutral current at each load point. Reconfigure the structure of loads on the basis of data measured by a dc-dc converter | [20] |
| Reducing voltage sag | Forced commutation technique | Control the phase difference between feeder voltage Hardware reconfiguration is difficult | [26] |
| Reducing voltage sag | Safe gating strategy | Phase voltage and line current in both feeders are of the same sign. No evaluation of the worst-case time was given | [48] |
| Improving voltage stability and transfer capability of a transfer switch | Eliminate the voltage difference by adding shunt capacitors | Control the phase difference between feeder voltage Application is difficult as hardware reconfiguration needs to match with system parameters | [49] |
| Effect of regenerative load on the static transfer switch | Voltage detection and gating strategy | Current direction and zero-crossing detection logic, gating pattern logic, zero voltage back up transfer logic are considered | [50] |
| Performance evaluation of SSTS | The peak value of voltage waveform | Abnormal condition is detected if the peak value exceeds the prescribed range and thyristor is activated to transfer the load to a healthy feeder | [51] |
| Analysis of the static transfer switch | Park’s transformation | Does not have an impact on the operation of the distribution system | [52] |
| High voltage pulse power supply | Voltage balancing | IGBT based 12 stages Marx generator is reduced to 3 stages | [53] |
| Blocking the short circuit current within 4 ms in dc microgrid | Current differential protection strategy | Eliminate the short circuit current Limit the overvoltage Does not require an additional power supply Reduce the cost and size | [54] |
| Analyzing the switching condition of a transfer switch | MBB strategy with voltage and current conditions | When current direction detection errors occur, the voltage condition prevents false triggering of thyristors. The system reverts to BBM if both voltage and current conditions do not satisfy | [55] |
© 2020 by the authors. Licensee MDPI, Basel, Switzerland. This article is an open access article distributed under the terms and conditions of the Creative Commons Attribution (CC BY) license (http://creativecommons.org/licenses/by/4.0/).
Share and Cite
Faisal, M.; Hannan, M.A.; Ker, P.J.; Rahman, M.S.B.A.; Mollik, M.S.; Mansur, M.B. Review of Solid State Transfer Switch on Requirements, Standards, Topologies, Control, and Switching Mechanisms: Issues and Challenges. Electronics 2020, 9, 1396. https://doi.org/10.3390/electronics9091396
Faisal M, Hannan MA, Ker PJ, Rahman MSBA, Mollik MS, Mansur MB. Review of Solid State Transfer Switch on Requirements, Standards, Topologies, Control, and Switching Mechanisms: Issues and Challenges. Electronics. 2020; 9(9):1396. https://doi.org/10.3390/electronics9091396
Chicago/Turabian StyleFaisal, Mohammad, Mahammad Abdul Hannan, Pin Jern Ker, Muhamad Safwan Bin Abd Rahman, Mohammad Sazib Mollik, and Muhamad Bin Mansur. 2020. "Review of Solid State Transfer Switch on Requirements, Standards, Topologies, Control, and Switching Mechanisms: Issues and Challenges" Electronics 9, no. 9: 1396. https://doi.org/10.3390/electronics9091396
APA StyleFaisal, M., Hannan, M. A., Ker, P. J., Rahman, M. S. B. A., Mollik, M. S., & Mansur, M. B. (2020). Review of Solid State Transfer Switch on Requirements, Standards, Topologies, Control, and Switching Mechanisms: Issues and Challenges. Electronics, 9(9), 1396. https://doi.org/10.3390/electronics9091396

