A Novel Bidirectional DC-DC Converter for Dynamic Performance Enhancement of Hybrid AC/DC Microgrid
Abstract
1. Introduction
- (i)
- Usually, one controller is used to control the converter in both modes, whereas two converters (Buck and Boost) exhibit two distinctive characteristics that cannot be controlled with one controller, since the controller usually designed based on one converter structure to operate in one mode cannot properly handle grid voltage and load disturbances in both modes.
- (ii)
- The bidirectional operation does not have symmetrical voltage gain. This asymmetry originates from the different circuit structures in both modes. Therefore, the converter should work with different duty ratios in both modes, resulting in an asymmetric and relatively slow control response during power flow direction changeover. This issue is addressed to some extent by selecting a small enough battery voltage compared to the grid voltage, resulting in a high voltage difference between two sides; otherwise, the Buck operation would not be as effective. However, this potential difference results in high current peaks in both switching operations, leading to high current ripples, particularly in heavy load levels. This issue is usually tackled by selecting a large inductor, thereby incurring a higher capital cost.
- (iii)
- Both step-up and step-down switches are simultaneously modulated in both modes, resulting in increased converter switching losses that restrict the converter to low power density levels.
- (i)
- It employs two Boost converters in back-to-back topology and has a minimum additional component compared with other proposed converter configurations.
- (ii)
- Compared to the conventional type, the proposed converter has three more diodes and one more inductor and capacitor. Since there is no Buck operation and the battery voltage can be raised to higher levels, the converter inductors have less inductance and current capacity due to the reduced battery current.
- (iii)
- The proposed configuration has two voltage levels in the battery side in two modes of operation. The converter exhibits similar dynamic characteristics in both modes of operation, hence, one single controller can be designed and implemented.
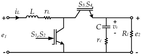
2. Proposed DC-DC Converter for BESS System
2.1. Principle of Operation
- Works symmetrically with the same dynamic properties in both directions;
- Has equally high DC gain in both discharge and charge modes;
- Does not have much power loss compared with the conventional type;
- Has a robust yet straightforward controller that fits both modes.
2.2. Converter Transfer Functions
2.3. Estimation of the Equivalent Load Resistance
2.4. Power Stage Adjustment
3. Control System
3.1. Proposed Converter Controller
3.1.1. Current Control Mode
3.1.2. Voltage Control Mode
3.2. Conventional BDC Controller
4. Simulation Results
- Case I—Grid-connected HMG: In this state, the DC grid is connected to the main grid through a grid-following interlinking converter (ILC). In the voltage control mode, the BDC controls the DC grid voltage, while ILC tracks the reference powers. In the current control mode, this scheme switches between BDC and ILC.
- Case II—Islanded HMG: In this state, Case I is modified to form an islanded HMG. In the voltage control mode of BDC, the ILC is a grid-forming voltage source converter (VSC), and DER1 is a grid-following generation source to supply reference active/reactive powers. All control systems of VSCs in ILC and DER1 are well-established structures adopted from [30].
5. Conclusions
Author Contributions
Funding
Conflicts of Interest
References
- Kirakosyan, A.; El-Saadany, E.F.; El Moursi, M.S.; Yazdavar, A.H.; Al-Durra, A. Communication-Free Current Sharing Control Strategy for DC Microgrids and Its Application for AC/DC Hybrid Microgrids. IEEE Trans. Power Syst. 2020, 35, 140–151. [Google Scholar] [CrossRef]
- Daviran Keshavarzi, M.; Ali, M.H. FRT Capability Enhancement of Autonomous AC/DC Hybrid Microgrid by Coordinated MSDBR and Interlinking Converter Control Strategy. In Proceedings of the IEEE Power & Energy Society Innovative Smart Grid Technologies Conference (ISGT), Washington, DC, USA, 18–21 February 2019; pp. 1–5. [Google Scholar]
- Eisapour-Moarref, A.; Kalantar, M.; Esmaili, M. Power Sharing in Hybrid Microgrids Using a Harmonic-Based Multi-Dimensional Droop. IEEE Trans. Ind. Inform. 2020, 16, 109–119. [Google Scholar] [CrossRef]
- Daviran Keshavarzi, M.; Ali, M.H. Disturbance Resilience Enhancement of Islanded Hybrid Microgrid Under High Penetration of Renewable Energy Resources by BESS. In Proceedings of the IEEE Transmission & Distribution, Chicago, IL, USA, 12–30 October 2020. [Google Scholar]
- Daviran Keshavarzi, M.; Ali, M.H. Influence of Battery Energy Storage Location on the Dynamic Performance of Hybrid AC/DC Microgrid. In Proceedings of the 2nd International Conference on Smart Power & Internet Energy Systems, Bangkok, Thailand, 15–18 September 2020. [Google Scholar]
- Corti, M.; Tironi, E.; Ubezio, G. DC networks including multiport DC/DC converters: Fault analysis. IEEE Trans. Ind. Appl. 2016, 52, 3655–3662. [Google Scholar] [CrossRef]
- Zhu, X.; Meng, F.; Xie, Z.; Yue, Y. An Inertia and Damping Control Method of DC-DC Converter in DC Microgrid. IEEE Trans. Energy Convers. 2020, 35, 799–807. [Google Scholar] [CrossRef]
- Kotra, S.; Mishra, M.K. Design and Stability Analysis of DC Microgrid With Hybrid Energy Storage System. IEEE Trans. Sustain. Energy 2019, 10, 1603–1612. [Google Scholar] [CrossRef]
- Khodamoradi, A.; Liu, G.; Mattavelli, P.; Caldognetto, T.; Magnone, P. Analysis of an On-Line Stability Monitoring Approach for DC Microgrid Power Converters. IEEE Trans. Power Electron. 2019, 34, 4794–4806. [Google Scholar] [CrossRef]
- Kwon, M.; Choi, S. Control Scheme for Autonomous and Smooth Mode Switching of Bidirectional DC-DC Converters in a DC Microgrid. IEEE Trans. Power Electron. 2018, 33, 7094–7104. [Google Scholar] [CrossRef]
- Saleh, M.; Esa, Y.; Mohamed, A. Impact of Communication Latency on the Bus Voltage of Centrally Controlled DC Microgrid during Islanding. IEEE Trans. Sustain. Energy 2018, 10, 1844–1856. [Google Scholar] [CrossRef]
- Morstyn, T.; Savkin, A.; Hredzak, B.; Agelidis, V. Multi-Agent Sliding Mode Control for State of Charge Balancing Between Battery Energy Storage Systems Distributed in a DC Microgrid. IEEE Trans. Smart Grid 2018, 9, 4735–4743. [Google Scholar] [CrossRef]
- Choi, Y.G.; Lee, S.W.; Lee, H.S.; Lee, S.C.; Kang, B. Increase in Power Conversion Efficiency of Bidirectional DC-DC Converter Using 1:1 Transformer and Pulse-Frequency Modulation Control. IEEE Trans. Power Electron. 2018, 33, 10539–10549. [Google Scholar] [CrossRef]
- Lin, C.; Yang, L.; Wu, G.W. Study of a non-isolated bidirectional DC-DC converter. IET Power Electron. 2012, 6, 30–37. [Google Scholar] [CrossRef]
- Rathore, A.K.; Patil, D.R.; Srinivasan, D. Non-isolated Bidirectional Soft-Switching Current-Fed LCL Resonant DC/DC Converter to Interface Energy Storage in DC Microgrid. IEEE Trans. Ind. Appl. 2016, 52, 1711–1722. [Google Scholar] [CrossRef]
- Aamir, M.; Mekhilef, S.; Kim, H.J. High-Gain Zero-Voltage Switching Bidirectional Converter With a Reduced Number of Switches. IEEE Trans. Circuits Syst. II Express Briefs 2015, 62, 816–820. [Google Scholar] [CrossRef]
- Zeng, J.; Qiao, W.; Qu, L. An Isolated Three-Port Bidirectional DC-DC Converter for Photovoltaic Systems With Energy Storage. IEEE Trans. Ind. Appl. 2015, 51, 3493–3503. [Google Scholar] [CrossRef]
- Cornea, O.; Andreescu, G.D.; Muntean, N.; Hulea, D. Bidirectional Power Flow Control in a DC Microgrid Through a Switched-Capacitor Cell Hybrid DC-DC Converter. IEEE Trans. Ind. Electron. 2017, 64, 3012–3022. [Google Scholar] [CrossRef]
- Ham, S.H.; Choi, Y.G.; Lee, H.S.; Lee, S.W.; Lee, S.C.; Kang, B. High-efficiency bidirectional buck-boost converter for residential energy storage system. Energies 2019, 12, 3786. [Google Scholar] [CrossRef]
- Ardi, H.; Ajami, A.; Kardan, F.; Avilagh, S.N. Analysis and Implementation of a Nonisolated Bidirectional DC-DC Converter with High Voltage Gain. IEEE Trans. Ind. Electron. 2016, 63, 4878–4888. [Google Scholar]
- Mariéthoz, S.; Almér, S.; Bâja, M.; Beccuti, A.G.; Patino, D.; Wernrud, A.; Buisson, J.; Cormerais, H.; Geyer, T.; Jonsson, U.T.; et al. Comparison of Hybrid Control Techniques for Buck and Boost DC-DC Converters. IEEE Trans. Control Syst. Technol. 2010, 18, 1126–1145. [Google Scholar] [CrossRef]
- Ioinovici, A. Power Electronics and Energy Conversion Systems, Fundamentals and Hard-Switching Converters; WILEY: West Sussex, UK, 2013; Volume 1, ISBN 9780470710999. [Google Scholar]
- Taheri, A.; Ghasemian, A.; Ren, H. Boost Converters’ Proximate Constrained Time-Optimal Sliding Mode Control Based on Hybrid Switching Model. Complexity 2019, 2019. [Google Scholar] [CrossRef]
- Chakraborty, S.; Mazuela, M.; Tran, D.D.; Corea-Araujo, J.A.; Lan, Y.; Loiti, A.A.; Garmier, P.; Aizpuru, I.; Hegazy, O. Scalable Modeling Approach and Robust Hardware-in-the-Loop Testing of an Optimized Interleaved Bidirectional HV DC/DC Converter for Electric Vehicle Drivetrains. IEEE Access 2020, 8, 115515–115536. [Google Scholar] [CrossRef]
- Ghasemian, A.; Taheri, A. Constrained Near-Time-Optimal Sliding-Mode Control of Boost Converters Based on Switched Affine Model Analysis. IEEE Trans. Ind. Electron. 2018, 65, 887–897. [Google Scholar] [CrossRef]
- Kazimierczuk, M.K. Pulse-Width Modulated DC-DC Power Converters, 2nd ed.; John Wiley & Sons, Ltd.: Chichester, West Sussex, UK, 2015; ISBN 9780470773017. [Google Scholar]
- Erickson, R.W.; Maksimović, D. Fundamentals of Power Electronics, 2nd ed.; Kluwer: New York, NY, USA, 2004; ISBN 0-306-48048-4. [Google Scholar]
- Veerachary, M.; Saxena, A.R. Optimized power stage design of low source current ripple fourth-order boost DC-DC converter: A PSO approach. IEEE Trans. Ind. Electron. 2015, 62, 1491–1502. [Google Scholar] [CrossRef]
- Elserougi, A.; Abdelsalam, I.; Massoud, A.; Ahmed, S. A bidirectional non-isolated hybrid modular DC-DC converter with zero-voltage switching. Electr. Power Syst. Res. 2019, 167, 277–289. [Google Scholar] [CrossRef]
- Rocabert, J.; Luna, A.; Blaabjerg, F.; Rodríguez, P. Control of Power Converters in AC Microgrids. IEEE Trans. Power Electron. 2012, 27, 4734–4749. [Google Scholar] [CrossRef]





















| Proposed | Conventional | [15] | [18] | [13]/[19] | [20] | [16] | |
|---|---|---|---|---|---|---|---|
| Voltage gain in discharge mode | |||||||
| Voltage gain in charge mode | |||||||
| Symmetrical scheme | ✓ | ✗ | ✗ | ✗ | ✗ | ✗ | ✗ |
| Control complexity | low | low | high | low | medium | low | high |
| Component count: | - | - | - | - | - | - | - |
| Inductors | 2 | 1 | 3 | 2 | 3/3 | 2 | 1 |
| Capacitors (2) | 0 | 0 | 3 | 2 | 2/2 | 1 | 2 |
| Switching devices | 4 | 2 | 4 | 3 | 2/4 | 4 | 3 |
| Diodes (3) | 3 | - | - | - | - | - | 3 |
| Coupled inductors | - | - | - | - | 1/1 | - | 1 |
| 1 | 1 | 1 | |||
| Battery: | Capacity | Type | Li-ion | ||
| PI1: | |||||
| PI2: | - | ||||
| PI3: | - | ||||
| Battery: | Capacity | Type | Li-ion | - |
| 460 V | DER1 | 250 kW | DER2 | 307 kW | |
| DC Load | AC Load | ILC | 250 kW |
© 2020 by the authors. Licensee MDPI, Basel, Switzerland. This article is an open access article distributed under the terms and conditions of the Creative Commons Attribution (CC BY) license (http://creativecommons.org/licenses/by/4.0/).
Share and Cite
Keshavarzi, M.D.; Ali, M.H. A Novel Bidirectional DC-DC Converter for Dynamic Performance Enhancement of Hybrid AC/DC Microgrid. Electronics 2020, 9, 1653. https://doi.org/10.3390/electronics9101653
Keshavarzi MD, Ali MH. A Novel Bidirectional DC-DC Converter for Dynamic Performance Enhancement of Hybrid AC/DC Microgrid. Electronics. 2020; 9(10):1653. https://doi.org/10.3390/electronics9101653
Chicago/Turabian StyleKeshavarzi, Morteza Daviran, and Mohd Hasan Ali. 2020. "A Novel Bidirectional DC-DC Converter for Dynamic Performance Enhancement of Hybrid AC/DC Microgrid" Electronics 9, no. 10: 1653. https://doi.org/10.3390/electronics9101653
APA StyleKeshavarzi, M. D., & Ali, M. H. (2020). A Novel Bidirectional DC-DC Converter for Dynamic Performance Enhancement of Hybrid AC/DC Microgrid. Electronics, 9(10), 1653. https://doi.org/10.3390/electronics9101653

