Miniature Compact Folded Dipole for Metal Mountable UHF RFID Tag Antenna
Abstract
1. Introduction
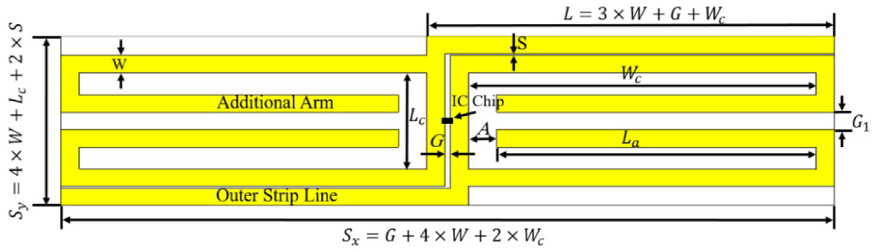
2. Antenna Structure
3. Design Procedure and Analysis
3.1. Design Stages
3.2. Current Analysis
4. Test and Results
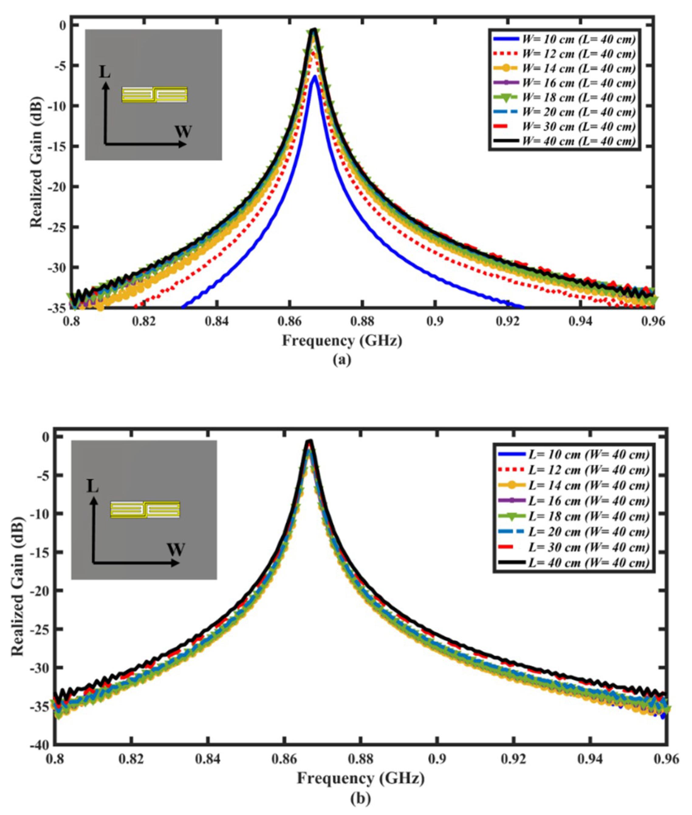
4.1. Parametric Study
4.2. Simulated and Measured Results
5. Discussion
6. Conclusions
Author Contributions
Acknowledgments
Conflicts of Interest
References
- Hamani, A.; Yagoub, M.C.E.; Vuong, T.P.; Touhami, R. A novel broadband antenna design for UHF RFID tags on metallic surface environments. IEEE Antennas Wirel. Propag. Lett. 2017, 16, 91–94. [Google Scholar] [CrossRef]
- Gao, X.; Shen, Z. UHF/UWB tag antenna of circular polarization. IEEE Trans. Antennas Propag. 2016, 64, 3794–3802. [Google Scholar] [CrossRef]
- Hu, W.; Wen, G.; Inserra, D.; Huang, Y.; Li, J.; Chen, Z. A circularly polarized antenna array with gain. Electronics 2019, 8, 400. [Google Scholar] [CrossRef]
- Salman, K.N.; Ismail, A.; Abdullah, R.S.A.R.; Saeedi, T. Coplanar UHF RFID tag antenna with U-shaped inductively coupled feed for metallic applications. PLoS ONE 2017, 12, e0178388. [Google Scholar] [CrossRef] [PubMed]
- Liu, M.; Ma, L.; Wang, N.; Zhang, Y.; Yang, Y.; Wang, H. Passive multiple target indoor localization based on joint interference cancellation in an RFID system. Electronics 2019, 8, 426. [Google Scholar] [CrossRef]
- Yu, B.; Kim, S.-J.; Jung, B.; Harackiewicz, F.J.; Lee, B. RFID tag antenna using two-shorted microstrip patches mountable on metallic objects. Microw. Opt. Technol. Lett. 2007, 49, 414–416. [Google Scholar] [CrossRef]
- Kim, D.; Yeo, J. Low-profile RFID tag antenna using compact AMC substrate for metallic objects. IEEE Antennas Wirel. Propag. Lett. 2008, 7, 718–720. [Google Scholar]
- Ukkonen, L.; Sydänheimo, L.; Kivikoski, M. Effects of metallic plate size on the performance of microstrip patch-type tag antennas for passive RFID. IEEE Antennas Wirel. Propag. Lett. 2005, 4, 410–413. [Google Scholar] [CrossRef]
- Kamalvand, P.; Pandey, G.K.; Meshram, M.K.; Mallahzadeh, A. A single sided dual-antenna structure for UHF RFID tag applications. Int. J. RF Microwave Comput.-Aided Eng. 2015, 25, 619–628. [Google Scholar] [CrossRef]
- Benmessaoud, L.; Vuong, T.P.; Yagoub, M.C.E.; Touhami, R. A novel 3-D tag with improved read range for UHF RFID localization applications. IEEE Antennas Wirel. Propag. Lett. 2017, 16, 161–164. [Google Scholar] [CrossRef]
- Bilgiç, M.M.; Yeğin, K. An HF/UHF dual mode RFID transponder antenna and HF range extension using UHF wireless power transmission. Turkish J. Electr. Eng. Comput. Sci. 2016, 24, 3949–3960. [Google Scholar] [CrossRef]
- Ennasar, M.A.; Aznabet, I.; el Mrabet, O.; Essaaidi, M. Design and characterization of a compact single layer modified S-shaped tag antenna for UHF-RFID applications. Adv. Electromagn. 2019, 8, 59–65. [Google Scholar] [CrossRef]
- Lin, Y.F.; Chang, M.J.; Chen, H.M.; Lai, B.Y. Gain Enhancement of Ground Radiation Antenna for RFID Tag Mounted on Metallic Plane. IEEE Trans. Antennas Propag. 2016, 64, 1193–1200. [Google Scholar] [CrossRef]
- Koo, T.W.; Kim, D.; Ryu, J.I.; Seo, H.M.; Yook, J.G.; Kim, J.C. Design of a label-typed UHF RFID tag antenna for metallic object. IEEE Antennas Wirel. Propag. Lett. 2011, 10, 1010–1014. [Google Scholar]
- Niew, Y.-H.; Lee, K.-Y.; Lim, E.-H.; Bong, F.-L.; Chung, B.-K. Patch-loaded semicircular dipolar antenna for metal-mountable UHF RFID tag design. IEEE Trans. Antennas Propag. 2019, 1. [Google Scholar] [CrossRef]
- Rao, K.V.S.; Lam, S.F.; Nikitin, P.V. Wideband metal mount UHF RFID tag. In IEEE Antennas and Propagation Society International Symposium; IEEE: Piscataway, NJ, USA, 2008; pp. 1–4. [Google Scholar]
- Jankowski-Mihułowicz, P.; Kawalec, D.; Wȩglarski, M. Antenna design for semi-passive UHF RFID transponder with energy harvester. Radioengineering 2015, 24, 722–728. [Google Scholar] [CrossRef]
- Gao, B.; Yuen, M.M.F. Passive UHF RFID packaging with electromagnetic band gap (EBG) material for metallic objects tracking. IEEE Trans. Compon. Packag. Manuf. Technol. 2011, 1, 1140–1146. [Google Scholar] [CrossRef]
- Kuo, S.K.; Liao, L.G. An analytic model for impedance calculation of an RFID metal tag. IEEE Antennas Wirel. Propag. Lett. 2010, 9, 603–607. [Google Scholar] [CrossRef]
- Kwon, H.; Lee, B. Compact slotted planar inverted-F RFID tag mountable on metallic objects. Electron. Lett. 2005, 41, 1308–1310. [Google Scholar] [CrossRef]
- Zhang, J.; Long, Y. A novel metal-mountable electrically small antenna for RFID tag applications with practical guidelines for the antenna design. IEEE Trans. Antennas Propag. 2014, 62, 5820–5829. [Google Scholar] [CrossRef]
- Kim, J.S.; Choi, W.; Choi, G.Y. UHF RFID tag antenna using two PIFAs embedded in metallic objects. Electron. Lett. 2008, 44, 1181–1182. [Google Scholar] [CrossRef]
- Zhang, J.; Long, Y. A dual-layer broadband compact UHF RFID tag antenna for platform tolerant application. IEEE Trans. Antennas Propag. 2013, 61, 4447–4455. [Google Scholar] [CrossRef]
- Moh, C.-W.; Lim, E.-H.; Bong, F.-L.; Chung, B.-K. Miniature coplanar-fed folded patch for metal mountable UHF RFID tag. IEEE Trans. Antennas Propag. 2018, 66, 2245–2253. [Google Scholar] [CrossRef]
- Ng, W.H.; Lim, E.H.; Bong, F.L.; Chung, B.K. E-shaped folded-patch Antenna with multiple tuning parameters for on-metal UHF RFID tag. IEEE Trans. Antennas Propag. 2018, 67, 56–64. [Google Scholar] [CrossRef]
- Bong, F.L.; Lim, E.H.; Lo, F.L. Compact folded dipole with embedded matching loop for universal tag applications. IEEE Trans. Antennas Propag. 2017, 65, 2173–2181. [Google Scholar] [CrossRef]
- Erman, F.; Ismail, A.; Abdullah, R.S.A.R.; Alhawari, A.R.H.; Shabaneh, A.; Mohamed, N. UHR RFID spilt-ring resonator-based tag antenna with photonic bandgap structure for metallic objects. J. Fundam. Appl. Sci. 2017, 9, 630–636. [Google Scholar] [CrossRef][Green Version]
- Bong, F.L.; Lim, E.H.; Lo, F.L. Flexible folded-patch Antenna with serrated edges for metal-mountable UHF RFID tag. IEEE Trans. Antennas Propag. 2017, 65, 873–877. [Google Scholar] [CrossRef]
- Son, H.-W.; Pyo, C.-S. Design of RFID tag antennas using an inductively coupled feed. Electron. Lett. 2005, 41, 994–996. [Google Scholar] [CrossRef]
- Genovesi, S.; Monorchio, A. Low-profile three-arm folded dipole antenna for UHF band RFID tags mountable on metallic objects. IEEE Antennas Wirel. Propag. Lett. 2010, 9, 1225–1228. [Google Scholar] [CrossRef]
- Lee, S.R.; Lim, E.H.; Bong, F.L.; Chung, B.K. Slotted circular patch with multiple loading stubs for platform insensitive tag. IEEE Trans. Antennas Propag. 2018, 66, 5072–5079. [Google Scholar] [CrossRef]
- Ng, W.H.; Lim, E.H.; Bong, F.L.; Chung, B.K. Folded patch Antenna with tunable inductive slots and stubs for UHF tag design. IEEE Trans. Antennas Propag. 2018, 66, 2799–2806. [Google Scholar] [CrossRef]
- Alhawari, A.R.H.; Ismail, A.; Jalal, A.S.A.; Abudullah, R.S.A.R.; Rasid, M.F.A. U-shaped inductively coupled feed radio frequency identification tag antennas for gain enhancement. Electromagnetics 2014, 34, 487–496. [Google Scholar] [CrossRef]
- Zhang, J.; Long, Y. A miniaturized via-patch loaded dual-layer rfid tag antenna for metallic object applications. IEEE Antennas Wirel. Propag. Lett. 2013, 12, 1184–1187. [Google Scholar] [CrossRef]
- Yang, E.-S.; Son, H.-W. Dual-polarised metal-mountable UHF RFID tag antenna for polarisation diversity. Electron. Lett. 2016, 52, 496–498. [Google Scholar] [CrossRef]
- Zeng, W.; Zhao, J.; Ke, B.; Wu, Q. Compact microstrip RFID tag antenna mountable on metallic objects. Procedia Eng. 2011, 16, 320–324. [Google Scholar] [CrossRef]
- Lee, S.R.; Lim, E.H.; Bong, F.L.; Chung, B.K. Slotted folded patch antenna with double-t-slots for platform insensitive UHF tag design. IEEE Trans. Antennas Propag. 2018, 67, 670–675. [Google Scholar] [CrossRef]









| Reference | Substrate | Realized Gain (dB) | Read Rang (m) | ||||
|---|---|---|---|---|---|---|---|
| [21] | 873.6 | FR4 + PTFE | 4 | −15 | 0 | 5.2 | |
| [34] | 1254.4 | FR4 | 4 | −15 | −11.2 | 1.8 | |
| [23] | 4659.2 | FR4 | 4 | −15 | −3.8 | 4 | |
| [7] | 8112.9 | Taconic RF-60 + Foam | - | - | −0.7 | 4.8 | |
| [30] | 1459.5 | FR4 | 2 | −15 | −9.66 | 2.2 | |
| [35] | 8192 | FR4 | 4 | −17.4 | −1.18 | 10.2 | |
| [36] | 4320 | FR4 | 4 | - | 1.63 | 6.2 | |
| [24] | 3000 | PET + Foam | 4 | −17.8 | −0.9 | 10.7 | |
| [25] | 2700 | PET + Foam | 4 | −20 | 1 | 14.5 | |
| [26] | 4828 | PET + Foam | 3.28 | −20 | −18 | 1.8 | |
| [28] | 2700 | PET + Foam | 4 | −17.8 | −5 | 7.2 | |
| [32] | 2560 | PET + Foam | 3.28 | −20 | −8 | 6.3 | |
| [37] | 3360 | PET + Foam | 4 | −20 | −10 | 5.2 | |
| Proposed | 2420 | PTFE | 3.28 | −8 | −0.53 | 3.72 |
© 2019 by the authors. Licensee MDPI, Basel, Switzerland. This article is an open access article distributed under the terms and conditions of the Creative Commons Attribution (CC BY) license (http://creativecommons.org/licenses/by/4.0/).
Share and Cite
Erman, F.; Hanafi, E.; Lim, E.-H.; Wan Mohd Mahyiddin, W.A.; Harun, S.W.; Umair, H.; Soboh, R.; Makmud, M.Z.H. Miniature Compact Folded Dipole for Metal Mountable UHF RFID Tag Antenna. Electronics 2019, 8, 713. https://doi.org/10.3390/electronics8060713
Erman F, Hanafi E, Lim E-H, Wan Mohd Mahyiddin WA, Harun SW, Umair H, Soboh R, Makmud MZH. Miniature Compact Folded Dipole for Metal Mountable UHF RFID Tag Antenna. Electronics. 2019; 8(6):713. https://doi.org/10.3390/electronics8060713
Chicago/Turabian StyleErman, Fuad, Effariza Hanafi, Eng-Hock Lim, Wan Amirul Wan Mohd Mahyiddin, Sulaiman Wadi Harun, Hassan Umair, Rawan Soboh, and Mohamad Zul Hilmey Makmud. 2019. "Miniature Compact Folded Dipole for Metal Mountable UHF RFID Tag Antenna" Electronics 8, no. 6: 713. https://doi.org/10.3390/electronics8060713
APA StyleErman, F., Hanafi, E., Lim, E.-H., Wan Mohd Mahyiddin, W. A., Harun, S. W., Umair, H., Soboh, R., & Makmud, M. Z. H. (2019). Miniature Compact Folded Dipole for Metal Mountable UHF RFID Tag Antenna. Electronics, 8(6), 713. https://doi.org/10.3390/electronics8060713

