Active Power Decoupling for Current Source Converters: An Overview Scenario
Abstract
:1. Introduction
2. Problem Definition
3. DC-Side Power Decoupling Solutions
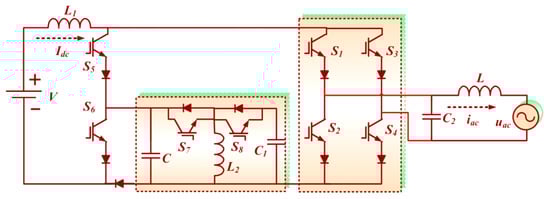
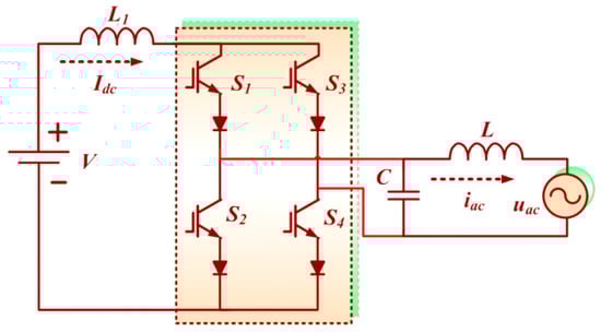
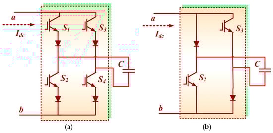
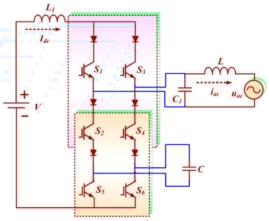
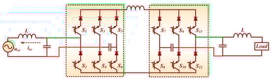
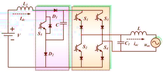
4. The Typical Circuit Structure of AC Side Decoupling
5. Discussions and Conclusions
Author Contributions
Funding
Conflicts of Interest
Abbreviations
| Acronyms | |
| AD | active damping |
| UPS | uninterruptible power supply |
| SMES | superconductor magnetic energy storage |
| HVDC | high voltage direct current |
| FACT | flexible AC transmission |
| MPPT | maximum power point tracking |
| LED | light emitting diode |
| Nomenclature | |
| uac | grid voltage |
| iac | grid current |
| φ | phase-angle between grid voltage and current |
| Pac | output power |
| Po | constant power |
| Pr | ripple power |
References
- Senthilnathan, K.; Annapoorani, I. Multi-Port Current Source Inverter for Smart Microgrid Applications: A Cyber Physical Paradigm. Electronics 2019, 8, 1. [Google Scholar] [CrossRef]
- Colombi, S.; Balblano, C. Clean Input UPS with Fast Rectifier Control and Improved Battery Life. U.S. Patent US7768805, 3 August 2010. [Google Scholar]
- Wang, Z.; Jiang, L.; Zou, Z.; Cheng, M. Operation of SMES for the current source inverter fed distributed power system under islanding mode. IEEE Trans. Appl. Superconduct. 2012, 23, 5700404. [Google Scholar] [CrossRef]
- Guo, X. A novel CH5 inverter for single-phase transformerless photovoltaic system applications. IEEE Trans. Circ. Syst. II Express Briefs 2017, 64, 1197–1201. [Google Scholar] [CrossRef]
- Liang, J.; Nami, A.; Dijkhuizen, F.; Tenca, P.; Sastry, J. Current source modular multilevel converter for HVDC and FACTS. In Proceedings of the European Conference on Power Electronics and Applications, Lille, France, 2–6 September 2013; pp. 1–10. [Google Scholar]
- Kerekes, T.; Teodorescu, R.; Liserre, M.; Klumpner, C.; Sumner, M. Evaluation of Three-Phase Transformerless Photovoltaic Inverter Topologies. IEEE Trans. Power Electron. 2009, 24, 2202–2211. [Google Scholar] [CrossRef]
- Graditi, G.; Adinolfi, G.; Femia, N.; Vitelli, M. Comparative analysis of Synchronous Rectification Boost and Diode Rectification Boost converter for DMPPT applications. In Proceedings of the 2011 IEEE International Symposium on Industrial Electronics, Gdansk, Poland, 27–30 June 2011; pp. 1000–1005. [Google Scholar]
- Yang, B.; Li, W.; Gu, Y.; Cui, W.; He, X. Improved Transformerless Inverter with Common-Mode Leakage Current Elimination for a Photovoltaic Grid-Connected Power System. IEEE Trans. Power Electron. 2012, 27, 752–762. [Google Scholar] [CrossRef]
- Cecati, C.; Khalid, H.A.; Tinari, M.; Adinolfi, G.; Graditi, G. DC NanoGrid with Renewable Energy Sources and Modular DC/DC LLC Converter Building Block. IET Power Electron. 2016, 10, 536–544. [Google Scholar] [CrossRef]
- Adinolfi, G.; Graditi, G.; Siano, P.; Piccolo, A. Multi-Objective Optimal Design of Photovoltaic Synchronous Boost Converters Assessing Efficiency, Reliability and Cost Savings. IEEE Trans. Ind. Inform. 2015, 11, 1038–1048. [Google Scholar] [CrossRef]
- Cavalcanti, M.C.; De Oliveira, K.C.; De Farias, A.M.; Neves, F.A.; Azevedo, G.M.; Camboim, F.C. Modulation Techniques to Eliminate Leakage Currents in Transformerless Three-Phase Photovoltaic Systems. IEEE Trans. Ind. Electron. 2010, 57, 1360–1368. [Google Scholar] [CrossRef]
- Chen, W.; Hui, S.R. Elimination of an electrolytic capacitor in AC/DC light-emitting diode (LED) driver with high input power factor and constant output current. IEEE Trans. Power Electron. 2011, 27, 1598–1607. [Google Scholar] [CrossRef]
- Kim, H.; Shin, K.G. DESA: Dependable, Efficient, Scalable Architecture for management of large-scale batteries. IEEE Trans. Ind. Inform. 2011, 8, 406–417. [Google Scholar] [CrossRef]
- Shimizu, T.; Fujita, T.; Kimura, G.; Hirose, J. A unity power factor PWM rectifier with DC ripple compensation. IEEE Trans. Ind. Electron. 1997, 44, 447–455. [Google Scholar] [CrossRef]
- Hu, H.; Harb, S.; Kutkut, N.; Batarseh, I.; Shen, Z.J. A review of power decoupling techniques for microinverters with three different decoupling capacitor locations in PV systems. IEEE Trans. Power Electron. 2012, 28, 2711–2726. [Google Scholar] [CrossRef]
- Guo, X.; Zhang, X.; Guan, H.; Kerekes, T.; Blaabjerg, F. Three phase ZVR topology and modulation strategy for transformerless PV system. IEEE Trans. Power Electron. 2019, 34, 1017–1021. [Google Scholar] [CrossRef]
- Schimpf, F.; Norum, L. Effective use of film capacitors in single-phase PV-inverters by active power decoupling. In Proceedings of the 36th Annual Conference on IEEE Industrial Electronics Society, Glendale, AZ, USA, 7–10 November 2010; pp. 2784–2789. [Google Scholar]
- Yang, Y.; Ruan, X.; Zhang, L.; He, J.; Ye, Z. Feed-forward scheme for an electrolytic capacitor-less AC/DC LED driver to reduce output current ripple. IEEE Trans. Power Electron. 2014, 29, 5508–5517. [Google Scholar] [CrossRef]
- Cao, X.; Zhong, Q.; Ming, W. Ripple eliminator to smooth DC-Bus voltage and reduce the total capacitance required. IEEE Trans. Power Electron. 2015, 62, 2224–2235. [Google Scholar] [CrossRef]
- Krein, P.T.; Balog, R.S.; Mirjafari, M. Minimum energy and capacitance requirements for single-phase inverters and rectifiers using a ripple port. IEEE Trans. Power Electron. 2012, 27, 4690–4698. [Google Scholar] [CrossRef]
- Harb, S.; Mirjafari, M.; Balog, R.S. Ripple-port module-integrated inverter for grid-connected PV applications. IEEE Trans. Ind. Appl. 2013, 49, 2692–2698. [Google Scholar] [CrossRef]
- Nussbaumer, T.; Kolar, J.W. Improving mains current quality for three-phase three-switch buck-type PWM rectifiers. IEEE Trans. Power Electron. 2006, 21, 967–973. [Google Scholar] [CrossRef]
- Guo, X.; Yang, Y.; Zhu, T. ESI: A novel three-phase inverter with leakage current attenuation for transformerless PV systems. IEEE Trans. Ind. Electron. 2018, 65, 2967–2974. [Google Scholar] [CrossRef]
- Nussbaumer, T.; Baumann, M.; Kolar, J.W. Comprehensive design of a three-phase three-switch buck-type PWM rectifier. IEEE Trans. Power Electron. 2007, 22, 551–562. [Google Scholar] [CrossRef]
- Tang, Y.; Blaabjerg, F.; Loh, P.C.; Jin, C.; Wang, P. Decoupling of fluctuating power in single-phase systems through a symmetrical half-bridge circuit. IEEE Trans. Power Electron. 2015, 30, 1855–1865. [Google Scholar] [CrossRef]
- Serban, I. A novel transistor-less power decoupling solution for single-phase inverters. In Proceedings of the 39th Annual Conference of the IEEE Industrial Electronics Society, Vienna, Austria, 10–13 November 2013; pp. 1496–1500. [Google Scholar]
- Tang, Y.; Yao, W.; Wang, H.; Loh, P.C.; Blaabjerg, F. Transformerless photovoltaic inverters with leakage current and pulsating power elimination. In Proceedings of the 9th International Conference on Power Electronics and ECCE Asia, Seoul, Korea, 1–5 June 2015; pp. 115–122. [Google Scholar]
- Hu, H.; Harb, S.; Kutkut, N.; Batarseh, I.; Shen, Z.J. Power decoupling techniques for micro-inverters in PV systems-a review. In Proceedings of the 2010 IEEE Energy Conversion Congress and Exposition, Atlanta, GA, USA, 12–16 September 2010; pp. 3235–3240. [Google Scholar]
- Takahashi, H.; Takaoka, N.; Gutierrez, R.R.R.; Itoh, J.-I. Power decoupling method for isolated dc to single-phase ac converter using matrix converter. In Proceedings of the 20th European Conference on Power Electronics and Applications, Riga, Latvia, 17–21 September 2018; pp. 1–10. [Google Scholar]
- Cai, W.; Liu, B.; Duan, S.; Jiang, L. Power flow control and optimization of a three-port converter for photovoltaic-storage hybrid system. In Proceedings of the IEEE Energy Conversion Congress and Exposition, Raleigh, NC, USA, 15–20 September 2012; pp. 4121–4128. [Google Scholar]
- Han, H.; Liu, Y.; Sun, Y.; Su, M.; Xiong, W. Single-phase current source converter with power decoupling capability using a series-connected active buffer. IET Power Electron. 2015, 8, 700–707. [Google Scholar] [CrossRef]
- Liu, Y.; Sun, Y.; Su, M.; Li, X.; Ning, S. A Single Phase AC/DC/AC Converter with Unified Ripple Power Decoupling. IET Power Electron. 2018, 33, 3204–3217. [Google Scholar] [CrossRef]
- Ohnuma, Y.; Orikawa, K.; Itoh, J.I. A single-phase current source PV inverter with power decoupling capability using an active buffer. IEEE Trans. Ind. Appl. 2014, 51, 531–538. [Google Scholar] [CrossRef]
- Román, L.T.; Silva, L.S. A single-phase current-source inverter with active power filters for grid-tied PV systems. In Proceedings of the 3rd IEEE International Symposium on Power Electronics for Distributed Generation Systems, Aalborg, Denmark, 25–28 June 2012; pp. 349–356. [Google Scholar]
- Wei, L.; Skibinski, G.L.; Lukaszewski, R.A. Auxiliary Circuit for Use with Three-Phase Drive with Current Source Inverter Powering a Single-Phase Load. U.S. Patent 7518891B2, 14 April 2009. [Google Scholar]
- Vitorino, M.A.; Correa, M.B.D.R. Compensation of DC link oscillation in single-phase VSI and CSI converters for photovoltaic grid connection. IEEE Trans. Ind. Appl. 2014, 50, 2021–2028. [Google Scholar] [CrossRef]
- Su, M.; Pan, P.; Long, X.; Sun, Y.; Yang, J. An active power-decoupling method for single-phase AC-DC converters. IEEE Trans. Ind. Inf. 2014, 10, 461–468. [Google Scholar] [CrossRef]
- Vitorino, M.A.; Wang, R.; de Rossiter Corrêa, M.B.; Boroyevich, D. Compensation of DC-Link Oscillation in Single-Phase-to-Single-Phase VSC/CSC and Power Density Comparison. IET Power Electron. 2014, 50, 2021–2028. [Google Scholar] [CrossRef]
- Vitorino, M.A.; Correa, M.B.R.; Jacobina, C.B. Single-phase power compensation in a current source converter. In Proceedings of the 2013 IEEE Energy Conversion Congress and Exposition, Denver, CO, USA, 15–19 September 2013; pp. 5288–5293. [Google Scholar]
- Vitorino, M.A.; Hartmann, L.V.; Fernandes, D.A.; Silva, L.E.; Correa, M.B.R. Single-phase current source converter with new modulation approach and power decoupling. IEEE Appl. Power Electron. Conf. Expo. 2014, 16, 2200–2207. [Google Scholar]
- Liu, Y.; Sun, Y.; Su, M. Active power compensation method for single-phase current source rectifier without extra active switches. IET Power Electron. 2016, 9, 1719–1726. [Google Scholar] [CrossRef]
- Sun, Y.; Liu, Y.; Su, M. Active power decoupling method for single-phase current-source rectifer with no additional active switches. IEEE Trans. Power Electron. 2016, 31, 5644–5653. [Google Scholar] [CrossRef]
- Itoh, J.I.; Fayashi, F. Ripple current reduction of a fuel cell for a single-phase isolated converter using a dc active filter with a center tap. IEEE Trans. Power Electron. 2010, 25, 550–556. [Google Scholar] [CrossRef]
- Larsson, T.; Ostlund, S. Active DC link filter for two frequency electric locomotives. In Proceedings of the International Conference on Electric Railways in a United Europe, Amsterdam, The Netherlands, 27–30 March 1995; pp. 97–100. [Google Scholar]
- Cai, W.; Jiang, L.; Liu, B.; Zou, C. A power decoupling method based on four-switch three-port DC/DC/AC converter in dc microgrid. IEEE Trans. Ind. Appl. 2015, 51, 336–343. [Google Scholar] [CrossRef]
- Shimizu, T.; Fujioka, Y.; Kimura, G. DC ripples current reduction method on a single phase PWM voltage source converter. In Proceedings of the IEEE Power Conversion Conference, Nagaoka, Japan, 6 August 1998; Volume 1, pp. 525–530. [Google Scholar]
- Shimizu, T.; Jin, Y.; Kimura, G. DC ripple current reduction on a single-phase PWM voltage-source rectifier. IEEE Trans. Ind. Appl. 2000, 36, 1419–1429. [Google Scholar] [CrossRef]
- Guo, X.; Yang, Y.; Wang, X. Optimal space vector modulation of current source converter for dc-link current ripple reduction. IEEE Trans. Ind. Electron. 2019, 66, 1671–1680. [Google Scholar] [CrossRef]
- Tsuno, K.; Shimizu, T.; Wada, K.; Ishii, K. Optimization of the DC ripples energy compensating circuit on a single-phase voltage source PWM rectifier. In Proceedings of the IEEE 35th Annual Power Electronics Specialists Conference (IEEE Cat. No.04CH37551), Aachen, Germany, 20–25 June 2004; pp. 316–321. [Google Scholar]

















| Power Rating | Auxiliary Components | Connection Method | Circuit Performance | Advantages and Disadvantages | |
|---|---|---|---|---|---|
| Figure 4 [31] | 139.2 W | 1 Capacitor (91.8 µF) + 2 Switches + 2 Diodes | In series (DC side) | Efficiency: 84%. Effect: Second-order harmonic current ripple is reduced by 87.99%. Dynamic response: within 5 ms. | Advantages: Easy control and simple circuit structure. Disadvantages: Endangering the system stability due to the connected power decoupling circuit. |
| Figure 5 [32] | 300 W | 1 Capacitor (100 µF) + 2 Switches + 2 Diodes | In series (DC side) | Effect: Second-order harmonic current ripple reduced to 1.72% of DC link current. Dynamic response: within 1 ms. | Advantage: Less auxiliary switches Disadvantages: Control is complex, Endangering the system stability due to connected power decoupling circuit |
| Figure 6 [33] | 500 W | 1 Capacitor (50 µF) + 1 Switch + 2 Diodes | In parallel (DC side) | THD: Less than 5%. The output power factor can reach to 99.9% Efficiency: Maximum efficiency of 94.9% Effect: Voltage ripple is reduced to 8.87% | Advantages: System stability. Disadvantage: Control is complex. |
| Figure 7 [34] | / | 1 Capacitor + 4 Switches + 1 Diodes | In parallel (DC side) | Effect: MPPT performance can be improved for the PV converter. | Advantages: System stability. Disadvantage: Circuit structure complex, Much auxiliary switch. |
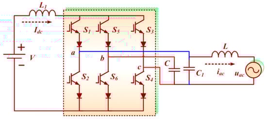
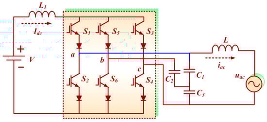
| Figure 8 [35] | / | 3 Capacitors + 2 Switches | In parallel (AC side) | / | Advantage: Bridge arms multiplexing, Less auxiliary switches Disadvantage: Control is complex. |
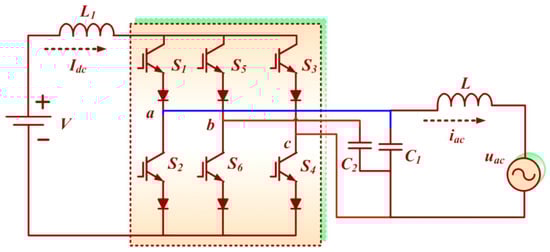
| Figure 9 [35] | 2 Capacitors + 2 Switches | In parallel (AC side) | |||
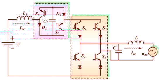
| Figure 10 [36] | 1 kW | 1 Capacitor (10 µF) + 2 Switches | In parallel (AC side) | Effect: The input current ripple is reduced to 1.86% of DC-link current. | Advantages: Bridge arms multiplexing, Control is easy relatively. Disadvantage: Control is complex. |
| Figure 11 [38] | 515 W | 2 Capacitor (100 µF, 100 µF) + 4 Switches | In parallel (AC side) | Efficiency: 85.05%. Effect: The input voltage ripple is reduced to 3.9% of DC-link voltage. | Advantage: Simple control. Disadvantages: Extra switches for decoupling circuits exist on both AC-sides. |
| Figure 12b [39] | 1 kW | 2 Capacitors (32 µF, 32 µF) + 2 Switches | In parallel (AC side) | Effect: The input current ripple is reduced to 3% of DC-link current. | Advantage: Bridge arm multiplexing. Disadvantage: Control is complex. |
| Figure 13 [40] | 1 kW | 1 Capacitor (50 µF) + 2 Switches | / | Effect: The input current ripple is reduced to 4.275% of DC-link current. The input voltage ripple can be reduced to 8.6% of DC-link voltage. | Advantage: Switch multiplexing. Disadvantages: Endangering system stability due to a bridge arm with three switches. |
| Figure 14a [41] | 217.5 W | 1 Capacitor (90 µF) | / | THD: 4.63%. Efficiency: The power losses caused by decoupling circuit is about 1.5% Dynamic response: within 1 ms. | Advantage: No extra switches. Disadvantage: Control is complex. |
| Figure 14b [42] | 217.5 W | 2 Capacitors (90 µF total) | / | THD: 4.47%. Effect: Second-order harmonic current ripple is reduced to 2.36% Dynamic response: within 1 ms. | Advantages: No extra switches, More optional circuit states. Disadvantage: complex control |
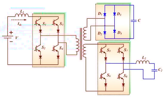
| Figure 15 [43] | / | 1 Capacitor + 4 switches + transformer | Isolated with main converter (AC side) | Efficiency: The power losses are high due to the losses of auxiliary switches and transformer. | Advantage: Independent structure. Disadvantages: Need a transformer, high power loss. |
© 2019 by the authors. Licensee MDPI, Basel, Switzerland. This article is an open access article distributed under the terms and conditions of the Creative Commons Attribution (CC BY) license (http://creativecommons.org/licenses/by/4.0/).
Share and Cite
Zhang, J.; Ding, H.; Wang, B.; Guo, X.; Padmanaban, S. Active Power Decoupling for Current Source Converters: An Overview Scenario. Electronics 2019, 8, 197. https://doi.org/10.3390/electronics8020197
Zhang J, Ding H, Wang B, Guo X, Padmanaban S. Active Power Decoupling for Current Source Converters: An Overview Scenario. Electronics. 2019; 8(2):197. https://doi.org/10.3390/electronics8020197
Chicago/Turabian StyleZhang, Jianhua, Hao Ding, Baocheng Wang, Xiaoqiang Guo, and Sanjeevikumar Padmanaban. 2019. "Active Power Decoupling for Current Source Converters: An Overview Scenario" Electronics 8, no. 2: 197. https://doi.org/10.3390/electronics8020197
APA StyleZhang, J., Ding, H., Wang, B., Guo, X., & Padmanaban, S. (2019). Active Power Decoupling for Current Source Converters: An Overview Scenario. Electronics, 8(2), 197. https://doi.org/10.3390/electronics8020197

