EMI Filter Design for a Single-stage Bidirectional and Isolated AC–DC Matrix Converter
Abstract
1. Introduction
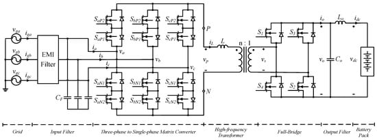
2. High-Frequency Link Matrix Converter
3. Standards and CE Measurement
4. Design of Differential-Mode Filter
4.1. Spectrum of the Converter Input Current
4.2. Spectrum of the Measured Voltage
4.3. Required Attenuation
4.4. Topology
4.5. Components
4.5.1. Stage 1
4.5.2. Stage 2
4.5.3. Stage 3
4.6. Evaluation of the DM Filter
5. Design of the Common-Mode Filter
5.1. Common-Mode Voltage
5.2. Spectrum of the Measured Voltage
5.3. Required Attenuation
5.4. Topology
5.5. Components
5.6. Evaluation of the CM Filter
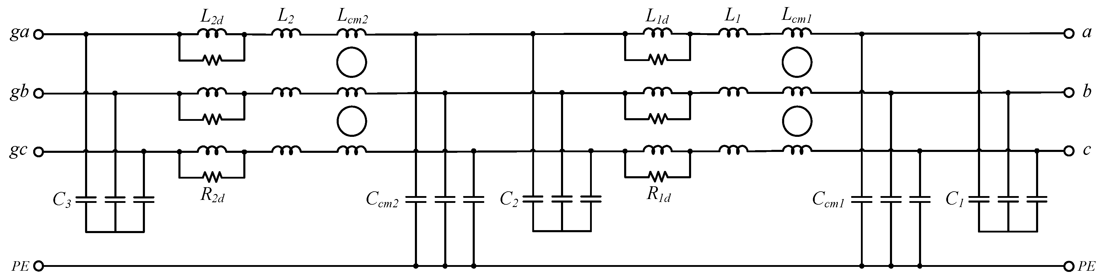
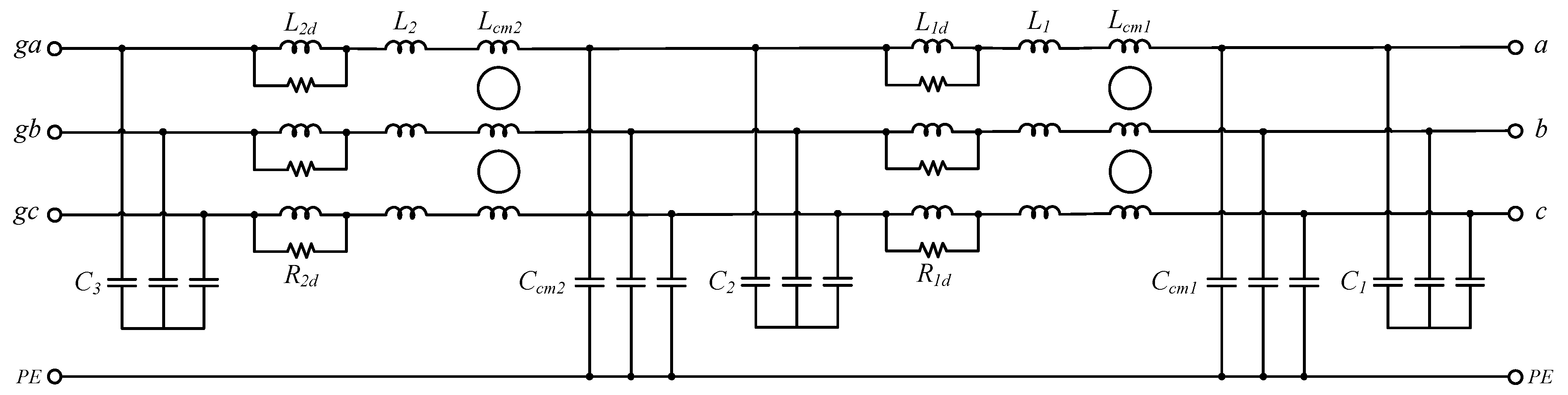
6. Integration of DM and CM Filter
7. Experimental Results and Discussion
8. Conclusions
9. Patents
Author Contributions
Funding
Conflicts of Interest
Abbreviations
| AC–DC | Alternating Current to Direct Current |
| AVG | AVG |
| BESS | Battery Energy Storage Systems |
| BNC | Bayonet Neill–Concelman |
| CE | Conducted Emissions |
| CISPR | International Special Committee on Radio Interference |
| CM | Common-Mode |
| DM | Differential-Mode |
| DUT | Device Under Test |
| EMC | Electromagnetic Compatibility |
| EMI | Electromagnetic Interference |
| EV | Electric Vehicles |
| HF | High-Frequency |
| HFLMC | High-Frequency Link Matrix Converter |
| HFT | High-Frequency Transformer |
| IEC | International Electrotechnical Commission |
| LISN | Line Impedance Stabilizing Network |
| LF | Low-frequency |
| MC | Matrix Converter |
| MOSFET | Metal Oxide Semiconductor Field Effect Transistor |
| MKP | Metallized Polypropylene Capacitors |
| PCB | Printed Circuit Board |
| PE | Protective Earth (Ground) |
| PF | Power Factor |
| PK | Peak |
| QP | Quasi-Peak |
| RMS | Root Mean Square |
| THD | Total Harmonic Distortion |
| TR | Test Receiver |
| VNA | Vector Network Analyzer |
References
- Williamson, S.S.; Rathore, A.K.; Musavi, F. Industrial Electronics for Electric Transportation: Current State-of-the-Art and Future Challenges. IEEE Trans. Ind. Electron. 2015, 62, 3021–3032. [Google Scholar] [CrossRef]
- Vazquez, S.; Lukic, S.M.; Galvan, E.; Franquelo, L.G.; Carrasco, J.M. Energy Storage Systems for Transport and Grid Applications. IEEE Trans. Ind. Electron. 2010, 57, 3881–3895. [Google Scholar] [CrossRef]
- Strasser, T.; Andren, F.; Kathan, J.; Cecati, C.; Buccella, C.; Siano, P.; Leitao, P.; Zhabelova, G.; Vyatkin, V.; Vrba, P.; et al. A Review of Architectures and Concepts for Intelligence in Future Electric Energy Systems. IEEE Trans. Ind. Electron. 2015, 62, 2424–2438. [Google Scholar] [CrossRef]
- Bose, B.K. Global Energy Scenario and Impact of Power Electronics in 21st Century. IEEE Trans. Ind. Electron. 2013, 60, 2638–2651. [Google Scholar] [CrossRef]
- Grainger, B.M.; Reed, G.F.; Sparacino, A.R.; Lewis, P.T. Power Electronics for Grid-Scale Energy Storage. Proc. IEEE 2014, 102, 1000–1013. [Google Scholar] [CrossRef]
- Yilmaz, M.; Krein, P.T. Review of Battery Charger Topologies, Charging Power Levels, and Infrastructure for Plug-In Electric and Hybrid Vehicles. IEEE Trans. Power Electron. 2013, 28, 2151–2169. [Google Scholar] [CrossRef]
- Vasiladiotis, M.; Rufer, A. A Modular Multiport Power Electronic Transformer With Integrated Split Battery Energy Storage for Versatile Ultrafast EV Charging Stations. IEEE Trans. Ind. Electron. 2015, 62, 3213–3222. [Google Scholar] [CrossRef]
- Varajao, D.; Araujo, R.E.; Miranda, L.M.; Lopes, J.P.; Weise, N.D. Control of an isolated single-phase bidirectional AC–DC matrix converter for V2G applications. Electr. Power Syst. Res. 2017, 149, 19–29. [Google Scholar] [CrossRef]
- Branco, C.G.C.; Torrico-Bascope, R.P.; Cruz, C.M.T.; de A Lima, F.K. Proposal of Three-Phase High-Frequency Transformer Isolation UPS Topologies for Distributed Generation Applications. IEEE Trans. Ind. Electron. 2013, 60, 1520–1531. [Google Scholar] [CrossRef]
- Hengsi, Q.; Kimball, J.W. Solid-State Transformer Architecture Using AC–AC Dual-Active-Bridge Converter. IEEE Trans. Ind. Electron. 2013, 60, 3720–3730. [Google Scholar]
- Dragicevic, T.; Vasquez, J.C.; Guerrero, J.M.; Skrlec, D. Advanced LVDC Electrical Power Architectures and Microgrids: A step toward a new generation of power distribution networks. IEEE Electrif. Mag. 2014, 2, 54–65. [Google Scholar] [CrossRef]
- Mantooth, H.A.; Glover, M.D.; Shepherd, P. Wide Bandgap Technologies and Their Implications on Miniaturizing Power Electronic Systems. IEEE J. Emerg. Sel. Top. Power Electron. 2014, 2, 374–385. [Google Scholar] [CrossRef]
- Giglia, G.; Ala, G.; Di Piazza, M.; Giaconia, G.; Luna, M.; Vitale, G.; Zanchetta, P. Automatic EMI Filter Design for Power Electronic Converters Oriented to High Power Density. Electronics 2018, 7, 9. [Google Scholar] [CrossRef]
- Wheeler, P.W.; Rodriguez, J.; Clare, J.C.; Empringham, L.; Weinstein, A. Matrix converters: A technology review. IEEE Trans. Ind. Electron. 2002, 49, 276–288. [Google Scholar] [CrossRef]
- Kolar, J.W.; Friedli, T.; Rodriguez, J.; Wheeler, P.W. Review of Three-Phase PWM AC-AC Converter Topologies. IEEE Trans. Ind. Electron. 2011, 58, 4988–5006. [Google Scholar] [CrossRef]
- Varajao, D.; Miranda, L.M.; Araujo, R.E. Towards a new technological solution for Community Energy Storage. In Proceedings of the 16th European Conference on Power Electronics and Applications, Lappeenranta, Finland, 26–28 August 2014; pp. 1–10. [Google Scholar]
- Varajao, D.; Araujo, R.E.; Miranda, L.M.; Lopes, J.A.P. Modulation Strategy for a Single-stage Bidirectional and Isolated AC–DC Matrix Converter for Energy Storage Systems. IEEE Trans. Ind. Electron. 2018, 65, 3458–3468. [Google Scholar] [CrossRef]
- Varajao, D.; Miranda, L.M.; Araujo, R.E. AC/DC Converter with Three To Single Phase Matrix Converter, Full-Bridge AC/DC Converter and HF Transformer. U.S. Patent 9,973,107, 15 May 2018. [Google Scholar]
- Rizzoli, G.; Zarri, L.; Mengoni, M.; Tani, A.; Attilio, L.; Serra, G.; Casadei, D. Comparison between an AC–DC matrix converter and an interleaved DC-DC converter with power factor corrector for plug-in electric vehicles. In Proceedings of the 2014 IEEE International Electric Vehicle Conference (IEVC), Florence, Italy, 17–19 December 2014; pp. 1–6. [Google Scholar] [CrossRef]
- Friedli, T.; Kolar, J.W.; Rodriguez, J.; Wheeler, P.W. Comparative Evaluation of Three-Phase AC–AC Matrix Converter and Voltage DC-Link Back-to-Back Converter Systems. IEEE Trans. Ind. Electron. 2012, 59, 4487–4510. [Google Scholar] [CrossRef]
- Wheeler, P.; Grant, D. Optimised input filter design and low-loss switching techniques for a practical matrix converter. IEE Proc. Electr. Power Appl. 1997, 144, 53–60. [Google Scholar] [CrossRef]
- Erickson, R.W. Optimal single resistors damping of input filters. In Proceedings of the Fourteenth Annual Applied Power Electronics Conference and Exposition. (APEC ’99), Dallas, TX, USA, 14–18 March 1999; Volume 2, pp. 1073–1079. [Google Scholar]
- Nussbaumer, T.; Heldwein, M.L.; Kolar, J.W. Differential Mode Input Filter Design for a Three-Phase Buck-Type PWM Rectifier Based on Modeling of the EMC Test Receiver. IEEE Trans. Ind. Electron. 2006, 53, 1649–1661. [Google Scholar] [CrossRef]
- Hamouda, M.; Fnaiech, F.; Al-Haddad, K. Input filter design for SVM Dual-Bridge Matrix Converters. In Proceedings of the IEEE International Symposium on Industrial Electronics (ISIE ’06), Montreal, QC, Canada, 9–13 July 2006; Volume 2, pp. 797–802. [Google Scholar]
- Pinto, S.; Silva, J. Input Filter Design of a Mains Connected Matrix Converter. In Proceedings of the IEEE 12th ICHQP International Conference on Harmonics and Quality of Power, Cascais, Portugal, 1–6 October 2006; pp. 1–6. [Google Scholar]
- Kume, T.; Yamada, K.; Higuchi, T.; Yamamoto, E.; Hara, H.; Sawa, T.; Swamy, M.M. Integrated Filters and Their Combined Effects in Matrix Converter. IEEE Trans. Ind. Appl. 2007, 43, 571–581. [Google Scholar] [CrossRef]
- Heldwein, M.L.; Kolar, J.W. Impact of EMC Filters on the Power Density of Modern Three-Phase PWM Converters. IEEE Trans. Power Electron. 2009, 24, 1577–1588. [Google Scholar] [CrossRef]
- Hongwu, S.; Hua, L.; Xingwei, W.; Limin, Y. Damped input filter design of matrix converter. In Proceedings of the 2009 International Conference on Power Electronics and Drive Systems (PEDS), Taipei, Taiwan, 2–5 November 2009; pp. 672–677. [Google Scholar]
- Raggl, K.; Nussbaumer, T.; Kolar, J.W. Guideline for a Simplified Differential-Mode EMI Filter Design. IEEE Trans. Ind. Electron. 2010, 57, 1031–1040. [Google Scholar] [CrossRef]
- Espina, J.; Balcells, J.; Arias, A.; Ortega, C. Common Mode EMI Model for a Direct Matrix Converter. IEEE Trans. Ind. Electron. 2011, 58, 5049–5056. [Google Scholar] [CrossRef]
- Trentin, A.; Zanchetta, P.; Clare, J.; Wheeler, P. Automated Optimal Design of Input Filters for Direct AC/AC Matrix Converters. IEEE Trans. Ind. Electron. 2012, 59, 2811–2823. [Google Scholar] [CrossRef]
- Qiong, W.; Bo, W.; Xuning, Z.; Burgos, R.; Mattavelli, P.; Boroyevich, D. Input and output EMI filter design procedure for matrix converters. In Proceedings of the 39th Annual Conference of the IEEE Industrial Electronics Society (IECON ’13), Vienna, Austria, 10–13 November 2013; pp. 4868–4873. [Google Scholar]
- Sahoo, A.K.; Basu, K.; Mohan, N. Systematic Input Filter Design of Matrix Converter by Analytical Estimation of RMS Current Ripple. IEEE Trans. Ind. Electron. 2015, 62, 132–143. [Google Scholar] [CrossRef]
- Varajao, D.; Miranda, L.M.; Araujo, R.E.; Lopes, J.P. Power Transformer for a Single-stage Bidirectional and Isolated AC–DC Matrix Converter for Energy Storage Systems. In Proceedings of the 42nd Annual Conference of the IEEE Industrial Electronics Society (IECON ’16), Florence, Italy, 23–26 October 2016. [Google Scholar]
- Tihanyi, L. Electromagnetic Compatibility in Power Electronics; IEEE Press: Piscataway, NJ, USA, 1995. [Google Scholar]
- IEC. Electromagnetic Compatibility (EMC)—Part 3-2: Limits for Harmonic Current Emissions; IEC: Geneva, Switzerland, 2018. [Google Scholar]
- C.I.S.P.R. Industrial, Scientific and Medical Equipment—Radio-frequency Disturbance Characteristics—Limits and Methods of Measurement—Publication 11. In International Special Committee on Radio Interference; IEC: Geneva, Switzerland, 1997.
- Gecko-Simulations, A.G. GeckoCIRCUITS, v1.72 Professional. Available online: http://gecko-simulations.com/geckocircuits.html (accessed on 16 September 2018 ).
- C.I.S.P.R. Specification for Radio Disturbance and Immunity Measuring Apparatus and Methods— Publication 16. In International Special Committee on Radio Interference; IEC: Geneva, Switzerland, 1993.
- Williams, T. EMC for Product Designers: Meeting the European EMC Directive; Elsevier Newnes: Oxford, UK, 2000. [Google Scholar]
- Heldwein, M. EMC Filtering of Three-Phase PWM Converters. Ph.D. Thesis, ETH Zürich, Zürich, Switzerland, 2008. [Google Scholar]
- Klumpner, C.; Nielsen, P.; Boldea, I.; Blaabjerg, F. A new matrix converter motor (MCM) for industry applications. IEEE Trans. Ind. Electron. 2002, 49, 325–335. [Google Scholar] [CrossRef]
- Schweizer, M.; Kolar, J.W. Shifting input filter resonances - An intelligent converter behavior for maintaining system stability. In Proceedings of the The 2010 International Power Electronics Conference, Sapporo, Japan, 21–24 June 2010; pp. 906–913. [Google Scholar]
- Erickson, R.W.; Maksimovic, D. Input Filter Design. In Fundamentals of Power Electronics; Chapter 10; Springer: New York, USA, 2001; pp. 377–408. [Google Scholar]
- Andreu, J.; Kortabarria, I.; Ormaetxea, E.; Ibarra, E.; Martin, J.L.; Apinaniz, S. A Step Forward Towards the Development of Reliable Matrix Converters. IEEE Trans. Ind. Electron. 2012, 59, 167–183. [Google Scholar] [CrossRef]
- Friedli, T. Comparative Evaluation of Three-Phase Si and SiC AC–AC Converter Systems. Ph.D. Thesis, ETH Zürich, Zürich, Switzerland, 2010. [Google Scholar]
- IEC. Electromagnetic Compatibility (EMC)—Part 3-3: Limitation of Voltage Changes, Voltage Fluctuations and Flicker in Public Low-Voltage Supply Systems; IEC: Geneva, Switzerland, 2017. [Google Scholar]
- Ott, H. Electromagnetic Compatibility Engineering; Wiley: Hoboken, NJ, USA, 2009. [Google Scholar]
- Nave, M. Power Line Filter Design for Switched-Mode Power Supplies; Van Nostrand Reinhold: New York, NY, USA, 1991. [Google Scholar]
- Heldwein, M.; Nussbaumer, T.; Kolar, J. Common mode modelling and filter design for a three-phase buck-type pulse width modulated rectifier system. IET Power Electron. 2010, 3, 209–218. [Google Scholar] [CrossRef]
- Micrometals. Power Conversion & Line Filter Applications; Micrometals: Anaheim, CA, USA, 2007. [Google Scholar]
- Gecko-Simulations, A.G. GeckoMAGNETICS, v1.4.4 Professional. Available online: http://gecko-simulations.com/geckomagnetics.html. (accessed on 16 September 2018 ).
- Kostov, K.S.; Kyyra, J.J. Insertion loss and network parameters in the analysis of power filters. In Proceedings of the Nordic Workshop on Power and Industrial Electronics (NORPIE ’08), Helsinki, Finland, 9–11 June 2008; EPE Association: Brussels, Belgium, 2008; pp. 1–5. [Google Scholar]
- C.I.S.P.R. Methods of measurement of the suppression characteristics of passive radio interference filters and suppression components—Publication 17. In IEC International Special Committee on Radio Interference; IEC: Geneva, Switzerland, 2011.
- Coilcraft. Surface Mount and Through Hole RF Transformers; Coilcraft: Cary, IL, USA, 2014. [Google Scholar]
- Kovacevic, I.F.; Friedli, T.; Muesing, A.M.; Kolar, J.W. 3-D Electromagnetic Modeling of EMI Input Filters. IEEE Trans. Ind. Electron. 2014, 61, 231–242. [Google Scholar] [CrossRef]
- Bensetti, M.; Duval, F.; Ravelo, B. Thermal Effect Modeling on Passive Circuits with MLP Neural Network for EMC Application. Prog. Electromagn. Res. 2011, 19, 39–52. [Google Scholar] [CrossRef]






















| Component | Specification |
|---|---|
| EPCOS, MKP B32928C3206K, X2, 20 F, 305 V | |
| EPCOS, MKP B32924C3225K, X2, 2.2 F, 305 V | |
| Murata, GA3 GB563K, X7R, 56 nF, 250 V (×3) | |
| Micrometals, Iron Powder T184-52, 21 turns, 12 AWG | |
| Bourns, SMD CRS, 3.3 , 2 W | |
| Bourns, SMD CRS, 10 , 2 W | |
| Murata, Ceramic DE2F3KY, Y2, 10 nF, 250 V | |
| Schaffner, RB8532-16-1M3, 1.3 mH, 16 A |
© 2018 by the authors. Licensee MDPI, Basel, Switzerland. This article is an open access article distributed under the terms and conditions of the Creative Commons Attribution (CC BY) license (http://creativecommons.org/licenses/by/4.0/).
Share and Cite
Varajão, D.; Esteves Araújo, R.; Miranda, L.M.; Peças Lopes, J.A. EMI Filter Design for a Single-stage Bidirectional and Isolated AC–DC Matrix Converter. Electronics 2018, 7, 318. https://doi.org/10.3390/electronics7110318
Varajão D, Esteves Araújo R, Miranda LM, Peças Lopes JA. EMI Filter Design for a Single-stage Bidirectional and Isolated AC–DC Matrix Converter. Electronics. 2018; 7(11):318. https://doi.org/10.3390/electronics7110318
Chicago/Turabian StyleVarajão, Diogo, Rui Esteves Araújo, Luís M. Miranda, and João A. Peças Lopes. 2018. "EMI Filter Design for a Single-stage Bidirectional and Isolated AC–DC Matrix Converter" Electronics 7, no. 11: 318. https://doi.org/10.3390/electronics7110318
APA StyleVarajão, D., Esteves Araújo, R., Miranda, L. M., & Peças Lopes, J. A. (2018). EMI Filter Design for a Single-stage Bidirectional and Isolated AC–DC Matrix Converter. Electronics, 7(11), 318. https://doi.org/10.3390/electronics7110318

