Field-Programmable Gate Array Implementation of Backprojection Algorithm for Circular Synthetic Aperture Radar
Abstract
1. Introduction
2. Background
2.1. Basic Principles of SAR
2.2. Backprojection Algorithm
3. Proposed BPA Hardware Accelerator
3.1. SAR Datasets
3.2. Bit Width Optimization
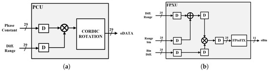
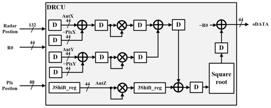
3.3. Design of the Function Unit
4. Implementation Results of the Proposed BPA Accelerator
5. Discussion
6. Conclusions
Author Contributions
Funding
Data Availability Statement
Conflicts of Interest
References
- Brown, W.M. Synthetic aperture radar. IEEE Trans. Aerosp. Electron. Syst. 1967, 2, 217–229. [Google Scholar] [CrossRef]
- Jakowatz, C.V.; Wahl, D.E.; Eichel, P.H.; Ghiglia, D.C.; Thompson, P.A. Spotlight-Mode Synthetic Aperture Radar: A Signal Processing Approach; Springer: Boston, MA, USA, 1996. [Google Scholar]
- Soumekh, M. Synthetic Aperture Radar Signal Processing with MATLAB Algorithms; John Wiley & Sons: New York, NY, USA, 1999. [Google Scholar]
- Moreira, A.; Prats-Iraola, P.; Younis, M.; Krieger, G.; Hajnsek, I.; Papathanassiou, K.P. A tutorial on synthetic aperture radar. IEEE Geosci. Remote Sens. Mag. 2013, 1, 6–43. [Google Scholar] [CrossRef]
- Soumekh, M. Reconnaissance with slant plane circular SAR imaging. IEEE Trans. Image Process. 1996, 5, 1252–1265. [Google Scholar] [CrossRef] [PubMed]
- Pinheiro, M.; Prats, P.; Scheiber, R.; Nannini, M.; Reigber, A. Tomographic 3D reconstruction from airborne circular SAR. In Proceedings of the 2009 IEEE International Geoscience and Remote Sensing Symposium, Cape Town, South Africa, 12–17 July 2009; Volume 3. [Google Scholar]
- Lin, Y.; Hong, W.; Tan, W.; Wang, Y.; Wu, Y. Interferometric circular SAR method for three-dimensional imaging. IEEE Geosci. Remote Sens. Lett. 2011, 8, 1026–1030. [Google Scholar] [CrossRef]
- Chen, L.; Jiang, X.; Li, Z.; Liu, X.; Zhou, Z. Feature-enhanced speckle reduction via low-rank and space-angle continuity for circular SAR target recognition. IEEE Trans. Geosci. Remote Sens. 2020, 58, 7734–7752. [Google Scholar] [CrossRef]
- Ge, B.; An, D.; Chen, L.; Wang, W.; Feng, D.; Zhou, Z. Ground moving target detection and trajectory reconstruction methods for multichannel airborne circular SAR. IEEE Trans. Aerosp. Electron. Syst. 2022, 58, 2900–2915. [Google Scholar] [CrossRef]
- Ishimaru, A.; Chan, T.K.; Kuga, Y. An imaging technique using confocal circular synthetic aperture radar. IEEE Trans. Geosci. Remote Sens. 1998, 36, 1524–1530. [Google Scholar] [CrossRef]
- Chen, L.; An, D.; Huang, X. A backprojection-based imaging for circular synthetic aperture radar. IEEE J. Sel. Top. Appl. Earth Obs. Remote Sens. 2017, 10, 3547–3555. [Google Scholar] [CrossRef]
- Lanari, R.; Zoffoli, S.; Sansosti, E.; Fornaro, G.; Serafino, F. New approach for hybrid strip-map/spotlight SAR data focusing. IEEE Proc. Radar Sonar Navig. 2001, 148, 363–372. [Google Scholar] [CrossRef]
- Mittermayer, J.; Lord, R.; Borner, E. Sliding spotlight SAR processing for TerraSAR-X using a new formulation of the extended chirp scaling algorithm. In Proceedings of the IGARSS 2003. 2003 IEEE International Geoscience and Remote Sensing Symposium, Proceedings (IEEE Cat. No. 03CH37477), Toulouse, France, 21–25 July 2003; Volume 3. [Google Scholar]
- Giroux, V.; Cantalloube, H.; Daout, F. An Omega-K algorithm for SAR bistatic systems. In Proceedings of the 2005 IEEE International Geoscience and Remote Sensing Symposium, Seoul, Republic of Korea, 29 July 2005; Volume 2, pp. 1060–1063. [Google Scholar]
- Antoniou, M.; Saini, R.; Cherniakov, M. Results of a space-surface bistatic SAR image formation algorithm. IEEE Trans. Geosci. Remote Sens. 2007, 45, 3359–3371. [Google Scholar] [CrossRef]
- Dong, X.; Zhang, Y. A novel compressive sensing algorithm for SAR imaging. IEEE J. Sel. Top. Appl. Earth Obs. Remote Sens. 2013, 7, 708–720. [Google Scholar] [CrossRef]
- Fan, W.; Zhang, M.; Li, J.; Wei, P. Modified range-Doppler algorithm for high squint SAR echo processing. IEEE Geosci. Remote Sens. Lett. 2018, 16, 422–426. [Google Scholar] [CrossRef]
- Cruz, H.; Véstias, M.; Monteiro, J.; Neto, H.; Duarte, R.P. A review of synthetic-aperture radar image formation algorithms and implementations: A computational perspective. Remote Sens. 2022, 14, 1258. [Google Scholar] [CrossRef]
- Ponce, O.; Prats, P.; Rodriguez-Cassola, M.; Scheiber, R.; Reigber, A. Processing of circular SAR trajectories with fast factorized back-projection. In Proceedings of the 2011 IEEE International Geoscience and Remote Sensing Symposium, Vancouver, BC, Canada, 24–29 July 2011; pp. 3692–3695. [Google Scholar]
- Carrara, W.G.; Goodman, R.S.; Majewski, R.M. Spotlight Synthetic Aperture Radar—Signal Processing Algorithms; Artech House: Norwood, MA, USA, 1995. [Google Scholar]
- Lin, Y.; Hong, W.; Tan, W.; Wang, Y.; Xiang, M. Airborne circular SAR imaging: Results at P-band. In Proceedings of the 2012 IEEE International Geoscience and Remote Sensing Symposium, Munich, Germany, 22–27 July 2012; pp. 5594–5597. [Google Scholar]
- Zhang, L.; Li, H.L.; Qiao, Z.J.; Xu, Z.W. A fast BP algorithm with wavenumber spectrum fusion for high-resolution spotlight SAR imaging. IEEE Geosci. Remote Sens. Lett. 2014, 11, 1460–1464. [Google Scholar] [CrossRef]
- Oriot, H.; Cantalloube, H. Circular SAR imagery for urban remote sensing. In Proceedings of the 7th European Conference on Synthetic Aperture Radar, Friedrichshafen, Germany, 2–5 June 2008; pp. 1–4. [Google Scholar]
- Seger, O.; Herberthson, M.; Hellsten, H. Real time SAR processing of low frequency ultra wide band radar data. In Proceedings of the EUSAR’98—European Conference on Synthetic Aperture Radar, Friedrichshafen, Germany, 25–27 May 1998; pp. 489–492. [Google Scholar]
- Basu, S.; Bresler, Y. O(N/sup 2/log/sub 2/N) filtered backprojection reconstruction algorithm for tomography. IEEE Trans. Image Process. 2000, 9, 1760–1773. [Google Scholar] [CrossRef]
- Ulander, L.M.; Hellsten, H.; Stenstrom, G. Synthetic-aperture radar processing using fast factorized back-projection. IEEE Trans. Aerosp. Electron. Syst. 2003, 39, 760–776. [Google Scholar] [CrossRef]
- Pritsker, D. Efficient global back-projection on an FPGA. In Proceedings of the 2015 IEEE Radar Conference (RadarCon), Arlington, VA, USA, 10–15 May 2015; pp. 204–209. [Google Scholar]
- Hettiarachchi, D.L.N.; Balster, E.J. Fixed-point processing of the SAR back-projection algorithm on FPGA. IEEE J. Sel. Top. Appl. Earth Obs. Remote Sens. 2021, 14, 10889–10902. [Google Scholar] [CrossRef]
- Schleuniger, P.; Kusk, A.; Dall, J.; Karlsson, S. Synthetic aperture radar data processing on an FPGA multi-core system. In Proceedings of the Architecture of Computing Systems—ARCS 2013: 26th International Conference, Prague, Czech Republic, 19–22 February 2013; Proceedings 26. pp. 74–85. [Google Scholar]
- Cao, Y.; Guo, S.; Jiang, S.; Zhou, X.; Wang, X.; Luo, Y.; Yu, Z.; Zhang, Z.; Deng, Y. Parallel optimisation and implementation of a real-time back projection (BP) algorithm for SAR based on FPGA. Sensors 2022, 22, 2292. [Google Scholar] [CrossRef]
- Duarte, R.P.; Cruz, H.; Véstias, M.; de Sousa, J.T.; Neto, H. Hardware Accelerated Backprojection Algorithm on Xilinx UltraScale+ SoC-FPGA for On-Board SAR Image Formation. In Proceedings of the 2023 European Data Handling & Data Processing Conference (EDHPC), Juan Les Pins, France, 2–6 October 2023; pp. 1–8. [Google Scholar]
- Pimentel, J.J.; Stillmaker, A.; Bohnenstiehl, B.; Baas, B.M. Area efficient backprojection computation with reduced floating-point word width for SAR image formation. In Proceedings of the 2015 49th Asilomar Conference on Signals, Systems and Computers, Pacific Grove, CA, USA, 8–11 November 2015; pp. 732–736. [Google Scholar]
- Essen, H.; Johannes, W.; Stanko, S.; Sommer, R.; Wahlen, A.; Wilcke, J. High resolution W-band UAV SAR. In Proceedings of the In 2012 IEEE International Geoscience and Remote Sensing Symposium, Munich, Germany, 22–27 July 2012; pp. 5033–5036. [Google Scholar]
- Lort, M.; Aguasca, A.; Lopez-Martinez, C.; Marín, T.M. Initial evaluation of SAR capabilities in UAV multicopter platforms. IEEE J. Sel. Top. Appl. Earth Obs. Remote Sens. 2017, 11, 127–140. [Google Scholar] [CrossRef]
- Henderson, F.M.; Xia, Z.G. SAR applications in human settlement detection, population estimation and urban land use pattern analysis: A status report. IEEE Trans. Geosci. Remote Sens. 1997, 35, 79–85. [Google Scholar] [CrossRef]
- McNairn, H.; Brisco, B. The application of C-band polarimetric SAR for agriculture: A review. Can. J. Remote Sens. 2004, 30, 525–542. [Google Scholar] [CrossRef]
- Pieraccini, M.; Miccinesi, L.; Rojhani, N. RCS measurements and ISAR images of small UAVs. IEEE Aerosp. Electron. Syst. Mag. 2017, 32, 28–32. [Google Scholar] [CrossRef]
- Tsokas, A.; Rysz, M.; Pardalos, P.M.; Dipple, K. SAR data applications in earth observation: An overview. Expert Syst. Appl. 2022, 205, 117342. [Google Scholar] [CrossRef]
- Sayed, A.N.; Ramahi, O.M.; Shaker, G. In the Realm of Aerial Deception: UAV Classification via ISAR Images and Radar Digital Twins for Enhanced Security. IEEE Sens. Lett. 2024, 8, 6007704. [Google Scholar] [CrossRef]
- Gorham, L.A.; Moore, L.J. SAR image formation toolbox for MATLAB. In Algorithms for Synthetic Aperture Radar Imagery XVII; SPIE: Bellingham, WA, USA, 2010; Volume 7699, pp. 46–58. [Google Scholar]
- Casteel, C.H., Jr.; Gorham, L.A.; Minardi, M.J.; Scarborough, S.M.; Naidu, K.D.; Majumder, U.K. A challenge problem for 2D/3D imaging of targets from a volumetric data set in an urban environment. In Algorithms for Synthetic Aperture Radar Imagery XIV; SPIE: Bellingham, WA, USA, 2007; Volume 6568, pp. 97–103. [Google Scholar]










| Exponent Bit | IFU | DRCU | PCU | FPXU | LIU | IUU |
|---|---|---|---|---|---|---|
| 11 | 1 | 1 | 1 | 1 | 1 | 1 |
| 7 | 1 | 1 | 1 | 1 | 1 | 1 |
| 6 | 1 | 1 | 1 | 1 | 0.99 | 1 |
| 5 | 0.63 | 1 | 1 | 1 | 0.67 | 0.66 |
| 4 | 0.63 | 0.02 | 0.99 | 1 | 0 | 0 |
| 3 | 0.63 | 0.02 | 0.45 | 0.84 | 0 | 0 |
| 2 | 0.63 | 0.02 | 0.35 | 0.06 | 0 | 0 |
| 1 | 0.63 | 0.02 | 0.34 | 0.05 | 0 | 0 |
| Exponent Bit | IFU | DRCU | PCU | FPXU | LIU | IUU |
|---|---|---|---|---|---|---|
| 52 | 1 | 1 | 1 | 1 | 1 | 1 |
| 38 | 1 | 0.99 | 1 | 1 | 1 | 1 |
| 22 | 1 | 0.96 | 0.99 | 1 | 1 | 1 |
| 19 | 1 | 0.33 | 0.99 | 0.99 | 1 | 1 |
| 16 | 1 | 0.23 | 0.99 | 0.99 | 1 | 1 |
| 14 | 1 | 0.15 | 0.99 | 0.99 | 1 | 1 |
| 13 | 1 | 0.15 | 0.99 | 0.99 | 0.99 | 1 |
| 12 | 1 | 0.15 | 0.94 | 0.99 | 0.99 | 1 |
| 11 | 1 | 0.07 | 0.83 | 0.99 | 0.99 | 1 |
| 10 | 1 | 0.07 | 0.40 | 0.98 | 0.99 | 1 |
| 9 | 1 | 0.05 | 0.28 | 0.96 | 0.99 | 1 |
| 8 | 1 | 0.05 | 0.28 | 0.84 | 0.98 | 1 |
| 7 | 0.99 | 0.05 | 0.28 | 0.84 | 0.94 | 1 |
| 6 | 0.99 | 0.05 | 0.28 | 0.57 | 0.88 | 0.99 |
| 5 | 0.99 | 0.02 | 0.28 | 0.57 | 0.77 | 0.99 |
| 4 | 0.99 | 0.02 | 0.28 | 0.57 | 0.74 | 0.94 |
| 3 | 0.99 | 0.02 | 0.28 | 0.57 | 0.74 | 0.67 |
| 2 | 0.96 | 0.02 | 0.28 | 0.57 | 0.74 | 0.36 |
| 1 | 0.81 | 0.02 | 0.28 | 0.57 | 0.71 | 0.17 |
| Work | Exponent | Mantissa | Total |
|---|---|---|---|
| IFU | 6 | 8 | 15 |
| DRCU | 5 | 38 | 44 |
| PCU | 5 | 23 | 29 |
| FPXU | 4 | 20 | 25 |
| LIU | 7 | 14 | 22 |
| IUU | 6 | 7 | 14 |
| Work | DP-FP | SP-FP | Ours |
|---|---|---|---|
| Device | Zynq UltraScale+ | Zynq UltraScale+ | Zynq UltraScale+ |
| Image size | 501 × 501 | 501 × 501 | 501 × 501 |
| LUTs | 257,940 | 128,970 | 68,549 |
| FFs | 331,466 | 165,733 | 87,201 |
| BRAMs | 892 | 450 | 260 |
| DPSs | 212 | 106 | 15 |
| SSIM | 1 | 0.99 | 0.99 |
| Works | [29] | [30] | [31] | Ours |
|---|---|---|---|---|
| Device | Virtex-7 | Virtex-7 | Zynq UltraScale+ | Zynq UltraScale+ |
| Image size | 1500 × 40 | 900 × 900 | 501×501 | 501 × 501 |
| No. of pulse | 688 | 2048 | 117 | 117 |
| BP pixels () | 41,280 | 1,658,880 | 29,367.12 | 29,367.12 |
| Data format | SP-FP (32 bits) | Fixed-point (16 bits) | Fixed-point (46 bits) | Custom FP (14 bits) |
| LUTs | 167,000 | 258,178 | 106,016 | 68,549 |
| FFs | 190,000 | 371,220 | N.A. | 87,201 |
| BRAMs | 600 | 1235 | 41 | 260 |
| URAMs | 0 | 0 | 36 | 0 |
| DPSs | 240 | 1872 | 184 | 15 |
| Memory (KB) | 2700 | 5557.5 | 4858.94 | 927 |
| Power (W) | 10 | 21.074 | N.A. | 3.733 |
| Processing time (s) | 0.905 | 1.13 | 11.42 | 0.30 |
| Throughput (BP pixels/s) | 45,613.26 | 1,468,035.40 | 2571.55 | 97,890.39 |
| Throughput/LUTs | 0.27 | 5.69 | 0.24 | 1.43 |
| Throughput/FFs | 0.20 | 3.95 | N.A. | 1.12 |
| Throughput/DSPs | 190.06 | 784.21 | 13.98 | 6.53 |
| Throughput/Memory | 16.89 | 264.15 | 0.53 | 105.60 |
| Throughput/Power | 4561.33 | 69,660.98 | N.A. | 26,222.98 |
| SSIM | 0.99 | 0.87 | 0.96 | 0.99 |
Disclaimer/Publisher’s Note: The statements, opinions and data contained in all publications are solely those of the individual author(s) and contributor(s) and not of MDPI and/or the editor(s). MDPI and/or the editor(s) disclaim responsibility for any injury to people or property resulting from any ideas, methods, instructions or products referred to in the content. |
© 2025 by the authors. Licensee MDPI, Basel, Switzerland. This article is an open access article distributed under the terms and conditions of the Creative Commons Attribution (CC BY) license (https://creativecommons.org/licenses/by/4.0/).
Share and Cite
Heo, J.; Lee, S.; Jung, Y. Field-Programmable Gate Array Implementation of Backprojection Algorithm for Circular Synthetic Aperture Radar. Electronics 2025, 14, 1544. https://doi.org/10.3390/electronics14081544
Heo J, Lee S, Jung Y. Field-Programmable Gate Array Implementation of Backprojection Algorithm for Circular Synthetic Aperture Radar. Electronics. 2025; 14(8):1544. https://doi.org/10.3390/electronics14081544
Chicago/Turabian StyleHeo, Jinmoo, Seongjoo Lee, and Yunho Jung. 2025. "Field-Programmable Gate Array Implementation of Backprojection Algorithm for Circular Synthetic Aperture Radar" Electronics 14, no. 8: 1544. https://doi.org/10.3390/electronics14081544
APA StyleHeo, J., Lee, S., & Jung, Y. (2025). Field-Programmable Gate Array Implementation of Backprojection Algorithm for Circular Synthetic Aperture Radar. Electronics, 14(8), 1544. https://doi.org/10.3390/electronics14081544
