Next Article in Journal
A Comprehensive Analysis of Energy Consumption in Battery-Electric Buses Using Experimental Data: Impact of Driver Behavior, Route Characteristics, and Environmental Conditions
Next Article in Special Issue
Occupancy Estimation in Academic Laboratory: A CO2-Based Algorithm Incorporating Temporal Features for 1–16 Occupants
Previous Article in Journal
Speed–Load Insensitive Fault Diagnosis Method of Wind Turbine Gearbox Based on Adversarial Training
Previous Article in Special Issue
Transformer-Based Prediction of Hospital Readmissions for Diabetes Patients
 
 
Font Type:
Arial Georgia Verdana
Font Size:
Aa Aa Aa
Line Spacing:
Column Width:
Background:
Article

Vision-Based Hand Gesture Recognition Using a YOLOv8n Model for the Navigation of a Smart Wheelchair

by
Thanh-Hai Nguyen
,
Ba-Viet Ngo
and
Thanh-Nghia Nguyen
*
Faculty of Electrical and Electronics Engineering, Ho Chi Minh City University of Technology and Education, Ho Chi Minh City 700000, Vietnam
*
Author to whom correspondence should be addressed.
Electronics 2025, 14(4), 734; https://doi.org/10.3390/electronics14040734
Submission received: 12 January 2025 / Revised: 5 February 2025 / Accepted: 7 February 2025 / Published: 13 February 2025
(This article belongs to the Special Issue Human-Computer Interactions in E-health)

Abstract

Electric wheelchairs are the primary means of transportation that enable individuals with disabilities to move independently to their desired locations. This paper introduces a novel, low-cost smart wheelchair system designed to enhance the mobility of individuals with severe disabilities through hand gesture recognition. Additionally, the system aims to support low-income individuals who previously lacked access to smart wheelchairs. Unlike existing methods that rely on expensive hardware or complex systems, the proposed system utilizes an affordable webcam and an Nvidia Jetson Nano embedded computer to process and recognize six distinct hand gestures—“Forward 1”, “Forward 2”, “Backward”, “Left”, “Right”, and “Stop”—to assist with wheelchair navigation. The system employs the “You Only Look Once version 8n” (YOLOv8n) model, which is well suited for low-spec embedded computers, trained on a self-collected hand gesture dataset containing 12,000 images. The pre-processing phase utilizes the MediaPipe library to generate landmark hand images, remove the background, and then extract the region of interest (ROI) of the hand gestures, significantly improving gesture recognition accuracy compared to previous methods that relied solely on hand images. Experimental results demonstrate impressive performance, achieving 99.3% gesture recognition accuracy and 93.8% overall movement accuracy in diverse indoor and outdoor environments. Furthermore, this paper presents a control circuit system that can be easily installed on any existing electric wheelchair. This approach offers a cost-effective, real-time solution that enhances the autonomy of individuals with severe disabilities in daily activities, laying the foundation for the development of affordable smart wheelchairs.

1. Introduction

Around 1.3 billion people, or 16% of the global population, are affected by disability [1]. Therefore, traditional wheelchairs are important to disabled, elderly and sick people, because it can assist them with their mobility. With increasingly developing modern technology, many studies have been developing electric wheelchairs for supporting the movement of disabled and elderly people more safely and comfortably. Some input solutions such as joysticks, electronic controllers, and motors instead of using manual propulsion to easily enhance their movement. However, some people with severe disabilities cannot use such devices because they may have difficulty in controlling these types of wheelchairs. Thus, smart wheelchairs can be the better solution for them.
Human activity recognition is a matter of concern to be able to provide interactive services to disabled people in different environments. Furthermore, research on the recognition of different activities has emerged in recent years [2,3,4]. By accurately identifying and analyzing body movements, this technology can assist individuals with mobility or communication limitations, providing them with greater autonomy and access to personalized support systems. These advancements have paved the way for groundbreaking applications in healthcare, smart homes, physical monitoring, and rehabilitation, enabling the development of increasingly adaptive and responsive systems that cater to user needs. The growing interest in this field underscores its immense potential to revolutionize human–computer interaction and enhance the quality of life for people across diverse contexts. In particular, disabled people have difficulty using traditional electric wheelchairs, because they lack motor skills, lack strength, or do not have the necessary vision. Therefore, the electric wheelchairs need function tools for performing movements such as automatic navigation, obstacle avoidance, control by hand gestures, or biological signals [5,6,7]. Thus, this can make the movement easier for severely disabled people and the elderly in daily activities.
In recent years, many approaches have been proposed for improving from traditional wheelchairs to make smart ones safe and comfortable for disabled people. In particular, a number of systems in the smart wheelchairs have been developed with various control mechanisms or control models which could be controlled by head movements [8]. In this study, an electric wheelchair was installed with a camera for taking pictures of the head movements and an Arduino Mega was used for processing and controlling on the robot operating system (ROS) platform. Using this model, the system attained an efficiency of over 76%. However, the cost of the system is still high. Another wheelchair system is that the wheelchair moved based on pupil tracking of human eyes [9]. In particular, this system used a Philips microcontroller and the Viola–Jones algorithm for detecting human eyes based on RGB images collected from an RGB camera system. However, detecting the images and processing them for real-time applications is challenging and efficiency is achieved only at 70% to 90%. Therefore, this system can hardly be implemented in practice. Another study of electric wheelchairs tracked targets in front of the wheelchair using RGB images in [10]. In this study, wheelchair motion control was performed based on person detection using the histogram of oriented gradients (HOG) algorithm [11], person tracking using the continuously adaptive mean shift (CAMSHIFT) algorithm [12], and motion detection. With this method, selecting a target from many human targets is a complex situation and the efficiency obtained is about 80%. With this solution, the system needs to improve much for real-time applications.
Furthermore, a solution for multimodal wheelchair control has been developed by Mahmud [13]. The hardware system used an accelerometer for tracking head movements, a flexible glove sensor for tracking hands, and an RGB camera, a Raspberry Pi. Moreover, an improved VGG-8 model was proposed for eyes tracking and the efficiency of this system was about 90%. The limitation of this system is that it requires a tracking sensor to attach to the user’s body and designing the eye detection system is not user-friendly. Related to the electric wheelchair, a control system was developed based on iris movements [14]. In this proposed system, the user can control wheelchair navigation by moving the iris in corresponding directions. In addition, the embedded programming language MATLAB was used to program the model, and the system responded control time longer than 5 s. Therefore, tracking iris movements can sometimes lead to false positives due to subconscious eye movements in real-life situations. Therefore, the system cannot perform navigation operations in real time and is difficult to apply in real situations. In another study, a wheelchair motion control system based on electrooculography (EOG) [15], in which eye blinks and movements were recorded using simple electrodes placed closed to the eyes. Moreover, a controller and a threshold-based algorithm were applied for controlling the electric wheelchair. Therefore, the cost of the system is low, but placing the electrodes close to the eyes is a challenge for the user.
Table 1 describes studies that use deep learning for object detection and navigation in smart wheelchair applications, providing enhanced autonomy and perception for wheelchair users, improving navigation in both indoor and outdoor environments. In [16,17], they successfully integrated depth estimation and tracking, enabling better object detection and interaction with elements such as doors and handles. Similarly, some studies emphasize safety and obstacle avoidance, which are crucial for real-world deployment [18,19]. Other studies explore alternative control methods such as gaze tracking, which improves accessibility for users with severe disabilities [20,21,22]. Despite these advantages, challenges remain in terms of real-time performance, cost, and environmental adaptability. Many approaches rely on computationally expensive deep learning models, which can limit implementation in low-power wheelchair systems. Studies such as [19] attempt to improve efficiency, but real-time performance still requires optimization. Additionally, [20] faces usability issues, such as unintended movements due to gaze control difficulties. In [21], the limitation is by sensor constraints, as these rely on 2D range data or depth-based perception, which may not work well in crowded or dynamically changing environments. Moreover, the cost of integrating deep learning models, sensors, and computational hardware remains a major barrier, making widespread adoption challenging.
Recent advancements in YOLOv8n-based object detection have led to notable improvements across various domains. A study on small object detection in UAV images enhances the model with multi-scale feature fusion and a novel Wise-IoU loss function to improve the detection accuracy in complex environments. Meanwhile, an improved YOLOv8n algorithm integrates CARAFE, MultiSEAMHead, and TripleAttention mechanisms to refine feature extraction and detection precision. In autonomous driving, researchers developed SES-YOLOv8n, optimizing feature fusion with an SPPCSPC module for better real-time performance. Another work on smart indoor shopping environments enhances YOLOv8n’s accuracy, achieving a higher mean average precision (mAP) and F1 score compared to its baseline version. Lastly, an efficient optimized YOLOv8 model with extended vision (YOLO-EV) introduces a multi-branch group-enhanced fusion attention (MGEFA) module, significantly boosting feature extraction and detection capabilities. These innovations demonstrate the growing adaptability and effectiveness of YOLOv8n in object detection applications [23,24,25,26,27].
Using hand gestures is one of the most popular means of human communication after spoken language, and we can say that hand gestures are meaningful or intentional movements of human hands and arms [28,29,30]. Moreover, gesture recognition, a key technology in human–computer interaction, offers widespread applications in fields such as smart homes, healthcare, and sports training. Unlike traditional interaction methods using keyboards and mice, gesture-based interfaces provide a more natural, flexible, and intuitive way to transmit information, making them a focus of extensive research in recent times [31]. Study [32,33] utilized a machine-based approach to identify hand gestures using surface electromyography (sEMG) signals recorded from forearm muscles. The research [32] highlighted the necessity of selecting a subset of hand gestures to achieve accurate automated gesture recognition and proposed a method to optimize this selection for maximum sensitivity and specificity. A hand gesture-based control was proposed for electric wheelchairs [34,35]. In particular, an electric wheelchair was installed with an RGB depth camera to capture hand RGB images with depth information and a high-powered computer was used for detecting and track gestures [34]. Therefore, the limitation of this proposed system is that the complexity of the environment can severely affect the performance of this system, and the cost of this system is a little bit high.
The hand gesture can be used as non-verbal communication methods in everyday life for expressing meanings. With these hand gestures, disabled people can move easier and more effectively using a smart wheelchair installed with modern devices. This paper will present the development of a smart wheelchair in which the user can control the speed and steering of the wheelchair to reach the desired target using hand gestures. Furthermore, the user can select one of the control functions by changing hand gestures. Additionally, the wheelchair can automatically detect and avoid obstacles to increase user safety. This article consists of four sections: In Section 2, a smart wheelchair is introduced, including a designed hardware system to connect with the wheelchair for movement control. In addition, the hand gesture images are collected from a camera installed with the wheelchair and they are processed to produce ROI with hand gestures using MediaPipe before input to a YOLOv8n model for hand gestures recognition. Section 3 describes the experimental results related to controlling the movement wheelchair and the evaluation of the recognized model using the proposed method. Finally, Section 4 presents the conclusions about this research.

2. Materials and Methods

This section describes the implementation of the smart electric wheelchair system controlled by hand gesture commands. First, the system architecture of the electric wheelchair is outlined to provide a clear understanding of its components. Then, the process of hand gesture image collection is presented, including the proposed preprocessing method for creating hand landmark images, removing the background, and extracting the ROI of hand gestures, which helps improve the accuracy of the classifier. Additionally, the hand gesture image classification model is presented along with a description of the electrical circuit used to control the electric wheelchair system.

2.1. Architecture of a Smart Wheelchair

In this paper, we present a smart wheelchair system divided into two primary components: a controller, which includes a hand gesture recognition system connected to an Arduino Uno microcontroller and an NVIDIA Jetson Nano Developer Kit, and an electric wheelchair designed to interface with this controller to receive and execute control signals, as illustrated in Figure 1. The NVIDIA Jetson Nano Developer Kit processes gesture recognition images and sends corresponding control commands to the Arduino, such as “Forward 1”, “Forward 2”, “Backward”, “Left”, “Right”, and “Stop”, which are then used to operate the wheelchair’s motor controller. Specifically, these six commands allow for precise navigation: “Forward 1” for slow forward movement, “Forward 2” for faster forward movement, “Backward” for reversing, “Left” and “Right” for turning, and “Stop” to halt movement.
This paper presents the design of a smart wheelchair system controlled through hand gestures, consisting of several main components: data collection, central processing, control, motor, and display, described as follows:
Data collection: A FullHD webcam captures a dataset of the user’s hand gesture images, which is then transmitted to the central processing unit for image data processing and the generation of corresponding gesture signals.
Central processing: This block receives the image set from the data collection unit and uses an object recognition algorithm to identify hand gestures. The resulting gesture data are then transmitted wirelessly via Bluetooth to the control block.
Display block: The gesture data are sent to the display unit to show the user’s hand gestures and the wheelchair’s movement status.
Control block: This unit receives hand gesture signals via Bluetooth and controls the wheelchair’s motor accordingly.
Power block: Supplies various voltage levels to all components, including processing, control, and display units, ensuring sufficient current for prolonged operation of the wheelchair system.

2.2. Gesture Recognition

2.2.1. Data Acquisition

The data collection process is a critical component of the smart wheelchair system, as outlined in Figure 2. This system is structured into four main blocks: a camera system for capturing hand gesture images, a hand tracking block, an image filtering and resizing block, and an output block. Specifically, the hand tracking block is responsible for distinguishing hand gestures by performing corner and line extraction, collecting hand position data, and storing this information. For gesture recognition, the processed image data are input into a YOLOv8n model, which is used for identifying hand gesture objects.
To collect hand gesture image sets, a FullHD webcam is installed on the wheelchair to capture hand gesture images, as shown in Figure 3. Landmarks for these gestures are identified using MediaPipe. To enhance training accuracy, the images are processed to retain only the hand area, with the fingers defined as the ROI and the background removed. The processed images are then filtered and resized to ensure consistency across all gesture image sets before being input into the YOLOv8n model for training. The datasets comprise six gestures used for wheelchair control: “Forward 1”, “Forward 2”, “Backward”, “Left”, “Right”, and “Stop”.

2.2.2. Hand Landmarks Detection

To process the hand gesture image set and determine the coordinates of the hand, MediaPipe is utilized [36]. Specifically, when a palm is detected in the image, the system localizes the palm area and designates it as the ROI to extract hand landmarks using MediaPipe. This approach enables the extraction of 21 keypoints per hand and supports the detection of multiple hands simultaneously. Figure 4 illustrates the 21 extracted hand landmarks using MediaPipe, where 21 named points are identified on the hand.
In the ROI containing these landmarks, the hand and fingers are redrawn as straight white lines based on the red landmark points, as shown in Figure 5. These images with the extracted landmarks are then used to train a network model for classifying hand gestures.

2.2.3. Hand Gesture ROI Extraction

For optimal training performance, dataset optimization through ROI extraction and background removal is crucial. In this study, hand gesture images, after being detected by the MediaPipe algorithm, are placed into rectangular frames with appropriate sizes for each gesture type. Specifically, hand images are captured directly from the FullHD Webcam system and processed using MediaPipe to generate parameters, including the (x, y) coordinates of the top-left corner and the width and height (w, h) of the bounding box.
The size of a captured image is important for training a network with high-performance and a real-time response for wheelchair movement. Therefore, the hand image sets should be calculated to suit the wheelchair system for increasing recognition performance. In particular, the size of a captured image is calculated and set to 300 × 300 pixel. In addition, the display resolution is selected, particularly Offset = 20, so that the image is visible more clearly. With the initial parameters, creating an original image ( i m g _ O r i ) with the hand gestures is cropped to produce a desired image ( i m g _ C r o p ) using the following formula:
i m g _ C r o p x , y = i m g _ O r i y O f f s e t : y + h + O f f s e t , x O f f s e t : x + w + O f f s e t
The frame ratio A s R is the value related to the frame of the obtained hand and is calculated according to the following formula:
A s R = h w
Depending on the value of the frame ratio is larger or smaller than 1, we can know the frame of one image is too wide or too long for adjustment. In particular, if the frame is too long, meaning the value of A s R is more than 1, the w c width is adjusted according to the following formula:
w c = i m g S i z e i m g S i z e h × w / 2
Conversely, if the frame is too short, where A s R is smaller than 1, the length hc is adjusted using the following formula:
h c = i m g S i z e i m g S i z e w × h / 2
To create a hand dataset with the desired gestures, all images are standardized to a uniform size, and unnecessary background elements are removed. Figure 6 shows a typical image with the background components removed and the framed ROI displaying the landmarks. The frames clearly adjust according to the hand’s gestures as it moves in different directions.
In this research, the wheelchair system is equipped with a FullHD webcam to collect gesture image sets, resulting in images of varying sizes. This variation impacts the time required by the control system to process each image, which can, in turn, affect the speed of gesture recognition and wheelchair movement. To enhance the image processing speed and recognition performance, all images are resized to a uniform 300 × 300 resolution before being fed into the YOLOv8n classifier, as shown in Figure 7.

2.3. YOLOv8n Model for Hand Gesture Recognition

YOLOv8 is a CNN model often applied for fast and accurate object recognition [25]. Furthermore, this model has convolutional layers for feature extraction and fully connected layers for predicting probabilities and object coordinates for recognition and can also determine the positions of the input image. Furthermore, the advantage of YOLOv8 is to use the darknet-53 network for feature extraction and apply object recognition algorithm on those extracted features. The YOLOv8 architecture maintains the traditional division of its structure into three main components: the backbone, the neck, and the head, as illustrated in Figure 8. Nevertheless, it introduces several modifications that set it apart from earlier versions. In this design, the Conv layer functions as a standard convolutional layer responsible for generating feature maps for the output layers. The C2f (convolutional to focus) layer combines convolutional operations with a focusing mechanism to enhance feature representation while simultaneously reducing the image dimensions compared to the input. This design facilitates a more effective gradient flow. Furthermore, the architecture incorporates the SPPF (spatial pyramid pooling feature) module, which is specifically optimized to manage object scaling. This module is essential for capturing multi-scale information, enabling the model to accurately detect and recognize objects of varying sizes and proportions within an image.
When training YOLOv8, each image from the input dataset is processed sequentially and iteratively to optimize the loss function, with the aim of finding the optimal set of weights for the network to achieve high recognition accuracy. Depending on the network’s depth and width, YOLOv8 can be divided into versions YOLOv8n, YOLOv8s, YOLOv8m, YOLOv8l, and YOLOv8x. The YOLOv8n model was chosen for this purpose as it is the smallest version, featuring 3.2 million parameters and 8.7 billion FLOPS, with a mAP of 37.3% on the COCO dataset [37]. This compact version is ideal for the wheelchair control system, which requires fast processing times for effective operation. Although the base YOLOv8n model may not reach the same accuracy levels as larger models with more parameters, its performance can be enhanced through the additional feature extraction of hand gestures. Specifically, combining a feature extraction algorithm applied to input images of hand landmarks with YOLOv8n can further improve accuracy.

2.4. Hardware Design

To transform a basic electric wheelchair into a smart wheelchair controlled by hand gestures, a control hardware system composed of various devices is installed. Table 2 outlines the hardware system, which includes components such as a Logitech FullHD Webcam C920, a screen, and a power supply, all connected through USB, HDMI, and DC jack ports on the Jetson Nano. The central processing unit consists of a Jetson Nano equipped with an Intel Wireless AC8265 Card, while the data collection unit includes a FullHD webcam connected via a USB port. The display unit is a Waveshare 7-inch HD touchscreen connected to the Jetson Nano through an HDMI cable and powered by a Ugreen micro-USB cable that also connects to the Jetson. The control unit, based on an Arduino Due, features peripheral devices including a HiLetgo HC-05 Bluetooth module and a HiLetgo BTS7960 motor control module. The wheelchair is powered by Topmedi 240 W DC motors. Additionally, the wheelchair is equipped with GalaxyElec HC-SR04M ultrasonic sensors at the front and rear to detect obstacles, ensuring safety for the operator.
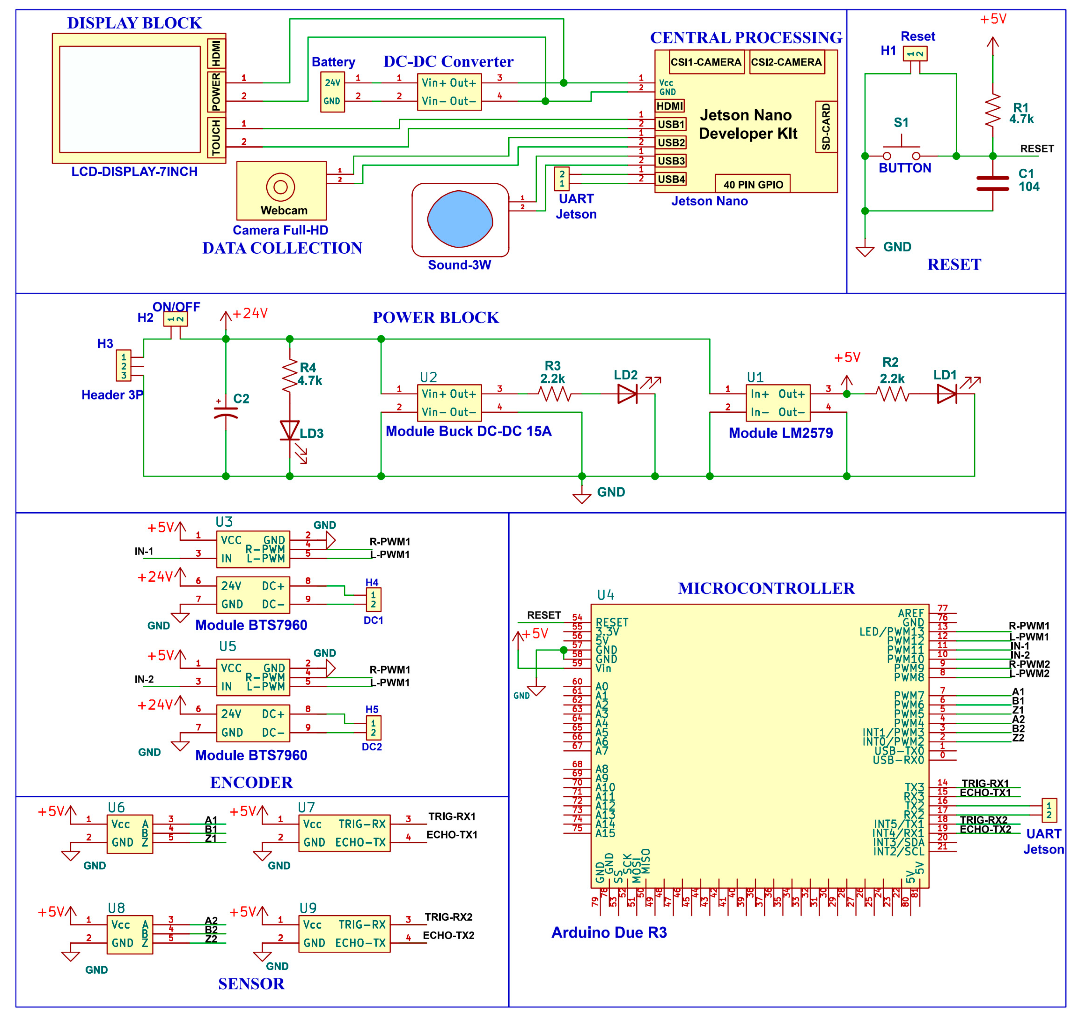
Figure 9 depicts the scheme of the whole system, including the Jetson Nano central processing block powered by 5 V and 4 A through the low-voltage module. The data collection block is the FullHD Webcam connected to Jetson Nano via USB 3.0 port. The display unit is the 7-inch HD touch screen connected to Jetson Nano via the HDMI port and powered via USB 3.0 port to display system results. Finally, the Arduino Due control block is connected to receive control data from the Jetson Nano via the HC-05 Bluetooth module, which connects the VCC, GND, RXD, TXD pins to the 5 V, GND, TX3, RX3 pins on Arduino Due, respectively. With the BTS7960 motor control module, the VCC, GND, R_EN, L_EN pins are connected to pins of 5 V, GND, 10, 11 on the Arduino Due; the RPWM of the left and right BTS7960 module are connected to pins 8, 13 on the Arduino Due, the LPWM of the left and right BTS7960 modules are connected to pins 9, 12 on the Arduino Due, respectively. Moreover, the output of the BTS7960 module has B+ and B−, respectively, connected to the (+) and (−) terminals of the 24 V source from the battery and M+ and M− to the (+) and (−) terminals of the wheelchair motors.

3. Results and Discussion

3.1. Dataset

In this study, six datasets with hand gestures used for training the YOLOv8n network were directly captured from the FullHD Webcam installed on the electric wheelchair. The participants were students, both male and female, aged between 20 and 24, who were invited to collect the hand gesture image dataset. They were also informed about the purpose of participating in the image collection experiments. Therefore, a protocol was established for data collection, in which the webcam-based image capture system detects hands to generate landmark hand images using the MediaPipe library. The images were then pre-processed to eliminate background interference. Finally, the images were resized to fit the dimensions required by the training model. These datasets include 12,000 images with the size of each image to 300 × 300. Moreover, six image datasets have six types of different hand gestures, in which the hand position with one gesture is in front of and about 40–50 cm away from the webcam.
For training the network, the datasets with six hand gestures will be labeled and divided into two sets for training and validation with a ratio of 80% and 20%. Therefore, Table 3 describes 9600 images, in which 1600 images are divided into six hand gestures for training and 2400 images are equally divided for six types of hand gestures for validation.

3.2. Evaluating Performance of YOLOv8n Model

The YOLOv8n model was trained using six datasets, split into 80% (9600 images) for training and 20% (2400 images) for validation. The model’s mAP parameter showed a high value, exceeding 0.99 for most training cycles, while other parameters such as Box loss, Class loss, and Object loss were 0.002, 0.002, and 0.003, respectively. The Box loss measures the model’s precision in predicting the bounding box for the hand center. Class loss indicates errors in classifying hand gestures, and Object loss quantifies the model’s performance in determining the likelihood of a hand appearing within the proposed ROI. A higher Object loss value means that the detected hand in the ROI closely resembles the trained hand image.
Figure 10 illustrates the training results with error parameters such as box loss, class (cls) loss, and object (obj) loss on the training set. These errors decrease progressively over time, indicating that the model has effectively learned from the datasets. Figure 11 shows the error parameters on the testing set, which measure the difference between the predicted results and the actual outcomes. The results demonstrate that box loss, class loss, and object loss also decrease steadily, signifying that the proposed model has strong recognition capabilities.
Figure 12 presents the evaluation results of the classification model. Precision measures the ratio of correctly detected objects to the total number of detected objects, with higher precision indicating that the proposed YOLOv8n model has fewer prediction errors. Recall measures the ratio of correctly detected objects to the total number of actual objects in the image, where higher recall indicates fewer missed detections by the model. At the end of training, the mAP index reached 0.99. During the training phase, from epoch 0 to epoch 20, a drop in the mAP parameter was observed compared to later epochs. This decline is attributed to the similar characteristics of the gestures “Backward” and “Forward 1”, which led to significant loss values during training.
A confusion matrix based on the validation dataset of 2400 images was used to evaluate the model’s performance. The proposed model demonstrated high accuracy. Among the gestures, “Backward” and “Forward 1” have the highest misclassification rate of 2%. The remaining gestures, “Forward 2”, “Right”, “Stop”, and “Left”, achieve 100% accuracy, as shown in Figure 13. Additionally, when the YOLOv8n model was applied to recognize hand gestures in a real-world environment with adequate lighting, as depicted in Figure 14, the results improved further, and the false recognition rate was minimal.
Table 4 presents a performance comparison between this work and existing studies. Specifically, it shows that hand gesture recognition models utilizing CNN networks achieve higher accuracy [38,39,40,41,42] compared to those using Fuzzy and ANN approaches [43,44]. It is noteworthy that recognition models with hand gestures in previous studies, such as 26 gestures [39], 43 gestures [41], and our proposed model, all demonstrate excellent accuracy rates of over 99%. Additionally, research in [42] revealed that an accuracy of 95% was achieved using LSTM (long short-term memory) and MediaPipe, which outperforms the 92.52% accuracy of YOLOv5 with Pytorch in recognizing palm gestures in ASL (American Sign Language). In our study, the proposed model using hand landmark images with YOLOv8n and MediaPipe achieved an impressive accuracy of 99.3% in classifying six hand gestures. In addition, the key difference in our study compared to the studies is the application of a background subtraction or elimination method, retaining only the ROI of the hand. This demonstrates that applying this method can further enhance accuracy and stability.
Table 4 also illustrates different methods for hand gesture recognition in various applications, with some studies relying on existing datasets, while others conduct experiments on newly collected data. The studies by Rosalina et al. [44] and Muthu Mariappan et al. [43] used datasets from previous research, namely the Indian Sign Language (ISL) and American Sign Language (ASL) datasets, respectively, without applying their methods to newly collected data, which limits the validation capability in real-world environments. In contrast, studies such as those by Oyebade et al. [38], Felix Zhan et al. [39], and Harsh et al. [40] implement their approaches using independently collected datasets, enabling more accurate performance assessments. Additionally, differences in system conditions affect the comparability of results. The model by Gouri et al. [42] incorporates background complexities and lighting variations, making the results more adaptable to real-world conditions, whereas other studies are conducted in controlled environments with limited variability. The proposed model differs significantly by using a self-collected dataset with 12,000 images for six types of hand gestures, enhancing real-world validation. Moreover, this study emphasizes real-time performance, demonstrating the model’s ability to classify hand gestures on low-configuration embedded systems while maintaining reliability and accuracy. This makes it suitable for smart wheelchair navigation—a factor that many previous studies have not explored in depth.
Additionally, we experimented with the SIFT feature extraction method applied to hand images combined with a CNN model, achieving an accuracy of over 92.5% in environments with changing backgrounds (where variations in lighting caused a drop in accuracy). By converting the color space from RGB to HSV, we addressed the issue of changing lighting and achieved an accuracy of over 95%. Replacing the SIFT method with the Harris corner detector demonstrated that corner feature detection in hand images increased accuracy to 98%. Finally, using landmark hand images and background removal achieved the highest accuracy of 99.3%.

3.3. Wheelchair Control

In this study, experiments for controlling the electric wheelchair were conducted at Building-C of the Ho Chi Minh City University of Technology and Education. The wheelchair is operated using hand gestures, as shown in Figure 15. The system integrates various devices to transform the wheelchair into a smart one, as depicted in Figure 15a–d. The installed devices include a screen and an ultrasound sensor (1), a camera (2), a speaker (3), a controller (4), and a battery (5), as shown in Figure 15d. These devices are interconnected with the controller through signal and power cables, as illustrated in Figure 15d. Additionally, Figure 15e shows the control board, which includes a Jetson Nano developer kit, an Arduino microcontroller board, a power supply, and a motor controller.
Figure 16 illustrates the experimental environment with the electric wheelchair controlled by hand gestures. In the wheelchair control system, six hand gestures, as shown in Figure 17, are mapped to control commands for the wheelchair’s movements: “Forward 1” for slow movement, “Forward 2” for fast movement, “Left” for turning left, “Right” for turning right, “Backward” for reversing, and “Stop” for halting. To operate the wheelchair, the user first raises their hand and places it in the marked position about 40 cm in front of the camera, allowing the camera to capture the full hand, as shown in Figure 16b. The user then performs the corresponding gestures, as depicted in Figure 17, to navigate the wheelchair. It is essential for the user to hold the gesture for 1 to 2 s to confirm the command and ensure the system registers the desired action for controlling the wheelchair. During movement, if the SR04M ultrasonic sensor detects an obstacle or a person moving in front within the potential collision zone (we have set the safe distance to be greater than 1 m), the system will control the wheelchair to stop. The user will then steer the wheelchair in another direction to avoid the obstacle or wait for the person walking away from the wheelchair before continuing. This will help increase the safety of the user.

3.3.1. Experiment 1

Figure 18 illustrates the actual route of the wheelchair in comparison to the reference route within the real environment depicted in Figure 16. Starting from the initial position X (indicated by the red arrow), the user raises the “Forward 1” gesture to move the wheelchair slowly towards position A. Upon reaching position A, the user performs the “Right” gesture, causing the wheelchair to make a 90-degree right turn. The “Forward 1” gesture is then used again to move the wheelchair from position A to position B. Similarly, the user raises the “Left” gesture to turn the wheelchair 90 degrees left and then continues with the “Forward 1” gesture to proceed slowly from position C to position D. The “Right” gesture is held to make another 90-degree turn at position D, followed by the “Forward 1” gesture to move from position D to position E, and finally, the wheelchair continues to the final destination at position X, as shown in Figure 18.
Table 5 details the time taken to cover each segment of the path, showing that the total time to travel approximately 14.9 m is around 60 s. This demonstrates that the user can effectively control the smart wheelchair to reach the desired distance. However, there is a slight deviation in the actual distance traveled compared to the intended path. The test results shown in Figure 18 indicate that the wheelchair’s speed in an indoor environment is nearly 0.3 m/s. This suggests that, for individuals with severe disabilities, controlling the smart wheelchair using hand gestures is suitable. Moreover, as users become more adept and confident in using hand gestures, the processing speed may increase, allowing for faster wheelchair movement.
Table 6 presents the experimental results for controlling a wheelchair using hand gestures, evaluated based on the number of attempts and successful recognitions. The experiments were conducted both indoors and outdoors under varying light conditions for comparison. Each hand gesture was tested 50 times in each environment. The findings indicate that hand gesture recognition achieved high accuracy in both settings. However, in outdoor conditions, misrecognition occurred more frequently due to strong lighting affecting the camera-captured images. Notably, the hand gestures for “Left”, “Forward 2” and “Right” had the highest successful recognition rates at 98%, 96%, and 96%, respectively.
Additionally, an experiment was conducted to assess the control time for each of the six hand gestures, with each gesture being performed five times. The results are summarized in Table 7. Specifically, the average processing time for each of the six control commands corresponding to the hand gestures was measured. The shortest average processing time was 57.8 ms for the “Forward 1” gesture, while the longest was 62.9 ms for the “Backward” gesture.
In this study, the proposed system for recognizing six hand gestures in the smart wheelchair demonstrated high accuracy in environments with appropriate lighting conditions. The processing speed of the wheelchair plays a crucial role for a disabled person, as it directly affects the movement based on the processing time of the hand gesture corresponding to the control command. In the proposed system, the user can select from two hand gesture speed levels: “Forward 1” for slow movement and “Forward 2” for faster movement. The “Forward 1” gesture allows a maximum speed of approximately 0.3 m/s, which is ideal for navigating rooms or areas with obstacles, enabling the user to avoid collisions easily. In contrast, the “Forward 2” gesture enables a maximum speed of about 0.5 m/s, making it more suitable for moving in open spaces with fewer obstacles. Therefore, for severely disabled individuals, controlling the wheelchair using these two speed levels and corresponding hand gestures provides a safe and effective means of movement both indoors and outdoors.

3.3.2. Experiment 2

In the second experiment, the smart wheelchair controller was designed to facilitate the easier and more accurate control of the wheelchair’s movement. Using this controller, encoder data were collected while the wheelchair was in motion, and the data were processed to create a route, as illustrated in Figure 19.
Figure 19 shows the actual route (in red) taken by the wheelchair compared to the reference route (in blue). Starting from point A, the user activates the “Forward 1” gesture to gradually move the wheelchair towards point B, then uses the “Stop” gesture to halt the movement. Next, the user employs the “Right” gesture to rotate the wheelchair 90 degrees, followed by another “Stop” gesture. The user then uses the “Forward 1” gesture to proceed slowly towards point C. Similarly, the driver follows a series of gestures: “Stop”, “Right”, “Forward 1”, “Stop”, “Left”, “Forward 1”, “Stop”, “Right”, “Forward 1”, “Stop”, “Left”, and “Forward 1” to navigate through points D, E, and G, before returning to starting point A.
Table 8 illustrates that the smart wheelchair covered a total distance of 14 m along the route shown in Figure 19, taking approximately 57 s. Additionally, the actual route (in red) exhibited a slight deviation from the desired route (in blue). This deviation is influenced by the user’s finger dexterity and strength. To reduce this deviation, the user should develop skills in controlling the wheelchair, especially in familiar environments.
Table 9 presents the control results for six hand gestures, with each gesture performed 50 times. These data were used to assess the number of successful attempts and the delay time. From Table 9, it is evident that the highest success rate for controlling the wheelchair was 96% for the gestures “Left” and “Stop”, while the lowest was 90% for the “Forward 1” and “Backward” gestures. It can be observed that the “Forward 1” and “Backward” gestures have lower accuracy compared to the other gestures because these two gestures share many similarities in the hand landmark images, leading to confusion between them during the recognition process.
Table 10 presents a comparison between the proposed system and recently developed similar systems. In Gao’s study, the system utilized hand gesture recognition with a Microsoft Kinect Depth camera, which is costly [34]. The results from this research indicated reduced performance due to the complexity of the background in captured images during recording. Additionally, this system lacks user-friendliness as it requires users to raise their hands for every gesture. Another study involved a control system based on detecting hand movements, which required wearing a bracelet [45]. Furthermore, this system needed a basic power setup for the wheelchair, contributing to a higher overall cost. Muhammad et al. proposed an affordable, gesture-controlled smart wheelchair system equipped with an IoT-enabled fall detection mechanism [5]. This system utilizes a Convolutional Neural Network (CNN) and computer vision algorithms to recognize hand gestures for controlling the wheelchair, while also ensuring user safety through fall detection and emergency messaging. With a development cost of under USD 300, this system offers an affordable and safe solution to improve the mobility of people with physical disabilities.
The proposed system incorporates a hand gesture tracking mechanism using finger movements, making it more user-friendly and easier to operate. Notably, the wheelchair system was designed with obstacle avoidance features to ensure safety during movement. Additionally, the total cost of this smart wheelchair is slightly over USD 500, as detailed in Table 11, making it a cost-effective solution suitable for potential commercialization. In addition, based on the components described in Table 11, experiments show that the total current consumption of the wheelchair system is approximately 6150 mA, corresponding to a power consumption of about 78.5 W. With the currently equipped 12 Ah battery, the maximum continuous operation time of the system is about 2 h. This operation time can be further extended if a battery with a larger capacity is used. Moreover, the time from hand gesture recognition to issuing wheelchair control commands ranges from 57 ms to 62 ms, allowing the wheelchair to move at speeds from 0.3 m/s to 0.5 m/s. These results indicate that the proposed gesture-controlled electric wheelchair system is suitable for indoor use with a relatively small area.

4. Conclusions

This article proposes a smart wheelchair model that utilizes the YOLOv8n model for recognizing six hand gestures, each corresponding to a control command. The hand gesture datasets were collected from student volunteers, including both male and female participants, under various conditions. These gestures are processed using MediaPipe to extract ROI, enhancing recognition capability. The highest accuracy achieved during model training is 99.3%, while the average accuracy during testing in real-world environments is 93.8%. The six gestures—“Forward 1”, “Forward 2”, “Left”, “Right”, “Stop”, and “Backward”—were assigned to their respective control commands. The recognition of these gestures achieved average accuracies of 90%, 95%, 97%, 95%, 94%, and 92% under appropriate lighting conditions. The processing time for each gesture is between 57 ms and 62 ms, allowing wheelchair movement at speeds ranging from 0.3 m/s to 0.5 m/s. The study also includes experiments assessing the stability of the wheelchair’s movement, comparing the actual and desired routes. The deviation between the two routes was minimal, showing an acceptable performance for indoor environments. Additionally, the research involved designing hardware using the Jetson Nano Developer Kit to process hand gesture images for controlling the wheelchair. The proposed model offers a feasible solution for creating smart wheelchairs for severely disabled individuals, suitable for practical use in indoor settings.

Author Contributions

Conceptualization, methodology, simulation, and writing—original draft, B.-V.N. and T.-N.N.; methodology, supervision, validation and writing—review and editing, T.-H.N. All authors have read and agreed to the published version of the manuscript.

Funding

This work is supported by Ho Chi Minh City University of Technology and Education (HCMUTE) under Grant No. T2024-132.

Data Availability Statement

The datasets generated and/or analyzed during the current study are available from the corresponding author on reasonable request.

Acknowledgments

We would like to thank the Ho Chi Minh City University of Technology and Education (HCMUTE), Vietnam.

Conflicts of Interest

The authors declare no conflicts of interest.

References

  1. Mindell, J.S.; Amin, S.; Mackett, R.L.; Taylor, J.; Yaffe, S. Chapter Two—Disability and travel. In Advances in Transport Policy and Planning; Mindell, J.S., Watkins, S.J., Eds.; Academic Press: Cambridge, MA, USA, 2024; Volume 13, pp. 47–87. [Google Scholar]
  2. Liu, Z.; Li, C.; Lin, J.; Xu, H.; Xu, Y.; Nan, H.; Cheng, W.; Li, J.; Wang, B. Advances in the development and application of non-contact intraoperative image access systems. BioMedical Eng. OnLine 2024, 23, 108. [Google Scholar] [CrossRef]
  3. Wang, H.; Ru, B.; Miao, X.; Gao, Q.; Habib, M.; Liu, L.; Qiu, S. MEMS Devices-Based Hand Gesture Recognition via Wearable Computing. Micromachines 2023, 14, 947. [Google Scholar] [CrossRef]
  4. Tchantchane, R.; Zhou, H.; Zhang, S.; Alici, G. A Review of Hand Gesture Recognition Systems Based on Noninvasive Wearable Sensors. Adv. Intell. Syst. 2023, 5, 2300207. [Google Scholar] [CrossRef]
  5. Sadi, M.S.; Alotaibi, M.; Islam, M.R.; Islam, M.S.; Alhmiedat, T.; Bassfar, Z. Finger-Gesture Controlled Wheelchair with Enabling IoT. Sensors 2022, 22, 8716. [Google Scholar] [CrossRef]
  6. Zhang, X.; Li, J.; Zhang, R.; Liu, T. A Brain-Controlled and User-Centered Intelligent Wheelchair: A Feasibility Study. Sensors 2024, 24, 3000. [Google Scholar] [CrossRef]
  7. Liu, K.; Yu, Y.; Liu, Y.; Tang, J.; Liang, X.; Chu, X.; Zhou, Z. A novel brain-controlled wheelchair combined with computer vision and augmented reality. BioMedical Eng. OnLine 2022, 21, 50. [Google Scholar] [CrossRef]
  8. Kutbi, M.; Li, H.; Chang, Y.; Sun, B.; Li, X.; Cai, C.; Agadakos, N.; Hua, G.; Mordohai, P. Egocentric Computer Vision for Hands-Free Robotic Wheelchair Navigation. J. Intell. Robot. Syst. 2023, 107, 10. [Google Scholar] [CrossRef]
  9. Tejonidhi, M.R.; Vinod, A.M. Oculus Supervised Wheelchair Control for People with Locomotor Disabilities. In Proceedings of the 2017 International Conference on Recent Advances in Electronics and Communication Technology (ICRAECT), Bangalore, India, 16–17 March 2017; pp. 254–259. [Google Scholar]
  10. Utaminingrum, F.; Fauzi, A.; Syauqy, D.; Cahya, R.; Hapsani, A.G. Determining direction of moving object using object tracking for smart weelchair controller. In Proceedings of the 2017 5th International Symposium on Computational and Business Intelligence (ISCBI), Dubai, United Arab Emirates, 11–14 August 2017; pp. 6–9. [Google Scholar]
  11. Huang, S.-S.; Ku, S.-H.; Hsiao, P.-Y. Combining Weighted Contour Templates with HOGs for Human Detection Using Biased Boosting. Sensors 2019, 19, 1458. [Google Scholar] [CrossRef] [PubMed]
  12. Pei, L.; Zhang, H.; Yang, B. Improved Camshift object tracking algorithm in occluded scenes based on AKAZE and Kalman. Multimed. Tools Appl. 2022, 81, 2145–2159. [Google Scholar] [CrossRef]
  13. Mahmud, S.; Lin, X.; Kim, J.H.; Iqbal, H.; Rahat-Uz-Zaman, M.; Reza, S.; Rahman, M.A. A Multi-Modal Human Machine Interface for Controlling a Smart Wheelchair. In Proceedings of the 2019 IEEE 7th Conference on Systems, Process and Control (ICSPC), Melaka, Malaysia, 13–14 December 2019; pp. 10–13. [Google Scholar]
  14. Desai, J.K.; Mclauchlan, L. Controlling a wheelchair by gesture movements and wearable technology. In Proceedings of the 2017 IEEE International Conference on Consumer Electronics (ICCE), Las Vegas, NV, USA, 8–10 January 2017; pp. 402–403. [Google Scholar]
  15. Bhuyain, M.F.; Shawon, M.A.U.K.; Sakib, N.; Faruk, T.; Islam, M.K.; Salim, K.M. Design and Development of an EOG-based System to Control Electric Wheelchair for People Suffering from Quadriplegia or Quadriparesis. In Proceedings of the 2019 International Conference on Robotics, Electrical and Signal Processing Techniques (ICREST), Dhaka, Bangladesh, 10–12 January 2019; pp. 460–465. [Google Scholar]
  16. Lecrosnier, L.; Khemmar, R.; Ragot, N.; Decoux, B.; Rossi, R.; Kefi, N.; Ertaud, J.-Y. Deep Learning-Based Object Detection, Localisation and Tracking for Smart Wheelchair Healthcare Mobility. Int. J. Environ. Res. Public Health 2020, 18, 91. [Google Scholar] [CrossRef]
  17. Lecrosnier, L.; Khemmar, R.; Ragot, N.; Rossi, R.; Ertaud, J.-Y.; Decoux, B.; Dupuis, Y. Object Detection, Localization and Tracking-Based Deep Learning for Smart Wheelchair. Model. Meas. Control C 2021, 82, 1–5. [Google Scholar] [CrossRef]
  18. Choudhury, N.; Mandal, R.; Patgiri, A.; Gogoi, J.; Nath, S. Design and Implementation of Deep Learning Assisted Smart Wheelchair. In NIELIT’s International Conference on Communication, Electronics and Digital Technologies; Springer Nature: Singapore, 2024; pp. 441–455. [Google Scholar]
  19. Tawil, Y.; Hafez, A.H.A. Deep Learning Obstacle Detection and Avoidance for Powered Wheelchair. In Proceedings of the 2022 Innovations in Intelligent Systems and Applications Conference (ASYU), Antalya, Turkey, 7–9 September 2022; pp. 1–6. [Google Scholar]
  20. Higa, S.; Yamada, K.; Kamisato, S. Intelligent Eye-Controlled Electric Wheelchair Based on Estimating Visual Intentions Using One-Dimensional Convolutional Neural Network and Long Short-Term Memory. Sensors 2023, 23, 4028. [Google Scholar] [CrossRef]
  21. Beyer, L.; Hermans, A.; Leibe, B. DROW: Real-Time Deep Learning based Wheelchair Detection in 2D Range Data. IEEE Robot. Autom. Lett. 2016, 2, 585–592. [Google Scholar] [CrossRef]
  22. Vasquez, A.; Kollmitz, M.; Eitel, A.; Burgard, W. Deep Detection of People and their Mobility Aids for a Hospital Robot. In Proceedings of the 2017 European Conference on Mobile Robots (ECMR), Paris, France, 6–8 September 2017; pp. 1–7. [Google Scholar]
  23. Xu, L.Y.; Zhao, Y.F.; Zhai, Y.H.; Huang, L.M.; Ruan, C.W. Small Object Detection in UAV Images Based on YOLOv8n. Int. J. Comput. Intell. Syst. 2024, 17, 223. [Google Scholar] [CrossRef]
  24. Tang, H.; Jiang, Y. An Improved YOLOv8n Algorithm for Object Detection with CARAFE, MultiSEAMHead, and TripleAttention Mechanisms. In Proceedings of the 2024 7th International Conference on Computer Information Science and Application Technology (CISAT), Hangzhou, China, 12–14 July 2024; pp. 119–122. [Google Scholar]
  25. Sun, Y.; Zhang, Y.; Wang, H.; Guo, J.; Zheng, J.; Ning, H. SES-YOLOv8n: Automatic driving object detection algorithm based on improved YOLOv8. Signal Image Video Process. 2024, 18, 3983–3992. [Google Scholar] [CrossRef]
  26. Zhao, Y.; Yang, D.; Cao, S.; Cai, B.; Maryamah, M.; Solihin, M.I. Object detection in smart indoor shopping using an enhanced YOLOv8n algorithm. IET Image Process. 2024, 18, 4745–4759. [Google Scholar] [CrossRef]
  27. Zhou, Q.; Wang, Z.; Zhong, Y.; Zhong, F.; Wang, L. Efficient Optimized YOLOv8 Model with Extended Vision. Sensors 2024, 24, 6506. [Google Scholar] [CrossRef]
  28. Chang, V.; Eniola, R.O.; Golightly, L.; Xu, Q.A. An Exploration into Human–Computer Interaction: Hand Gesture Recognition Management in a Challenging Environment. SN Comput. Sci. 2023, 4, 441. [Google Scholar] [CrossRef]
  29. Gouda, M.A.; Hong, W.; Jiang, D.; Feng, N.; Zhou, B.; Li, Z. Synthesis of sEMG Signals for Hand Gestures Using a 1DDCGAN. Bioengineering 2023, 10, 1353. [Google Scholar] [CrossRef]
  30. Liu, X.; Dai, C.; Liu, J.; Yuan, Y. Effects of Exercise on the Inter-Session Accuracy of sEMG-Based Hand Gesture Recognition. Bioengineering 2024, 11, 811. [Google Scholar] [CrossRef] [PubMed]
  31. Zhou, H.; Wang, D.; Yu, Y.; Zhang, Z. Research Progress of Human–Computer Interaction Technology Based on Gesture Recognition. Electronics 2023, 12, 2805. [Google Scholar] [CrossRef]
  32. Castro, M.C.F.; Arjunan, S.P.; Kumar, D.K. Selection of suitable hand gestures for reliable myoelectric human computer interface. BioMedical Eng. OnLine 2015, 14, 30. [Google Scholar] [CrossRef] [PubMed]
  33. Biagetti, G.; Crippa, P.; Falaschetti, L.; Orcioni, S.; Turchetti, C. Human activity monitoring system based on wearable sEMG and accelerometer wireless sensor nodes. BioMedical Eng. OnLine 2018, 17, 132. [Google Scholar] [CrossRef]
  34. Gao, X.; Shi, L.; Wang, Q. The design of robotic wheelchair control system based on hand gesture control for the disabled. In Proceedings of the 2017 International Conference on Robotics and Automation Sciences (ICRAS), Hong Kong, China, 26–29 August 2017; pp. 30–34. [Google Scholar]
  35. Jayalakshmi, M.; Saradhi, T.P.; Azam, S.M.R.; Fazil, S.; Sriram, S.D.S. Multi-model Human-Computer Interaction System with Hand Gesture and Eye Gesture Control. In Proceedings of the 2024 5th International Conference on Innovative Trends in Information Technology (ICITIIT), Kottayam, India, 15–16 March 2024; pp. 1–6. [Google Scholar]
  36. Sánchez-Brizuela, G.; Cisnal, A.; de la Fuente-López, E.; Fraile, J.-C.; Pérez-Turiel, J. Lightweight real-time hand segmentation leveraging MediaPipe landmark detection. Virtual Real. 2023, 27, 3125–3132. [Google Scholar] [CrossRef]
  37. Yunusov, N.; Islam, B.M.; Abdusalomov, A.; Kim, W. Robust Forest Fire Detection Method for Surveillance Systems Based on You Only Look Once Version 8 and Transfer Learning Approaches. Processes 2024, 12, 1039. [Google Scholar] [CrossRef]
  38. Oyedotun, O.K.; Khashman, A. Deep learning in vision-based static hand gesture recognition. Neural Comput. Appl. 2017, 28, 3941–3951. [Google Scholar] [CrossRef]
  39. Zhan, F. Hand Gesture Recognition with Convolution Neural Networks. In Proceedings of the 2019 IEEE 20th International Conference on Information Reuse and Integration for Data Science (IRI), Los Angeles, CA, USA, 30 July–1 August 2019; pp. 295–298. [Google Scholar]
  40. Vashisth, H.K.; Tarafder, T.; Aziz, R.; Arora, M. Hand Gesture Recognition in Indian Sign Language Using Deep Learning. Eng. Proc. 2023, 59, 96. [Google Scholar] [CrossRef]
  41. Sharma, S.; Singh, S. Vision-based hand gesture recognition using deep learning for the interpretation of sign language. Expert Syst. Appl. 2021, 182, 115657. [Google Scholar] [CrossRef]
  42. Anilkumar, G.; Fouzia, M.S.; Anisha, G.S. Imperative Methodology to Detect the Palm Gestures (American Sign Language) using Y010v5 and MediaPipe. In Proceedings of the 2022 2nd International Conference on Intelligent Technologies (CONIT), Hubli, India, 24–26 June 2022; pp. 1–4. [Google Scholar]
  43. Mariappan, H.M.; Gomathi, V. Real-Time Recognition of Indian Sign Language. In Proceedings of the 2019 International Conference on Computational Intelligence in Data Science (ICCIDS), Chennai, India, 21–23 February 2019; pp. 1–6. [Google Scholar]
  44. Rosalina; Yusnita, L.; Hadisukmana, N.; Wahyu, R.B.; Roestam, R.; Wahyu, Y. Implementation of real-time static hand gesture recognition using artificial neural network. In Proceedings of the 2017 4th International Conference on Computer Applications and Information Processing Technology (CAIPT), Kuta Bali, Indonesia, 8–10 August 2017; pp. 1–6. [Google Scholar]
  45. Oliver, S.; Khan, A. Design and evaluation of an alternative wheelchair control system for dexterity disabilities. Healthc. Technol. Lett. 2019, 6, 109–114. [Google Scholar] [CrossRef] [PubMed]
Figure 1. Block diagram of the proposed smart wheelchair.
Figure 1. Block diagram of the proposed smart wheelchair.
Electronics 14 00734 g001
Figure 2. Representation of the process for collecting 6 hand gesture image sets.
Figure 2. Representation of the process for collecting 6 hand gesture image sets.
Electronics 14 00734 g002
Figure 3. Description of 6 hand gestures assigned to 6 wheelchair activities: (a) “Forward 1”, (b) “Forward 2”, (c) “Backward”, (d) “Left”, (e) “Right”, (f) “Stop”.
Figure 3. Description of 6 hand gestures assigned to 6 wheelchair activities: (a) “Forward 1”, (b) “Forward 2”, (c) “Backward”, (d) “Left”, (e) “Right”, (f) “Stop”.
Electronics 14 00734 g003
Figure 4. Description of extracting ROI with landmarks using MediaPipe.
Figure 4. Description of extracting ROI with landmarks using MediaPipe.
Electronics 14 00734 g004
Figure 5. Representation of 6 ROI images with the hand gesture and landmarks framed using MediaPipe (a) “Forward 1”, (b) “Forward 2”, (c) “Backward”, (d) “Left”, (e) “Right”, (f) “Stop”.
Figure 5. Representation of 6 ROI images with the hand gesture and landmarks framed using MediaPipe (a) “Forward 1”, (b) “Forward 2”, (c) “Backward”, (d) “Left”, (e) “Right”, (f) “Stop”.
Electronics 14 00734 g005
Figure 6. Representation of creating the hand gesture frame and removing the background.
Figure 6. Representation of creating the hand gesture frame and removing the background.
Electronics 14 00734 g006
Figure 7. Representation of the framed hand gesture set with the size of 300 × 300.
Figure 7. Representation of the framed hand gesture set with the size of 300 × 300.
Electronics 14 00734 g007
Figure 8. Representation of the architecture of the YOLOv8 model with the convolutional layers for feature extraction and recognition.
Figure 8. Representation of the architecture of the YOLOv8 model with the convolutional layers for feature extraction and recognition.
Electronics 14 00734 g008
Figure 9. Schematic of connecting hardware devices in the smart wheelchair.
Figure 9. Schematic of connecting hardware devices in the smart wheelchair.
Electronics 14 00734 g009
Figure 10. Representation of the training loss curves (box loss, obj loss, cls loss).
Figure 10. Representation of the training loss curves (box loss, obj loss, cls loss).
Electronics 14 00734 g010
Figure 11. Representation of the validation loss curves (box loss, obj loss, cls loss).
Figure 11. Representation of the validation loss curves (box loss, obj loss, cls loss).
Electronics 14 00734 g011
Figure 12. Representation of the precision and recall curves for evaluating the ability of the proposed model.
Figure 12. Representation of the precision and recall curves for evaluating the ability of the proposed model.
Electronics 14 00734 g012
Figure 13. Confusion matrix representation for evaluating the recognition performance of the proposed model.
Figure 13. Confusion matrix representation for evaluating the recognition performance of the proposed model.
Electronics 14 00734 g013
Figure 14. Representation of 6 hand gestures for controlling the smart wheelchair: (a) “Forward 1”, (b) “Forward 2”, (c) “Backward”, (d) “Left”, (e) “Right”, (f) “Stop”.
Figure 14. Representation of 6 hand gestures for controlling the smart wheelchair: (a) “Forward 1”, (b) “Forward 2”, (c) “Backward”, (d) “Left”, (e) “Right”, (f) “Stop”.
Electronics 14 00734 g014
Figure 15. The smart electric wheelchair model: (a) front view; (b) back view; (c) side view; (d) devices mounted on the wheelchair; and (e) the wheelchair controller.
Figure 15. The smart electric wheelchair model: (a) front view; (b) back view; (c) side view; (d) devices mounted on the wheelchair; and (e) the wheelchair controller.
Electronics 14 00734 g015
Figure 16. Representation of the experimental environment and the control operations with hand gestures: (a) experimental environment; and (b) gesture execution description for controlling a wheelchair.
Figure 16. Representation of the experimental environment and the control operations with hand gestures: (a) experimental environment; and (b) gesture execution description for controlling a wheelchair.
Electronics 14 00734 g016
Figure 17. Representation of six hand gestures corresponding to six control commands: (a) forward 1; (b) forward 2; (c) backward; (d) stop; (e) left; and (f) right.
Figure 17. Representation of six hand gestures corresponding to six control commands: (a) forward 1; (b) forward 2; (c) backward; (d) stop; (e) left; and (f) right.
Electronics 14 00734 g017
Figure 18. Representation of the actual route (red) versus the reference route (blue).
Figure 18. Representation of the actual route (red) versus the reference route (blue).
Electronics 14 00734 g018
Figure 19. Representation of the actual route (red) versus the reference route (blue) using the designed controller in the proposed mode.
Figure 19. Representation of the actual route (red) versus the reference route (blue) using the designed controller in the proposed mode.
Electronics 14 00734 g019
Table 1. Statistics of current wheelchair control methods using deep learning networks.
Table 1. Statistics of current wheelchair control methods using deep learning networks.
PapersMethodResultDeep Learning ModelAccuracy
Louis Lecrosnier et al. [16] Deep learning-based object detection and trackingSuccessfully detected and tracked objects in a wheelchair’s environmentYOLOv392% (object detection)
Louis Lecrosnier et al. [17]Deep learning for object detection and trackingEnhanced wheelchair perception for semi-autonomous drivingFaster R-CNN + LSTM90% (tracking accuracy)
Nupur Choudhury et al. [18]CNN-based object detectionEffective real-time object detection for wheelchair navigationCNN (custom model)85–95% (depending on object type)
Yahya Tawil et al. [19]Obstacle detection using deep learningEffective obstacle detection and avoidanceSSD (single shot detector)88% (obstacle detection accuracy)
Sho Higa et al. [20] Eye-tracking with deep learning for navigation controlAccurate intention estimation for navigationResNet-50 + LSTM94% (intention estimation)
Lucas Beyer et al. [21]Deep learning for 2D range-based wheelchair detectionReal-time wheelchair detectionCNN (custom model)87% (wheelchair detection accuracy)
Andres Vasquez et al. [22]Deep learning for detecting people and mobility aidsSuccessfully detected and classified users with mobility aidsYOLOv2 + MobileNet93% (classification accuracy)
Table 2. Description of the hardware system with devices connected with the smart wheelchair.
Table 2. Description of the hardware system with devices connected with the smart wheelchair.
NoDevice NamesQuantityNotices
1NVIDIA Jetson Nano Developer Kit1Power supply with 5 V–4 A, 4 GB RAM
2Arduino Due R31Atmel SAM3X8E ARM Cortex-M3 CPU
3Waveshare 7-inch HD touchscreen1Touch function
4Logitech FullHD Webcam C9201USB connection
5Electric wheelchair1Installed with additional devices
6Intel Wireless AC8265 Card1Connected to Jetson Nano
7HC-05 Bluetooth module1Added for connecting to Jetson
8DC-DC Buck 15 A module1Power supply for Jetson Nano
9LM2579 module1Power supply for Arduino Due and sensors
10BTS7960 motor control module2Control DC motors
11HC-SR04M module2Ultrasonic sensor for distance measurement and obstacle detection.
12Battery124 V–12 AH
13Speaker23 W—Play a warning sound when an obstacle is detected
Table 3. Description of the total number of six image gesture sets divided for training and evaluation.
Table 3. Description of the total number of six image gesture sets divided for training and evaluation.
Hand GesturesTraining SetValidation Set
Forward 11600400
Forward 21600400
Backward1600400
Left1600400
Right1600400
Stop1600400
Total96002400
Table 4. Classification results of hand gestures from previous studies and our proposed model.
Table 4. Classification results of hand gestures from previous studies and our proposed model.
PapersTasksModelsAccuracy
Muthu Mariappan et al. [43]40 ISL words and sentences in real timeFuzzy c-means75.0%
Rosalina et al. [44]39 ASL signs (26 alphabet letters, 10 digits, and 3 punctuation)ANN90.0%
Oyebade K. Oyedotun et al. [38]24 ASL hand gesturesCNN92.8%
Felix Zhan et al. [39]9 hand gesturesCNN98.76%
Harsh et al. [40]26 ISL hand signsCNN99.0%
Sakshi et al. [41]43 ISL gesturesVGG-11 and VGG-1699.96%
ASL signsVGG-11 and VGG-16100%
Gouri et al. [42]ASL signsMediaPipe-LSTM95.0%
YOLOv5-Pytorch92.5%
Proposed model6 hand gesturesCNN99.3%
Table 5. Representation of the time and distance of the wheelchair movements following routes in Figure 18.
Table 5. Representation of the time and distance of the wheelchair movements following routes in Figure 18.
Positions for Movement Moved Distance (m)Time (s)
Start point to A3.813.0
A to B1.89.0
B to C1.25.0
C to D1.05.0
D to E4.817.0
E to End point (X)2.311.0
Total14.960.0
Table 6. Statistical results of controlling the wheelchair using hand gestures in the indoor/outdoor environment with 50 times.
Table 6. Statistical results of controlling the wheelchair using hand gestures in the indoor/outdoor environment with 50 times.
Hand GesturesNumber of Correct RecognitionsNumber of Incorrect RecognitionsMisrecognized GesturesAccuracy Rate of Recognition
Forward 1455Backward/Stop90%
Forward 2482Forward 196%
Left491Right98%
Right482Backward 96%
Stop464Forward 192%
Backward473Forward 194%
Table 7. Processing time for wheelchair control using commands associated with six hand gestures.
Table 7. Processing time for wheelchair control using commands associated with six hand gestures.
CommandsProcessing Time (ms)Average
Attempt 1Attempt 2Attempt 3Attempt 4Attempt 5
Forward 158.757.458.956.357.857.8
Forward 258.956.258.659.660.158.9
Left58.657.960.361.556.759.0
Right63.364.260.659.858.461.3
Stop64.658.759.163.360.761.3
Backward67.765.463.259.858.662.9
Table 8. Time and distance covered by the wheelchair as depicted in Figure 19.
Table 8. Time and distance covered by the wheelchair as depicted in Figure 19.
PositionsDistance (m)Time (s)
A to B3.011.0
B to C3.012.0
C to D1.04.0
D to E1.04.0
E to G2.09.0
G to A4.017.0
Total14.057.0
Table 9. Results of wheelchair control using six hand gestures, with each gesture performed 50 times.
Table 9. Results of wheelchair control using six hand gestures, with each gesture performed 50 times.
Gestures Corresponding to Movement ActivitiesCorrect Control AttemptsIncorrect Control AttemptsControl Accuracy
Forward 1 (going slowly)45590%
Forward 2 (going quickly)47394%
Left (turning left)48296%
Right (turning right)47394%
Stop48296%
Backward (going back)45590%
Table 10. The comparison between proposed system and similar works.
Table 10. The comparison between proposed system and similar works.
PapersFeatures
FunctionalityEquipmentRequirements and LimitationsCostSuccess Rate
Muhammad et al. [5]Hand gesture, fall detection, obstacle avoidanceRGB Camera, Raspberry Pi, sensorsRequire only fingers’ movementLow97.14%
Gao et al. [34]Hand gesture recognitionMicrosoft Kinect Camera, high configuration laptopRequire hand raising, background complexityHigh10–100%, depending on background complexity
Oliver et al. [45]Hand movement detectionAccelerometer, joystick manipulatorRequire hand band wearingMediumThe joystick manipulator system is 100% reliable in testing
Proposed systemHand gestureRGB Camera, Jetson NanoRequire only hand gestureLow93.8–99.3%, depending on brightness
Table 11. Estimated cost of the developed smart wheelchair.
Table 11. Estimated cost of the developed smart wheelchair.
ItemsEstimated Cost
Electric Wheelchair DevelopmentUSD 402
Control Unit IntegrationUSD 135
Jetson Nano (2 GB RAM)USD 100
RGB CameraUSD 15
Arduino and sensorsUSD 20
TotalUSD 537
Disclaimer/Publisher’s Note: The statements, opinions and data contained in all publications are solely those of the individual author(s) and contributor(s) and not of MDPI and/or the editor(s). MDPI and/or the editor(s) disclaim responsibility for any injury to people or property resulting from any ideas, methods, instructions or products referred to in the content.

Share and Cite

MDPI and ACS Style

Nguyen, T.-H.; Ngo, B.-V.; Nguyen, T.-N. Vision-Based Hand Gesture Recognition Using a YOLOv8n Model for the Navigation of a Smart Wheelchair. Electronics 2025, 14, 734. https://doi.org/10.3390/electronics14040734

AMA Style

Nguyen T-H, Ngo B-V, Nguyen T-N. Vision-Based Hand Gesture Recognition Using a YOLOv8n Model for the Navigation of a Smart Wheelchair. Electronics. 2025; 14(4):734. https://doi.org/10.3390/electronics14040734

Chicago/Turabian Style

Nguyen, Thanh-Hai, Ba-Viet Ngo, and Thanh-Nghia Nguyen. 2025. "Vision-Based Hand Gesture Recognition Using a YOLOv8n Model for the Navigation of a Smart Wheelchair" Electronics 14, no. 4: 734. https://doi.org/10.3390/electronics14040734

APA Style

Nguyen, T.-H., Ngo, B.-V., & Nguyen, T.-N. (2025). Vision-Based Hand Gesture Recognition Using a YOLOv8n Model for the Navigation of a Smart Wheelchair. Electronics, 14(4), 734. https://doi.org/10.3390/electronics14040734

Note that from the first issue of 2016, this journal uses article numbers instead of page numbers. See further details here.

Article Metrics

Back to TopTop