Optimization of 6T-SRAM Cell Based on CNN-Informed NSGA-II with Consideration of Parasitic Resistance
Abstract
1. Introduction
2. Methodology
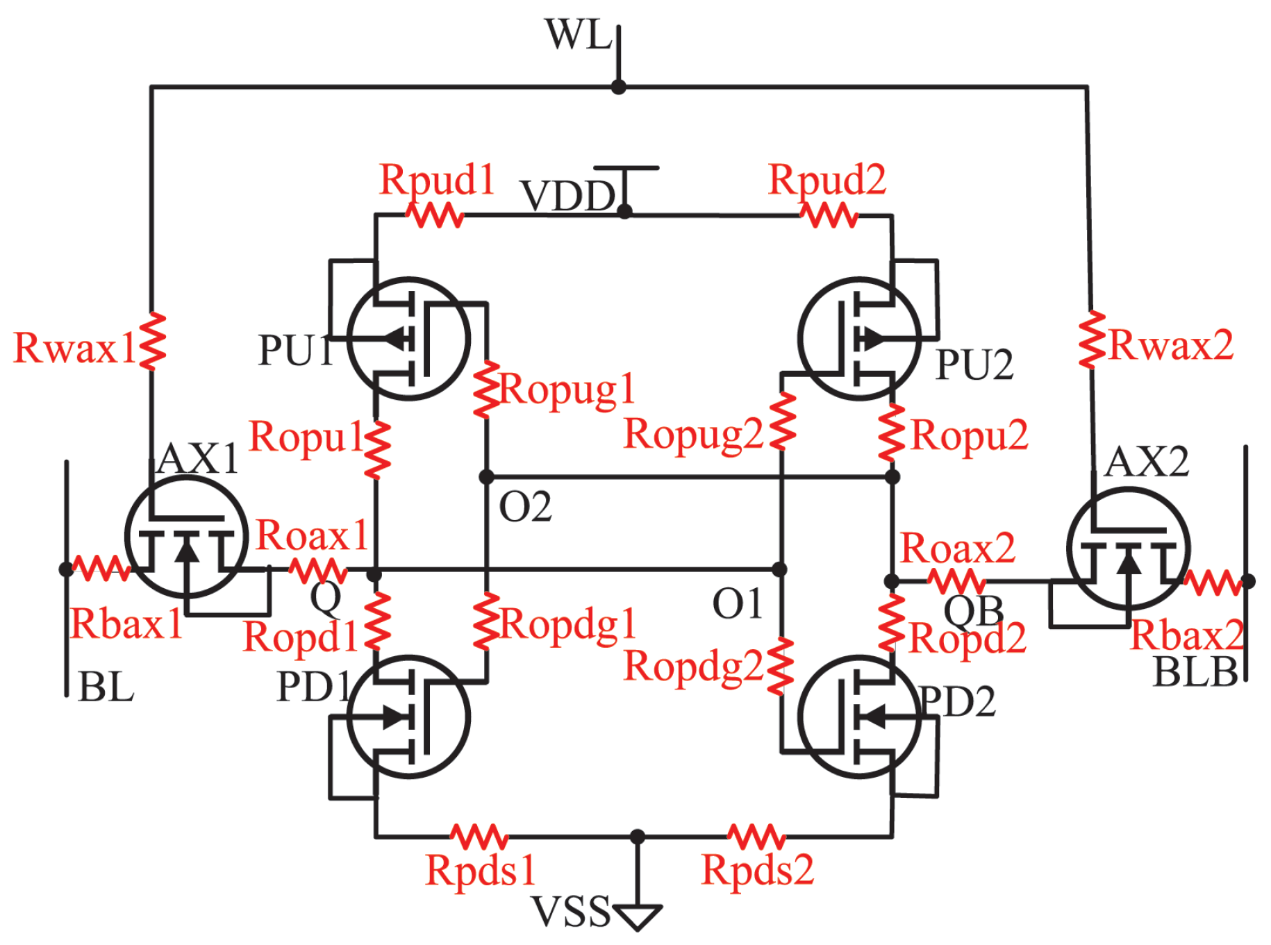
2.1. Analysis of Parasitic Resistances in 6T-SRAM and Generation of Dataset
2.2. The Training of the Neural Networks
2.3. CNN-Informed NSGA-II to Obtain Pareto Front
- First, 4000 samples are randomly selected from the simulation data as the initial population. This avoids the slow convergence associated with randomly generated problems.
- The non-dominated sorting part was replaced by a trained CNN model. During each iteration, the CNN model directly takes decision variables (resistances) as input and outputs the objective function values (performance metrics). Constraints are set based on practical requirements for screening individuals whose constraints are retained, and the remaining individuals proceed to crossover and mutation.
- Population diversity is preserved, and algorithms are prevented from converging to local minima. In each iteration, the crowding-distance of the individuals is calculated and used as a “Diversity Threshold”. When the threshold is no less than 0.1, 100 randomly selected samples from the simulation data are combined to serve as parents for the next iteration. The Diversity Threshold is defined as follows:where n is the population size, and is the Euclidean distance between solution i and solution j. The improvements described above were implemented based on the NSGA-II provided by the Platypus library [28]. The algorithm was iterated 100 times to minimize Write Peak-to-Peak Power, Write Average Power, Write Dynamic Power, Write Time, Read Peak-to-Peak Power, and Read Average Power while maximizing RSNM.
3. Results and Discussion
- Optimize the interconnects. Use a wider BL/BLB or arrange interconnects in different metal layers to reduce parasitic resistance.
- Use the buried power rail structure [32] to reduce interconnect parasitic resistance.
- Improve the manufacturing process. Use Ruthenium instead of copper for interconnects to reduce resistance [33].
4. Conclusions
Author Contributions
Funding
Data Availability Statement
Conflicts of Interest
References
- Chen, J.; Zhao, W.; Wang, Y.; Shu, Y.; Jiang, W.; Ha, Y. A Reliable 8T SRAM for High-Speed Searching and Logic-in-Memory Operations. IEEE Trans. Very Large Scale Integr. (VLSI) Syst. 2022, 30, 769–780. [Google Scholar] [CrossRef]
- Carlo, S.D.; Savino, A.; Scionti, A.; Prinetto, P. Influence of Parasitic Capacitance Variations on 65 nm and 32 nm Predictive Technology Model SRAM Core-Cells. In Proceedings of the 2008 17th Asian Test Symposium, Hokkaido, Japan, 24–27 November 2008; pp. 411–416. [Google Scholar] [CrossRef]
- Maddela, V.; Sinha, S.K.; Parvathi, M.; Sharma, V. Comparative Analysis of Open and Short Defects in Embedded SRAM Using Parasitic Extraction Method for Deep Submicron Technology. Wirel. Pers. Commun. 2023, 132, 2123–2141. [Google Scholar] [CrossRef]
- Bhoj, A.N.; Jha, N.K. Parasitics-Aware Design of Symmetric and Asymmetric Gate-Workfunction FinFET SRAMs. IEEE Trans. Very Large Scale Integr. (VLSI) Syst. 2014, 22, 548–561. [Google Scholar] [CrossRef]
- Gupta, M.K.; Weckx, P.; Schuddinck, P.; Jang, D.; Chehab, B.; Cosemans, S.; Ryckaert, J.; Dehaene, W. The Complementary FET (CFET) 6T-SRAM. IEEE Trans. Electron Devices 2021, 68, 6106–6111. [Google Scholar] [CrossRef]
- Mushtaq, U.; Sharma, V.K. Design and Analysis of INDEP FinFET SRAM Cell at 7-nm Technology. Int. J. Numer. Model. Electron. Netw. Devices Fields 2020, 33, e2730. [Google Scholar] [CrossRef]
- Luo, Y.; Cao, L.; Zhang, Q.; Cao, Y.; Zhang, Z.; Yao, J.; Yan, G.; Zhang, X.; Gan, W.; Huo, J.; et al. Layout Optimization of Complementary FET 6T-SRAM Cell Based on a Universal Methodology Using Sensitivity With Respect to Parasitic- and -Values. IEEE Trans. Electron Devices 2022, 69, 6095–6101. [Google Scholar] [CrossRef]
- Luo, Y.; Yan, G.; Cao, L.; Huo, J.; Zhang, X.; Wei, Y.; Tian, G.; Zhang, Q.; Wu, Z.; Yin, H. Influence of Parasitic Capacitance and Resistance on Performance of 6T-SRAM for Advanced CMOS Circuits Design. In Proceedings of the 2022 China Semiconductor Technology International Conference (CSTIC), Shanghai, China, 20–21 June 2022; pp. 1–3. [Google Scholar] [CrossRef]
- Jeon, I.; Park, H.; Yoon, T.; Jeong, H. High Efficiency Variation-Aware SRAM Timing Characterization via Machine-Learning-Assisted Netlist Extraction. IEEE Trans. Circuits Syst. II Express Briefs 2024, 71, 1391–1395. [Google Scholar] [CrossRef]
- Bouhlila, J.; Last, F.; Buchty, R.; Berekovic, M.; Mulhem, S. Machine Learning for SRAM Stability Analysis. In Proceedings of the 2024 IEEE International Symposium on Circuits and Systems (ISCAS), Singapore, 19–22 May 2024; pp. 1–5. [Google Scholar] [CrossRef]
- Sudharsan, B.; Yadav, P.; Breslin, J.G.; Intizar Ali, M. An SRAM Optimized Approach for Constant Memory Consumption and Ultra-fast Execution of ML Classifiers on TinyML Hardware. In Proceedings of the 2021 IEEE International Conference on Services Computing (SCC), Chicago, IL, USA, 5–10 September 2021; pp. 319–328. [Google Scholar] [CrossRef]
- Shen, S.; Yang, D.; Xie, Y.; Pei, C.; Yu, B.; Yu, W. Deep-Learning-Based Pre-Layout Parasitic Capacitance Prediction on SRAM Designs. In Proceedings of the Great Lakes Symposium on VLSI 2024, Tampa Bay Area, FL, USA, 12–14 June 2024; pp. 440–445. [Google Scholar]
- Kumar, H.; Tomar, V. A Review on Performance Evaluation of Different Low Power SRAM Cells in Nano-Scale Era. Wirel. Pers. Commun. 2021, 117, 1959–1984. [Google Scholar] [CrossRef]
- Lambora, A.; Gupta, K.; Chopra, K. Genetic Algorithm- A Literature Review. In Proceedings of the 2019 International Conference on Machine Learning, Big Data, Cloud and Parallel Computing (COMITCon), Faridabad, India, 14–16 February 2019; pp. 380–384. [Google Scholar] [CrossRef]
- Zhang, R.; Liu, Z.; Yang, K.; Liu, T.; Cai, W.; Milor, L. Inverse Design of FinFET SRAM Cells. In Proceedings of the 2020 IEEE International Reliability Physics Symposium (IRPS), Dallas, TX, USA, 28 April–30 May 2020; pp. 1–6. [Google Scholar] [CrossRef]
- Clark, L.T.; Vashishtha, V.; Shifren, L.; Gujja, A.; Sinha, S.; Cline, B.; Ramamurthy, C.; Yeric, G. ASAP7: A 7-nm FinFET Predictive Process Design Kit. Microelectron. J. 2016, 53, 105–115. [Google Scholar] [CrossRef]
- Chang, L.; Fried, D.; Hergenrother, J.; Sleight, J.; Dennard, R.; Montoye, R.; Sekaric, L.; McNab, S.; Topol, A.; Adams, C.; et al. Stable SRAM Cell Design for the 32 nm Node and Beyond. In Proceedings of the Digest of Technical Papers. 2005 Symposium on VLSI Technology, Kyoto, Japan, 14–16 June 2005; pp. 128–129. [Google Scholar] [CrossRef]
- Mohammed, M.U.; Nizam, A.; Chowdhury, M.H. Performance Stability Analysis of SRAM Cells Based on Different FinFET Devices in 7 nm Technology. In Proceedings of the 2018 IEEE SOI-3D-Subthreshold Microelectronics Technology Unified Conference (S3S), Burlingame, CA, USA, 15–18 October 2018; pp. 1–3. [Google Scholar] [CrossRef]
- Mushtaq, U.; Sharma, V.K. Design of 6T FinFET SRAM cell at 7 nm. In Proceedings of the 2019 International Conference on Communication and Electronics Systems (ICCES), Coimbatore, India, 17–19 July 2019; pp. 104–108. [Google Scholar] [CrossRef]
- Paszke, A.; Gross, S.; Massa, F.; Lerer, A.; Bradbury, J.; Chanan, G.; Killeen, T.; Lin, Z.; Gimelshein, N.; Antiga, L.; et al. Pytorch: An Imperative Style, High-Performance Deep Learning Library. In Proceedings of the Advances in Neural Information Processing Systems 32 (NeurIPS 2019), Vancouver, BC, Canada, 8–14 December 2019; Volume 32. [Google Scholar]
- Kingma, D.P.; Ba, J. Adam: A method for Stochastic Optimization. arXiv 2014, arXiv:1412.6980. [Google Scholar]
- Kiranyaz, S.; Avci, O.; Abdeljaber, O.; Ince, T.; Gabbouj, M.; Inman, D.J. 1D Convolutional Neural Networks and Applications: A Survey. Mech. Syst. Signal Process. 2021, 151, 107398. [Google Scholar] [CrossRef]
- Xiong, Q.; Kong, Q.; Xiong, H.; Chen, J.; Yuan, C.; Wang, X.; Xia, Y. Zero-Shot Knowledge Transfer for Seismic Damage Diagnosis through Multi-Channel 1D CNN Integrated with Autoencoder-Based Domain Adaptation. Mech. Syst. Signal Process. 2024, 217, 111535. [Google Scholar] [CrossRef]
- Popescu, M.C.; Balas, V.E.; Perescu-Popescu, L.; Mastorakis, N. Multilayer Perceptron and Neural Networks. WSEAS Trans. Circuits Syst. 2009, 8, 579–588. [Google Scholar]
- Khorrami, P.; Nabavi, A. Evaluating the Performance of 6T SRAM Cells by Deep Learning. Microelectron. Reliab. 2024, 156, 115374. [Google Scholar] [CrossRef]
- Sherstinsky, A. Fundamentals of Recurrent Neural Network (RNN) and Long Short-Term Memory (LSTM) Network. Phys. D Nonlinear Phenom. 2020, 404, 132306. [Google Scholar] [CrossRef]
- Deb, K.; Pratap, A.; Agarwal, S.; Meyarivan, T. A Fast and Elitist Multiobjective Genetic Algorithm: NSGA-II. IEEE Trans. Evol. Comput. 2002, 6, 182–197. [Google Scholar] [CrossRef]
- Hadka, D. Platypus-Multiobjective Optimization in Python. 2020. Available online: https://platypus.readthedocs.io/ (accessed on 7 October 2024).
- Abbasian, E.; Birla, S.; Gholipour, M. A Comprehensive Analysis of Different SRAM Cell Topologies in 7-nm FinFET Technology. Silicon 2021, 14, 6909–6920. [Google Scholar] [CrossRef]
- Chithambara Moorthii, J.; Mourya, M.V.; Bansal, H.; Verma, D.; Suri, M. RRAM IMC based Efficient Analog Carry Propagation and Multi-bit MVM. In Proceedings of the 2024 8th IEEE Electron Devices Technology & Manufacturing Conference (EDTM), Bangalore, India, 3–6 March 2024; pp. 1–3. [Google Scholar] [CrossRef]
- Antolini, A.; Lico, A.; Scarselli, E.F.; Carissimi, M.; Pasotti, M. Phase-change memory cells characterization in an analog in-memory computing perspective. In Proceedings of the 2022 17th Conference on Ph.D Research in Microelectronics and Electronics (PRIME), Villasimius, Italy, 12–15 June 2022; pp. 233–236. [Google Scholar] [CrossRef]
- Gupta, A.; Mertens, H.; Tao, Z.; Demuynck, S.; Bömmels, J.; Arutchelvan, G.; Devriendt, K.; Pedreira, O.V.; Ritzenthaler, R.; Wang, S.; et al. Buried Power Rail Integration with Si FinFETs for CMOS Scaling beyond the 5 nm Node. In Proceedings of the 2020 IEEE Symposium on VLSI Technology, Honolulu, HI, USA, 16–19 June 2020; pp. 1–2. [Google Scholar] [CrossRef]
- Zhang, X.; Huang, H.; Patlolla, R.; Wang, W.; Mont, F.W.; Li, J.; Hu, C.K.; Liniger, E.G.; McLaughlin, P.S.; Labelle, C.; et al. Ruthenium interconnect resistivity and reliability at 48 nm pitch. In Proceedings of the 2016 IEEE International Interconnect Technology Conference/Advanced Metallization Conference (IITC/AMC), San Jose, CA, USA, 23–26 May 2016; pp. 31–33. [Google Scholar] [CrossRef]
- Lee, J.; Park, J.; Kim, S.; Jeong, H. Bayesian Learning Automated SRAM Circuit Design for Power and Performance Optimization. IEEE Trans. Circuits Syst. I Regul. Pap. 2023, 70, 4949–4961. [Google Scholar] [CrossRef]







| Res. | Key Nodes | Transistor Ports |
|---|---|---|
| Rbax | BL/BLB | AX_D |
| Roax | O1/O2 | AX_S |
| Ropu | O1/O2 | PU_D |
| Ropd | O1/O2 | PD_D |
| Ropug | O1/O2 | PU_G |
| Ropdg | O1/O2 | PD_G |
| Rwax | WL | AX_G |
| Rpds | GND | PD_S |
| Rpud | VDD | PU_S |
| Performance Metrics | Optimization Guidance | |
|---|---|---|
| Decrease | Increase | |
| Write Dynamic Power | - | Roax, Ropd, Rbax, Rpds, Rwax |
| Write Time | Rbax, Roax | - |
| Write Peak-to-Peak Power | - | Roax, Ropd, Rbax, Rpds |
| Write Average Power | - | Roax, Ropd, Rbax, Rpds |
| Read Average Power | - | Roax, Ropd, Rbax, Rpds |
| Read Peak-to-Peak Power | Rpds, Rpud | Rbax, Roax |
| RSNM | Rpds | Roax, Rbax |
| HSNM | Rpds, Ropd, Ropu, Rpud | - |
| Model | MSE | R2 |
|---|---|---|
| MLP | 5.94 | 0.9204 |
| CNN | 2.11 | 0.9690 |
| LSTM | 2.04 | 0.9109 |
| Pareto Front | Rbax | Roax | Rpds |
|---|---|---|---|
| 1 | 124.60 | 20,884.71 | 20,504.20 |
| 2 | 1895.09 | 18,443.30 | 24,354.19 |
| 3 | 980.50 | 17,337.85 | 23,617.78 |
| 4 | 514.25 | 18,785.59 | 24,215.14 |
| 5 | 435.39 | 19,451.52 | 23,007.56 |
| 6 | 1123.00 | 20,741.90 | 24,631.09 |
| 7 | 123.39 | 19,868.92 | 20,355.95 |
| 8 | 1019.97 | 18,991.99 | 24,109.28 |
| 9 | 189.61 | 20,791.24 | 24,642.21 |
| 10 | 1158.71 | 21,208.81 | 21,186.57 |
| 11 | 899.72 | 20,332.68 | 23,186.61 |
| 12 | 433.42 | 22,114.40 | 20,551.84 |
| 13 | 370.29 | 15,871.56 | 24,628.51 |
| Write Dynamic Power | Write Time | HSNM | RSNM | |
|---|---|---|---|---|
| This work | 12.49 uW | 33.33 ps | 0.3099 V | 0.1658 V |
| Ref. [29] | 67.87 uW | 94.28 ps | 0.2769 V | 0.1558 V |
| Unit: s | This Work | Ref. [34] |
|---|---|---|
| Simulation time | 17,498.8 | 3276.0 |
| NN training time | 70.8 | 504.0 |
| Genetic algorithm time | 11.3 | 3312.0 |
| Total time | 17,580.9 | 7092.0 |
Disclaimer/Publisher’s Note: The statements, opinions and data contained in all publications are solely those of the individual author(s) and contributor(s) and not of MDPI and/or the editor(s). MDPI and/or the editor(s) disclaim responsibility for any injury to people or property resulting from any ideas, methods, instructions or products referred to in the content. |
© 2025 by the authors. Licensee MDPI, Basel, Switzerland. This article is an open access article distributed under the terms and conditions of the Creative Commons Attribution (CC BY) license (https://creativecommons.org/licenses/by/4.0/).
Share and Cite
Zheng, Q.; Wu, Y.; Zhao, C.; Zhou, J. Optimization of 6T-SRAM Cell Based on CNN-Informed NSGA-II with Consideration of Parasitic Resistance. Electronics 2025, 14, 4002. https://doi.org/10.3390/electronics14204002
Zheng Q, Wu Y, Zhao C, Zhou J. Optimization of 6T-SRAM Cell Based on CNN-Informed NSGA-II with Consideration of Parasitic Resistance. Electronics. 2025; 14(20):4002. https://doi.org/10.3390/electronics14204002
Chicago/Turabian StyleZheng, Qiwen, Ye Wu, Chun Zhao, and Jiafeng Zhou. 2025. "Optimization of 6T-SRAM Cell Based on CNN-Informed NSGA-II with Consideration of Parasitic Resistance" Electronics 14, no. 20: 4002. https://doi.org/10.3390/electronics14204002
APA StyleZheng, Q., Wu, Y., Zhao, C., & Zhou, J. (2025). Optimization of 6T-SRAM Cell Based on CNN-Informed NSGA-II with Consideration of Parasitic Resistance. Electronics, 14(20), 4002. https://doi.org/10.3390/electronics14204002

