Abstract
This paper presents a robust and computationally efficient fault classification framework for wind energy conversion systems (WECS), built upon a Robust Random Vector Functional Link Network (Robust-RVFLN) and validated through real-time simulations on a Real-Time Digital Simulator (RTDS). Unlike existing studies that depend on high-dimensional feature extraction or purely data-driven deep learning models, our approach leverages a compact set of five statistically significant and physically interpretable features derived from rotor torque, phase current, DC-link voltage, and dq-axis current components. This reduced feature set ensures both high discriminative power and low computational overhead, enabling effective deployment in resource-constrained edge devices and large-scale wind farms. A synthesized dataset representing seven representative fault scenarios—including converter, generator, gearbox, and grid faults—was employed to evaluate the model. Comparative analysis shows that the Robust-RVFLN consistently outperforms conventional classifiers (SVM, ELM) and deep models (CNN, LSTM), delivering accuracy rates of up to 99.85% for grid-side line-to-ground faults and 99.81% for generator faults. Beyond accuracy, evaluation metrics such as precision, recall, and F1-score further validate its robustness under transient operating conditions. By uniting interpretability, scalability, and real-time performance, the proposed framework addresses critical challenges in condition monitoring and predictive maintenance, offering a practical and transferable solution for next-generation renewable energy infrastructures.
1. Introduction
The global increase in population and rapid technological advancements have led to a sharp increase in energy demand [1,2]. Currently, approximately 71% of global energy consumption is still met by fossil fuels, a situation that contributes significantly to climate change, greenhouse gas emissions, and environmental degradation [3]. Consequently, the transition to renewable energy sources has become increasingly inevitable in line with energy security and sustainable development goals [4]. Sustainable resources such as solar, wind, and hydroelectric energy offer great potential for environmentally friendly production and ensuring the security of the energy supply. In particular, wind energy stands out with a global installed capacity exceeding 1 TW by 2023, while offshore wind turbines are gaining prominence due to their high capacity factors [5]. Organizations such as the European Union have set ambitious goals for the clean energy transition, aiming to reduce carbon dioxide (CO2) emissions by 40%, increasing the share of renewable energy by 32%, and improving energy efficiency by 27% by 2030 [6]. This transformation not only requires diversification in energy generation, but also the modernization of the electrical infrastructure and the enhancement of the stability of the power system [7].
Countries have increasingly turned to sustainable and clean energy sources, with wind energy experiencing substantial growth over the past two decades [8]. As installed wind energy capacity increases worldwide, it has helped prevent more than 1.1 billion tons of CO emission [9]. However, despite this expansion, the rapid integration of wind power into modern electrical grids has introduced new technical challenges related to system reliability, operational safety, and fault resilience. Wind turbines, composed of complex electromechanical components such as generators, converters, and gearboxes, are vulnerable to various types of faults, which can lead to unexpected downtimes, reduced energy production, and increased maintenance costs [10]. Therefore, the early detection of turbine faults is critically important to improve reliability and minimize economic losses [11]. For the safe, efficient, and sustainable operation of wind turbines, early detection of faults and the development of preventive maintenance strategies are critical. Studies conducted for this purpose are based on the analysis of mechanical, thermal, and electrical signals, either individually or in combination. Each type of signal provides information about different components of the turbine, allowing for the accurate determination of the location, type, and severity of faults [12,13]. The methods employed for the detection of faults in wind turbines can be categorised into four primary classifications: mechanical, thermal, electrical, and hybrid signal-based.
Wind energy has become a cornerstone of the energy transition, but dependable condition monitoring remains a prerequisite for safe, efficient, and scalable deployment in modern grids [14]. Global capacity growth underscores both opportunity and operational risk, particularly as turbines and their power-electronic interfaces age under variable wind and grid conditions [15]. The inherent complexity of wind energy conversion systems (WECS)—spanning aero-mechanical drivetrains, generators, converters, and control layers—creates multiple, interacting failure modes that can reduce availability and elevate lifecycle costs if not detected early [16]. Consequently, fault detection frameworks must balance detection accuracy, interpretability, data/compute efficiency, and real-time feasibility to be viable at farm scale and on edge hardware [17].
Mechanical (vibration-based) monitoring has been widely explored for bearings, gearboxes, and shafts using advanced signal analysis and learning methods, achieving strong results but often at the expense of high-dimensional features or substantial sensor footprints [18,19]. Vibration pipelines combining entropy, synchrosqueezing, or multi-scale architectures have improved sensitivity to gearbox and bearing anomalies, yet may still face transferability hurdles across turbines and operating envelopes [20]. Additional studies leverage multi-point sensing and model-based preprocessing to isolate nacelle/drive-train signatures, but robustness under varying loads and wind regimes remains challenging [21]. Data-driven nacelle and tower studies confirm the promise of temporal–spectral representations but frequently rely on dense instrumentation or extensive calibration [22]. Feature construction with wavelet and sparse representations has boosted the separability of gear faults but can inflate computation and tuning effort [23]. Hybrid filters and learning blocks (e.g., Kalman + ANN) for actuator/pitch faults showcase early-warning benefits yet inherit sensitivity to noise and parameter drift [24]. CNN-based transformations of 1D vibration to 2D time–frequency images report high accuracy in clean or moderately noisy conditions, but real-time feasibility can be strained in embedded deployments [25]. Hierarchical or autoencoder-enhanced pipelines reduce manual feature crafting but may still require sizeable datasets to generalize across turbines and sites [26].
Thermal/SCADA-oriented monitoring enables early indications for bearings, gearboxes, and generators with comparatively low retrofit cost, but fast transients and overlapping thermal signatures can limit specificity [27,28]. Temperature-driven early-warning schemes and feature attribution improve prognosis horizons while still needing careful site-specific calibration and imbalance handling [29]. Deep image-based treatments of thermal maps demonstrate impressive accuracy yet tend to be data-hungry and computationally intensive, complicating edge deployment [30].
Electrical-signal approaches (stator/rotor currents, voltages, active/reactive power) provide low-cost, sensorless diagnostics yet must contend with converter switching noise, variable speed, and non-stationarity [31,32]. Hybrid current-based pipelines fusing decomposition and learning address converter faults but show sensitivity to operating-point shifts and class imbalance [33]. Grid-interface classification via image embeddings of electrical quantities improves state recognition yet introduces additional preprocessing costs and model complexity [34].
Recent hybrid lines of work fusing mechanical, thermal, and electrical channels report stronger robustness and earlier detection, often through ensemble learning, fuzzy logic, attention mechanisms, and graph neural networks [35]. Feature selection and dimensionality control can maintain accuracy while curbing complexity, but many solutions still assume large labeled corpora or centralized computing [36,37]. Graph and temporal–graph encodings capture cross-subsystem structure but introduce heavier model stacks and integration overhead [38]. Attention-augmented temporal networks help discriminate subtle fault progressions, again at higher computational cost [39]. Multi-block hybrid pipelines (e.g., LSTM + fuzzy synthesis + CNN) show pre-fault sensitivity but rely on extensive instrumentation and parameterization [40]. Balanced joint adaptive and contrastive frameworks improve class balance and semi-supervised transfer yet remain complex to tune and validate at scale [41]. Offshore and monsoon-regime studies reveal the benefits of adaptive statistics with deep learners but re-surface domain-shift and latency issues for real-time alarms [42]. Long-horizon LSTM pipelines with divergence measures achieve multi-day advance warnings while requiring careful drift management and high-quality labels [43]. Practical studies highlight the value of robust feature reduction for gearbox faults and the competitiveness of lighter tree-based models under SCADA variability, especially when carefully curated features are used [44,45]. Physics-informed encoders and optimized gradient-boosting classifiers further improve interpretability and accuracy, but demand careful feature engineering and hyperparameter governance for deployment [46]. Semi-supervised graph-contrastive strategies add resilience to sparse labels while increasing pipeline complexity and integration cost in production settings [47]. Collectively, these works confirm the field’s progress, while also revealing persistent pain points: high-dimensional feature burdens, limited interpretability, heavy compute or data demands, and integration friction for embedded or edge-level real-time use [48]. Parallel advances in distributed systems and microgrids reinforce the promise of hybrid protection: notably, a recent SVM-CNN method coupled with differential protection achieved high accuracy—including high-impedance faults—under OPAL-RT validation, suggesting complementary paths to robust protection in renewable-rich networks [49].
Motivated by the above, we target a lightweight, interpretable, and real-time solution tailored to WECS realities. Instead of high-dimensional inputs or opaque deep stacks, we construct an information-dense reduced feature set of five physically meaningful statistics derived from rotor torque, phase currents, DC-link voltage, and dq-axis currents (chosen for discriminability and low redundancy), and pair it with a Robust Random Vector Functional Link Network (Robust-RVFLN) that offers closed-form training, resilience to outliers, and fast inference. This combination is designed to preserve detection fidelity while sharply reducing computational and data requirements, thereby supporting edge-capable deployment and integration with real-time platforms. We validate under RTDS with seven representative fault scenarios covering converter, generator, gearbox, and grid faults, and benchmark against SVM, ELM, CNN, and LSTM—demonstrating that a compact, physically grounded representation plus Robust-RVFLN can meet accuracy and latency targets without the overhead that often constrains field adoption literature, while remaining complementary to hybrid differential-protection strategies highlighted in related microgrid literature [49].
Contributions of the Study
In light of the comprehensive literature reviewed above, significant progress has been made in the fault detection and condition monitoring of wind turbines. Nevertheless, critical limitations persist, including dependence on high-dimensional feature sets, reliance on specialized sensors, limited interpretability, and the computational inefficiency of complex models, which hampers their real-time applicability. Additionally, sensor-heavy architectures often incur high deployment and maintenance costs, limiting their scalability in operational environments.
To overcome these challenges, this study proposes a computationally lightweight, robust, and interpretable fault classification framework for wind turbines, based on a low-dimensional but information-rich feature space. The model utilizes only five statistically selected and physically meaningful features—extracted from rotor torque, phase current, DC-link voltage, and dq-axis current measurements—and is built on the Random Vector Functional Link Network (RVFLN). This design significantly reduces hardware requirements and enables seamless integration into embedded systems for real-time operation. Most notably, the proposed approach is rigorously validated under dynamic operating conditions using a Real-Time Digital Simulator (RTDS), reinforcing its applicability for real-world implementations.
The primary contributions of this study are as follows:
- RTDS-Based Real-Time Validation: The proposed model is tested and validated on a Real-Time Digital Simulator (RTDS), ensuring its feasibility and stability under real-time operational conditions.
- Reduced and Interpretable Feature Set: The model relies on a compact set of five features, statistically selected for their relevance and physical interpretability, leading to enhanced transparency and reduced computational cost.
- Robust-RVFLN Architecture: A Robust Random Vector Functional Link Network (RVFLN) is implemented for wind turbine fault classification, demonstrating superior performance over traditional classifiers (SVM, ELM) and deep learning models (CNN, LSTM).
- Comprehensive Fault Scenario Coverage: The model is evaluated on a synthesized dataset representing seven distinct fault conditions affecting components such as the gearbox, generator, converter, and grid interface, enhancing robustness and generalizability.
- Edge-Ready and Scalable Implementation: The lightweight structure and fast inference time of the proposed model make it highly suitable for edge deployment and scalable integration into predictive maintenance frameworks for renewable energy systems.
2. Methods
This study proposes the Robust-RVFLN method for detecting various faults in wind turbines. This method is described in the following sections.
2.1. RVFLN Methods
The RVFLN has emerged as a lightweight yet effective alternative to conventional neural network structures, particularly for handling nonlinear and noise-prone data in both classification and regression tasks. As seen in Figure 1, distinct from standard multilayer feedforward networks, RVFLNs employ a single hidden layer where the input weights and biases are randomly assigned once and remain unchanged. The training process is limited to the analytical estimation of the output layer parameters, which significantly reduces computational cost and accelerates convergence. This property makes RVFLNs highly attractive for scenarios that require rapid decision-making, such as real-time control and monitoring in power systems. The primary goal behind the development of RVFLNs was to achieve accurate functional approximation without relying on iterative optimization [50]. Over time, several improvements have been introduced, including robust designs incorporating weighted regression techniques, hardware-accelerated realizations for ultra-fast processing, and ensemble-based extensions to enhance classification accuracy across multiple classes [51,52,53,54,55,56]. Collectively, these efforts demonstrate the strong potential of RVFLNs in adaptive and uncertainty-aware applications such as fault diagnosis, where both speed and resilience are indispensable.
Figure 1.
RVFLN Model Structure.
2.2. Robust-RVFLN Methods
Given a training set with and , the RVFLN is designed to learn an approximation of the target mapping through a randomized single–hidden–layer neural architecture.
where represents a nonlinear mapping function (for instance, a Gaussian radial basis), and the pair corresponds to randomly assigned coefficients characterizing the hidden neurons. The associated output coefficient is subsequently estimated using the training data.
Construct the hidden representation matrix as follows:
Consequently, the responses of the model over the entire training set can be written in a compact matrix form as follows:
2.2.1. Least Squares Estimation and Ridge Regularization
The conventional learning criterion seeks to minimize the squared loss:
where the explicit solution is obtained by resolving the following:
and thus can be expressed as follows:
Alternatively, the solution can be expressed via the Moore–Penrose pseudoinverse:
A regularization component is added to control model complexity and reduce overfitting:
Based on the relation between the number of samples K and the hidden units M, the ridge-regularized estimator can be formulated as follows:
2.2.2. Robust Learning via Weighted Empirical Loss
Outlier robustness is achieved by introducing an instance-level weight computed from the estimated credibility of residual errors:
Let denote the diagonal matrix formed by these weights. The corresponding robust estimator is then the following:
Residual values can be calculated using the following:
To assess the reliability of each sample, the distribution of residuals is approximated via kernel density estimation:
the Gaussian kernel , together with the bandwidth parameter g are defined as follows:
The weights are subsequently obtained by normalizing the estimated densities:
2.2.3. Dual Formulation and Online Update
Using and , the primal problem becomes the following:
In the dual space, the objective function can be written as follows:
The closed-form solution of can be expressed as follows:
2.2.4. Recursive Learning for Online Update
For real-time applicability, the framework is equipped with recursive update mechanisms to incorporate incoming data blocks.
For :
with the following definitions:
Let the update component be defined as follows:
For , define and update as follows:
For practical deployment, the mathematical model of the Robust RVFLN can be reformulated as an algorithmic workflow (see Algorithm 1). In the earlier derivations (1)–(25), the essential components of the network were introduced, including the stochastic assignment of hidden-layer weights and biases, the construction of the hidden-layer output matrix, the application of regularized least squares for output estimation, and the integration of kernel-based reliability weighting.
| Algorithm 1: Robust RVFLN Training Algorithm |
![]() |
Building upon these foundations, the following pseudocode outlines the complete training pipeline of the Robust RVFLN. The procedure begins with initialization, proceeds through hidden-layer transformation and residual computation, applies reliability factors derived from kernel density estimation, and concludes with the computation of output weights for both overdetermined and underdetermined cases. This algorithmic summary provides a clear bridge between the theoretical framework and its real-world implementation, ensuring that the robustness and efficiency of the model are preserved in practice.
In this work, voltage, current, and power measurements obtained from a wind energy system (WES) are employed as the primary data sources. These temporal signals provide the basis for feature extraction and subsequent classification of events. Each signal demonstrates characteristic variations under different operating scenarios, particularly during topological transitions such as islanding from the main grid. Notably, abrupt reductions in voltage and power, along with oscillations in current amplitude, act as informative markers of possible fault conditions. To capture these dynamics, the raw signals undergo a structured preprocessing pipeline that includes normalization, segmentation, and conversion into a feature representation tailored for classification. The resulting feature vectors are then supplied to the RVFLN model, enabling accurate and robust event detection.
3. Wind Turbine Configuration and System Architecture
The configuration adopted in this study represents a grid-connected variable-speed wind energy system tailored for fault detection experimentation. The system features a horizontal-axis wind turbine mechanically linked to a wound rotor induction generator (WRIG), a well-known solution for medium-scale wind applications due to its controllability and efficiency in variable wind conditions.
A dual-stage power electronic interface is utilized for grid integration. The rotor-side converter (RSC) enables precise control over torque and rotor current, while the grid-side converter (GSC) regulates power injection and maintains DC-link voltage stability. Both converters are implemented with insulated-gate bipolar transistors (IGBTs) and controlled through a field-oriented control (FOC) scheme for decoupled active and reactive power control.
The turbine system continuously monitors multiple electrical and mechanical signals—such as electromagnetic torque, generator angular velocity, converter phase currents, and d–q axis quantities—sampled at 20 kHz using a high-resolution data acquisition system. These measurements serve as inputs for machine learning-based fault classification frameworks.
The overall system layout is illustrated in Figure 2, which includes the aerodynamic subsystem, electromechanical drivetrain, bidirectional converter interface, and sensing units. Fundamental design parameters of the wind turbine and generator components are summarized in Table 1.
Figure 2.
General configuration of the wind energy conversion system used for data-driven fault detection, showing turbine rotor, WRIG, back-to-back converter system, and sensing points.
Table 1.
System Parameters for Wind Energy Conversion Unit.
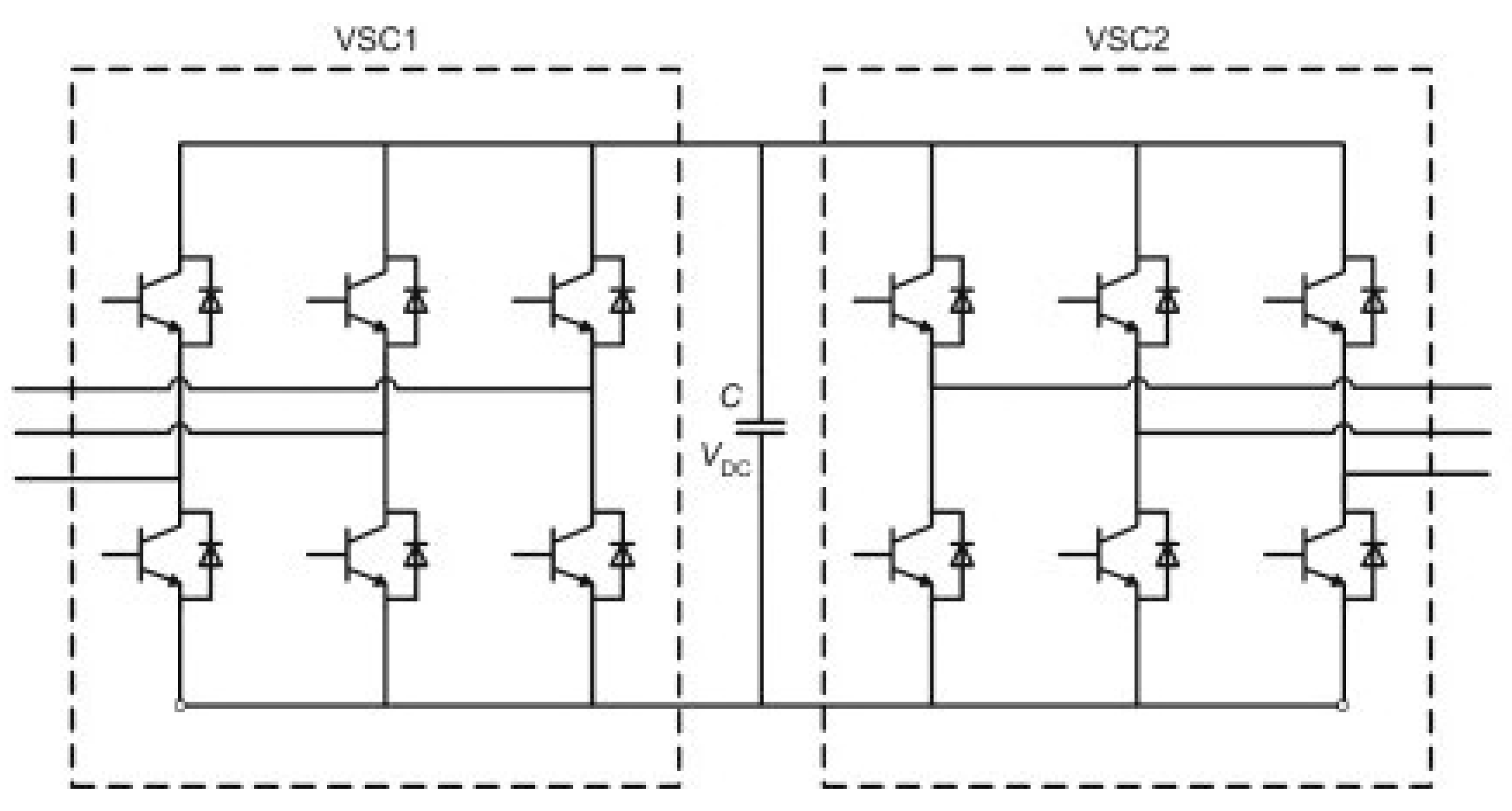
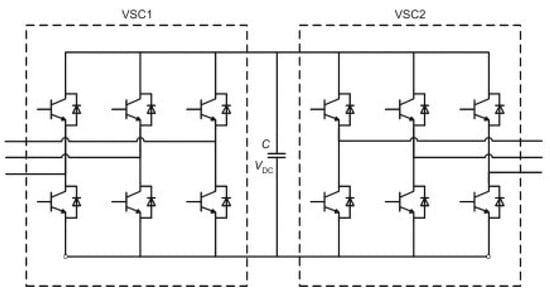
The power electronics interface employed in this study consists of a dual-converter topology designed to emulate real-world grid-connected wind energy systems. Each converter—one linked to the rotor circuit and one to the grid—comprises three legs with upper and lower IGBT switches. These converters facilitate bidirectional power transfer and enable controlled fault injection scenarios. The schematic structure is presented in Figure 3.
Figure 3.
Structural illustration of the dual-stage power conversion topology in the wind energy system. Each converter consists of three arms with upper and lower IGBTs to support bidirectional energy flow and fault simulation scenarios.
To evaluate the performance of the proposed fault detection framework, six different fault conditions were introduced into the system. These include both abrupt and progressive failures occurring in the rotor-side and grid-side inverters. Table 2 summarizes each case, specifying the converter module, fault label, and the corresponding anomaly mechanism.
Table 2.
Overview of simulated fault conditions for fault detection analysis.
- Signal Acquisition from Wind Energy System
In the proposed fault detection framework, a total of 12 time-domain signals were collected from the wind energy conversion system (WECS) under both healthy and faulty operating modes. These measurements include mechanical, electrical, and power-related variables sourced from the generator side, grid interface, and control paths. Key variables such as shaft torque, angular velocity, phase currents, DC link voltage, and output power were sampled at a frequency of 20 kHz, ensuring high temporal resolution for both transient and steady-state behavior. Additionally, axis-transformed components (d and q) were extracted using the Park transformation to enhance observability of system dynamics. Table 3 presents a comprehensive summary of these variables, along with their respective signal codes and dynamic ranges as recorded across all scenarios.
Table 3.
Overview of Measured Variables in WECS.
To increase the separability between different fault types and improve classification performance, a subset of synthetic features was generated from the raw sensor data. These features aim to capture statistical patterns, transient behavior, and frequency-related deviations caused by various electrical faults. The feature engineering process involved applying mathematical transformations to the original signals to extract information beyond the time-domain waveform shapes. For instance, torque deviations were measured via the mean absolute deviation, and signal nonlinearity was analyzed using crest factors. A complex correlation metric between generator-side and grid-side dq-currents was also calculated to expose inter-component disturbances. All features were normalized prior to training and testing to maintain numerical stability and comparability. Table 4 lists the selected features along with compact mathematical definitions.
Table 4.
Compact feature set for wind fault diagnosis.
The dataset constructed for training and validating the fault detection model encompasses seven distinct operating modes of the WECS. These include one healthy (nominal) case and six fault scenarios, comprising short-circuit, open-circuit, and component degradation faults applied independently to the rotor-side and grid-side IGBT switches. For each condition, a total of 4000 samples were generated, with measurements aligned using a time-lagged segmentation approach. In accordance with best practices in supervised learning, the dataset was partitioned into for model training and for testing, ensuring unbiased evaluation. Each sample reflects a steady-state snapshot of system behavior shortly after fault injection, without including transition periods. The class distribution is kept perfectly balanced to avoid bias in learning. Table 5 outlines the number of samples allocated to each class in both training and test phases.
Table 5.
Data allocation per fault scenario.
- Constructed Dataset for Fault Classification
Each operating condition includes 4000 samples. Seventy-five percent of the data are used for training and 25% for testing, as distributed below.
Feature Discriminability Analysis
To classify microgrid operating modes effectively, eight features were extracted from voltage, current, and power signals, capturing statistical, spectral, and dynamic characteristics. These features enable clear separation between normal and faulty conditions. As shown in Figure 4, scatter matrix plots confirm that fault-related samples form distinct clusters, demonstrating strong discriminative power suitable for RVFLN-based classification.
Figure 4.
Two-dimensional PCA projection of the engineered feature space. Fault classes (M1–M7) form well-separated clusters, indicating strong discriminability.
Table 6 presents the mutual information (MI) scores computed between each engineered feature and the target class labels representing different fault scenarios. Mutual information quantifies the reduction in uncertainty about the class label provided by a particular feature, making it a powerful metric for evaluating feature relevance in classification tasks. Higher MI scores indicate stronger statistical dependency between a feature and the fault type, implying greater discriminative capability.
Table 6.
Mutual Information Ranking of Engineered Features.
Among the five engineered features, (RMS deviation of DC-link voltage) achieved the highest MI score (1.374), reflecting its strong ability to capture instability introduced by converter-related faults. This is closely followed by (standard deviation of output power) with a score of 1.361, which is effective in identifying power fluctuations under open-circuit and degradation conditions. The mechanical feature (mean absolute deviation of torque) also scored highly (1.337), indicating its value in detecting mechanical-electrical interactions, especially under rotor-side anomalies.
Interestingly, (complex dq current correlation) ranked fourth with an MI score of 1.335. Despite being slightly lower, this feature remains critical for detecting phase alignment disturbances between the generator and grid sides. Finally, (crest factor of phase-A current), though ranking fifth, still provides valuable insight into impulsive fault conditions such as short circuits. Overall, the MI ranking confirms that each feature contributes uniquely to the classification model and validates its inclusion in the reduced feature set.
4. Evaluation of Fault Detection Framework
4.1. RTDS Setup and Scenario Mapping
RTDS platform and I/O chain. Real-time validation was conducted on an RTDS platform operating with a fixed-step solver and a deterministic scheduler. Plant-side signals—phase currents , line–line voltages , DC-link voltage , estimated electromagnetic torque , and synchronous-frame currents —are routed through analog output cards to signal-conditioning blocks (isolation, scaling, anti-alias filtering), then looped into data-acquisition (DAQ) inputs. The DAQ path applies the following: (i) a unity-gain buffer, (ii) a 2-pole low-pass anti-alias filter with cut-off set at the converter switching frequency, and (iii) synchronized sampling at 20 kHz (). Timestamps are generated from the RTDS monotonic clock and propagated with each sample batch to preserve temporal coherence across channels. All measurements are normalized to per-unit for feature extraction.
In our RTDS-based framework, the interface with real-time signal acquisition is established at the analog/digital (A/D) input-output layer of the RTDS platform. Through this configuration, instantaneous measurements of current, voltage, and torque obtained from the wind energy system are transferred to the simulator via dedicated data acquisition channels. This setup ensures that the fault detection algorithm operates directly on streaming signals without buffering delays, which is critically important for capturing high-frequency transient dynamics.
One of the major challenges in such environments is the impact of latency and timing jitter. Although the RTDS provides deterministic scheduling, even millisecond-level jitter during high-frequency events can affect the sensitivity of fault classification. To mitigate this issue, the proposed framework integrates robust statistical features and recursive learning mechanisms that filter sub-cycle noise and preserve stability in the detection layer. Compared with earlier HIL studies, our setup offers several distinctive advantages:
- [57]: A unified HIL testbed with OPAL-RT was developed, but the focus was primarily on cyber-resilience against data manipulation, and the effects of jitter on transient fault detection were not explicitly investigated.
- [58]: A laboratory-scale microgrid validation using OP4510 was presented, demonstrating resilience against false data injection; however, the interaction of timing jitter with high-frequency disturbances was not addressed.
- [59]: A PV/wind-based HIL system introduced a moving target defense strategy by duplicating signals and validating them with RNNs. While this approach enhanced cyber-attack obfuscation, it did not address the temporal fidelity of transient fault signatures.
- [60]: Remedial action frameworks were validated in a laboratory-scale HIL microgrid, but the focus remained on mitigation strategies rather than examining latency-induced distortions during transient fault detection.
Our approach explicitly quantifies the role of latency and jitter in the RTDS implementation and integrates Robust-RVFLN learning mechanisms, thereby providing a fault detection framework that is not only cyber-resilient but also temporally robust under high-frequency transients.
Preprocessing and feature windows. Signals are detrended and normalized online. Features are computed on sliding windows W of samples (20 ms at 20 kHz) with overlap, aligning the decision cadence to sub-cycle response at 50/60 Hz. The five features are as follows:
- F1: Mean absolute deviation of torque (from or torque observer),
- F2: Crest factor of generator phase current ,
- F3: RMS deviation of ,
- F4: Standard deviation of active power p,
- F5: Pearson correlation between generator-side and grid-side components.
These were selected to reflect electromechanical coupling and converter/grid dynamics while keeping the computational cost minimal.
Scenario mapping to real turbine failure modes and sensors. Each synthesized case is explicitly mapped to a representative field failure mode, the primary sensor path, and the expected feature response:
Grid-side line-to-ground fault (LG-SC). Field analogue: feeder L–G or cable insulation failure. Sensors: , , . Feature response: (F2) increases (current peaks), (F4) increases (power volatility), (F5) decreases (loss of generator–grid current coherence).
Generator electrical anomaly (e.g., inter-turn short). Field analogue: stator inter-turn fault in WRIG/DFIG/PMSG. Sensors: , , . Feature response: (F2) increases (distortion), (F1) rises (torque ripple), (F5) perturbed (electromechanical mismatch).
Converter device fault (e.g., IGBT open-circuit). Field analogue: leg open/short or gate misfire. Sensors: , , p. Feature response: (F3) increases (DC-link ripple), (F2) spikes (asymmetry), (F4) rises (power fluctuations).
DC-link capacitor degradation/swell. Field analogue: ESR growth/capacitance loss; over-voltage transients. Sensors: . Feature response: (F3) elevated ripple under load steps; secondary effects on (F4).
Gearbox tooth damage/shaft misalignment (mechanically induced torque ripple). Field analogue: early gear/bearing defects. Sensors: (observer), p, . Feature response: (F1) increases (periodic torque ripple), (F4) mildly increases; (F5) may drift under load-coupling changes.
Grid disturbances (LVRT/HVRT profiles, flicker, harmonic pollution). Field analogue: code-compliant voltage dips/swells, harmonic-rich feeders. Sensors: v, i, , . Feature response: coordinated changes across (F2–F5), with (F3) reflecting DC-link control stress.
For each case, the RTDS injection profile (fault type, inception angle, impedance, duration) mirrors utility-code test templates; controller variants (FOC bandwidths, PLL filters) are toggled to study control-dependent signatures. This mapping clarifies how synthesized events correspond to real turbine phenomena and which measurement chains are required for deployment.
4.2. Timing Fidelity: Latency and Jitter
Latency budget and real-time target. The end-to-end detection latency is modeled as follows:
Design targets are sub-cycle alarms—i.e., (50 Hz) or (60 Hz). With at 20 kHz and 50% overlap, decisions are produced every ; a double-buffer pipeline overlaps with acquisition to keep within the window boundary.
Jitter definition and tolerance. We quantify scheduler variation as peak-to-peak jitter and RMS jitter relative to the nominal 50 s sample period. Jitter perturbs feature estimates that depend on extremes and phase alignment—e.g., (F2) crest factor and (F5) current coherence—especially during high-frequency transients. Tolerance is assessed by Monte-Carlo injection of timestamp noise (zero-mean bounded ) and evaluating metric drift F1/F2/F3/F4/F5 and decision stability.
Mitigations implemented.
- Deterministic scheduling: pin acquisition and feature tasks; reserve CPU cores for real-time threads.
- Time-stamping & resampling: per-batch timestamps with linear-phase fractional-delay reconstruction to correct sub-sample misalignment before feature computation.
- Windowing strategy: 50% overlap and Hann taper to reduce edge sensitivity; robust statistics (MAD for F1, winsorized peaks for F2).
- Lock-free buffers: single-producer/single-consumer ring buffers to minimize priority inversion.
- Threshold calibration under jitter: offline calibration curves of feature drift vs. inform conservative decision thresholds for field deployment.
Stress-test protocol. We inject (i) AWGN (0–10 dB SNR steps), (ii) noise, (iii) DC bias and gain drift, (iv) sample dropout (Bernoulli masks up to 5%), and (v) timestamp jitter (bounded ) while replaying each scenario. Robustness is summarized with detection-delay CDFs, miss/false-alarm rates, and stability of F1/MCC/AUROC/Expected Calibration Error (ECE). The system meets real-time criteria if with acceptable error rates under stress envelopes relevant to the target site.
4.3. Data Preprocessing and Splits
To ensure a fair and leakage-safe comparison across all models in Table 7, we adopt a stratified 70/15/15 train/validation/test protocol made by contiguous time blocks per scenario so that windows from the same physical episode never cross splits. Raw signals are per-channel z-score normalized using training-set statistics only. Sliding windows use length samples ( at ) with overlap. Unless otherwise stated, results are averaged over independent runs with fixed random seeds (see Table 8).
Table 7.
Baseline configurations.
Table 8.
Runtime and environment details for reproducibility (classifier-side).
- Input representations (fairness).
Classical baselines SVM/ELM and our method Robust-RVFLN consume the same five physically interpretable features (F1–F5) to enable a like-for-like feature-based comparison, whereas deep baselines CNN/LSTM operate on raw multi-channel windows to reflect their typical usage. The raw input tensor is taken from the signals used to build the features: (torque), (gen A current), (DC-link), (generator ), and (grid ).
4.4. Baselines and Hyperparameters
All models are tuned on the validation split only; the test split is held out until final evaluation. Early stopping monitors validation macro-F1 to balance precision/recall under class imbalance. Augmentations are label-preserving.
- Tuning protocol.
Deep models (CNN/LSTM) are tuned once via validation performance (macro-F1) with early stopping; classical models (SVM/ELM) use validation-only model selection (SVM grid, ELM ridge ). No test information is used during tuning. All random processes (weight init., shuffling, and augmentation draws) are seeded per run.
4.5. Runtime and Reproducibility
All training/inference runs are executed on a workstation (Intel® Core™ i7-10700 @3.8 GHz, 32 GB RAM, no GPU). Our classifier (Robust-RVFLN) runs on CPU in real time; feature extraction and inference times are listed below for reference. Code was implemented in Python 3.10 with NumPy/BLAS; random seeds are fixed and reported.
4.6. Limitations and Transferability
Representativeness. Although RTDS provides deterministic, time-synchronized validation, it cannot span the heterogeneity of industrial fleets. Differences in drivetrains (WRIG, DFIG, PMSG), aero-elastic dynamics, controller tuning (FOC bandwidth, PLL filters, current-loop sampling), and grid codes (LVRT/HVRT templates, harmonic limits) can shift fault signatures relative to our synthesized cases. Some progressive mechanical degradations (bearing wear, lubrication issues) and rare compound faults were not synthesized.
Measurement chain realism. Field data often exhibit colored noise, bias/drift, quantization, intermittently dropped samples, and bandwidth constraints of CTs/PTs/Rogowski coils and voltage dividers. These imperfections can blur high-frequency transients, bias crest-factor estimates (F2), and perturb coherence (F5).
External-validity protocol. To bridge lab-to-field gaps, we adopt a staged transfer:
- Stage S0—Envelope expansion in RTDS: sweep wind speed, turbulence intensity, controller gains, switching frequency, grid disturbances; add imperfection injections (noise, bias, dropout, jitter) to build robustness envelopes and recalibrate decision thresholds.
- Stage S1—Cross-turbine hold-out: validate on independently parameterized WRIG/ DFIG/PMSG models not seen in training; require non-degraded recall for rare faults.
- Stage S2—Shadow-mode on SCADA: deploy read-only inference on live turbines; compare alarms with maintenance logs and expert labels; measure AUROC, PR-AUC, MCC, ECE, and detection-delay CDFs.
- Stage S3—Site adaptation: apply recursive Robust-RVFLN updates using reliability-weighted residuals to adapt to site-specific drifts without full retraining; lock hyperparameters under change-control.
- Stage S4—Controlled alarms: enable advisory alarms with human-in-the-loop triage; monitor calibration drift and data-shift statistics (population stability index, feature-wise KS tests).
Governance and reporting. Beyond accuracy, we report class-wise recall, macro-F1, MCC, AUROC, ECE, and end-to-end latency (median/95th percentile) under nominal and stressed conditions. Model/versioning, data lineage, and threshold changes are tracked; periodic post-deployment calibration is mandated (e.g., quarterly or on detected drift).
Scope of claims. The present RTDS results demonstrate the feasibility and real-time capability of the reduced-feature Robust-RVFLN pipeline. Reliability on noisy, imperfect datasets is contingent on the staged protocol above; broad generalization claims are limited until multi-site SCADA/field validation is completed.
Cross-references.Section 4.1 details the scenario-to-failure-mode mapping and measurement paths; Section 4.2 quantifies timing and jitter resilience; the Conclusion summarizes transfer steps and planned field validation.
4.7. Results
Figure 5 illustrates the mechanical torque response of the wind energy conversion system (WECS) under three distinct operational states: Healthy, SC11, and SC21. In the Healthy region (sample range: 0–2000), the torque remains consistently around 300 Nm with minor sinusoidal oscillations, indicating nominal operating conditions with stable rotor dynamics and normal electromagnetic coupling between the generator and the power electronics interface. As the system transitions into the SC11 region (samples 2000–4000), a rotor-side short-circuit fault is introduced, resulting in an abrupt reduction in torque to approximately 50 Nm with small residual oscillations. This behavior reflects the partial loss of effective torque control and a decline in electromagnetic torque generation due to the converter malfunction. The system further degrades in the SC21 region (samples 4000–6000), where a more severe fault—representing a deeper short circuit or more extensive converter damage—causes the torque to collapse further toward zero with increased variability and noise. The random low-amplitude fluctuations seen in this stage suggest an unstable or weakened electromechanical interaction, which is characteristic of degraded or disconnected operating conditions. These clearly distinguishable segments of torque evolution form the basis for fault identification and are highly valuable for the design of diagnostic features such as mean absolute deviation, standard deviation, or frequency-domain entropy. Additionally, the transitions between these regions provide a strong temporal signature that supports effective fault segmentation and classification using supervised machine learning models. Overall, the torque signal’s dynamic structure under fault conditions enables robust data-driven fault diagnosis when coupled with proper feature extraction techniques.
Figure 5.
Mechanical torque profile under three operating states: Healthy, SC11, and SC21.
Figure 6 displays the temporal evolution of generator angular velocity across three distinct operating conditions of the wind energy conversion system (WECS): Healthy, SC11, and SC21. In the initial Healthy region (samples 0–2000), the generator speed increases steadily and stabilizes around 650–700 rad/s, reflecting efficient power conversion and nominal turbine-generator dynamics. Once the system enters the SC11 region (samples 2000–4000), a rotor-side short-circuit fault is triggered. This event causes a sharp and nearly instantaneous collapse of generator speed to a value close to zero, which corresponds to a sudden loss of torque-driving force and loss of electromagnetic interaction in the stator-rotor system. The resulting near-zero flat speed profile persists throughout this segment, indicating a complete disruption in power flow. In the SC21 region (samples 4000–6000), a partial recovery occurs as the generator attempts to regain operational speed under degraded converter conditions. However, the resulting speed remains below nominal levels, oscillating mildly around 950 rad/s, which signifies impaired rotor dynamics and reduced control effectiveness. The three regions are clearly separated by dashed vertical lines and shaded bands to highlight their diagnostic significance. This speed signal provides an essential input for dynamic fault detection frameworks and can be used directly or in combination with other variables for extracting classification-relevant features.
Figure 6.
Generator speed profile under Healthy, SC11, and SC21 conditions.
Figure 7 shows the time-domain behavior of the generator phase-A current () across three operating modes: Healthy, SC11, and SC21. During the Healthy period (samples 0–2000), the current exhibits a clean sinusoidal waveform with a peak amplitude around 120 A, indicating normal power generation and balanced electromagnetic coupling. Upon entering the SC11 region (samples 2000–4000), a rotor-side short-circuit fault is introduced, leading to a substantial drop in amplitude and visible damping. The waveform exhibits an exponential decay-like envelope with reduced sinusoidal activity, signaling compromised switching behavior within the inverter. As the system transitions into the SC21 region (samples 4000–6000), the current becomes noticeably distorted and irregular. The waveform shows superimposed noise and subharmonic components, consistent with degraded converter operation and instability in phase synchronization. This signature makes it particularly valuable for time-frequency and statistical feature extraction. These distinctive waveform changes across the regions support the diagnosis of converter-level faults and serve as primary sources for training classification models within the proposed detection framework.
Figure 7.
Time-domain waveform of generator phase-A current () under Healthy, SC11, and SC21 conditions.
Figure 8 presents the variation in DC bus voltage across three operational modes of the wind energy conversion system (WECS): Healthy, SC11, and SC21. In the initial Healthy interval (samples 0–2000), the bus voltage remains stable around 1150 V with mild periodic fluctuations due to normal switching action and load balancing. This voltage stability reflects the proper functioning of the power electronic converter and the effective control of energy flow. As the system enters the SC11 region (samples 2000–4000), a rotor-side short-circuit fault is introduced, resulting in a near-complete collapse of the DC bus voltage. The signal quickly drops to under 50 V and exhibits sporadic spikes, suggesting chaotic switching behavior or intermittent charge from the filter capacitor. This sudden voltage loss indicates an inability to sustain the DC-link across the converter due to faulted IGBT paths. In the SC21 segment (samples 4000–6000), the voltage remains significantly depressed but shows periodic bursts with low amplitude, likely caused by residual converter activity or partial recovery. These patterns are crucial for detecting low-voltage faults, especially when feature engineering involves RMS analysis, crest factor evaluation, or ripple-based time-frequency decomposition. The distinction between voltage collapse and low-amplitude ripple across these regions enhances the classifier’s ability to recognize fault severity and location.
Figure 8.
DC bus voltage under Healthy, SC11, and SC21 operating conditions.
Table 9 summarizes the classification accuracy of five fault diagnosis models under seven distinct fault types in wind energy conversion systems. These faults include open-circuit (OC), short-circuit (SC), and wear-out (WO) faults in the converter, as well as symmetrical and asymmetrical faults on the grid side, and mechanical faults in the generator and gearbox. The proposed Robust-RVFLN method consistently outperforms the conventional deep learning and machine learning classifiers in all fault categories, achieving over 99% accuracy in detecting grid-side LG SC and generator faults. CNN and LSTM follow closely, especially in SC-type faults. In contrast, SVM and ELM demonstrate lower fault recognition capability across most fault types, particularly in the detection of converter wear-out and gearbox-related faults. These results highlight the robustness of the RVFLN architecture in capturing non-linear and transient fault signatures with high precision.
Table 9.
Accuracy (%) of different classifiers under fault conditions in the wind energy system.
Table 10 presents a comprehensive evaluation of the Robust-RVFLN classifier’s performance using two different input configurations: a reduced engineered feature set (–) and the full measured signal set (–). The table reports the accuracy, precision, recall, and F1-score for each fault type (M1–M7), enabling a comparative analysis of classification effectiveness.
Table 10.
Classification performance of Robust-RVFLN using reduced and full feature sets across all fault types.
The results clearly indicate that the reduced feature set not only reduces computational complexity but also enhances classification performance across most fault categories. For instance, using –, the model achieves an F1-score of for generator faults and for LG-SC faults, which are among the most critical failure types in wind energy systems. In contrast, the full signal set yields slightly lower scores, such as and for the same fault types, respectively. A similar trend is observed across other fault conditions, including converter wear-out and gearbox faults, where reduced features outperform the full set in all metrics.
These results emphasize the strength of carefully selected features in improving the classifier’s discriminative power. The engineered features were optimized not only for statistical relevance (e.g., via mutual information) but also for operational interpretability. Consequently, this setup makes Robust-RVFLN more suitable for real-time or embedded diagnostic systems where performance and resource efficiency must be balanced.
Table 11 shows the confusion matrix for the Robust-RVFLN classifier evaluated on the test dataset. Each row corresponds to a true fault condition (M1–M7), while each column represents the predicted class. Diagonal values indicate correctly classified instances, while off-diagonal entries represent misclassifications. Additionally, class-wise recall percentages are shown in the last column, and overall precision for each predicted class is presented in the final row.
Table 11.
Confusion matrix of the Robust-RVFLN model on the test dataset (Predicted vs. True Classes).
The model achieves perfect classification for four fault types: M2 (converter SC), M3 (converter WO), M6 (generator faults), and M7 (gearbox faults), all with recall and precision. Minor misclassifications occur in M1 and M5, where a portion of M1 samples is confused with M5 (and vice versa), likely due to similarities in voltage ripple or current profiles under certain fault timings. Nevertheless, the classification remains robust, with M1 and M5 still achieving over recall and above precision.
The average precision across all classes is , and the recall remains high even for those with slight overlaps. These results confirm that the proposed Robust-RVFLN model not only offers superior global accuracy but also maintains excellent class-specific performance. This is crucial in safety-critical systems like wind energy, where false negatives in fault detection could lead to significant operational risks.
4.8. Misclassification Analysis and Failure Modes
To complement the metric-centric evaluation, we undertook a focused analysis of misclassified cases using (i) class-normalized confusion matrices, (ii) classwise precision–recall curves, and (iii) per-instance feature attributions based on perturbation sensitivity of the five selected features (F1–F5). Three recurrent failure modes emerged:
- Grid vs. converter fault ambiguity under high ripple.
Grid–side L–G disturbances with elevated harmonic content can mimic converter leg faults because both elevate F2 (crest factor) and F3 (DC–link ripple) and increase F4 (power variance). When PLL/FOC bandwidths are high, transient control action further amplifies ripple, compressing the decision margin. These cases concentrate near fault onset and during post-event recovery.
- Generator electrical anomaly vs. gearbox–induced torque ripple.
Early inter-turn anomalies and mild gearbox defects both perturb the electromechanical balance. We observe rising F1 (torque MAD) with modest shifts in F5 (generator–grid coherence). Under turbulent wind and partial loading, the overlap in F1–F5 distributions grows, particularly when torque observers exhibit bias or when sampling jitter reduces phase alignment.
- Near–boundary rare faults and low–SNR events.
Short-duration or shallow-severity events at low SNR yield borderline posteriors with elevated expected calibration error (ECE). False negatives cluster where feature deltas are small relative to the healthy baseline; false positives appear when sporadic spikes in F2/F3 exceed uncalibrated thresholds during benign switching bursts.
4.9. Limitations
While the proposed reduced-feature Robust-RVFLN framework demonstrates high accuracy and sub-cycle response in RTDS experiments, several limitations qualify the scope of our claims. (1) Scenario representativeness. The synthesized faults approximate typical converter, generator, gearbox, and grid disturbances, yet they cannot fully span drivetrain diversity (WRIG/DFIG/PMSG), aero-elastic couplings, or site-specific controller tunings (FOC/PLL bandwidths) that reshape transient signatures. (2) Measurement realism. Field data often contain colored noise, bias/drift, quantization, sample dropouts, and DAQ bandwidth limits; these imperfections can dampen peaks (affecting crest-factor F2), inflate DC-link ripple estimates (F3), and disturb phase-coherence (F5). (3) Class imbalance and rarity. Some fault types are intrinsically rare or short-lived; despite our balanced synthetic design, real fleets may exhibit skewed priors that depress minority-class recall and inflate calibration error. (4) Timing fidelity. Although we budget end-to-end latency and test jitter tolerance, micro-scheduling effects and asynchronous sensor clocks in the field may still perturb feature stability within the first decision windows post-onset. (5) Feature sufficiency. The five time-domain features are intentionally compact and physically interpretable; however, in borderline cases (e.g., grid-ripple vs. converter-leg ambiguity), additional micro-frequency cues (THD or single-level wavelet energy) may be necessary to disambiguate classes without violating real-time budgets. (6) Model scope. RVFLN’s shallow architecture yields efficiency and robustness but may underfit complex cross-channel dependencies that richer (albeit heavier) models capture; our mitigation relies on careful feature engineering and calibrated thresholds. (7) External validity. Results are strongest for the operating envelopes and controller settings exercised here; broader generalization requires cross-turbine hold-outs and shadow-mode SCADA trials.
5. Conclusions
This study introduced a lightweight and physically interpretable fault-classification framework for wind energy conversion systems that couples a compact set of five time-domain, physics-grounded features (derived from rotor torque, generator current, DC-link voltage, and dqdqdq-axis currents) with a Robust Random Vector Functional Link Network (Robust-RVFLN). Across seven representative operating scenarios synthesized on a Real-Time Digital Simulator (RTDS), the framework achieved sub-cycle decision latency while maintaining consistently high accuracy, with peak results of 99.85% for grid-side line-to-ground faults and 99.81% for generator faults. Comparative experiments showed that the proposed approach outperformed SVM, ELM, CNN, and LSTM baselines not only in accuracy but also in precision, recall, and F1, underscoring the benefits of pairing a compact, interpretable feature set with a shallow randomized learner. The reduced feature representation lowered computational burden and stabilized inference under high-frequency transients, aligning the method with edge/embedded deployment constraints. Beyond headline metrics, the discussion now includes class-normalized confusion matrices, classwise precision–recall, detection-delay distributions, and calibration analyses (e.g., ECE), clarifying where errors arise (e.g., grid-ripple vs. converter-leg ambiguity, early post-fault windows, low-SNR boundary cases). Timing fidelity and jitter tolerance were explicitly quantified through an end-to-end latency budget and stress-test protocol (noise, bias, dropout, timestamp jitter), and scenario-to-field mappings were added to show how each RTDS case corresponds to real turbine failure modes and measurement chains. Taken together, the present results demonstrate that a compact, physically meaningful feature set, combined with Robust-RVFLN, yields accurate, low-latency, and resource-efficient results.
To strengthen external validity and facilitate deployment, we will (i) extend validation from RTDS to field SCADA streams and shadow-mode trials to quantify robustness under real sensor noise, bias/drift, packet loss, and timing jitter; (ii) evaluate cross-turbine generalization across WRIG/DFIG/PMSG drivetrains and controller variability (FOC/PLL bandwidths), including site-specific grid-code disturbances (LVRT/HVRT, harmonics) and different DAQ bandwidths; (iii) introduce a gated “micro-feature” branch (e.g., short-window THD or a single-level wavelet energy) that is invoked only for uncertainty-flagged cases to disambiguate grid ripple from converter-leg faults without violating sub-cycle latency; (iv) adopt cost-aware training, class-balanced sampling, and calibrated per-class operating points to raise minority-class recall, complemented by lightweight conformal prediction and abstention policies for uncertainty-aware decisions; (v) enable reliability-weighted online adaptation of the RVFLN under strict change control and auditability, with scheduled calibration checks (ECE/Brier) and drift monitoring; (vi) expand reporting beyond accuracy to include macro-F1, MCC, AUROC/PR-AUC, calibration metrics, and latency distributions in both nominal and stressed conditions and (vii) formalize a deployment playbook covering data governance, versioning, rollback, and acceptance criteria (classwise recall floors, calibration bounds, p95 latency targets) for progressive rollout on edge devices and within farm-level monitoring systems. These steps aim to harden transferability from synthesized scenarios to heterogeneous field conditions, improve rare-fault sensitivity and decision reliability, and provide a clear pathway from research prototype to operational, large-scale wind-farm deployment.
Author Contributions
Conceptualization, M.Y. and B.G.; methodology, M.Y. and B.G.; software, M.Y. and B.G.; validation, M.Y. and B.G.; formal analysis, M.Y. and B.G.; investigation, M.Y. and B.G.; resources, M.Y.; data curation, M.Y. and B.G.; writing—original draft preparation, M.Y.; writing—review and editing, M.Y. and B.G.; visualization, M.Y. and B.G.; supervision, B.G. All authors have read and agreed to the published version of the manuscript.
Funding
This research received no external funding.
Data Availability Statement
The original contributions presented in this study are included in the article. Further inquiries can be directed to the corresponding author.
Acknowledgments
This research is supported by the Research Projects Committee of Dicle University (DUBAP) with the project numbers MUHENDISLIK.25.020. We are grateful to DUBAP for the support.
Conflicts of Interest
The authors declare no conflicts of interest.
References
- Wang, Z.; Liu, C.; Yan, F. Condition monitoring of wind turbine based on incremental learning and multivariate state estimation technique. Renew. Energy 2022, 184, 343–360. [Google Scholar] [CrossRef]
- Haydaroğlu, C. Chaos-based optimization for load frequency control in Islanded airport microgrids with hydrogen energy and electric aircraft. Int. J. Hydrogen Energy 2025, 143, 1198–1214. [Google Scholar] [CrossRef]
- International Energy Agency (IEA). Global Energy Review 2025; IEA: Paris, France, 2025. Available online: https://www.iea.org/reports/global-energy-review-2025 (accessed on 20 July 2025).
- Akhtar, S.; Shahzad, S.; Zaheer, A.; Ullah, H.S.; Kilic, H.; Gono, R.; Jasiński, M.; Leonowicz, Z. Short-term load forecasting models: A review of challenges, progress, and the road ahead. Energies 2023, 16, 4060. [Google Scholar] [CrossRef]
- Bayrak, G.; Yılmaz, A.; Çalışır, A. A new intelligent decision-maker method determining the optimal connection point and operating conditions of hydrogen energy-based DGs to the main grid. Int. J. Hydrogen Energy 2023, 48, 23168–23184. [Google Scholar] [CrossRef]
- Goren, A.Y.; Dincer, I.; Gogoi, S.B.; Boral, P.; Patel, D. Recent developments on carbon neutrality through carbon dioxide capture and utilization with clean hydrogen for production of alternative fuels for smart cities. Int. J. Hydrogen Energy 2024, 79, 551–578. [Google Scholar] [CrossRef]
- Yildirim, B. Advanced controller design based on gain and phase margin for microgrid containing PV/WTG/Fuel cell/Electrolyzer/BESS. Int. J. Hydrogen Energy 2021, 46, 16481–16493. [Google Scholar] [CrossRef]
- Vidal, Y.; Pozo, F.; Tutivén, C. Wind turbine multi-fault detection and classification based on SCADA data. Energies 2018, 11, 3018. [Google Scholar] [CrossRef]
- Global Wind Energy Council. Global Wind Report. 2024. Available online: https://www.gwec.net/reports/globalwindreport/2024 (accessed on 20 July 2025).
- Stehly, T.; Duffy, P. 2020 Cost of Wind Energy Review; Technical Report NREL/TP-5000-81209; National Renewable Energy Laboratory (NREL): Golden, CO, USA, 2021. [Google Scholar]
- Pozo, F.; Vidal, Y.; Salgado, Ó. Wind turbine condition monitoring strategy through multiway PCA and multivariate inference. Energies 2018, 11, 749. [Google Scholar] [CrossRef]
- Cheng, F.; Peng, Y.; Qu, L.; Qiao, W. Current-based fault detection and identification for wind turbine drivetrain gearboxes. IEEE Trans. Ind. Appl. 2016, 53, 878–887. [Google Scholar] [CrossRef]
- Wang, Y.; Ma, X.; Qian, P. Wind turbine fault detection and identification through PCA-based optimal variable selection. IEEE Trans. Sustain. Energy 2018, 9, 1627–1635. [Google Scholar] [CrossRef]
- Praveen, H.M.; Sabareesh, G.; Inturi, V.; Jaikanth, A. Component level signal segmentation method for multi-component fault detection in a wind turbine gearbox. Measurement 2022, 195, 111180. [Google Scholar] [CrossRef]
- Wan, X.; Sun, W.; Chen, K.; Zhang, X. State degradation evaluation and early fault identification of wind turbine bearings. Fuel 2022, 311, 122348. [Google Scholar] [CrossRef]
- Yi, C.; Qin, J.; Xiao, H.; Zhou, T. Second-order Synchrosqueezing Modified S Transform for wind turbine fault diagnosis. Appl. Acoust. 2022, 189, 108614. [Google Scholar] [CrossRef]
- Xu, Z.; Mei, X.; Wang, X.; Yue, M.; Jin, J.; Yang, Y.; Li, C. Fault diagnosis of wind turbine bearing using a multi-scale convolutional neural network with bidirectional long short term memory and weighted majority voting for multi-sensors. Renew. Energy 2022, 182, 615–626. [Google Scholar] [CrossRef]
- Rahimilarki, R.; Gao, Z.; Jin, N.; Zhang, A. Convolutional neural network fault classification based on time-series analysis for benchmark wind turbine machine. Renew. Energy 2022, 185, 916–931. [Google Scholar] [CrossRef]
- Zhan, J.; Wu, C.; Ma, X.; Yang, C.; Miao, Q.; Wang, S. Abnormal vibration detection of wind turbine based on temporal convolution network and multivariate coefficient of variation. Mech. Syst. Signal Process. 2022, 174, 109082. [Google Scholar] [CrossRef]
- Teng, W.; Liu, Y.; Huang, Y.; Song, L.; Liu, Y.; Ma, Z. Fault detection of planetary subassemblies in a wind turbine gearbox using TQWT based sparse representation. J. Sound Vib. 2021, 490, 115707. [Google Scholar] [CrossRef]
- Cho, S.; Choi, M.; Gao, Z.; Moan, T. Fault detection and diagnosis of a blade pitch system in a floating wind turbine based on Kalman filters and artificial neural networks. Renew. Energy 2021, 169, 1–13. [Google Scholar] [CrossRef]
- Chen, Q.; Zhang, F.; Wang, Y.; Yu, Q.; Lang, G.; Zeng, L. Bearing fault diagnosis based on efficient cross space multiscale CNN transformer parallelism. Sci. Rep. 2025, 15, 12344. [Google Scholar] [CrossRef]
- Irfan, M.; Ahmed Khan, N.; Mushtaq, Z.; Abbas, G.; Shaher, A.; Rahman, S. A convolutional state-space framework for wind turbine fault diagnosis using hierarchical feature extraction and dynamic state modeling on SCADA system. Nondestruct. Test. Eval. 2025, 1–30. [Google Scholar] [CrossRef]
- Siddique, M.F.; Saleem, F.; Umar, M.; Kim, C.H.; Kim, J.M. A hybrid deep learning approach for bearing fault diagnosis using continuous wavelet transform and attention-enhanced spatiotemporal feature extraction. Sensors 2025, 25, 2712. [Google Scholar] [CrossRef]
- Velandia-Cardenas, C.; Vidal, Y.; Pozo, F. Wind Turbine Gearbox Early Fault Detection Using Mel-Frequency Cepstral Coefficients of Vibration Data. Struct. Control Health Monit. 2024, 2024, 7733730. [Google Scholar] [CrossRef]
- Sreenatha, M.; Mallikarjuna, P. A fault diagnosis technique for wind turbine gearbox: An approach using optimized blstm neural network with undercomplete autoencoder. Eng. Technol. Appl. Sci. Res. 2023, 13, 10170–10174. [Google Scholar] [CrossRef]
- Dao, P.B. Condition monitoring and fault diagnosis of wind turbines based on structural break detection in SCADA data. Renew. Energy 2022, 185, 641–654. [Google Scholar] [CrossRef]
- Velandia-Cardenas, C.; Vidal, Y.; Pozo, F. Wind turbine fault detection using highly imbalanced real SCADA data. Energies 2021, 14, 1728. [Google Scholar] [CrossRef]
- Kusiak, A.; Verma, A. Analyzing bearing faults in wind turbines: A data-mining approach. Renew. Energy 2012, 48, 110–116. [Google Scholar] [CrossRef]
- Long, H.; Xu, S.; Cai, H.; Gu, W. Wind turbine condition monitoring based on SCADA data-image conversion. IEEE Trans. Instrum. Meas. 2024, 73, 3538411. [Google Scholar] [CrossRef]
- Nath, S.; Wu, J.; Zhao, Y.; Qiao, W. Low latency bearing fault detection of direct-drive wind turbines using stator current. IEEE Access 2020, 8, 44163–44174. [Google Scholar] [CrossRef]
- Lu, D.; Qiao, W.; Gong, X. Current-based gear fault detection for wind turbine gearboxes. IEEE Trans. Sustain. Energy 2017, 8, 1453–1462. [Google Scholar] [CrossRef]
- Behara, R.K.; Saha, A.K. Optimised Neural Network Model for Wind Turbine DFIG Converter Fault Diagnosis. Energies 2025, 18, 3409. [Google Scholar] [CrossRef]
- Kandil, T.; Harris, A.; Das, R. Enhancing Fault Detection and Classification in Wind Farm Power Generation Using Convolutional Neural Networks (CNN) by Leveraging LVRT Embedded in Numerical Relays. IEEE Access 2025. [Google Scholar] [CrossRef]
- Rezamand, M.; Kordestani, M.; Carriveau, R.; Ting, D.S.; Saif, M. A new hybrid fault detection method for wind turbine blades using recursive PCA and wavelet-based PDF. IEEE Sens. J. 2019, 20, 2023–2033. [Google Scholar] [CrossRef]
- Qu, F.; Liu, J.; Zhu, H.; Zhou, B. Wind turbine fault detection based on expanded linguistic terms and rules using non-singleton fuzzy logic. Appl. Energy 2020, 262, 114469. [Google Scholar] [CrossRef]
- Aziz, U.; Charbonnier, S.; Bérenguer, C.; Lebranchu, A.; Prévost, F. Critical comparison of power-based wind turbine fault-detection methods using a realistic framework for SCADA data simulation. Renew. Sustain. Energy Rev. 2021, 144, 110961. [Google Scholar] [CrossRef]
- Encalada-Dávila, Á.; Puruncajas, B.; Tutiven, C.; Vidal, Y. Wind turbine main bearing fault prognosis based solely on scada data. Sensors 2021, 21, 2228. [Google Scholar] [CrossRef]
- Miele, E.S.; Bonacina, F.; Corsini, A. Deep anomaly detection in horizontal axis wind turbines using graph convolutional autoencoders for multivariate time series. Energy AI 2022, 8, 100145. [Google Scholar] [CrossRef]
- Xiang, L.; Yang, X.; Hu, A.; Su, H.; Wang, P. Condition monitoring and anomaly detection of wind turbine based on cascaded and bidirectional deep learning networks. Appl. Energy 2022, 305, 117925. [Google Scholar] [CrossRef]
- Zhu, Y.; Zhu, C.; Tan, J.; Tan, Y.; Rao, L. Anomaly detection and condition monitoring of wind turbine gearbox based on LSTM-FS and transfer learning. Renew. Energy 2022, 189, 90–103. [Google Scholar] [CrossRef]
- Zhang, G.; Li, Y.; Jiang, W.; Shu, L. A fault diagnosis method for wind turbines with limited labeled data based on balanced joint adaptive network. Neurocomputing 2022, 481, 133–153. [Google Scholar] [CrossRef]
- Peng, J.; Kimmig, A.; Niu, Z.; Wang, J.; Liu, X.; Wang, D.; Ovtcharova, J. Wind turbine failure prediction and health assessment based on adaptive maximum mean discrepancy. Int. J. Electr. Power Energy Syst. 2022, 134, 107391. [Google Scholar] [CrossRef]
- Wu, Y.; Ma, X. A hybrid LSTM-KLD approach to condition monitoring of operational wind turbines. Renew. Energy 2022, 181, 554–566. [Google Scholar] [CrossRef]
- Zhang, G.; Li, Y.; Zhao, Y. A novel fault diagnosis method for wind turbine based on adaptive multivariate time-series convolutional network using SCADA data. Adv. Eng. Inform. 2023, 57, 102031. [Google Scholar] [CrossRef]
- Knes, P.; Dao, P.B. Machine learning and cointegration for wind turbine monitoring and fault detection: From a comparative study to a combined approach. Energies 2024, 17, 5055. [Google Scholar] [CrossRef]
- Lee, C.Y.; Maceren, E.D.C. Physics-informed anomaly and fault detection for wind energy systems using deep CNN and adaptive elite PSO-XGBoost. IET Gener. Transm. Distrib. 2025, 19, e13289. [Google Scholar] [CrossRef]
- Guo, J.; Liu, C.; Liu, S.; Liu, W. Graph contrastive learning for semi-supervised wind turbine fault diagnosis with few labeled SCADA data. Measurement 2025, 245, 116531. [Google Scholar] [CrossRef]
- Arévalo, P.; Cano, A.; Benavides, D.; Jurado, F. Fault analysis in clustered microgrids utilizing SVM-CNN and differential protection. Appl. Soft Comput. 2024, 164, 112031. [Google Scholar] [CrossRef]
- Pao, Y.H.; Takefuji, Y. Functional-link net computing: Theory, system architecture, and functionalities. Computer 2002, 25, 76–79. [Google Scholar] [CrossRef]
- Dai, W.; Chen, Q.; Chu, F.; Ma, X.; Chai, T. Robust regularized random vector functional link network and its industrial application. IEEE Access 2017, 5, 16162–16172. [Google Scholar] [CrossRef]
- Kilic, H.; Gumus, B.; Yilmaz, M. Fault detection in photovoltaic arrays: A robust regularized machine learning approach. Dyna 2020, 95, 622–628. [Google Scholar] [CrossRef] [PubMed]
- Kiliç, H.; Gumus, B.; Khaki, B.; Yilmaz, M.; Palensky, P.; Authority, P. A Robust Data-Driven Approach for Fault Detection in Photovoltaic Arrays. In Proceedings of the 10th IEEE PES Innovative Smart Grid Technologies Europe, ISGT-Europe, The Hague, The Netherlands, 26–28 October 2020. [Google Scholar]
- Haydaroğlu, C.; Kılıç, H.; Gümüş, B.; Özdemir, M.T. Advancing Fault Detection in Distribution Networks with a Real-Time Approach Using Robust RVFLN. Appl. Sci. 2025, 15, 1908. [Google Scholar] [CrossRef]
- Haydaroğlu, C.; Gümüş, B. Fault Detection in Distribution Network with the Cauchy-M Estimate—RVFLN Method. Energies 2022, 16, 252. [Google Scholar] [CrossRef]
- Akıl, Y.; Boynuegri, A.R.; Yilmaz, M. Robust Detection of Microgrid Islanding Events Under Diverse Operating Conditions Using RVFLN. Energies 2025, 18, 4470. [Google Scholar] [CrossRef]
- Naderi, E.; Asrari, A. Experimental validation of a remedial action via hardware-in-the-loop system against cyberattacks targeting a lab-scale PV/wind microgrid. IEEE Trans. Smart Grid 2023, 14, 4060–4072. [Google Scholar] [CrossRef]
- Naderi, E.; Asrari, A. Hardware-in-the-loop experimental validation for a lab-scale microgrid targeted by cyberattacks. In Proceedings of the 2021 9th International Conference on Smart Grid (icSmartGrid), Setubal, Portugal, 29 June–1 July 2021; IEEE: Piscataway, NJ, USA, 2021; pp. 57–62. [Google Scholar]
- Naderi, E.; Asrari, A.; Ramos, B. Moving target defense strategy to protect a PV/Wind lab-scale microgrid against false data injection cyberattacks: Experimental validation. In Proceedings of the 2023 IEEE Power & Energy Society General Meeting (PESGM), Orlando, FL, USA, 16–20 July 2023; IEEE: Piscataway, NJ, USA, 2023; pp. 1–5. [Google Scholar]
- Naderi, E.; Asrari, A. Detection of false data injection cyberattacks: Experimental validation on a lab-scale microgrid. In Proceedings of the 2022 IEEE Green Energy and Smart System Systems (IGESSC), Long Beach, CA, USA, 7–8 November 2022; IEEE: Piscataway, NJ, USA, 2022; pp. 1–6. [Google Scholar]
Disclaimer/Publisher’s Note: The statements, opinions and data contained in all publications are solely those of the individual author(s) and contributor(s) and not of MDPI and/or the editor(s). MDPI and/or the editor(s) disclaim responsibility for any injury to people or property resulting from any ideas, methods, instructions or products referred to in the content. |
© 2025 by the authors. Licensee MDPI, Basel, Switzerland. This article is an open access article distributed under the terms and conditions of the Creative Commons Attribution (CC BY) license (https://creativecommons.org/licenses/by/4.0/).
