Bus Voltage Fluctuation Suppression Strategy for Hybrid Energy Storage Systems Based on MPC Power Allocation and Tracking
Abstract
1. Introduction
- (1)
- A dynamic power allocation for hybrid energy storage systems based on the AC-DC decoupling framework are proposed to give an effective reference the controller.
- (2)
- A real-time tracking methodology based on MPC controllers with variable step which can track the AC component of PPLs is proposed, effectively avoiding large-scale periodic fluctuations in the DC bus.
- (3)
- The attenuation performance of the proposed dynamic power allocation strategy on DC bus voltage oscillations is quantitatively evaluated through an impedance-based frequency–domain analytical model.
2. Estimation and Tracking Method of AC Current
2.1. AC Current Estimation of Hybrid Energy Storage System with DAB Converter
2.1.1. Analysis of HESS Power Supply Method with DAB Converter
2.1.2. AC Current Estimation and Discretization
2.2. Pulse Power Tracking Method Based on MPC
2.2.1. Modeling of SC Converter
2.2.2. SC Converter Pulse Power Tracking Method Based on MPC Control
2.2.3. DC Power Tracking of Battery Converter Based on Droop Control
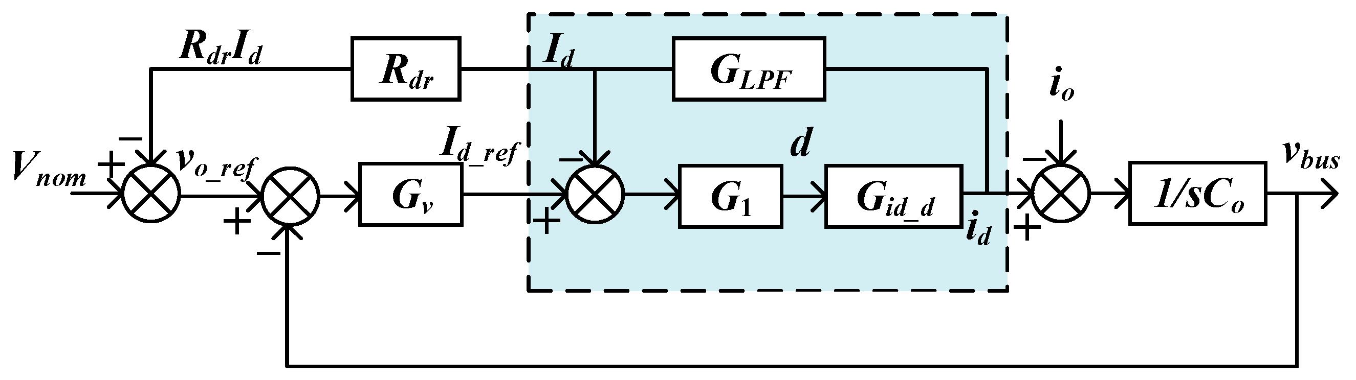
3. Frequency Domain Analysis of Pulse Power Allocation and Tracking Methods
3.1. Frequency Domain Analysis of Power Distribution for Hybrid Energy Storage System
3.2. Current Tracking Performance Analysis of SC Converter Based on MPC Control
3.3. Comparison Between MPC Controller and PI Compensator
4. Case Study of Hybrid Energy Storage Power Distribution
4.1. Analysis of Single SC Converter and Battery Converter
4.2. Analysis of Multiple SC Converters
5. Conclusions
Author Contributions
Funding
Data Availability Statement
Conflicts of Interest
References
- Farhadi, M.; Mohammed, O.A. Performance enhancement of actively controlled hybrid DC microgrid incorporating pulsed load. IEEE Trans. Ind. Appl. 2015, 51, 3570–3578. [Google Scholar] [CrossRef]
- Xue, L.; Shen, Z.; Boroyevich, D.; Mattavelli, P.; Diaz, D. Dual active bridge-based battery charger for plug-in hybrid electric vehicle with charging current containing low frequency ripple. IEEE Trans. Power Electron. 2015, 30, 7299–7307. [Google Scholar] [CrossRef]
- Lu, J.; Bai, K.; Taylor, A.R.; Liu, G.; Brown, A.; Johnson, P.M.; McAmmond, M. A modular-designed three-phase high-efficiency high-power-density EV battery charger using dual/triple-phase-shift control. IEEE Trans. Power Electron. 2018, 33, 8091–8100. [Google Scholar] [CrossRef]
- Liu, C.; Li, B.; Zhang, Y.; Jiang, Q.; Liu, T. The LCC type DC grids forming method and fault ride-through strategy based on fault current limiters. Int. J. Electr. Power Energy Syst. 2025, 170, 110843. [Google Scholar] [CrossRef]
- Hou, N. Research on Optimal Control Method of Full-Bridge Isolated DC-DC Converter. Master’s Thesis, Southwest Jiaotong University, Chengdu, China, 2017. [Google Scholar]
- An, F. Research on Efficiency and Dynamic Performance Optimization of Dual Active Full-Bridge DC-DC Converter. Master’s Thesis, Southwest Jiaotong University, Chengdu, China, 2019. [Google Scholar]
- Jia, C.; Liu, W.; He, H.; Chau, K. Superior energy management for fuel cell vehicles guided by improved DDPG algorithm: Integrating driving intention speed prediction and health-aware control. Appl. Energy 2025, 394, 126195. [Google Scholar] [CrossRef]
- Rasool, S.; Muttaqi, K.M.; Sutanto, D. A multi-filter based dynamic power sharing control for a hybrid energy storage system integrated to a wave energy converter for output power smoothing. IEEE Trans. Sustain. Energy 2022, 13, 1693–1706. [Google Scholar] [CrossRef]
- Forestieri, J.N.; Farasat, M. Integrative sizing/real-time energy management of a hybrid supercapacitor/undersea energy storage system for grid integration of wave energy conversion systems. IEEE J. Emerg. Sel. Top. Power Electron. 2020, 8, 3798–3810. [Google Scholar] [CrossRef]
- Li, X.B.; Liu, J.W. Real-time power distribution method adopting second-order filtering for hybrid energy storage system. Power Syst. Technol. 2019, 43, 1650–1657. [Google Scholar]
- Wu, T.; Yu, W.; Guo, L. A study on use of hybrid energy storage system along with variable filter time constant to smooth dc power fluctuation in microgrid. IEEE Access 2019, 7, 175377–175385. [Google Scholar] [CrossRef]
- Mitra, S.K.; Karanki, S.B. An SOC based adaptive energy management system for hybrid energy storage system integration to dc grid. IEEE Trans. Ind. Appl. 2023, 59, 1152–1161. [Google Scholar] [CrossRef]
- Chen, J.; Song, Q. A decentralized dynamic load power allocation strategy for fuel cell/SC-based APU of large more electric vehicles. IEEE Trans. Ind. Electron. 2019, 66, 865–875. [Google Scholar] [CrossRef]
- Guo, F.; Lian, Z.; Zheng, X.; Deng, C.; Wen, C.; He, J. Decentralized cluster-based distributed secondary control of large-scale DC microgrid cluster system. IEEE Trans. Sustain. Energy 2024, 15, 1652–1662. [Google Scholar] [CrossRef]
- Xu, Q.; Hu, X.; Wang, P.; Xiao, J.; Tu, P.; Wen, C.; Lee, M.Y. A decentralized dynamic power sharing strategy for hybrid energy storage system in autonomous dc microgrid. IEEE Trans. Ind. Electron. 2017, 64, 5930–5941. [Google Scholar] [CrossRef]
- Xu, Q.; Xiao, J.; Hu, X.; Wang, P.; Lee, M.Y. A decentralized power management strategy for hybrid energy storage system with autonomous bus voltage restoration and state-of-charge recovery. IEEE Trans. Ind. Electron. 2017, 64, 7098–7108. [Google Scholar] [CrossRef]
- Xu, Q.; Xiao, J.; Wang, P.; Pan, X.; Wen, C. A decentralized control strategy for autonomous transient power sharing and state-of-charge recovery in hybrid energy storage systems. IEEE Trans. Sustain. Energy 2017, 8, 1443–1452. [Google Scholar] [CrossRef]
- Shao, S.; Chen, L.; Shan, Z.; Gao, F.; Chen, H.; Sha, D.; Dragičević, T. Modeling and advanced control of dual active bridge DC-DC converters: A. review. IEEE Trans. Power Electron. 2022, 37, 1524–1547. [Google Scholar] [CrossRef]
- Yue, X.; Wang, X.; Blaabjerg, F. Review of small-signal modeling methods including frequency-coupling dynamics of power converters. IEEE Trans. Power Electron. 2019, 34, 3313–3328. [Google Scholar] [CrossRef]
- Liu, X.; Suo, Y.; Zhang, Z.; Song, X.; Zhou, J. A new model predictive current control strategy for hybrid energy storage system considering the SOC of the supercapacitor. IEEE J. Emerg. Sel. Top. Power Electron. 2023, 11, 325–338. [Google Scholar] [CrossRef]
- Zhang, X.; Wang, B.; Gamage, D.; Ukil, A. Model predictive and iterative learning control based hybrid control method for hybrid energy storage system. IEEE Trans. Sustain. Energy 2021, 12, 2146–2158. [Google Scholar] [CrossRef]
- Wei, S.; Zhao, Z.; Li, K.; Yuan, L.; Wen, W. Deadbeat current controller for bidirectional dual-active-bridge converter using an enhanced SPS modulation method. IEEE Trans. Power Electron. 2021, 36, 1274–1279. [Google Scholar] [CrossRef]
- Duong, T.-Q.; Choi, S.-J. Deadbeat control with bivariate online parameter identification for SPS-modulated DAB converters. IEEE Access 2022, 10, 54079–54090. [Google Scholar] [CrossRef]
















| Parameter | Value | Parameter | Value |
|---|---|---|---|
| V1 | 48 V | 1:n | 1:2 |
| Vnom | 100 V | L | 20 μH |
| fs | 50 kHz | CL | 400 μF |
| Cin | 400 μF | Co | 400 μF |
| Lin | 4.7 μH | Lo | 4.7 μH |
| Parameter | Value | Parameter | Value |
|---|---|---|---|
| Gv(s) | 1.83 + 45.5/s | Rdr | 1 V/A |
| Gi(s) | 0.42 + 45.5/s | The cut-off angular frequency of G2diff | 18.84 × 103 rad/s |
| The cut-off angular frequency of GLPF | 6.28 × 103 rad/s | The cut-off angular frequency of GHPF | 3.14 rad/s |
Disclaimer/Publisher’s Note: The statements, opinions and data contained in all publications are solely those of the individual author(s) and contributor(s) and not of MDPI and/or the editor(s). MDPI and/or the editor(s) disclaim responsibility for any injury to people or property resulting from any ideas, methods, instructions or products referred to in the content. |
© 2025 by the authors. Licensee MDPI, Basel, Switzerland. This article is an open access article distributed under the terms and conditions of the Creative Commons Attribution (CC BY) license (https://creativecommons.org/licenses/by/4.0/).
Share and Cite
Chen, L.; Wang, Z.; Yi, W.; Zhang, Y.; Fu, Y. Bus Voltage Fluctuation Suppression Strategy for Hybrid Energy Storage Systems Based on MPC Power Allocation and Tracking. Electronics 2025, 14, 3390. https://doi.org/10.3390/electronics14173390
Chen L, Wang Z, Yi W, Zhang Y, Fu Y. Bus Voltage Fluctuation Suppression Strategy for Hybrid Energy Storage Systems Based on MPC Power Allocation and Tracking. Electronics. 2025; 14(17):3390. https://doi.org/10.3390/electronics14173390
Chicago/Turabian StyleChen, Liang, Zongxu Wang, Wei Yi, Yong Zhang, and Yuxiang Fu. 2025. "Bus Voltage Fluctuation Suppression Strategy for Hybrid Energy Storage Systems Based on MPC Power Allocation and Tracking" Electronics 14, no. 17: 3390. https://doi.org/10.3390/electronics14173390
APA StyleChen, L., Wang, Z., Yi, W., Zhang, Y., & Fu, Y. (2025). Bus Voltage Fluctuation Suppression Strategy for Hybrid Energy Storage Systems Based on MPC Power Allocation and Tracking. Electronics, 14(17), 3390. https://doi.org/10.3390/electronics14173390
