A 1.2 V, 92 dB Dynamic-Range Delta-Sigma Modulator Based on an Output Swing-Enhanced Gain-Boost Inverter
Abstract
1. Introduction
2. The Gain-Boost Inverter
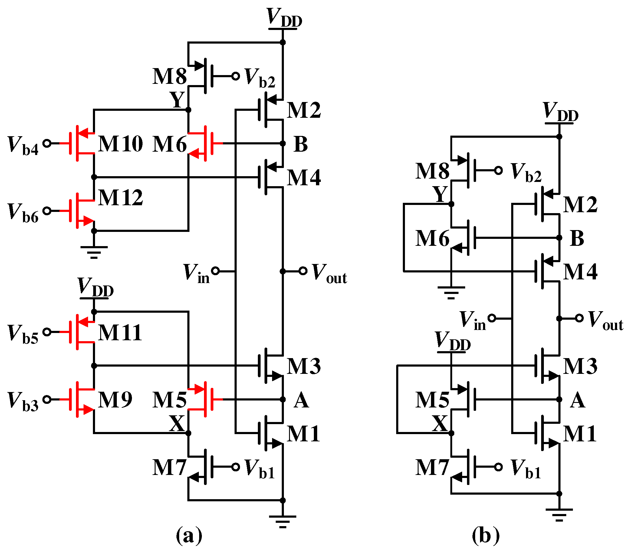
2.1. The Conventional Gain-Boost Inverter
2.2. Proposed Output Swing-Enhanced Gain-Boost Inverter
- The gain-boost modules used in the proposed gain-boost inverter have a folded-cascode structure, rather than common-source structure used in the conventional gain-boost inverter. The DC gain of the proposed structure can be expressed as follows:
- Compared to the conventional structure, M5 changes from NMOS to PMOS, and M6 changes from PMOS to NMOS. At this point, VA and VB are free from the restriction of Vth, and the minimum value of VA and VB could be Vsat again. As a result, the output swing is enhanced and can be expressed as follows:
- The existence of the two branches composed of M9~M12 enables the use of regular-Vth devices throughout the entire structure. If the two branches disappear, as shown in Figure 2b, the drains of M5 and M6 will directly connect to the gates of M3 and M4, respectively. The condition for M3 to M6 to operate in the saturation region is expressed as follows:
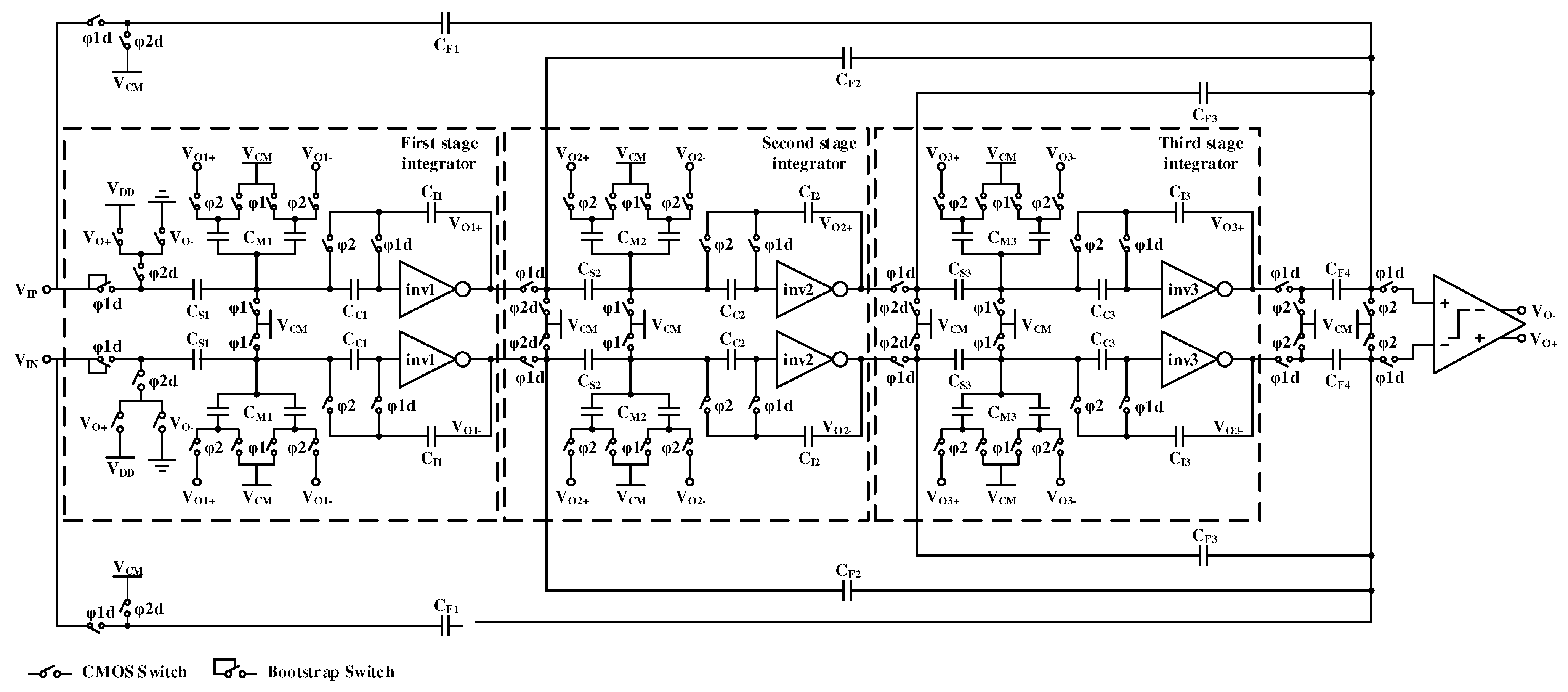
3. Topology Design of the Proposed DTDSM
4. Circuit Implementation
4.1. Third-Order Delta-Sigma Modulator
4.1.1. Inverter-Based Integrator
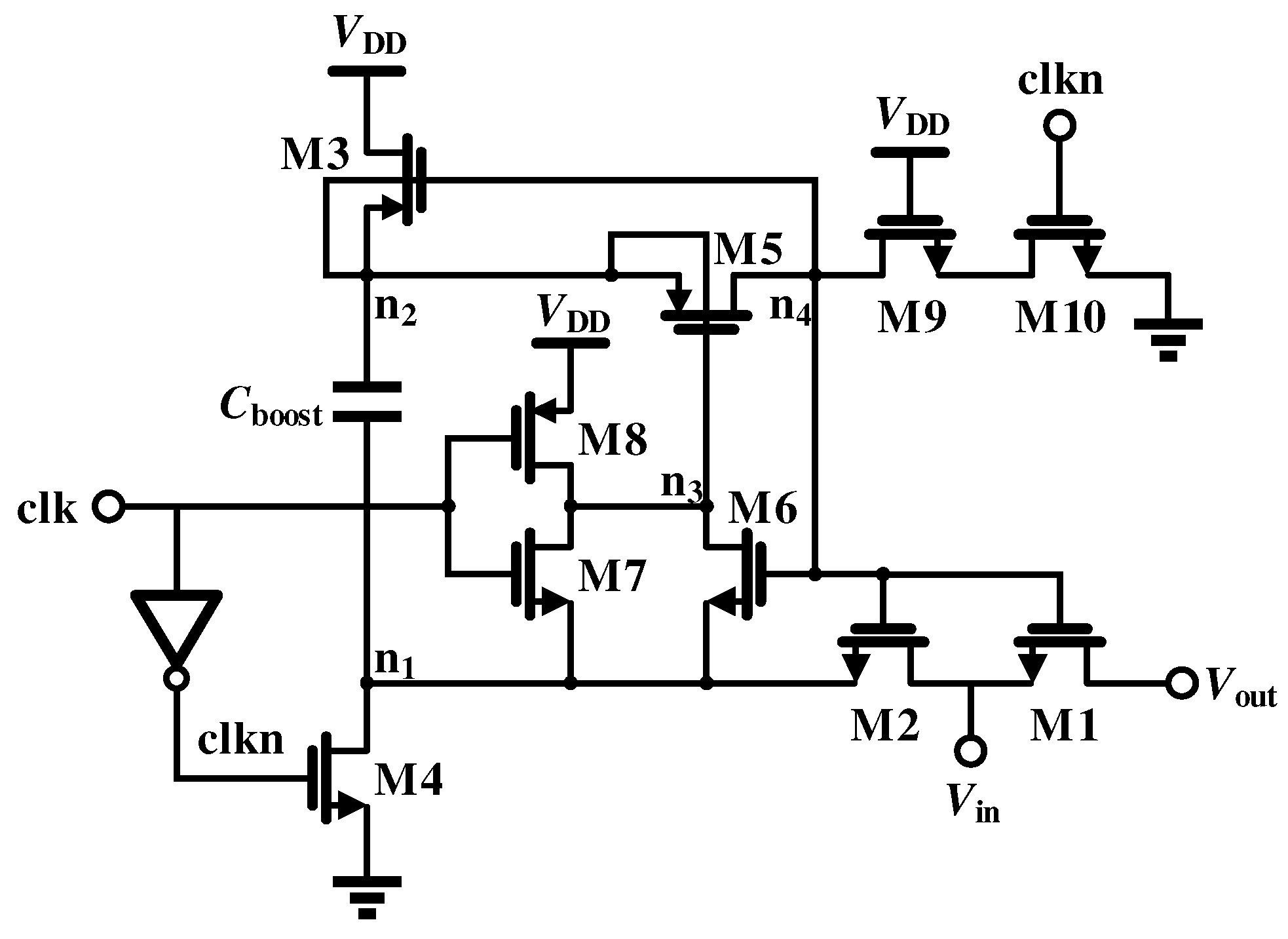
4.1.2. Bootstrap Switch
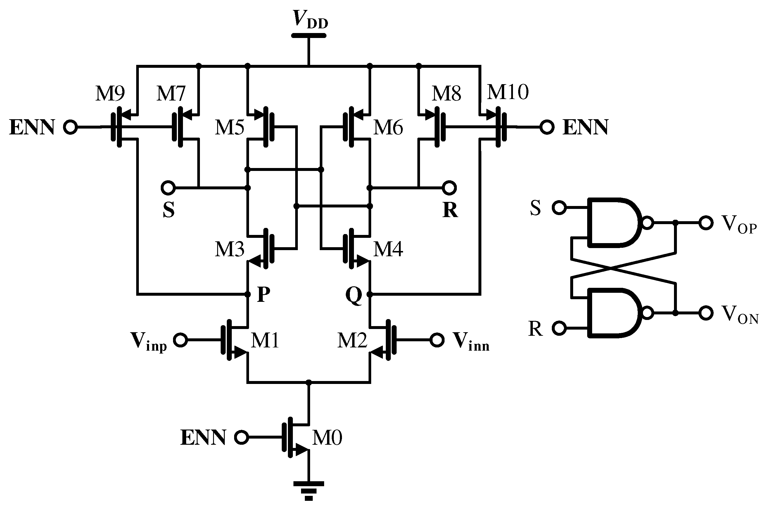
4.1.3. Single-Bit Quantizer
4.2. Oscillator
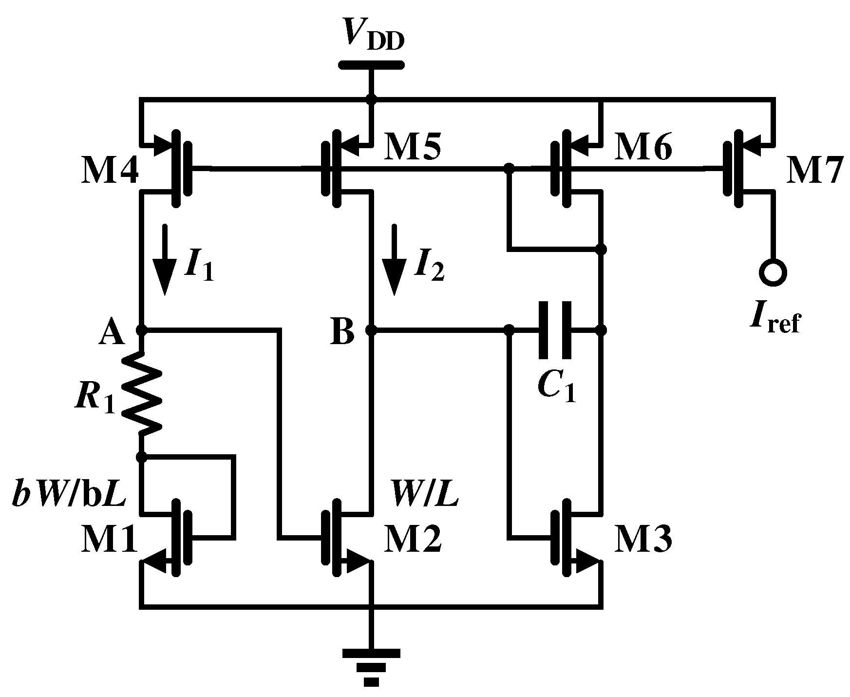
4.3. Current Reference
5. Results
- The reduction of SNR is due to the transient noise introduced by devices (mainly MOS, capacitors and resistors) and various parasitic parameters introduced by the layout.
- There is increased noise and power consumption introduced by the current reference and oscillators.
6. Conclusions
Author Contributions
Funding
Data Availability Statement
Conflicts of Interest
References
- De la Rosa, J.M.; Schreier, R.; Pun, K.-P.; Pavan, S. Next-generation delta-sigma converters: Trends and perspectives. IEEE J. Emerg. Sel. Top. Circuits Syst. 2015, 5, 484–499. [Google Scholar] [CrossRef]
- Yazicioglu, R.; Merken, P.; van Hoof, C. 200 μW eight-channel acquisition ASIC for ambulator EEG systems. In Proceedings of the IEEE International Solid-State Circuits Conference, San Francisco, CA, USA, 3–7 February 2008; Volume 164. [Google Scholar]
- Pisha, L.; Warchall, J.; Zubatiy, T.; Hamilton, S.; Lee, C.-H.; Chockalingam, G.; Mercier, P.P.; Gupta, R.; Rao, B.D.; Garudadri, H. A wearable, extensible, open-source platform for hearing healthcare research. IEEE Access 2019, 7, 162083–162101. [Google Scholar] [CrossRef] [PubMed]
- Ma, S.; Liu, L.; Fang, T.; Liu, J.; Wu, N. A Discrete-Time Audio ΔΣ Modulator Using Dynamic Amplifier with Speed Enhancement and Flicker Noise Reduction Techniques. IEEE J. Solid-State Circuits 2019, 55, 333–343. [Google Scholar] [CrossRef]
- An, K.-C.; Narasimman, N.; Kim, T.T.-H. A 0.6-to-1.2 V Scaling Friendly Discrete-Time OTA-Free ΔΣ-ADC for IoT Applications. In Proceedings of the ESSCIRC 2021-IEEE 47th European Solid State Circuits Conference (ESSCIRC), Grenoble, France, 13–22 September 2021. [Google Scholar]
- Pavan, S.; Schreier, R.; Temes, G.C. Understanding Delta-Sigma Data Converters; John Wiley & Sons: Hoboken, NJ, USA, 2017. [Google Scholar]
- Lopez-Martin, A.; Algueta, J.M.; Garde, M.P.; Carvajal, R.G.; Ramirez-Angulo, J. 1-V 15-μW 130-nm CMOS Super Class AB OTA. In Proceedings of the 2020 IEEE International Symposium on Circuits and Systems (ISCAS), Seville, Spain, 12–14 October 2020. [Google Scholar]
- Cabrera-Bernal, E.; Pennisi, S.; Grasso, A.D.; Torralba, A.; Carvajal, R.G. 0.7-V three-stage class-AB CMOS operational transconductance amplifier. IEEE Trans. Circuits Syst. I Regul. Pap. 2016, 63, 1807–1815. [Google Scholar] [CrossRef]
- Kulej, T.; Khateb, F. A compact 0.3-V class AB bulk-driven OTA. IEEE Trans. Very Larg. Scale Integr. (VLSI) Syst. 2019, 28, 224–232. [Google Scholar] [CrossRef]
- Kumar, R.A.; Krishnapura, N.; Banerjee, P. Analysis and design of a discrete-time delta-sigma modulator using a cascoded floating-inverter-based dynamic amplifier. IEEE J. Solid-State Circuits 2022, 57, 3384–3395. [Google Scholar] [CrossRef]
- Zhao, M.; Zhao, Y.; Zhang, H.; Hu, Y.; Bao, Y.; Ye, L.; Qu, W.; Tan, Z. A 4-μW Bandwidth/Power Scalable Delta–Sigma Modulator Based on Swing-Enhanced Floating Inverter Amplifiers. IEEE J. Solid-State Circuits 2021, 57, 709–718. [Google Scholar] [CrossRef]
- De Aguirre, P.C.C.; Bonizzoni, E.; Maloberti, F.; Susin, A.A. A 170.7-dB FoM-DR 0.45/0.6-V inverter-based continuous-time sigma–delta modulator. IEEE Trans. Circuits Syst. II Express Briefs 2019, 67, 1384–1388. [Google Scholar] [CrossRef]
- Wei, R.; Wang, W.; Xiao, X.; Chen, Q. A low-power delta-sigma capacitance-to-digital converter for capacitive sensors. IEEE Access 2019, 7, 78281–78288. [Google Scholar] [CrossRef]
- Wang, Z.; Duan, Q.; Roh, J. A 0.03 mm2 delta-sigma modulator with cascaded-inverter amplifier. Analog Integr. Circuits Signal Process. 2014, 81, 495–501. [Google Scholar] [CrossRef]
- Conrad, J.; Vogelmann, P.; Mokhtar, M.A.; Ortmanns, M. Design approach for ring amplifiers. IEEE Trans. Circuits Syst. I Regul. Pap. 2020, 67, 3444–3457. [Google Scholar] [CrossRef]
- Luo, H.; Han, Y.; Cheung, R.C.; Cao, T.; Liu, X.; Gao, F. A ΣΔ modulator using gain-boost class-C inverter for audio applications. J. Circuits Syst. Comput. 2013, 22, 1340024. [Google Scholar] [CrossRef]
- Luo, H.; Han, Y.; Cheung, R.C.; Liu, X.; Cao, T. A 0.8-V 230-μW 98-dB DR Inverter-Based ΣΔ Modulator for Audio Applications. IEEE J. Solid-State Circuits 2013, 48, 2430–2441. [Google Scholar] [CrossRef]
- Wu, H.; Li, W.; Liu, J.; Zhang, T. A 1-V 109.1-dB SNDR 185.2-dB FoMs DSM Based on An Output Swing Enhanced Gain-Boost Inverter. In Proceedings of the 2022 7th International Conference on Integrated Circuits and Microsystems (ICICM), Xi’an, China, 28–31 October 2022; IEEE: New York, NY, USA, 2023. [Google Scholar]
- De la Rosa, J.M.; Del Rio, R. CMOS Sigma-Delta Converters: Practical Design Guide; John Wiley & Sons: Hoboken, NJ, USA, 2013. [Google Scholar]
- Chae, Y.; Han, G. Low voltage, low power, inverter-based switched-capacitor delta-sigma modulator. IEEE J. Solid-State Circuits 2009, 44, 458–472. [Google Scholar] [CrossRef]
- Chae, Y.; Cheon, J.; Lim, S.; Kwon, M.; Yoo, K.; Jung, W.; Lee, D.-H.; Ham, S.; Han, G. A 2.1 M Pixels, 120 Frame/s CMOS Image Sensor With Column-Parallel ΔΣ ADC Architecture. IEEE J. Solid-State Circuits 2010, 46, 236–247. [Google Scholar] [CrossRef]
- Chen, H.; He, L.; Deng, H.; Yin, Y.; Lin, F. A high-performance bootstrap switch for low voltage switched-capacitor circuits. In Proceedings of the 2014 IEEE International Symposium on Radio-Frequency Integration Technology, Hefei, China, 27–30 August 2014. [Google Scholar]
- Razavi, B. The Strong ARM latch [a circuit for all seasons]. IEEE Solid-State Circuits Mag. 2015, 7, 12–17. [Google Scholar]
- Wang, L.; Zhan, C.; Zhang, Z.; Zhao, S. A−40–125° C, 0.8 V, 33 kHz relaxation oscillator with integrated voltage and current reference and compensated comparator delay. Microelectron. J. 2021, 117, 105285. [Google Scholar] [CrossRef]
- Hu, J.; Lu, C.; Xu, H.; Wang, J.; Liang, K.; Li, G. A novel precision CMOS current reference for IoT systems. AEU-Int. J. Electron. Commun. 2021, 130, 153577. [Google Scholar] [CrossRef]
- Lee, S.-Y.; Lee, H.-Y.; Kung, C.-H.; Su, P.-H.; Chen, J.-Y. A 0.8-μW and 74-dB High-Pass Sigma-Delta Modulator With OPAMP Sharing and Noise-Coupling Techniques for Biomedical Signal Acquisition. IEEE Trans. Biomed. Circuits Syst. 2022, 16, 742–751. [Google Scholar] [CrossRef] [PubMed]
- Boni, A.; Giuffredi, L.; Pietrini, G.; Ronchi, M.; Caselli, M. A low-power sigma-delta modulator for healthcare and medical diagnostic applications. IEEE Trans. Circuits Syst. I Regul. Pap. 2021, 69, 207–219. [Google Scholar] [CrossRef]
- Chen, X.; Wang, Z.-G.; Li, F. Design of A 1-V 3rd-order 1-bit Σ-Δ modulator with inverter-based static–dynamic hybrid structure amplifiers. Analog Integr. Circuits Signal Process. 2019, 101, 351–361. [Google Scholar] [CrossRef]
- Liang, J.; Sin, S.-W.; Seng-Pan, U.; Maloberti, F.; Martins, R.P.; Jiang, H. A high DR high-input-impedance programmable-gain ECG acquisition interface with non-inverting continuous time sigma-delta modulator. In Proceedings of the 2019 IEEE Asian Solid-State Circuits Conference (A-SSCC), Macau, Macao, 4–6 November 2019. [Google Scholar]
- Zhao, L.; Deng, C.; Wang, G.; Chen, H.; Cheng, Y. A 1.1 V 12 μW 86 dB DR sigma-delta modulator for health monitoring system. J. Circuits Syst. Comput. 2016, 25, 1650059. [Google Scholar] [CrossRef]




















| DC Gain/dB | Output Swing/V | Full-Scale Voltage/V | Full-Scale Ratio | |
|---|---|---|---|---|
| Conventional structure (without low-Vth devices) | 85 | 0.46 | 1.2 | 38% |
| Conventional structure in [13] (with low-Vth devices) | 83 | 0.59 | 1.2 | 59% |
| Proposed structure | 91 | 0.87 | 1.2 | 73% |
| Parameters | Value | Unit |
|---|---|---|
| Signal bandwidth (BW) | 1.95 | kHz |
| Oversampling ratio (OSR) | 256 | - |
| Sampling frequency | 1 | MHz |
| Full-scale (differential) | 1.2 | V |
| Supply voltage | 1.2 | V |
| Feedforward Coefficients | Signal Coefficients | Integrator Coefficients |
|---|---|---|
| a1 = 4 | b1 = 1/5 | c1 = 1/5 |
| a2 = 6 | b4 = 1 | c2 = 1/4 |
| a3 = 5 | c3 = 1/6 |
| Sampling Capacitors/pF | Integrating Capacitors/pF | Feedforward Capacitors/pF | Common-Mode Capacitors/pF | Compensation Capacitors/pF |
|---|---|---|---|---|
| Cs1 = 4.32 | CI1 = 21.6 | CF1 = 0.05 | CM1 = 1 | Cc1 = 5 |
| Cs2 = 0.125 | CI2 = 0.5 | CF2 = 0.2 | CM2 = 0.16 | Cc2 = 1 |
| Cs3 = 0.08 | CI3 = 0.48 | CF3 = 0.3 | CM3 = 0.16 | Cc3 = 1 |
| CF4 = 0.25 |
| References | This Work | 2022 [26] | 2021 [27] | 2019 [28] | 2019 [29] | 2016 [30] |
|---|---|---|---|---|---|---|
| Architecture | DT | DT | DT | DT | CT | DT |
| Process/nm | 180 | 180 | 90 | 40 | 65 | 180 |
| Supply voltage/V | 1.2 | 1 | 1.2 | 1 | 1 | 1.1 |
| BW/kHz | 1.953 | 0.2 | 0.25 | 100 | 150 | 0.3 |
| OSR | 256 | 64 | 500 | 128 | 128 | 128 |
| DR/dB | 92 | 78.2 | 95.6 | 86.7 | 99.3 | 86 |
| SNR/dB | 86.1 | 75.26 | 93 | 89.7 | 84.2 | 85.9 |
| Power/μW | 54.5 | 0.8 | 30 | 860 | 20.8 | 12 |
| FoMs/dB | 167.6 | 162.18 | 164.8 | 167.4 | 167.8 | 160 |
Disclaimer/Publisher’s Note: The statements, opinions and data contained in all publications are solely those of the individual author(s) and contributor(s) and not of MDPI and/or the editor(s). MDPI and/or the editor(s) disclaim responsibility for any injury to people or property resulting from any ideas, methods, instructions or products referred to in the content. |
© 2024 by the authors. Licensee MDPI, Basel, Switzerland. This article is an open access article distributed under the terms and conditions of the Creative Commons Attribution (CC BY) license (https://creativecommons.org/licenses/by/4.0/).
Share and Cite
Wu, H.; Li, W.; Zhang, T.; Li, G.; Liu, J. A 1.2 V, 92 dB Dynamic-Range Delta-Sigma Modulator Based on an Output Swing-Enhanced Gain-Boost Inverter. Electronics 2024, 13, 1570. https://doi.org/10.3390/electronics13081570
Wu H, Li W, Zhang T, Li G, Liu J. A 1.2 V, 92 dB Dynamic-Range Delta-Sigma Modulator Based on an Output Swing-Enhanced Gain-Boost Inverter. Electronics. 2024; 13(8):1570. https://doi.org/10.3390/electronics13081570
Chicago/Turabian StyleWu, Honghao, Wenchang Li, Tianyi Zhang, Guanqi Li, and Jian Liu. 2024. "A 1.2 V, 92 dB Dynamic-Range Delta-Sigma Modulator Based on an Output Swing-Enhanced Gain-Boost Inverter" Electronics 13, no. 8: 1570. https://doi.org/10.3390/electronics13081570
APA StyleWu, H., Li, W., Zhang, T., Li, G., & Liu, J. (2024). A 1.2 V, 92 dB Dynamic-Range Delta-Sigma Modulator Based on an Output Swing-Enhanced Gain-Boost Inverter. Electronics, 13(8), 1570. https://doi.org/10.3390/electronics13081570

