Exact Sinusoidal Signal Tracking on a Modified Topology of Boost and Buck-Boost Converters
Abstract
1. Introduction
2. Problem Statement and Model Description
2.1. Problem Statement
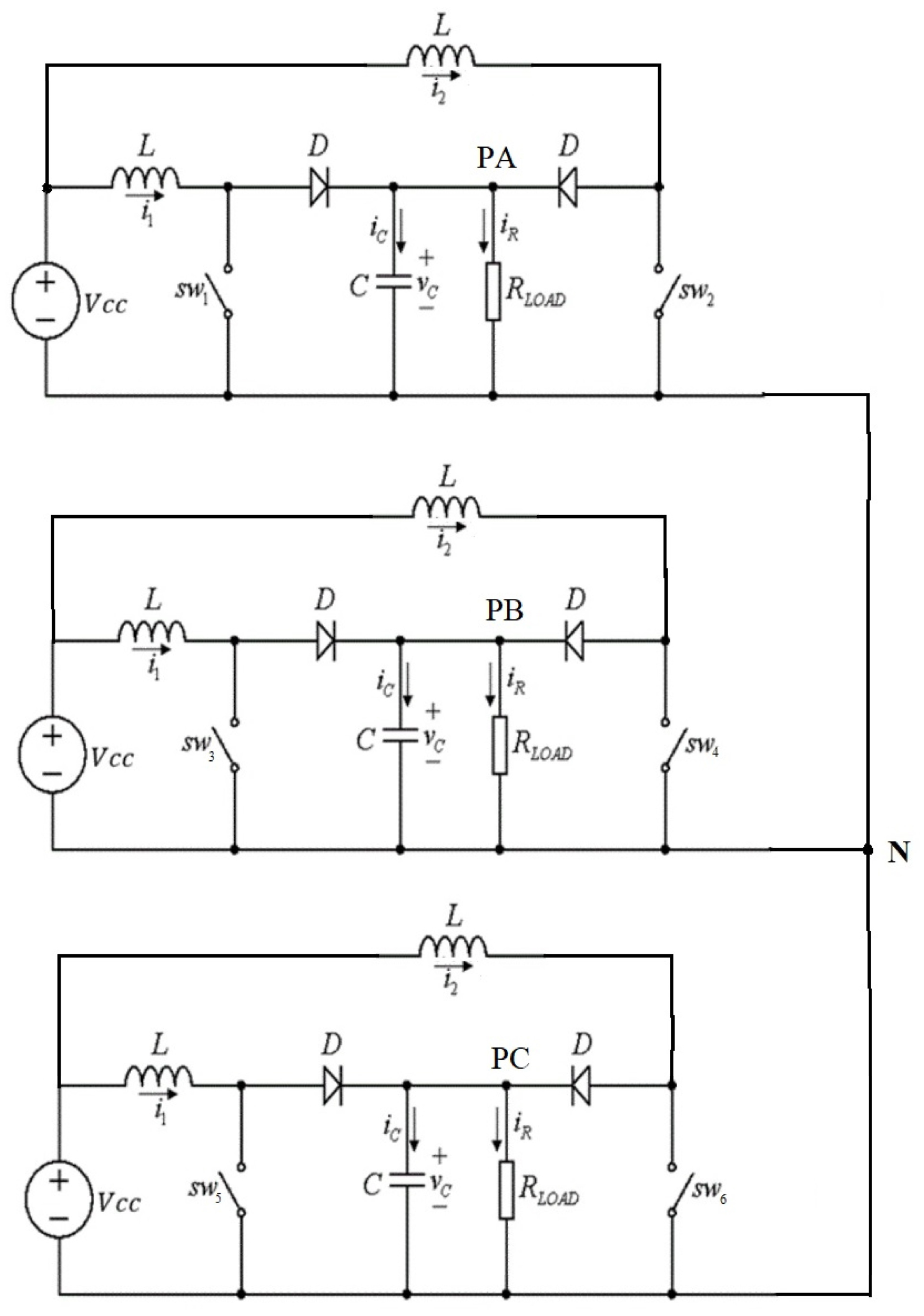
2.2. Model Description
3. Main Result
4. Simulation Results
4.1. Single Phase Exact Sinusoidal Tracking
4.2. Tri-Phase Exact Sinusoidal Tracking
5. Conclusions
Author Contributions
Funding
Data Availability Statement
Conflicts of Interest
References
- Fossas-Colet, E.; Olm-Miras, J.M. Asymptotic Tracking in DC-DC Nonlinear Power Converters. Discret. Contin. Dyn. Syst. Ser. B 2002, 2, 295–307. [Google Scholar] [CrossRef]
- Obregón-Pulido, G.; Solis-Perales, G.; Meda-Campaña, J.A.; Vega-Gómez, G.A.; Ruiz-Velázquez, E. Energy Considerations for Tracking in DC to DC Power Converters. Math. Probl. Eng. 2019, 2019, 1098243. [Google Scholar] [CrossRef]
- Obregón-Pulido, G.; Nuño, E.; Castañeda, K.; De-Gyves, A. An Adaptive Control to Perform Tracking in Dc to DC Power Converters. In Proceedings of the 7th Conference on Electrical Engineering, Computing Science and Automatic Control, Tuxtla Gutierrez, Mexico, 8–10 September 2010; pp. 188–191. [Google Scholar]
- Cordero, R.; Estrabis, T.; Gentil, G.; Caramalac, M.; Suemitsu, W.; Onofre, J.; Brito, M.; dos Santos, J. Tracking and Rejection of Biased Sinusoidal Signals Using Generalized Predictive Controller. Energies 2022, 15, 5664. [Google Scholar] [CrossRef]
- Caceres, R.O.; Barbi, I. A Boost DC-AC converter: Analysis, design and experimentation. IEEE Trans. Power Electron. 1999, 14, 134–141. [Google Scholar] [CrossRef]
- Olm, J.M.; Ros, X.; Shtessel, Y.B. A Stable inversion-based robust tracking control in DC-DC nonlinear switched converters. In Proceedings of the 48th IEEE Conference on Decision and Control and 28 Chinese Control Conference, Shanghai, China, 15–18 December 2009; pp. 2789–2794. [Google Scholar]
- Fossas, E.; Olm, J.M.; Zinober, A.S.I. Robust Tracking Control of DC-to-DC Nonlinear Power Converters. In Proceedings of the 2004 43rd IEEE Conference on Decision and Control (CDC) (IEEE Cat. No.04CH37601), Nassau, Bahamas, 14–17 December 2004; pp. 5291–5296. [Google Scholar]
- Ghorbani, M.J.; Mokhtari, H. Impact of Harmonics on Power Quality and Losses in Power Distribution Systems. Int. J. Electr. Comput. Eng. 2015, 5, 166–174. [Google Scholar] [CrossRef]
- Harrison, A. The Effects of Harmonics on Power Quality and Energy Efficiency; Technological University Dublin: Dublin, Ireland, 2010. [Google Scholar]
- Singh, R.; Singh, A. Energy loss due to harmonics in residential campus—A case study. In Proceedings of the 45th International Universities Power Engineering Conference UPEC2010, Cardiff, UK, 31 August–3 September 2010; pp. 1–6. [Google Scholar]
- Sira-Ramirez, H. Sliding Motions in Bilinear Switched Networks. IEEE Trans. Circ. and Syst. 1987, 34, 919–933. [Google Scholar] [CrossRef]
- Sarwar, A.; Shahid, A.; Hudaif, A.; Gupta, U.; Wahab, M. Generalized State Space Model for a n-Phase Interleaved Buck-Boost Converter. In Proceedings of the 4th IEEE Utar Pradesh Section International Conference of Electrical, Computer and Electronics (UPCON) GLA University, Mathura, India, 26–28 October 2017; pp. 62–67. [Google Scholar]
- Anaya-Ruiz, G.A.; Robles, D.R.; Caballero, L.E.U.; Moreno-Goytia, E.L. Design and prototyping of transformerless DC-DC converter with high voltage ratio for MVDC applications. IEEE Lat. Am. Trans. 2023, 1, 62–70. [Google Scholar] [CrossRef]
- Hasanpour, S.; Siwakoti, Y.P.; Blaabjerg, F. A New High Efficiency High Step-Up DC/DC Converter for Renewable Energy Applications. IEEE Trans. Ind. Electron. 2023, 70, 1489–1500. [Google Scholar] [CrossRef]
- AW, N.H.; Siraj, S.F.; Ab Muin, M.Z. Modeling of DC-DC converter for solar energy system applications. In Proceedings of the 2012 IEEE Symposium on Computers & Informatics (ISCI), Penang, Malaysia, 18–20 March 2012. [Google Scholar]
- Guru Kumar, G.; Sundaramoorthy, K.; Athikkal, S.; Karthikeyan, V. Dual input superBoost DC–DC converter for solar powered electric vehicle. IET Power Electron. 2019, 12, 2276–2284. [Google Scholar] [CrossRef]
- Keong, N.P. Small Signal Modeling of DC-DC Power Converters Based on Separation of Variables. Master’s Thesis, University of Kentucky, Lexington, KT, USA, 2003. [Google Scholar]
- Reddy, M.S.K.; Kalyani, C.; Uthra, M.; Elangovan, D. A Small Signal Analysis of DC-DC Boost Converter. J. Sci. Technol. 2015, 8, 1–6. [Google Scholar] [CrossRef]
- Ayachit, A.; Kazimierczuk, M.K. Averaged Small-Signal Model of PWM DC-DC Converters in CCM Including Switching Power Loss. IEEE Trans. Circuits Syst. Ii Express Briefs 2019, 66, 262–266. [Google Scholar] [CrossRef]
- Khalil, H.K. Nonlinear Systems, 3rd ed.; Prentice Hall: Upper Saddlfre River, NJ, USA, 2002. [Google Scholar]
- Elkhateb, A.; Rahim, N.A.; Selvaraj, J. Cascaded DC-DC Converters as a Battery Charger and Maximum Power Point Tracker for PV Systems. In Proceedings of the 2013 International Renewable and Sustainable Energy Conference (IRSEC), Ouarzazate, Morocco, 7–9 March 2013. [Google Scholar]














Disclaimer/Publisher’s Note: The statements, opinions and data contained in all publications are solely those of the individual author(s) and contributor(s) and not of MDPI and/or the editor(s). MDPI and/or the editor(s) disclaim responsibility for any injury to people or property resulting from any ideas, methods, instructions or products referred to in the content. |
© 2024 by the authors. Licensee MDPI, Basel, Switzerland. This article is an open access article distributed under the terms and conditions of the Creative Commons Attribution (CC BY) license (https://creativecommons.org/licenses/by/4.0/).
Share and Cite
Obregón-Pulido, G.; Solís-Perales, G.; Meda-Campaña, J.A.; Munguia, R. Exact Sinusoidal Signal Tracking on a Modified Topology of Boost and Buck-Boost Converters. Electronics 2024, 13, 793. https://doi.org/10.3390/electronics13040793
Obregón-Pulido G, Solís-Perales G, Meda-Campaña JA, Munguia R. Exact Sinusoidal Signal Tracking on a Modified Topology of Boost and Buck-Boost Converters. Electronics. 2024; 13(4):793. https://doi.org/10.3390/electronics13040793
Chicago/Turabian StyleObregón-Pulido, Guillermo, Gualberto Solís-Perales, Jesús A. Meda-Campaña, and Rodrigo Munguia. 2024. "Exact Sinusoidal Signal Tracking on a Modified Topology of Boost and Buck-Boost Converters" Electronics 13, no. 4: 793. https://doi.org/10.3390/electronics13040793
APA StyleObregón-Pulido, G., Solís-Perales, G., Meda-Campaña, J. A., & Munguia, R. (2024). Exact Sinusoidal Signal Tracking on a Modified Topology of Boost and Buck-Boost Converters. Electronics, 13(4), 793. https://doi.org/10.3390/electronics13040793

