Abstract
The active power-phase angle droop control avoids the frequency deviation problem caused by taking the frequency as the droop variable. However, the active power output of distributed generations (DGs) can only be allocated by adjusting the droop coefficient, and the reference value of active power output cannot be set arbitrarily. In this paper, a phase angle correction module attached to the active power-phase angle droop control is proposed. This correction module is based on the real-time data of the voltage and phase angle of the node at the generation end and the transmission end of the grid, and directly changes the phase angle reference value of the active power-phase angle droop control output. The correction can make the phase angle reference value reach the phase angle value corresponding to the active power reference value without changing the actual characteristics of the droop control, so as to adjust the active power output of the converter to reach the active power reference value. Finally, the feasibility of the correction method in different cases is verified by Matlab 23.2.0.2365128 (R2023b)/Simulink simulation.
1. Introduction
With the large-scale popularization of Distributed Energy Resources (DERs), the power system has gradually changed from an older power system dominated by traditional synchronous generators to a newer power system with a high proportion of renewable energy and a high proportion of power electronic equipment (“double high”) [1]. However, getting large-scale access of wind power, photovoltaic (PV), and other DERs dominated by power electronic control to the power system has caused problems such as low inertia, weak stability, weak disturbance immunity, and output randomness, which all seriously affect the system frequency and cause many problems [2]. In addition, different from traditional power plants, wind power generation is affected by wind speed, air density, and other factors, and solar power generation is affected by light intensity, day and night changes, and other factors. DERs have volatility, randomness, and intermittency [3]. In order to cope with the unstable operation problem caused by DERs, the converter has had to change from a “Grid-following” control to a “Grid-forming” control [4]. Accordingly, the DER cluster has become one of the important supporting technologies of the new power system.
The challenges brought on by the high randomness of the DERs mentioned above become even more critical under islanded operations, where the system lacks the support of a large grid and is more susceptible to frequency deviations and stability problems. Aiming at the problem of high randomness of DERs, the concept of a wind farm cluster was first proposed by the Fraunhofer IWES Institute in Germany [5]. The literature of [6] has underscored that clustering enables wind farms to emulate the operational characteristics of conventional power supplies, thereby providing more stable and predictable outputs. By partitioning DERs into clusters, it becomes possible to devise coordinated control strategies tailored to the unique operational characteristics of each cluster. Such strategies not only mitigate the inherent volatility and intermittency of DERs but also enhance their compatibility with grid integration [7]. In the context of islanded control, these clustering strategies assume particular importance. They play a pivotal role in maintaining system stability in the absence of support from the main grid, ensuring a reliable power supply while addressing the challenges posed by DERs in islanded operations.
In islanding mode, the control of DER clusters typically employs droop control or Virtual Synchronous Generator (VSG) control strategies, which are based on the relationship between active power and frequency, mimicking the behavior of analog generators under islanded operations [8]. The literature of [9] has introduced a Bandwise Power-Synchronization Loop (BPSL) to enhance the frequency response of grid-forming converters, providing sufficient damping to mitigate power and frequency oscillations during large disturbances. However, because frequency is used as the droop variable, the active power-frequency droop control inherently suffers from frequency deviation issues [10]. Additionally, in distributed energy microgrids, imbalances between power supply and demand across different time scenarios exacerbate frequency fluctuations, significantly degrading the power quality of PV-based microgrids [11]. To address these challenges, the literature of [12] has proposed a simplified digital logic-based approach that effectively compensates for the dead zone in HB converters. The literature of [13] has proposed a fault-tolerant control (FTC) technique that enhances power quality in CHBMC systems by maintaining DC voltage balance and reducing grid current harmonics. While these methods do enhance power quality from the perspective of converter performance, they do not fundamentally alter the reliance of grid-forming control on frequency as the primary control variable, leaving the core limitations unaddressed.
Furthermore, to address the limitations of grid-forming control for DERs in islanding mode—particularly the reliance on frequency as the droop control variable—the literature of [14] has proposed an active power-phase angle droop control method. By eliminating frequency as the droop variable, this approach enables the system frequency to be maintained at its rated value in steady-state conditions. However, a significant drawback of this method lies in its inability to allocate power accurately according to the droop coefficient, owing to discrepancies in line impedance. To overcome this issue, the literature of [15] has introduced an active power compensation control method based on micro-synchronous phasor measurement. This approach ensures that the active power output of all distributed generators (DGs) is accurately allocated in accordance with their respective droop coefficients. However, this method restricts the active power output of each DG to its droop coefficient, which limits its ability to adapt to the high randomness of DERs. Consequently, it leads to phenomena such as “wind curtailment” and “solar curtailment”, undermining the full utilization of renewable energy resources.
In summary, classical droop control and other grid-forming control strategies based on the active power-frequency droop control model inherently suffer from frequency deviation. In islanded systems, the absence of large power grid support exacerbates this issue, leading to significant frequency deviations or even frequency collapse under frequent load changes. Although droop control based on the relationship between active power and phase angle can maintain system frequency at the rated value, it imposes a strict limitation: the active power output of each DG is constrained by the droop coefficient, preventing flexibility in setting arbitrary reference values for active power output. This constraint significantly limits the adaptability of the control strategy to dynamic operating conditions.
To overcome the limitations of the droop coefficient on active power distribution in individual DGs, this paper proposes a novel grid-forming cluster control method for DERs leveraging Phasor Measurement Unit (PMU) technology. PMUs using Global Positioning System (GPS) signals, enable precise time synchronization across all measurement nodes in the power system for real-time monitoring [16,17]. By converting phasor measurements into time-referenced coordinates, PMUs facilitate direct phase angle measurements and wide-area data acquisition, ensuring accurate real-time monitoring and processing [18,19]. With a timing error under 1 µs achieved through IRIG-B DC coding, GPS time signals provide exceptional synchronization accuracy, widely used in power systems [20,21,22]. These technological advancements underpin the proposed grid-forming cluster method for DERs. The main contributions of this paper are as follows:
- (1)
- This paper proposes a hierarchical control architecture for DER clusters. The upper layer comprises a phase angle correction control module, which collectively generates phase reference values for the lower layer. The lower layer implements the active power-phase angle droop-based grid-forming control, ensuring effective and stable operation of the DER clusters.
- (2)
- The upper layer incorporates an additional phase angle correction control strategy that utilizes the real-time monitoring capabilities of PMUs to track the phase angles of individual nodes. This strategy dynamically calculates the phase angle correction values required to support grid-forming control in the lower layer.
- (3)
- The lower layer continuously receives the phase angle correction values and integrates them with its phase angle set points to generate a composite reference value, which is subsequently utilized for grid-forming control. Notably, the additional phase angle correction control strategy preserves the classical active power-phase angle droop control coefficient, ensuring that the inherent characteristics of droop control remain unchanged. This approach facilitates the flexible active power output of each DG.
2. System Description
Figure 1 shows the hierarchical architecture for the regulation of a PMU-based DER cluster composed of PV energy storage units. The PMU, located in the grid dispatch center, monitors the data of each node in the power grid in real time. The optimal cluster control calculates the optimal output reference value of the cluster and transmits it to the phase angle correction module of active power output. The phase angle correction module obtains the phase angle correction reference value and transmits it to DERs for dispatching response, so as to realize the cluster cooperative control of the regional power grid, reduce the phenomena of “wind abandoning” and “light abandoning”, and ensure the frequency support of the DER power system. The PV energy storage units are transformed into AC power through DC–AC converters and connected to the microgrid system. The PMUs monitor the RMS values of the DC–AC voltage measurement signals and , the voltage phase angles and , the RMS value , and the voltage phase angle of the load side AC voltage in real time. The cluster cooperative control system monitors the data information of the PV energy storage electric field in real time through PMUs, and outputs the reference values and of the active power that the PV energy storage power generation needs to undertake by the cluster optimal control. Phase angle correction control of active power output (see Section 3 for the specific control principle) obtains phase angle correction reference values and of the active power-phase angle droop control according to the reference values given by the cluster optimal control. Then, it is sent by the power grid dispatch center to the converter of the PV energy storage generation units. The DGs adjust the active power output according to the instruction to make them reach the ideal value designed by the cluster optimal control to ensure power quality.
Figure 1.
The hierarchical architecture for the regulation of a PMU-based DER cluster.
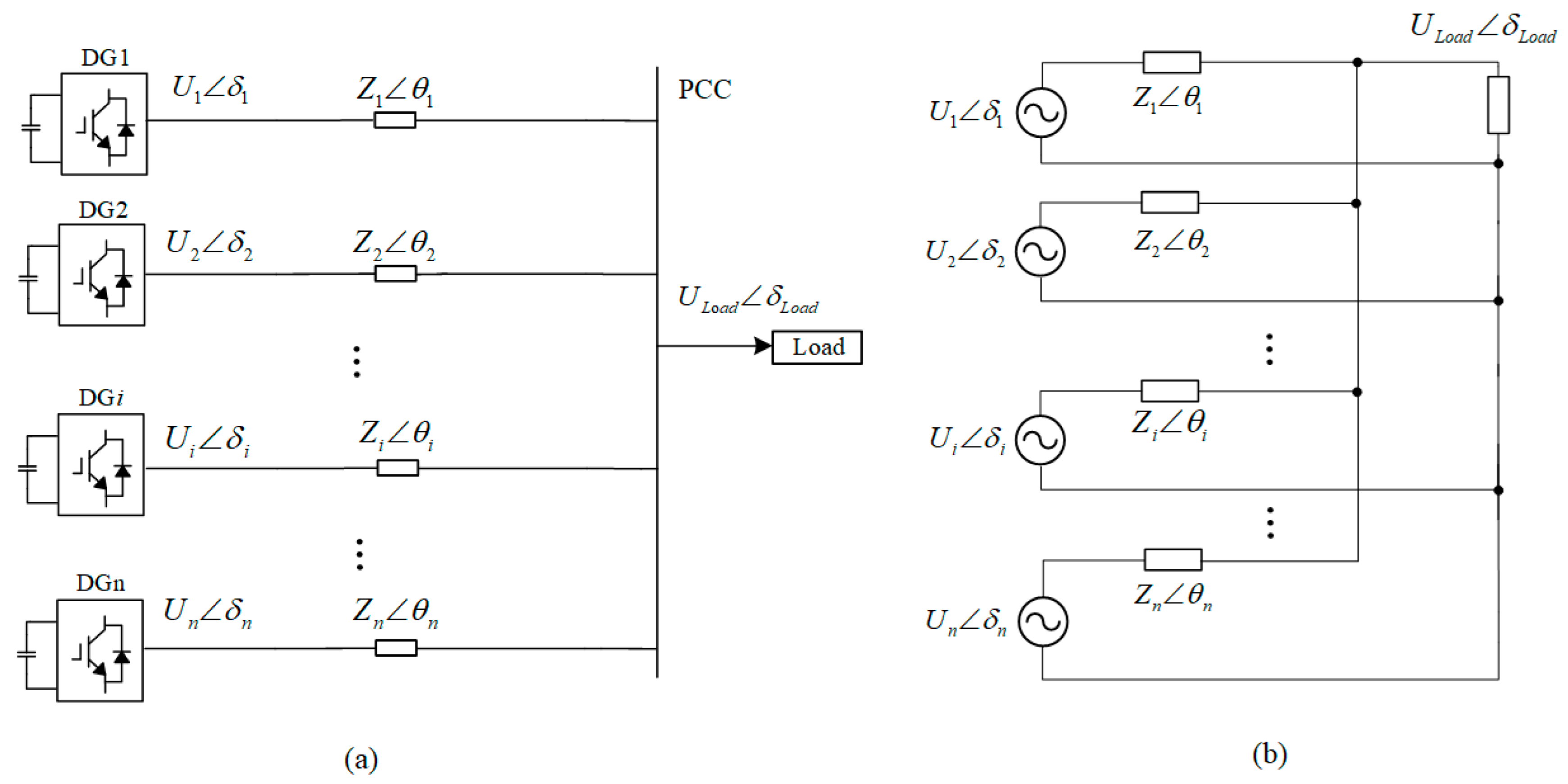
Figure 2a shows the circuit of a multiple DG parallel system of a microgrid system, and Figure 2b shows the equivalent circuit diagram of a multiple DG parallel system.
Figure 2.
(a) Circuit of a multiple DG parallel system of a microgrid system. (b) Equivalent circuit diagram of a multiple DG parallel system.
Shown above are circuits where represents the equivalent internal Electromotive Force (EMF) vector of the converter; is the effective value of the equivalent internal EMF; is the phase angle of the equivalent internal EMF; is the voltage vector at the PCC (Point of Common Coupling) of the AC bus, which can also be referred to as the load voltage vector; is the effective value of the load voltage; and is the phase angle of the load voltage. The power angle is defined as the angle between the equivalent internal EMF and the AC bus voltage , which is . The is the equivalent impedance phasor before the output of the bridge arm of the grid-side converter to the load side, which is the sum of the equivalent output impedance of the converter and the actual line impedance. The load current is the sum of the output currents from each converter, which is expressed as .
The active power and output from each DGi is:
Let , where is the equivalent resistance, and is the equivalent reactance; both are put into Equation (1) to obtain:
When the equivalent impedance and the converter power angle are small: , , Equation (2) can be simplified as follows:
3. Phase Angle Correction Control Strategy
3.1. Traditional Active Power-Phase Angle Droop Control
It can be seen from Equation (3) that when the equivalent impedance is inductive, the active power output of the DGi is a linear function of the power angle of the converter (droop characteristic). According to this, the control method based on droop characteristic can be designed. The equation of the active power-phase angle droop control is:
where is the reference value of the voltage phase angle of each DGi at no load; is the reference value of the voltage phase angle of each DGi; and is the active power droop coefficient of each DGi. The droop control calculates and gives the corresponding phase angle reference value instruction by detecting the current active power output Pi of each DGi.
Due to the influence of line impedance, the traditional active power-phase angle control cannot be accurately allocated according to the droop coefficient. In multi-machine systems, the power of DGs is allocated according to the relationship shown in Equation (5) [15]:
In the context of multi-machine systems, , , , and respectively represent the active power, output voltage, line impedance, and droop coefficient of the DGj.
Addressing the issue of active power not being precisely allocated according to the droop coefficients, the literature of [15] has proposed the design of appropriate active power compensation control methods to achieve accurate active power distribution.
In Equation (6), denotes the phase angle of the common bus voltage, and and are the proportional and integral coefficients of the PI controller within the DGi, respectively. When the active power output of the DGi exceeds the desired active power output, as indicated by Equation (4), the phase angle reference value is smaller, leading to a smaller actual phase angle reference value output by the PI controller. Consequently, this results in a reduction of the active power output from the DGi. The same logic applies when the active power output of the DGi is less than the desired output. Ultimately, under the regulation of the PI controller, the actual phase angle reference value in a steady state can be made equal to the phase angle of the common bus voltage, satisfying the condition:
Thus, according to Equation (4), the active power output of each DG can be precisely allocated based on its droop coefficient, satisfying the condition:
However, in the aforementioned active power compensation control method, the distribution of active power output among various DGs is still limited by their respective droop coefficients, preventing arbitrary allocation of active power among DGs. To address this limitation, this study has designed a phase angle correction module. By adjusting the output phase angle reference values, the arbitrary allocation of active power among DGs is enabled, no longer being constrained by the relationship between the droop coefficients of the DGs.
3.2. Phase Angle Correction Module (Attached to the Traditional Active Power-Phase Angle Droop Control)
From Equation (3) , it can be seen that the active power of the current output of each DGi is related to the effective value of the output voltage RMS value and the voltage phase angle of the converter, the effective value of the voltage and the voltage phase angle at the load side, and the line reactance . If the power grid dispatch center assigns a new active power output to the DGi, then, to achieve this new common power reference value , the corresponding active power-phase angle control should output a phase angle reference value of , as shown in Equation (5):
Figure 3 shows the phase angle correction module, where if is the effective value of the converter output voltage RMS value measured by PMUs, is the effective value of the load side voltage RMS value measured by PMUs, and is the phase angle of the load side voltage measured by PMUs, then, Equation (5) should be changed to:
Figure 3.
Phase angle correction module.
If PMUs have communication problems, relevant methods can be used to ensure the availability of communication and the above measurements. The literature of [23] has proposed an integral data rectification strategy for the multi-area power systems to solve the problems of PMU latency, data loss, and signal noise. And, the literature of [24], for the first time, has proposed a security mechanism based on KDS for IEEE C37.118.2 PMU data communication. After calculation by Equation (6), the phase angle correction reference value output by the phase angle correction module is , which is the difference between the new phase angle reference value and the original phase angle reference value in the new state of the system after having changed the active power reference value .
The representation in the form of a flow chart is shown in Figure 4.
Figure 4.
Phase angle correction control flow chart.
Figure 5 shows the principle of phase angle correction control.
Figure 5.
Active power-phase angle droop control with additional phase angle correction module.
After calculating and outputting the phase angle reference value according to Equation (4), the phase angle correction reference value corresponding to the active power reference value is , which is added to obtain the final phase angle reference value output by the additional phase angle correction module of the active power-phase angle droop control.
The difference between and the converter voltage power angle is made, and the output filter capacitor voltage angle is sent to the next control link through the PI controller.
3.3. Overall Control Strategy
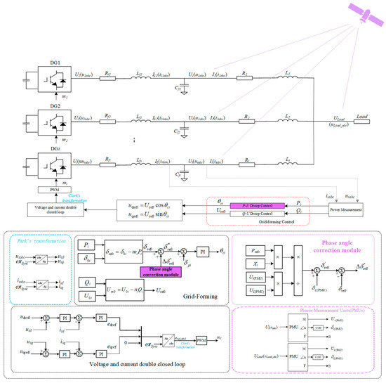
The grid-forming control strategy of a distributed generation converter with a phase angle correction control is shown in Figure 6.
Figure 6.
Grid-forming control strategy with phase angle correction control.
Shown below is a control strategy where , , and are the filter resistance, filter capacitance, and filter inductance of the filter circuit of the ith converter, and and are the line resistance and line inductance of the transmission line of the ith generator set, respectively. Moreover, is the voltage vector, is the current vector of the converter output, and is the voltage vector of the load terminal. The RMS values and phase angles are measured by the PMUs, which are , , , and . The PMUs obtain the uniform as the angle input of Park’s transformation by synchronizing the time with GPS satellites. Furthermore, and are obtained by Pike’s transformation to get , , , and , respectively. In addition, is the no-load voltage of each DGi, is the voltage reference value of each DGi, and is the reactive power droop coefficient of each DGi.
After the measured and , the actual active power Pi and the reactive power Qi of the DGi are obtained through the power measurement module. The Pi and Qi are used as inputs for the active power-phase angle droop control and the reactive power-voltage droop control, respectively. is the active power output instruction sent by the upper dispatch center to the DGi. After the active power-phase angle droop control and phase angle correction control, the phase angle information θci is output. The reactive power-voltage droop control outputs the voltage amplitude reference Urefi.
Through the voltage amplitude reference Urefi and the phase angle θci, the reference value of the dq-axis of the rotating coordinate system can be obtained directly, as shown in Equation (13):
Both and input to the voltage and current double closed-loop control. The voltage reference value of the voltage and current control loop output is used to generate the PWM modulation signal mi and input it to the converter gate regulation. Each converter generates a dq rotation phase angle by the 1PPS second pulse of a GPS satellite timing signal, so that the output current frequency of the converter is fixed at the rated frequency. Since the synchronization signal comes from the phase angle reference information generated by the GPS satellite synchronization service, the system frequency always maintains the rated frequency, and it does not need to use the PLL for synchronization.
4. Simulation Verification
4.1. Verification of the Accuracy of the Equation for the Active Power Output of the Converter
In order to verify the accuracy of Equation (3) for the active power output of the converter, a single active power-phase angle droop control model was built in Matlab/Simulink, and the experimental parameters are shown in Table 1.
Table 1.
Simulation parameters of the Experiment 1 system.
The load power setting value is 50 kW and the experimental results are shown in Figure 7.
Figure 7.
DG1 output power.
The green line is the active power output of the converter measured according to the Power Measurement module in Matlab/Simulink.
The blue line is the amplitude and phase angle of the positive sequence component of the phase voltage and phase current of the converter output measured by the PMU module in the Matlab/Simulink system, which is converted to the line voltage RMS and radians, and the active power output of the converter is measured according to Equation (14).
The red line is the active power output of the converter, which is measured based on the amplitude and phase angle of the positive sequence component of the phase voltage output from the converter (as measured by the PMU module in the Matlab/Simulink system) as well as on the amplitude and phase angle of the positive sequence component of the phase voltage output on the load side. This active power output measurement is then converted to the RMS value of the line voltage and radians, as shown in Equation (15):
From Figure 7, it can be seen that the three waveform curves have a high degree of overlap and, basically, completely overlap when they enter the steady state at 1.5 s. This proves that the PMU-based active output equation of the converter has a high degree of accuracy, and the method can be used for the simulation verification of the subsequent experiments.
4.2. Control Verification of Active Output Phase Angle Correction Module
In order to verify whether the effect of the phase angle correction control module on multiple active power-phase angle droop control microgrids operating in parallel with the phase angle correction module can make the output power of each DGi reach the set available reference value , a simulation model of the system, as shown in Figure 8, is constructed in Matlab/Simulink, and the system parameters are shown in Table 2.
Figure 8.
Experimental waveforms for Case I, Case II, and Case III.
Table 2.
Parameters for the simulation of the Experiment 2 system.
In the experiment, a total of four DGs are operated in parallel microgrids, and all four DGs are added with phase angle correction control modules with a load power of 60 kW.
- (1)
- Case I: Active power-phase angle droop factor of 2:1:2:1.
- (2)
- Case II: Active power-phase angle droop factor of 1:2:3:4.
- (3)
- Case III: Active power-phase angle droop factor of 3:2:3:2.
The parameters of Case I, Case II and Case III are set as shown in Table 3, Table 4 and Table 5. Figure 8 shows the waveforms of the converter output power before and after adding the phase angle correction module for three different cases (Case I, Case II and Case III), in which Figure 8a1–a3 are the active power output of the converter without adding the phase angle correction module. Figure 8b1–b3 are the waveforms of the active power output of the converter with the addition of the phase angle correction module in the system at the time of simulation of 2.5 s. Figure 8c1–c3 are the waveforms of the angle output of the phase angle correction module.
Table 3.
Case I: Active power droop factor.
Table 4.
Case II: Active power droop factor.
Table 5.
Case III: Active power droop factor.
By comparing the waveform diagrams of Case I, Case II, and Case III, it can be seen that when the phase angle correction control module is not added to the control part of the converter, the active power-phase angle droop control performs power allocation roughly according to the ratio of the active droop coefficient mi.
In Case I, the active droop coefficients for DG1, DG2, DG3, and DG4 are 2 × 10−5, 1 × 10−5, 2 × 10−5, and 1 × 10−5, respectively. Figure 8a1 shows that under a total load of 60 kW, the steady-state power for DG1 is 10 kW, DG2 is 20 kW, DG3 is 10 kW, and DG4 is 20 kW, with the power ratio among them satisfying .
In Case II, the active droop coefficients for DG1, DG2, DG3, and DG4 are 1 × 10−5, 2 × 10−5, 3 × 10−5, and 4 × 10−5, respectively. Figure 8a2 indicates that under a total load of 60 kW, the steady-state power for DG1 is 28.8 kW, DG2 is 14.4 kW, DG3 is 9.6 kW, and DG4 is 7.2 kW, with the power ratio among them satisfying .
In Case III, the active droop coefficients for DG1, DG2, DG3, and DG4 are 3 × 10−5, 2 × 10−5, 3 × 10−5, and 2 × 10−5, respectively. Figure 8a3 demonstrates that under a total load of 60 kW, the steady-state power for DG1 is 12 kW, DG2 is 18 kW, DG3 is 12 kW, and DG4 is 18 kW, with the power ratio among them satisfying .
As depicted in Figure 8b1–b3, subsequent to the integration of the phase angle correction module, the steady-state power outputs of DG1, DG2, DG3, and DG4 in Case I are reconfigured to the prescribed flexible power outputs of 13 kW, 23 kW, 7 kW, and 17 kW, respectively; in Case II, the steady-state power outputs are readjusted to 20 kW, 20 kW, 10 kW, and 10 kW, respectively; and in Case III, they are reassigned to 10 kW, 15 kW, 15 kW, and 20 kW, respectively. This transformation elucidates that, after the incorporation of the phase angle correction module, the power output of each DGi attains the designated active reference power value following a transient period post-oscillation decay, without modifying the mi of the active power droop coefficient. The interrelation of the steady-state powers among DG1, DG2, DG3, and DG4 evolves from the initial adherence of to the prescribed flexible power outputs. Concurrently, the phase angle correction reference value emitted by the phase angle correction module stabilizes at a constant value subsequent to the decay of oscillations. The simulation substantiates the viability of the phase angle correction control strategy.
- (4)
- Case IV: Active power-phase angle droop factor of 1:1:1:1.
- (5)
- Case V: Active power-phase angle droop factor of 5:4:3:1.
The parameters of Case IV and Case V are set as shown in Table 6 and Table 7. Figure 9 shows two groups (Case IV and Case V) of control simulation experiments with different active power-phase angle droop coefficients and the same active power reference value . Both groups of experiments add the phase angle correction control module at 2.5 s. Through comparison, it can be observed that, similar to the analysis of Case I, Case II, and Case III mentioned earlier, before the introduction of the phase angle correction control module, each DG allocates power according to its inherent active droop coefficient mi. Consequently, in Case IV, the steady-state output powers of DG1, DG2, DG3, and DG4 are all equated to 15 kW. Similarly, in Case V, the steady-state output powers of DG1, DG2, DG3, and DG4 are 9.35 kW, 11.69 kW, 15.58 kW, 23.38 kW, respectively. Thereby, both in Case IV and Case V, the steady-state output powers of DG1, DG2, DG3, and DG4 fulfill the criteria specified by . After the phase angle correction control module is introduced at 2.5 s, there is a period of oscillation before the system enters a steady state, where each DG then allocates power according to the set active power reference values. In Case IV, the steady-state output powers of DG1, DG2, DG3, and DG4 have been reconfigured to the prescribed values of 15 kW, 15 kW, 10 kW, and 20 kW, respectively. Similarly, in Case V, the steady-state output powers of DG1, DG2, DG3, and DG4 have been reconfigured to the prescribed values of 10 kW, 15 kW, 15 kW, and 20 kW, respectively. It can be seen that even if the active power droop coefficients are different at the beginning, as long as the active reference value is the same, the phase angle correction control can finally make the active power output of the converter reach the set reference value. When the difference between the actual power output and the power reference value is large, the oscillation attenuation link takes a longer time, and the oscillation amplitude is larger; when the difference between the actual power output and the power reference value is small, the oscillation attenuation link takes a shorter time, and the oscillation amplitude is smaller.
Table 6.
Case IV: Active power droop factor.
Table 7.
Case V: Active power droop factor.
Figure 9.
Experimental waveforms for Cases IV and V.
- (6)
- Case VI: Active power-phase angle droop factor of 1:1:1:1; all four DGs added to the phase angle correction control module.
- (7)
- Case VII: Active power-phase angle droop factor of 1:1:1:1; all four DGs added to the phase angle correction control module.
The parameters of Case VI and Case VII are set as shown in Table 8 and Table 9. Figure 10 shows the two groups (Case VI and Case VII) of experiments with the same active power-phase angle droop coefficient and the same active power reference value . In experiment (a), the phase angle correction control was added to DG1, DG2, and DG4, while the phase angle correction control was not added to DG3. In experiment (b), DG1, DG2, and DG3 were added with the phase angle correction control, while DG4 was not. The phase angle correction control module was added at 2.5 s in both groups of experiments. Before the introduction of the phase angle correction control module, each DG allocates power according to its inherent active droop coefficient mi. For Case VI and Case VII, the active power output of each DG is the same. The steady-state output powers of DG1, DG2, DG3, and DG4 are all equated to 15 kW, thereby fulfilling the criteria specified by .
Table 8.
Case VI: Active power droop factor.
Table 9.
Case VII: Active power droop factor.
Figure 10.
Experimental waveforms for Case VI and Case VII.
Following the incorporation of the phase angle correction control strategy, in Case VI, the steady-state output powers of DG1, DG2, and DG4 converge towards the specified active power references, namely 15 kW, 15 kW, and 20 kW, respectively. Conversely, DG3, which does not employ the phase angle correction control, compensates for the residual total power demand, with its steady-state active power output approximating 10 kW. Analogously, in Case VII, the steady-state output powers of DG1, DG2, and DG3 align with the designated active power references, specifically 15 kW, 15 kW, and 10 kW, respectively. DG4, which is not subjected to the phase angle correction control, accounts for the remaining total power, with its steady-state active power output converging to approximately 20 kW. By comparing Case VII with Case IV, it can be seen that if phase angle correction control is added to each DGi in the system, the output active power of each DGi is more accurate and consistent with the active power reference value . If the remaining one does not add phase angle correction control, the output power of the DGi will have an error with the active power reference value , but the oscillation attenuation link will end sooner, and the system will enter the steady-state operation faster.
5. Conclusions
This paper combines the idea of DER cluster control with the ability of PMUs’ real-time monitoring and processing of power system wide-area information and then designs the phase angle correction control module on the basis of the active power-phase angle droop control, which calculates the real-time data of the ideal phase angle directly through the signal of the active reference value issued by the grid dispatch center, and the real-time measurement of the amplitude and angle of the voltage of each node of the system by the PMUs. The phase angle reference value of the droop control output is directly changed, and the active power output of the converter is directly brought to the received power reference value command without changing the droop coefficient; a microgrid model with multiple active power-phase angle droop controls and phase angle correction control grid-forming units operating in parallel is established at the same time. The effectiveness of the proposed method is verified by simulation, and the influencing factors of phase angle correction control are analyzed in different cases.
At present, research on phase angle correction control is still in the initial stage. Further research and experimental verification in larger systems or with more DERs are needed, and any future data should be explored in terms of PMU latency, data loss, or signal noise as well as hardware limitations, control delays, or real-time processing limitations.
Author Contributions
Methodology, S.W. (Shu Wang); formal analysis, F.Y. and J.C.; investigation, J.X. and W.D.; software processing, Y.Z. and C.L.; project administration, R.Z. and S.W. (Shuping Wang); writing—original draft, S.W. (Shu Wang) and F.Y.; writing—review and editing, Z.M., W.P. and L.J. All authors have read and agreed to the published version of the manuscript.
Funding
This research was funded by the Science and Technology Project of Beijing Electric Power Economics and Technology Research Institute Co., Ltd. (Contract No. SGBJJY00SJJS2400074).
Data Availability Statement
Data are included in the article.
Conflicts of Interest
Shu Wang, Fan Yang, Zhizhen Ma, Ran Zhang, Chuhan Li, Shuping Wang, Jing Chen and Li Ju were employed by the company Beijing Electric Power Economics and Technology Research Institute Co., Ltd. The remaining authors declare that the research was conducted in the absence of any commercial or financial relationships that could be construed as a potential conflict of interest.
References
- Yang, P.; Liu, F.; Jiang, Q.; Mao, H. Large-disturbance stability of power systems with high penetration of renewables and inverters: Phenomena, challenges, and perspectives. Qinghua Daxue Xuebao/J. Tsinghua Univ. 2021, 61, 403–414. (In Chinese) [Google Scholar] [CrossRef]
- Rosso, R.; Wang, X.; Liserre, M.; Lu, X.; Engelken, S. Grid-Forming Converters: Control Approaches, Grid-Synchronization, and Future Trends—A Review. IEEE Open J. Ind. Appl. 2021, 2, 93–109. [Google Scholar] [CrossRef]
- Xie, X.; He, J.; Mao, H.; Li, H. New Issues and Classification of Power System Stability with High Shares of Renewables and Power Electronics. Zhongguo Dianji Gongcheng Xuebao/Proc. Chin. Soc. Electr. Eng. 2021, 41, 461–474. [Google Scholar] [CrossRef]
- Liu, P.; Xie, X.; Shair, J. Adaptive Hybrid Grid-Forming and Grid-Following Control of IBRs With Enhanced Small-Signal Stability Under Varying SCRs. IEEE Trans. Power Electron. 2024, 39, 6603–6607. [Google Scholar] [CrossRef]
- Rohig, K.; Schlogl, F.; Jursa, R. Advanced control strategies to integrate German offshore wind potential into electrical energy supply. In Proceedings of the 5th International Workshop on Large-scale Integration of Wind Power and Transmission Systems for Offshore Wind Farms, Glasgow, UK, 7–8 April 2005. [Google Scholar]
- Rohig, K.; Lange, B.; Gesino, A.; Wolff, M. Wind power plant capabilities-operate wind farms like conventional power plants. In Proceedings of the 2009 European Wind Energy Conference, Marseille, France, 16–19 March 2009. [Google Scholar]
- Zeng, H. Research on Cluster Partition Method of Renewable Energy. Master’s Thesis, Sichuan University, Chengdu, China, 2021. (In Chinese). [Google Scholar] [CrossRef]
- Zhan, C.; Wu, H.; Wang, X.; Tian, J.; Wang, X.; Lu, Y. An Overview of Stability Studies of Grid-forming Voltage Source Converters. Zhongguo Dianji Gongcheng Xuebao/Proc. Chin. Soc. Electr. Eng. 2023, 43, 2339–2358. [Google Scholar]
- Jiang, S.; Zhu, Y.; Konstantinou, G. Bandwise Power-Synchronization Loop for Frequency Response Improvement in Grid-Forming Converters. IEEE Trans. Power Electron. 2024, 39, 10693–10698. [Google Scholar] [CrossRef]
- Bidram, A.; Davoudi, A. Hierarchical Structure of Microgrids Control System. IEEE Trans. Smart Grid 1976, 3, 1963–1976. [Google Scholar] [CrossRef]
- Li, F. Research on Frequency Control Problems of Microgrids Containing Photovoltaic Sources. Mater’s Thesis, Liaoning Technical University, Liaoning, China, 2021. [Google Scholar] [CrossRef]
- Lin, H.; Cai, C.; Chen, J.; Gao, Y.; Vazquez, S.; Li, Y. Modulation and Control Independent Dead-Zone Compensation for H-Bridge Converters: A Simplified Digital Logic Scheme. IEEE Trans. Ind. Electron. 2024, 71, 15239–15244. [Google Scholar] [CrossRef]
- Xie, D.; Lin, C.; Deng, Q.; Lin, H.; Cai, C.; Basler, T. Simple Vector Calculation and Constraint-Based Fault-Tolerant Control for a Single-Phase CHBMC. IEEE Trans. Power Electronics 2025, 40, 2028–2041. [Google Scholar] [CrossRef]
- Majumder, R.; Ghosh, A.; Ledwich, G.; Zare, F. Angle droop versus frequency droop in a voltage source converter based autonomous microgrid. In Proceedings of the 2009 IEEE Power & Energy Society General Meeting, Calgary, AB, Canada, 26–30 July 2009; pp. 1–8. [Google Scholar] [CrossRef]
- Xu, Y.; Wang, S.; Wu, X.; Wang, J.; Fang, C. Multi-source Coordinated Control Method Based on PMU for Islanded Distribution Network. Dianwang Jishu/Power Syst. Technol. 2019, 43, 872–878. (In Chinese) [Google Scholar] [CrossRef]
- Bai, Y.; Fang, D.; Hou, Y.; He, X.; Zhu, C. Real-time online monitoring and control system in dispatch center for large-scale wind farms. Dianli Zidonghua Shebei/Electr. Power Autom. Equip. 2010, 30, 6–9. [Google Scholar]
- Gadde, P.H.; Biswal, M.; Brahma, S.; Cao, H. Efficient Compression of PMU Data in WAMS. IEEE Trans. Smart Grid 2016, 7, 2406–2413. [Google Scholar] [CrossRef]
- Carta, A.; Locci, N.; Muscas, C. A PMU for the Measurement of Synchronized Harmonic Phasors in Three-Phase Distribution Networks. IEEE Trans. Instrum. Meas. 2009, 58, 3723–3730. [Google Scholar] [CrossRef]
- Duan, G.; Yan, Y.; Xie, X.; Tao, H.; Yang, D.; Wang, L.; Zhao, K.; Li, J. Development status quo and tendency of wide area phasor measuring technology. Dianli Xitong Zidonghua/Autom. Electr. Power Syst. 2015, 39, 73–80. [Google Scholar] [CrossRef]
- Xu, B.; Xu, H.; Zhao, Y.; Ge, H.; Peng, K.; Zhang, Z. Control Principle and Verification of Constant-frequency Synchronous Current Phasor Based Control Strategy for Islanded Microgrids. Dianli Xitong Zidonghua/Autom. Electr. Power Syst. 2019, 43, 132–138. [Google Scholar] [CrossRef]
- Bi, Y.; Xu, B.; Zhao, Y.; Cai, F.; Lu, M. Seamless Transfer Control Strategy Between Grid-connected and Islanding Operation for Synchronous Fixed-frequency Microgrid. Dianwang Jishu/Power Syst. Technol. 2022, 46, 923–932. [Google Scholar] [CrossRef]
- Xu, B.; Xue, Y.; Li, T.; Gao, H.; Shu, H.; Zhang, Z. A wide area measurement and control system for smart distribution grids and its protection and control applications. Dianli Xitong Zidonghua/Autom. Electr. Power Syst. 2012, 36, 2–9. [Google Scholar]
- Chau, T.K.; Yu, S.; Fernando, T.L.; Iu, H.H.-C.; Small, M.; Reynolds, M. An Adaptive-Phasor Approach to PMU Measurement Rectification for LFOD Enhancement. IEEE Trans. Power Syst. 2019, 34, 3941–3950. [Google Scholar] [CrossRef]
- Hussain, S.M.S.; Farooq, S.M.; Ustun, T.S. A Security Mechanism for IEEE C37.118.2 PMU Communication. IEEE Trans. Ind. Electron. 2022, 69, 1053–1061. [Google Scholar] [CrossRef]
Disclaimer/Publisher’s Note: The statements, opinions and data contained in all publications are solely those of the individual author(s) and contributor(s) and not of MDPI and/or the editor(s). MDPI and/or the editor(s) disclaim responsibility for any injury to people or property resulting from any ideas, methods, instructions or products referred to in the content. |
© 2024 by the authors. Licensee MDPI, Basel, Switzerland. This article is an open access article distributed under the terms and conditions of the Creative Commons Attribution (CC BY) license (https://creativecommons.org/licenses/by/4.0/).









