Next Article in Journal
A Coloring-Based Packet Loss Rate Measurement Scheme on Network Nodes
Previous Article in Journal
Optimal Selection Technology of Business Data Resources for Multi-Value Chain Data Space—Optimizing Future Data Management Methods
 
 
Font Type:
Arial Georgia Verdana
Font Size:
Aa Aa Aa
Line Spacing:
Column Width:
Background:
Article

Measurement Method of Deeply Saturated Excitation Characteristics of Converter Transformer Under AC-DC Hybrid Excitation

1
Electric Power Research Institute of EHV Power Transmission Company, China Southern Power Grid, Co., Ltd., Guangzhou 510663, China
2
State Key Laboratory of Power Transmission Equipment Technology, School of Electrical Engineering, Chongqing University, Chongqing 400044, China
*
Author to whom correspondence should be addressed.
Electronics 2024, 13(23), 4691; https://doi.org/10.3390/electronics13234691
Submission received: 22 October 2024 / Revised: 14 November 2024 / Accepted: 25 November 2024 / Published: 27 November 2024

Abstract

During operation, converter transformers enter a saturation state, leading to phenomena such as magnetising inrush currents. Accurately measuring the excitation characteristic curve of an iron core under deep-saturation conditions is essential for analysing low-frequency transient phenomena in transformers. This paper presents a method for calculating the excitation characteristics of a converter transformer under deep iron core saturation. The method involves establishing an improved T model for the converter transformer and conducting open-circuit experiments in the linear working region to obtain the excitation characteristic curve and knee point parameters. AC-DC hybrid excitation is used to achieve deep saturation, and measurements of saturated inductance at different levels of saturation at the transformer terminals are taken. The mathematical relationship between saturated inductance and magnetic impedance is derived, allowing deduction of the magnetising characteristic curve of the converter transformer under deep-saturation conditions based on measured saturated inductance values. A finite element simulation analysis was performed on a single-phase four-column converter transformer with a capacity of 250 MVA. Additionally, a test platform for toroidal transformers and dry-type transformers has been set up to carry out excitation characteristic measurement and verification. Experimental results demonstrate that errors are maintained within 10% or less, validating this approach’s effectiveness.

1. Introduction

The converter transformer is an indispensable piece of equipment in power systems; its iron core enters a saturation state during operation, resulting in a change in the excitation characteristics of the converter transformer [1,2]. In this case, it is easy to cause inrush current [3,4], ferromagnetic resonance [5,6], direct current bias [7,8], and other phenomena, which, in turn, cause serious accidents, such as relay protection misoperation [9], insulation failure [10], and transformer winding deformation [11], and have an impact on the safe and stable operation of the power system. At present, there are some difficulties in obtaining deep-saturation excitation characteristics in converter transformers, mainly because the experimental conditions involving high flux cannot easily be realised, facing two difficulties: (1) the AC voltage application method requires high power supply capacity, which is difficult to realise in the actual test, and (2) the AC-DC superposition method can obtain the saturation inductance of the transformer, but it fails to establish the relationship between the saturation inductance and its excitation characteristic curve. The U-I curve under the corresponding no-load test is not known. Therefore, in order to ensure the reliable operation of the converter transformer, it is necessary to accurately describe the excitation characteristics of the converter transformer.
Existing equipment for measuring excitation characteristics using the industrial frequency method [12] struggle to meet the test capacity requirements of UHV converter transformers, and the excitation characteristics under deep core saturation are difficult to obtain. The testing of large-capacity converter transformers usually involves greater economic costs, as higher-capacity test equipment and more energy consumption are required, e.g., to perform no-load tests on a 500 kV converter transformer, a generator set of at least about 300 MW is required to reach its rated measurement value, while the measurement of the excitation characteristics is more demanding in terms of voltage, as is the process of the core entering into the deeply saturated region after acquisition of the latter U-I curve. After the core enters the deep-saturation zone, it may require 2 pu, 3 pu, or other voltages to obtain the latter U-I curves. It is not practical to measure the deep-saturation excitation characteristics simply by increasing the AC voltage. It is difficult to simulate actual operating conditions for deep-saturation excitation characterisation with no change in the actual existing supply and load system. To save economic costs, the rated operating point of a converter transformer is usually set close to the knee point [13]. When the voltage rises to 1.1 to 1.2 pu, the core of the transformer will be saturated. At present, the measurement of transformer excitation characteristics mainly relies on the factory test to obtain the voltage and current parameters of the excitation characteristics through the open-circuit test [14], and the maximum value of the measured voltage is generally 1.1 Pu. A higher voltage requires an AC power supply capacity close to or exceeding the capacity of the test transformer, and for the larger-capacity converter transformer, a separate generator set may be required to supply power if it is to reach the saturated operating condition. Therefore, the economic cost of this test method is high, and the high voltage may damage the transformer windings and turn-to-turn insulation [15], making it very difficult to apply this test method on large-capacity transformers.
The excitation inrush current is the transient current after the transformer is energised or the voltage is restored, which is usually much larger than the rated current [16], and the excitation characteristics of the transformer are closely related to the calculation of the excitation inrush current. Some scholars have used transient models [17,18,19,20,21] to simulate and calculate the excitation inrush phenomenon, but there are some problems or limitations in some existing methods of parameter estimation for nonlinear excitation models. Large-capacity transformers that go into deep saturation during actual operation have excitation characteristics that differ significantly from standard or ideal linear models, which leads to large errors in excitation inrush calculations and poses challenges to system stability and equipment protection. In order to reduce the capacity of the test power supply, a DC component can be applied to the transformer windings to change the degree of saturation of the transformer core, thus simulating the transformer operating conditions at higher voltage levels. The literature [22,23] investigated the material properties of ferromagnetic elements under mixed AC and DC excitation and proposed corresponding hysteresis and loss models. The literature [24] states that the rate of change in the magnetic chain can be accurately obtained using the method of sinusoidal voltage with DC bias. Most of the current methods of AC-DC hybrid excitation are applied to the simulation of nonlinear characteristics of ferromagnetic materials or to derive the magnetic chain of a transformer, and these methods fail to establish the relationship between the measured excitation inductance and the deeply saturated excitation characteristic curve. In view of the current economic and technical difficulties in the measurement of deeply saturated excitation characteristics, this paper adopts a method that is easy to implement and accurate in engineering to describe the excitation characteristic curve of converter transformers after saturation. This paper establishes the relationship between the core saturation excitation inductance and the slope of the excitation characteristic curve in the saturated state after the knee voltage of the converter transformer, and proposes a method to accurately measure the deeply saturated excitation characteristic under the excitation of a small-amplitude voltage, which avoids the problem that the saturated state of the converter transformer struggles achieve the required high voltage.

2. Single-Phase Transformer Modelling and Parameter Assignment

2.1. Electromagnetic Transient Model

The physical structure of a converter transformer consists of the core and the windings, and the establishment of a low-frequency transient model for the transformer requires an adequate characterisation of both. A variety of nonlinear transformer models have been proposed in the literature [25,26,27,28], and among these transformer models, the π model, τ model, and T model are the most widely used and can be used for low-frequency transient analysis of transformers. Compared with other models, the physical significance of the T model parameters is more clear, and the model parameters can be obtained more easily through the port test, which can more accurately analyse the low-frequency transients in the linear operating region and the slightly saturated state of the transformer, but the problem lies in the fact that the low-frequency transient analysis of the T model has a large error when the core saturation degree is high, which can be even more than 70% [29]. To address this problem, this paper, on the basis of the existing T model, uses the excitation inductance under different saturation degrees to reflect the deep-saturation characteristics of the core so as to improve the accuracy of the model.

2.2. Model Parameter Assignment

According to the physical structure of the converter transformer, the parameters in the model need to reflect the two parts of the windings and the core; in particular, the saturation characteristics of the core need to be specially represented, i.e., the two parts of the unexcited and excited branches are needed. The winding DC resistance and leakage impedance together form the unexcited branch of the T model: the winding DC resistance is determined according to the actual measured values of the primary and secondary sides. In the T-shaped equivalent circuit of the transformer, although the primary-side leakage inductance and the secondary-side leakage inductance will change with the gradual saturation of the core, the total value of the leakage inductance always tends to a constant value, independent of the degree of saturation, and therefore a constant value can be used to express the leakage impedance of the transformer [30]. The leakage impedance of the transformer can be obtained by a short-circuit test and divided equally between the primary and secondary-side branches of the T model. The conventional T model is derived from the transformer flux distribution. For the equivalent circuit of the T model containing only the inductance, this circuit strictly satisfies the differential equation [31] of the transformer loop in Equation (1):
u 1 = L s 1 d i 1 d t + L m d ( i 1 + i 2 ) d t u 2 = L s 2 d i 2 d t + L m d ( i 1 + i 2 ) d t
u1 and u2 are the primary and secondary port voltages, i1 and i2 are the primary and secondary port currents, Ls1 and Ls2 are the primary and secondary leakage inductances, and Lm is the excitation inductance.
Figure 1 shows the improved T model of a single-phase transformer, where Rd, Rs, and Ls denote the DC resistance, leakage resistance, and leakage inductance of the transformer windings, respectively, which are determined as linear parameters. The nonlinear excitation branch includes the excitation resistance Rm and the nonlinear excitation inductance Lm. The excitation resistance takes into account eddy currents and iron losses, and the value is a constant value calculated at the rated voltage of the fundamental frequency. The nonlinear excitation inductance characterises the saturation characteristics of the core, and the magnitude of the excitation inductance can be determined based on port tests at different saturation levels.

3. Calculation of Excitation Characteristics Based on Saturation Inductance

3.1. AC-DC Hybrid Excitation Design

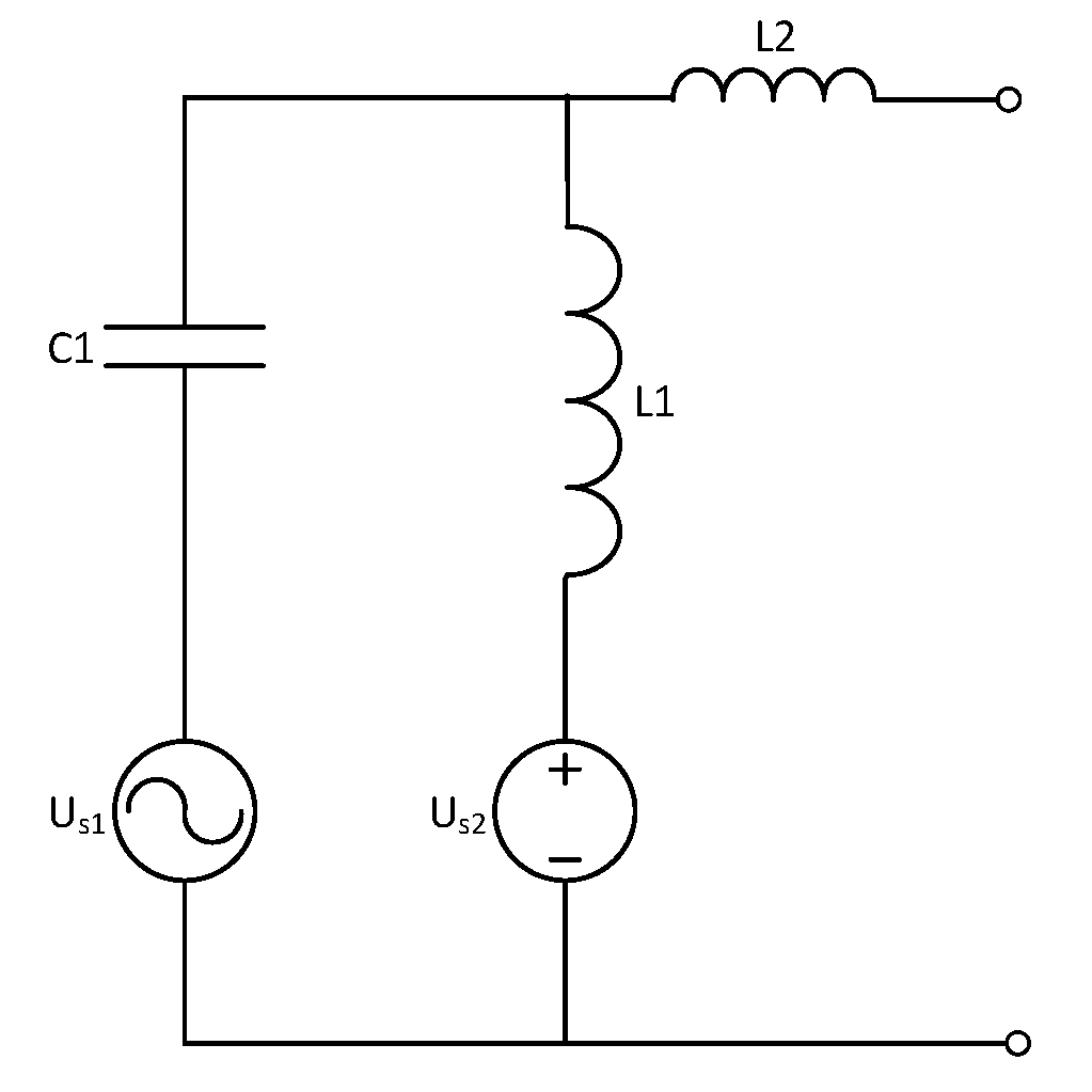
In order to obtain the excitation characteristic curve of the converter transformer saturation state, it is necessary to let the transformer run in different saturation states. The conventional way is to continuously increase the voltage level of the AC power source until the transformer is slightly saturated. However, when attempting to obtain a deep-saturation state with an AC power source voltage level of 1.2 pu or more in large-capacity transformers, it is very difficult to achieve such a high voltage level in the actual test process, requiring great economic costs. Therefore, this paper adopts the AC-superimposed DC excitation source to saturate the converter, measure and calculate the excitation susceptibility of the converter at this time, and derive the slope of the excitation curve under the saturation state based on the saturated excitation susceptibility of the converter, so as to easily achieve an excitation source with a small amplitude and enable the experiments to be run in a steady state, which is easy to operate. Figure 2 shows the coupling circuit diagram of the proposed hybrid excitation source with AC and DC superposition, and the hybrid excitation consists of two parallel branch circuits: branch 1 is composed of a DC power supply and inductor element in series, and branch 2 is composed of an AC power supply and capacitor element in series.
DC excitation causes the magnetic flux inside the transformer core to change so that it enters a state of deep saturation. The AC excitation allows the transformer to operate in that saturated state, thus calculating the winding inductance at that frequency. Due to the capacitive–inductive coupling connection, the DC source and the AC source can act independently on the transformer. The presence of capacitor C1 and inductor L1 in the circuit plays a role in isolation, allowing the AC power source and DC power source to act independently on the transformer windings. When testing small transformers, the winding resistance is small; therefore, you can increase the protection inductance L2. Series protection inductance can limit the rate of rise in the current so as to reduce the peak value of the current in the case of overloaded circuits, protecting the circuits and equipment from damage. Figure 3 shows the excitation source used in the primary measurement of the resulting composite voltage curve.

3.2. Model Parameters and Calculation of Unsaturated Zone Curves

The excitation characteristic curve in the linear operating region of the transformer is tested using a standard open-circuit test.Through the no-load experimental data, its excitation resistance as well as linear zone excitation characteristics are measured. The converter grid side is connected to the AC power supply, and the valve side is connected to a voltmeter instead of an open circuit. Gradually add the voltage from 0 to 1.1 pu, record the voltage and current data on the primary side of the transformer, and obtain the excitation characteristic curve before the knee point working voltage of the transformer.
Figure 4 shows the wiring diagram for (a) short-circuit and (b) no-load tests in the linear operating area of the converter used to obtain voltage and current data and calculate the relevant excitation parameters. The short-circuit experiment is carried out under the rated current of the converter. Under the short-circuit test conditions, the valve side of the transformer is short-circuited, and the voltage excitation is applied on the grid side. Gradually increase the voltage so that the current reaches the rated value, test and record the voltage and current, and calculate to obtain the transformer leakage resistance Rs and leakage inductance Ls.
I r m s = 1 T 0 T i 2 ( t ) d t
Z s = U r m s I r m s
R s = P I r m s 2
L s = Z s 2 R s 2 2 π f
In the formula, Zs represents the leakage impedance, unit Ω; Rs represents the winding resistance, unit Ω; f represents the power supply frequency, with a value of 50 Hz; and Ls represents the leakage inductance, unit H.
Under no-load test conditions, the secondary side is open, the primary-side branch of the T model is connected in series with the excitation branch, and the loss mainly comes from the excitation resistance; the power loss and voltage RMS are measured at the rated voltage, which can be calculated to obtain the excitation resistance Rm:
P = 1 T 0 T U ( t ) i ( t ) d t  
U r m s = 1 T 0 τ U 2 ( t ) d t
R m = U r m s 2 P
In the formula, P is the active power, unit W; T is the power supply period, unit s; U is the port voltage, unit V; i is the current, unit A; Urms is the voltage RMS, unit V; and Rm is the excitation resistance, unit Ω.
Similarly, the no-load voltage was gradually increased from 0 to 1.1 pu, and the voltage–current data were recorded after each adjustment to obtain the excitation characteristic curve in the linear operating region and the knee point parameters.

3.3. Calculation Method of Excitation Characteristic Curve

The previous subsection introduced the method of obtaining the linear zone curve, and this subsection focuses on the calculation of the excitation characteristic curve of the converter transformer after the knee point voltage, i.e., the saturation case.
The excitation characteristic curve in the saturation region of the converter transformer is determined based on the saturation inductance, and it is experimentally found that the excitation inductance decreases with the increase in the core saturation degree. In the saturation state, the relationship between the magnetic chain of the converter and the current reflects the saturation excitation inductance, and the slope of the excitation characteristic curve reflects the excitation impedance. This paper establishes the mathematical relationship between the deep-saturation inductance and the excitation impedance, and then indirectly obtains the deep-saturation excitation characteristics of the transformer by determining and calculating the saturation inductance through the port test, and Figure 5 shows the general procedure of the calculation method of the excitation characteristic curve of the converter transformer in the deep-saturation state.
The saturated excitation characteristic curve calculation method is derived based on the transformer T model in Section 2. The model parameters include the leakage impedance, DC resistance, excitation resistance, and excitation inductance of the net side and valve side of the converter transformer. Among them, the excitation branch is represented by the nonlinear excitation inductance of the excitation resistor, and the leakage impedance and DC resistance of the transformer are equally divided between the primary and secondary-side branches of the T model, respectively.
To obtain the parameters of the excitation characteristic curve after knee point voltage, it is first necessary to operate the transformer in a deeply saturated state. To do so, adjust the DC excitation so that the transformer core is in a biased state. Adjust the AC power supply, let the transformer keep running, and record the secondary-side voltage U2 and primary-side current I1. At this time, as the DC excitation increases, the degree of saturation of the converter deepens. You can, therefore, record the voltage and current data under each experiment, according to the formula for calculating the instantaneous inductance of the transformer’s primary-side port L1:
L 1 = n U 2 2 π f I 1
In the formula, U2 represents the valve-side voltage, I1 represents the net-side current, f represents the fundamental frequency, and n represents the ratio of the net side to the valve side of the transformer winding.
Based on the above experimental data used to calculate the saturation inductance of the converter transformer, and based on the established mathematical relationship between the saturation inductance of the transformer and the excitation impedance, the excitation impedance is expressed in terms of the saturation inductance and the known parameters. This information can then be used to obtain the complete excitation characteristic curve, as follows.
According to the transformer T model in Section 2, the secondary side is open during the no-load experiment, so the transformer excitation impedance Zm can be expressed as
Z m = Δ U Δ I = 1 2 R s + R d + L s + R m + L m
In the formula, Rs denotes the leakage resistance, Rd denotes the winding DC resistance, Ls denotes the leakage inductance, Rm denotes the excitation resistance, and Lm denotes the excitation inductance.
Similarly, based on the instantaneous inductance L1 of the port measured in the saturated state, the saturated excitation inductance can be further expressed as
L m = Δ φ Δ I = L 1 1 2 L s
In the formula, Ls denotes the leakage inductance.
Therefore, the slope k1 of the excitation characteristic curve can be expressed as Equation (12):
k 1 = Z m = L m + 1 2 L s 2 + R m + 1 2 R s + R d 2
In the formula, the only variable affected by the degree of saturation of the converter core is Lm, and with the deepening of the degree of saturation, the change in the excitation inductance will gradually diminish and converge to a constant value, and at this time, it can be judged that the core has been deeply saturated. The rest of the variables can be obtained through the second subsection of the short-circuit and open-circuit test. The slope of the excitation characteristic curve in the saturated state can be calculated using Equations (10)–(12). Combining this with the transformer linear operating area and the knee point parameter, you can obtain the excitation characteristics of the deeply saturated state and then draw a complete excitation characteristic curve.

4. Validation

In order to verify the calculation method of the slope of the excitation characteristic curve proposed in this paper, this section successively takes a 250 MVA single-phase four-column double-winding converter transformer and a 200 VA single-phase double-winding toroidal transformer as the research objects to carry out the simulation analysis and field test.

4.1. Simulation and Analysis of Single-Phase Four-Column Converters

4.1.1. Simulation Platform and Verification Process

In addition to the electromagnetic transient model, the transformer can be simulated and analysed using 2D or 3D finite element simulation software. The advantages are that the simulation accuracy is high, it can reflect the magnetic flux of each position in the magnetic circuit of the transformer, the setting of the core material is more delicate, and the simulation of the actual working conditions is more accurate compared to the circuit model. Since it is difficult to achieve the field test conditions of the converter, the single-phase four-column converter is simulated and analysed in Maxwell, and the toroidal single-phase transformer is verified in the field test.
The verification process of the converter transformer is as follows: ① A single-phase four-column converter transformer finite element simulation model is established. ② In accordance with the method used to determine the nonsaturated region parameter of the T model in Section 3 of this paper, rated no-load and short-circuit experiments are carried out in Maxwell finite element simulation software for the converter transformer, combined with the converter transformer’s actual factory test report, to determine the DC resistance of the windings of the converter transformer, the excitation resistance, the leakage inductance, and the leakage resistance. ③ The reference excitation characteristic curve is obtained through no-load experiments in Maxwell. ④ A Maxwell–Simplorer joint simulation is used to carry out AC- and DC-superimposed excitation simulation tests, then the calculation results of the excitation characteristic curve are obtained and compared with the reference curve.

4.1.2. Finite Element Modelling

A single-phase four-column converter transformer consists of two main columns and two side columns; the upper and lower contain two layers of yoke. The heart column winds two layers of net-side and valve-side windings, the internal winding is net-side and the external winding is valve-side, and the net-side winding is slightly higher than the valve-side winding. In this subsection, a transformer with a net-side rated voltage of 303.12 kV, rated capacity of 250 MVA, and ratio of k = 522/152 is used as an example. Figure 6 is in accordance with the parameters in Table 1 which were used in Maxwell to build a 303.12 kV single-phase four-pillar converter transformer three-dimensional finite element simulation model.

4.1.3. Influencing Factor

Temperature affects the excitation characteristics of the transformer. In practical engineering, inrush current generally occurs after the transformer is closed. The converter is in a blackout condition before it is put into operation, and the temperature does not increase. In the validation process, the temperature rise at rated no-load voltage is considered for the case with the longest operating time and maximum excitation. The specific heat capacity of the silicon steel sheet is 535 J/(kg·K). Assuming that all the losses during the experiment are used for heat generation, Table 2 shows the maximum temperature rise case. The experimental temperature rise cases in limiting conditions are not significant and therefore can be treated as room temperature conditions.
Harmonics cause current distortion and increase the saturation of the transformer. The effect of harmonics on the inrush current is analysed by simulation. A sinusoidal voltage source and an excitation source with harmonics superimposed on it are set so that both produce the same RMS value of the voltage, and the inrush current is generated by closing the gate with no load, respectively. The results in Table 3 show that the effect of harmonics on the excitation inrush current is reduced. Therefore, in the calculation of the slope of the saturation curve, the saturation inductance can be calculated by the method proposed in this paper.

4.1.4. Analysis of Simulation Results of Converter Transformer

The T model nonsaturation parameters of the single-phase four-pillar transformer, calculated from short-circuit and rated no-load experimental measurements, are shown in Table 4.
The circuit structure of the single-phase four-column converter transformer is equivalent to two single-phase double windings connected in parallel, with AC- and DC-superimposed excitation as the only source of excitation. The valve side of the circuit breaker is used to control the shutdown of the secondary circuit because the Maxwell element itself does not have resistance, and connecting it directly to the circuit will affect the operation. In order to be more in line with the actual situation, resistors R1–R4 and R5–R9 can be added as a winding DC resistance, and the external circuit of the converter transformer can be built in Simplorer. The built-in high-voltage winding is connected to the positive and negative terminals of the excitation source, and the external low-voltage winding is open-circuited. Simplorer can be used to build the external circuit of the converter transformer. Figure 7 shows the AC- and DC-superimposed excitation test schematic, in which the excitation source of capacitance C1 is set to 40 mF, the coupling inductance L1 parameter is set to 120 mH, and the protection inductance L2 parameter is set to 1 mH.
After the circuit is set up, Maxwell–Simplorer joint simulation is carried out to obtain the saturation inductance of the converter and calculate the slope of the curve in the saturation region. Table 5 shows the calculated values of saturation inductance of the converter. Figure 8 shows the comparison between the calculation results of the excitation curve of the converter and the simulation results, and it can be seen that the two curves are relatively close to each other.

4.2. Experimental Verification of Toroidal Transformers

4.2.1. Experimental Test Platform

The toroidal transformer is a common type of transformer, which is characterised by a toroidal core structure, compact structure, and small space occupation, and it is suitable for use in space-constrained environments.
In order to verify the method proposed in this paper, an experimental platform, as shown in Figure 9, was built. Specifically, a programmable inverter power supply of model Labck-AC11-400VA was used as the AC source (Figure 9, ①), a DC power supply (Figure 9, ②) was replaced by a signal generator of model FY3200S5, and a model FPA100 power amplifier (Figure 9, ③), a model RTB2004 digital storage oscilloscope (Figure 9, ④), a sampling resistor (Figure 9, ⑤), and a sliding resistor (Figure 9, ⑥) were connected in series as protection resistors in the circuit, alongside a toroidal transformer (Figure 9, ⑦) and a computer control system (Figure 9, ⑧). The direct resistance tester was an ET431. Table 6 shows the rated parameters of the toroidal transformer. Figure 10 shows the basic magnetisation curves for the parameters of the toroidal transformer core.
The main verification process is as follows: ① Connect the circuit according to the schematic diagram of the test circuit, adjust the resistance value of the sliding varistor so that the current is within the allowable range of the instruments in the circuit, conduct the rated no-load and short-circuit experiments, record the voltage and current data, and calculate and obtain the parameters of the nonsaturated zone in the T model including the excitation resistance, the leakage impedance, and the DC resistance of the windings. ② Set different AC source levels, obtain the complete excitation characteristic curve of the transformer, add the voltage from 0.1 pu to 1.3 pu at the same interval, record the primary-side voltage and current, draw the overall excitation characteristic curve, and record the knee point parameters. ③ Carry out the AC and DC superposition test to obtain the excitation inductance of the transformer under different saturation states, derive the slope of the curve in the saturation area based on the formula, draw the calculated excitation characteristic curve by combining with the knee point parameters, and perform the error analysis with the curve obtained from the test measurement in the previous step to verify the validity of the method proposed in this paper.

4.2.2. Determination of Linear Parameters of Toroidal Transformer T Model

According to the method of determining the linear parameters of the T model outlined in Section 3, the rated no-load test and short-circuit test are carried out on the toroidal transformer, the voltage and current data of each test are measured and recorded, the excitation resistance Rm of the T model is calculated under the rated no-load test, and the leakage susceptibility Ls and leakage resistance Rs are calculated under the short-circuit test. The DC resistance Rd of the transformer on the primary and secondary sides is obtained by a direct resistance tester at 100 Hz and 100 mV. Table 7 shows the calculated parameters of the toroidal transformer T model.

4.2.3. Saturation Inductance Measurement and Excitation Curve Calculation

Before starting the test, in order to ensure the accuracy of the test results, the toroidal transformer is first degaussed with the same amplitude and variable frequency [32]. The preset degaussed waveform shown in Figure 11 was set up in the signal generator: the degaussing frequency was 0.2 Hz, the triggering time was set to be five cycles for each voltage level, and the degaussing was carried out starting from an amplitude of 20 V, and according to the voltage decay, voltage attenuation amplitudes of 20 V, 16 V, 12 V, 8 V, 4 V, 2 V, 2 V 1 V, 0.2 V, and 0.1 V were used to demagnetise the transformer.
Standard no-load experiments were performed first. The transformer is connected to an AC source on the primary side and open circuit on the secondary side. The voltage is increased in steps of 0.1 pu until 1.1 pu and the linear zone curve is measured. In the saturated zone reduce the step size appropriately and continue to increase the voltage until the maximum current that can be withstood by the experimental equipment is reached. From the AC power supply display, the primary side of each voltage level under the current and voltage data can be read. Figure 12 demonstrates the experimental determination of the toroidal transformer excitation characteristic curve.
After the standard no-load experiment, the demagnetisation process is repeated, and since the independent sources in the coupling circuit do not affect each other, a DC source is connected to the circuit instead of the mixed excitation by means of a signal generator. According to the method of calculating the saturation zone excitation inductance and excitation curve described in Section 3.2, AC and DC mixed excitation is applied to the primary side of the toroidal transformer; the primary-side current is obtained by the voltage-to-resistance ratio of the sampling resistor with a known resistance value, and the secondary-side voltage can be obtained by connecting an oscilloscope to take a direct reading. Figure 13 shows the waveforms of the transformer (a) secondary-side voltage U2 and (b) primary-side current I1 recorded by the oscilloscope at an AC voltage of 5 V and a DC voltage of 0.6 V. With mixed excitation, the secondary-side voltage is unaffected by the DC excitation, the primary-side current is already significantly higher compared to the normal no-load case, and the degree of saturation is changed.
When the AC source is given 10 V, at which time the AC excitation is far from the rated voltage, the DC source is adjusted to allow the transformer to reach different degrees of saturation. Table 8 shows some of the experimental data recorded and the saturated excitation susceptibility, as well as the corresponding excitation characteristic curves calculated by the formula, when the excitation resistance at rated no-load current is taken as a reference. The core is slightly saturated at low DC source output. With the deepening of the saturation degree, the variation in the excitation inductance gradually becomes smaller and tends to be close to the constant value, and at this time, the value of the excitation inductance is very low, so it can be judged that the core has reached deep saturation.
In the process of gradual saturation of the transformer, the excitation resistance will also decrease with the deepening of the degree of saturation, so this paper, according to the test voltage range of the transformer factory test under the actual working conditions, selects the cut-off point of the excitation resistance to change as 1.15 pu and, through the instantaneous slope of the open-circuit current and the power curve, calculates that the excitation resistance of the toroidal transformer is 26 Ω when the voltage is 1.15 pu, which is used as the value of the Rm after the deep saturation. According to the knee point of the excitation characteristic curve and the data before the knee point, the excitation characteristic curve under the deep-saturation state of the core can be drawn, and Figure 14 shows the results of the comparison between the calculated value and the experimental value of the excitation curve of the toroidal transformer. In the experimental test range, four different degrees of saturation were selected under the measurement results, from shallow to deep, according to Table 9, and the error is basically maintained at 10 per cent or less. It is proved that the method of this paper can effectively characterise the excitation characteristic curve of the transformer in the saturation state.

4.3. Experimental Verification of Dry-Type Transformers

Figure 15 shows a physical single-phase, two-column dry-type isolation transformer. Table 10 shows the specific parameters.
The validation process for the dry-type transformer is essentially the same as for the toroidal transformer and will not be repeated. Table 11 shows the model parameters of the dry-type transformer. The saturation inductance is calculated based on the AC- and DC-superimposed test data, and the excitation inductance of the isolation transformer at deep saturation is 23.63 mH; the effect on the saturation inductance is significantly reduced by continuing to raise the DC excitation after this range. A comparison of the excitation characteristic curves of a dry-type transformer with a capacity of 15 kVA is shown in Figure 16.
A comparison of the current normals at four different degrees of saturation, selected from shallow to deep, is given in Table 12, which shows that the error between the two is within 6%.

5. Conclusions

In this paper, in an attempt to solve the problem that it is difficult to accurately obtain an excitation curve for large-capacity transformers in the deep-saturation state, we adopt AC- and DC-superimposed excitation to reduce the power supply capacity, measure the excitation inductance under different degrees of saturation of the transformer, derive the correspondence between the saturation excitation inductance and the excitation impedance, put forward a method for the measurement of the deep-saturation excitation characteristics of a single-phase transformer under AC and DC mixed excitation, which can calculate the excitation characteristics by measuring the saturation inductance under lower capacity requirements, and provide an effective research method for transient modelling and inrush current analysis. Under the requirement of low capacity, the saturation inductance is measured to calculate the excitation characteristics, which provides an effective research basis for the transient modelling and inrush current analysis of the transformer. The main conclusions are as follows:
(1)
By using a coupling circuit to form a hybrid excitation of AC superimposed on DC, the two excitations can act independently on the primary side of the transformer, so that the transformer operates in a deeply saturated state.
(2)
The saturated excitation inductance is used as a nonlinear characteristic parameter to improve the excitation branch part of the transformer T model. Based on the T model containing saturated inductance, excitation resistance and leakage impedance parameters are obtained by using the port test, and the relationship between the saturated inductance and the slope of the excitation characteristic curve is deduced, which is combined with the knee point parameter, based on which the complete excitation characteristic curve of the transformer is calculated.
(3)
Field verification of toroidal transformers and dry-type transformers is carried out, and the results show that the accuracy of the excitation characteristic curve obtained by the method of this paper is high, and the error does not exceed 10%.
(4)
Due to the limitation of conditions, only finite element simulation experiments have been carried out for the single-phase four-column converter. However, the simulation results can be used as an effective reference to a certain extent, and it is hoped that field experiments will be carried out in the subsequent calculations for larger-capacity transformers so that the method proposed in this paper can be further verified.

Author Contributions

Conceptualisation, J.L. and M.H.; methodology, J.L. and M.H.; software, M.H. and Z.P.; validation, J.L. and Z.P.; formal analysis, J.D. and Y.Y.; investigation, J.D. and X.P.; data curation, Z.P. and J.D.; writing—original draft, J.L.; writing—review and editing, J.L., M.H., and Z.Z.; visualisation, X.P. and Y.Y.; supervision, Z.Z.; project administration, Z.P.; funding acquisition, J.L., M.H., Z.P., and J.D. All authors have read and agreed to the published version of the manuscript.

Funding

This research was funded by The China Southern Power Grid Program, grant number [CGYKJXM20220310].

Data Availability Statement

The original contributions presented in the study are included in the article; further inquiries can be directed to the corresponding authors.

Conflicts of Interest

Authors Jinzhaung Lv, Mingchun Hou, Zhicheng Pan and Jun Deng were employed by the company ina Southern Power Grid, Co., Ltd. The remaining authors declare that the research was conducted in the absence of any commercial or financial relationships that could be construed as a potential conflict of interest.

References

  1. Milicevic, K.; Biondic, I.; Vulin, D. Measurement uncertainty of the instantaneous characteristics of non-linear coil obtained by Dommel’s method. IET Sci. Meas. Technol. 2017, 11, 1049–1057. [Google Scholar] [CrossRef]
  2. Sima, W.; Peng, D.; Yang, M.; Sun, P.; Zou, B.; Xiong, Z. Reversible Wideband Hybrid Model of Two-winding Transformer Including the Core Nonlinearity and EMTP Implementation. IEEE Trans. Ind. Electron. 2020, 68, 3159–3169. [Google Scholar] [CrossRef]
  3. Xie, W.; Xiao, F.; Tu, C.; Zheng, Y.; Peng, Z.; Guo, Q. Suppression strategy for the inrush current of a solid-state transformer caused by the reclosing process. Prot. Control. Mod. Power Syst. 2023, 8, 53. [Google Scholar] [CrossRef]
  4. Mo, C.; Ji, T.Y.; Zhang, L.L.; Wu, Q.H. Equivalent statistics based inrush identification method for differential protection of power transformer. Electr. Power Syst. Res. 2022, 203, 107664. [Google Scholar] [CrossRef]
  5. Tarko, R.; Nowak, W.; Gajdzica, J.; Czapp, S. Analysis of Ferroresonance Mitigation Effectiveness in Auxiliary Power Systems of High-Voltage Substations. Energies 2024, 17, 2423. [Google Scholar] [CrossRef]
  6. Wang, Z.; Zeng, X.; Li, Z.; Yu, K.; Li, J.; Deng, Q. Method for suppressing ferromagnetic resonance in distribution networks based on flexible grounding technology. Electr. Power Syst. Res. 2024, 229, 110208. [Google Scholar] [CrossRef]
  7. Hu, Y.; Li, J. Analysis of excitation characteristics of transformers with different core shapes under severe DC bias. Energy Rep. 2022, 8, 1176–1183. [Google Scholar] [CrossRef]
  8. Chen, Z.; Chen, Y.; Xia, F.; Cheng, T.; Huang, S.; Xiang, N. DC Bias Content Extraction of Power Transformer Under AC and DC Environment and its Suppression Measures. IEEE Trans. Ind. Electron. 2023, 71, 7853–7863. [Google Scholar] [CrossRef]
  9. Zhang, Y.; Li, H. A reliability analysis method of HVDC relay protection based on MDD-GO methodology. Int. J. Electr. Power Energy Syst. 2024, 157, 109814. [Google Scholar] [CrossRef]
  10. Wang, W.; He, J.; Liu, Y.; Wang, X.; Li, S. Effects of Spike Voltages Coupling with High dV/dt Square Wave on Dielectric Loss and Electric-Thermal Field of High-Frequency Transformer. IEEE Access 2021, 9, 137733–137743. [Google Scholar] [CrossRef]
  11. Cheng, Y.; Bi, J.; Chang, W.; Xu, Y.; Pan, X.; Ma, X.; Chang, S. Proposed methodology for online frequency response analysis based on magnetic coupling to detect winding deformations in transformers. High Volt. 2020, 5, 343–349. [Google Scholar] [CrossRef]
  12. Wang, Z.; Fan, Z.; Li, X.; Xu, K.; Yu, R. Measurement of Magnetic and Magnetostrictive Characteristics of Transformer Core Based on Triaxial Strain Gauge and B-H Vector Sensor. Sensors 2023, 23, 5926. [Google Scholar] [CrossRef] [PubMed]
  13. Manitoba HVDC Research Centre Inc. EMTDC User’s Guide; Manitoba HVDC Research Centre Inc.: Winnipeg, MB, Canada, 2002; pp. 90–91. [Google Scholar]
  14. C57.12.91-2011; IEEE Standard Test Code for Dry-Type Distribution and Power Transformers. IEEE: Piscataway, NJ, USA, 2012.
  15. Tang, Q.; Wang, Z.D.; Jarman, P. Electrical steels and power transformer cores in deep saturation. In Proceedings of the 2011 IEEE International Conference on Condition Monitoring and Diagnosis, Bali, Indonesia, 23–27 September; pp. 1035–1038.
  16. Chai, J.; Zheng, Y.; Pan, S. Rotating phasor-based algorithm for the identification of inrush currents of three-phase transformers. Electr. Power Syst. Res. 2023, 214, 108936. [Google Scholar] [CrossRef]
  17. Yang, W.; Pan, Y.; Qiu, Z.; Zhai, G. Electromagnetic transient model and field-circuit coupling numerical calculation of Sen transformer based on finite-element method. Electr. Power Syst. Res. 2023, 214, 108941. [Google Scholar] [CrossRef]
  18. Li, J.; Li, J. Core form transformer topological duality based transient model validation for exciting current calculation within DC bias. IET Gener. Transm. Distrib. 2020, 14, 3099–3107. [Google Scholar] [CrossRef]
  19. Zhao, J.; Zirka, S.E.; Moroz, Y.I.; Arturi, C.M.; Walling, R.A.; Tleis, N.; Tarchutkin, O.L. Topological Transient Models of Three-Phase, Three-Legged Transformer. IEEE Access 2019, 7, 102519–102529. [Google Scholar] [CrossRef]
  20. Liu, J.; Dinavahi, V. A Real-Time Nonlinear Hysteretic Power Transformer Transient Model on FPGA. IEEE Trans. Ind. Electron. 2014, 61, 3587–3597. [Google Scholar] [CrossRef]
  21. Zhao, P.; Wang, J.; Xia, H.; He, W. A novel industrial magnetically enhanced hydrogen production electrolyzer and effect of magnetic field configuration. Appl. Energy 2024, 367, 123402. [Google Scholar] [CrossRef]
  22. ZCheng, Z.; Forghani, B.; Du, Z.; Liu, L.; Li, Y.; Zhao, X.; Liu, T.; Cai, L.; Zhang, W.; Lu, M.; et al. Modeling and validation of stray-field loss inside magnetic and non-magnetic components under harmonics-DC hybrid excitations based on updated TEAM Problem 21. COMPEL—Int. J. Comput. Math. Electr. Electron. Eng. 2021, 40, 941–960. [Google Scholar] [CrossRef]
  23. Zhao, X.; Wang, R.; Du, Z.; Dong, L.; Liu, L. Study on Dynamic Hysteretic and Loss Properties of Silicon Steel Sheet Under Hybrid Harmonic and DC Bias Excitation. IEEE Access 2020, 8, 187343–187352. [Google Scholar] [CrossRef]
  24. Stumberger, G.; Polajzer, B.; Stumberger, B.; Toman, M.; Dolinar, D. Evaluation of experimental methods for determining the magnetically nonlinear characteristics of electromagnetic devices. IEEE Trans. Magn. 2005, 41, 4030–4032. [Google Scholar] [CrossRef]
  25. Duan, P.; Yang, M.; Liu, Y.; Zou, B.; Ye, S.; Sima, W. Low-frequency dual reversible model of the single-phase two-winding transformer considering the gradually quicker saturation process of the core. Int. J. Electr. Power Energy Syst. 2021, 125, 106531. [Google Scholar] [CrossRef]
  26. Li, H.; Fan, Y. Headway of transformer models in EMTDC/EMTP. In Proceedings of the 8th International Conference on Electronic Measurement and Instruments, Xi’an, China, 16–18 August 2007; pp. 665–668. [Google Scholar]
  27. Hosseini, S.M.H.; Madar, S.M.E.; Vakilian, M. Using the finite element method to calculate parameters for a detailed model of transformer winding for partial discharge research. Turk. J. Electr. Eng. Comput. Sci. 2015, 23, 709–718. [Google Scholar] [CrossRef]
  28. Cervero, D.; Fotopoulou, M.; Muñoz-Cruzado, J.; Rakopoulos, D.; Stergiopoulos, F.; Nikolopoulos, N.; Voutetakis, S.; Sanz, J.F. Solid State Transformers: A Critical Review of Projects with Relevant Prototypes and Demonstrators. Electronics 2023, 12, 931. [Google Scholar] [CrossRef]
  29. De León, F.; Farazmand, A.; Joseph, P. Comparing the T and π equivalent circuits for the calculation of transformer inrush currents. IEEE Trans. Power Deliv. 2012, 27, 2390–2398. [Google Scholar] [CrossRef]
  30. Cao, W.; Yin, X.; Zhang, Z.; Pan, Y.; Wang, Y.; Yin, X. Characteristic analysis of zero-mode inrush current of high-impedance transformer. Int. J. Electr. Power Energy Syst. 2020, 117, 105716. [Google Scholar] [CrossRef]
  31. Cao, W.; Qi, X.; Wang, S.; Huang, X.; Lu, C.; Wen, M.; Yin, X. Applicability analysis for traditional T-equivalent leakage inductance of three-winding transformer during energization. Int. J. Electr. Power Energy Syst. 2022, 141, 108222. [Google Scholar] [CrossRef]
  32. de Leon, F.; Farazmand, A.; Jazebi, S.; Deswal, D.; Levi, R. Elimination of Residual Flux in Transformers by the Application of an Alternating Polarity DC Voltage Source. IEEE Trans. Power Deliv. 2015, 30, 1727–1734. [Google Scholar] [CrossRef]
Figure 1. Improved T modelling of single-phase transformers.
Figure 1. Improved T modelling of single-phase transformers.
Electronics 13 04691 g001
Figure 2. Circuit diagram of AC-DC hybrid excitation.
Figure 2. Circuit diagram of AC-DC hybrid excitation.
Electronics 13 04691 g002
Figure 3. Primary side voltage curve.
Figure 3. Primary side voltage curve.
Electronics 13 04691 g003
Figure 4. (a) Short-circuit and (b) no-load test wiring diagram.
Figure 4. (a) Short-circuit and (b) no-load test wiring diagram.
Electronics 13 04691 g004
Figure 5. Flow chart of excitation curve calculation method.
Figure 5. Flow chart of excitation curve calculation method.
Electronics 13 04691 g005
Figure 6. Single-phase four-column finite element model.
Figure 6. Single-phase four-column finite element model.
Electronics 13 04691 g006
Figure 7. Single-phase four-column converter AC/DC-superimposed excitation test circuit.
Figure 7. Single-phase four-column converter AC/DC-superimposed excitation test circuit.
Electronics 13 04691 g007
Figure 8. Single-phase four-column converter excitation curve.
Figure 8. Single-phase four-column converter excitation curve.
Electronics 13 04691 g008
Figure 9. Experimental platforms.
Figure 9. Experimental platforms.
Electronics 13 04691 g009
Figure 10. Toroidal variable core BH curve.
Figure 10. Toroidal variable core BH curve.
Electronics 13 04691 g010
Figure 11. Degaussing waveforms.
Figure 11. Degaussing waveforms.
Electronics 13 04691 g011
Figure 12. Measured toroidal excitation characteristic curve.
Figure 12. Measured toroidal excitation characteristic curve.
Electronics 13 04691 g012
Figure 13. Oscilloscope waveform recording.
Figure 13. Oscilloscope waveform recording.
Electronics 13 04691 g013
Figure 14. Comparison of measured and calculated toroidal excitation curves.
Figure 14. Comparison of measured and calculated toroidal excitation curves.
Electronics 13 04691 g014
Figure 15. Dry-type transformer.
Figure 15. Dry-type transformer.
Electronics 13 04691 g015
Figure 16. Comparison of excitation characteristic curves of dry-type transformers.
Figure 16. Comparison of excitation characteristic curves of dry-type transformers.
Electronics 13 04691 g016
Table 1. Converter transformer size parameters.
Table 1. Converter transformer size parameters.
Parametric Parametric
Inner diameter of primary-side winding2.256 mInner diameter of secondary-side winding1.896 m
Outer diameter of primary-side winding2.556 mOuter diameter of secondary-side winding2.156 m
Primary-side winding height1.88 mSecondary-side winding height2.04 m
Yoke diameter0.8 mCore column diameter1.6 m
Core height8 mSide column diameter0.8 m
Table 2. Maximum test temperature rise.
Table 2. Maximum test temperature rise.
Rated Power Loss/WTemperature Rise/°C
Converter transformers68,2101.291
Toroidal transformers2.182.934
Dry-type transformers146.62.055
Table 3. Effects of harmonics on inrush currents.
Table 3. Effects of harmonics on inrush currents.
Measurement Point50 Hz Fundamental Wave/A50 Hz Fundamental Superimposed Harmonics/ADeviation/%
12773.27092791.0810−0.6381
22772.40552790.0597−0.6328
32629.06692636.5159−0.2825
42628.28292635.5821−0.2769
Table 4. Nonsaturation parameters of the converter transformer T model.
Table 4. Nonsaturation parameters of the converter transformer T model.
Parametric
Rd0.238 Ω
Rm2286.36 Ω
Ls26.7 mH
Rs23.6 Ω
Table 5. Converter transformer saturation inductance.
Table 5. Converter transformer saturation inductance.
Saturation PointCurrent/PuMagnetising Inductance/H
10.050.006
20.070.003
30.10.0024
Table 6. Toroidal transformer parameters.
Table 6. Toroidal transformer parameters.
Parametric Parametric
Primary-side voltage220 VSecondary-side voltage30 V
Primary-side turns88Number of turns on secondary side12
Primary-side resistance0.181 ΩSecondary-side resistance0.155 Ω
Core outer diameter100 mmCore inner diameter50 mm
Core height45 mmSilicon steel sheet type23JGSD085
Cross-sectional area11.25 cm2Capacity200 VA
Table 7. Toroidal transformer T model parameters.
Table 7. Toroidal transformer T model parameters.
Parametric
Rs10.181 Ω
Rs20.155 Ω
Rm242 Ω
Ls8.25 mH
Rs16.75 Ω
Table 8. Saturated excitation inductance of toroidal transformer versus slope of curve.
Table 8. Saturated excitation inductance of toroidal transformer versus slope of curve.
VDC/VI1/mAU2/VLm/HZ
0.117.74922.411.209250.5589
0.1119.76921.071.084250.5583
0.1221.51920.670.995250.5580
0.1323.76920.170.900250.5576
0.1424.96920.920.858250.5575
0.1525.97920.440.824250.5574
0.1628.31191.810.158250.5560
0.1729.34919.670.729250.5571
0.1830.44919.360.702250.5570
0.1932.62920.220.656250.5569
0.233.82919.280.632250.5568
0.2541.63917.970.513250.5565
0.349.54919.930.432250.5564
Table 9. Comparison of errors.
Table 9. Comparison of errors.
Voltage/PuMeasured Value/PuCalculated Value/PuInaccuracies/%
1.110.04070.041.71
1.130.05060.0536.10
1.180.11330.11642.72
1.250.57280.59854.63
Table 10. Dry-type transformer parameters.
Table 10. Dry-type transformer parameters.
Parameter Parameter
High-side voltage200 VCapacity15 KVA
Low-side voltage60 VTransformer size28.5 × 30 × 42.5 (L × W × H) (cm)
DC resistance90 mΩSilicon steel sheet50WW470
High-voltage side turns85Low-pressure side turns26
Table 11. Dry-type transformer parameters.
Table 11. Dry-type transformer parameters.
Parametric
Rdc0.108 Ω
Rm58 Ω
Ls2.54 mH
Rs0.008 Ω
Table 12. Comparison of errors.
Table 12. Comparison of errors.
Voltage/PuMeasured Value/PuCalculated Value/PuInaccuracies/%
1.10.0280.027−4.76
1.150.0350.033−3.85
1.20.0490.042−5.41
1.250.0520.0462.56
Disclaimer/Publisher’s Note: The statements, opinions and data contained in all publications are solely those of the individual author(s) and contributor(s) and not of MDPI and/or the editor(s). MDPI and/or the editor(s) disclaim responsibility for any injury to people or property resulting from any ideas, methods, instructions or products referred to in the content.

Share and Cite

MDPI and ACS Style

Lv, J.; Hou, M.; Pan, Z.; Deng, J.; Pei, X.; Yang, Y.; Zhang, Z. Measurement Method of Deeply Saturated Excitation Characteristics of Converter Transformer Under AC-DC Hybrid Excitation. Electronics 2024, 13, 4691. https://doi.org/10.3390/electronics13234691

AMA Style

Lv J, Hou M, Pan Z, Deng J, Pei X, Yang Y, Zhang Z. Measurement Method of Deeply Saturated Excitation Characteristics of Converter Transformer Under AC-DC Hybrid Excitation. Electronics. 2024; 13(23):4691. https://doi.org/10.3390/electronics13234691

Chicago/Turabian Style

Lv, Jinzhuang, Mingchun Hou, Zhicheng Pan, Jun Deng, Xichen Pei, Yu Yang, and Zhanlong Zhang. 2024. "Measurement Method of Deeply Saturated Excitation Characteristics of Converter Transformer Under AC-DC Hybrid Excitation" Electronics 13, no. 23: 4691. https://doi.org/10.3390/electronics13234691

APA Style

Lv, J., Hou, M., Pan, Z., Deng, J., Pei, X., Yang, Y., & Zhang, Z. (2024). Measurement Method of Deeply Saturated Excitation Characteristics of Converter Transformer Under AC-DC Hybrid Excitation. Electronics, 13(23), 4691. https://doi.org/10.3390/electronics13234691

Note that from the first issue of 2016, this journal uses article numbers instead of page numbers. See further details here.

Article Metrics

Back to TopTop