Abstract
Electric vehicles (EVs) are becoming increasingly popular as an efficient transportation solution but they also present unique challenges for energy management. Bi-directional charging (BDC) is a solution that allows EVs to not only consume energy from the grid but also supply energy back to the grid. This facilitates vehicle-to-load (V2L) integration, where EVs can act as mobile power sources for homes, buildings, and the grid. V2L enables better energy management by utilizing EVs as a flexible resource to balance grid demand and supply in the proposed system. This is achieved through intelligent coordination between the EVs, charging stations, and the grid, using smart meters and communication networks. Integration of BDC and V2L also enables EVs to provide backup power during grid outages, reduce the need for costly grid infrastructure, and support renewable energy integration. BDC with V2L integration is a promising approach for optimal energy management in EVs and can play a significant role in the future of sustainable transportation and energy systems. The proposed model reached 95.13% charging efficiency, 95.03% energy management, 95.69% power rating, 96.28% voltage support and 87.99% temperature management.
1. Introduction
Energy management in electric vehicles refers to efficiently distributing, controlling, and monitoring the energy flow and usage within an electric vehicle (EV) [1]. It involves integrating multiple systems and technologies, such as battery management, power electronics, and vehicle control, to optimize energy usage and extend the vehicle’s driving range [2]. The onboard battery pack serves as the main energy source in an EV, storing and supplying electricity to run the electric motor. In order to control the energy stored in the battery pack, the battery management system (BMS) is essential. It monitors the state of charge, cell voltage, temperature, and other parameters to ensure the safe and efficient operation of the battery [3,4]. The inverters, converters, and motor controllers that make up an electric vehicle’s power electronics system are in charge of transforming the DC power from the battery into AC power for the electric motor [5,6]. Regenerative braking is another feature of the power electronics system. In this method, the motor acts as a generator to transform kinetic energy into electrical energy, which is subsequently stored in the battery [7]. Energy management in EVs involves both hardware and software components [8]. The hardware components include sensors, actuators, controllers, and communication systems that collect data and control the vehicle’s energy flow. The software component includes algorithms and control strategies that govern the operation of the hardware components [9]. Optimal energy management in EVs is challenging due to the complex interactions between components and subsystems [10]. Thus, advanced control strategies and algorithms, such as model predictive control (MPC) and fuzzy logic control, manage the energy flow and optimize the vehicle’s performance [11]. One of the critical objectives of energy management in EVs is to maximize the driving range while ensuring a safe and comfortable ride [12]. This involves balancing various factors such as driver behavior, road conditions, and energy demand from other systems in the vehicle, such as air conditioning and infotainment [13]. For example, the energy management system may adjust the speed and torque of the electric motor based on the driving situation to minimize energy consumption [14]. Another critical aspect of energy management in EVs is fast charging. As the adoption of EVs increases, there is a growing demand for quick charging solutions [15]. Energy management systems play a crucial role in managing the high-power flow during fast charging and ensuring the safety and longevity of the battery. Energy management in electric vehicles is a complex and dynamic process involving integrating multiple systems and technologies [16,17]. Its primary goal is to ensure efficient energy usage and maximize the driving range while also providing safety and comfort for the driver [18]. With the ongoing advancements in technology and control strategies, energy management systems are becoming increasingly sophisticated, and they will continue to play a vital role in the widespread adoption of electric vehicles [19].
The energy management in electric vehicles needs to balance the energy demand and supply. As electric vehicles rely solely on the energy stored in the battery for their operation, it is essential to carefully manage the available energy to ensure that it is not depleted before reaching the final destination [20]. This requires sophisticated algorithms and control systems to monitor and regulate the energy flow in real-time. Energy management optimizes the charging and discharging cycles of the battery. Electric vehicle batteries have a limited number of charge-discharge cycles, and their performance and lifespan can be significantly affected by how they are charged and discharged. Efficient energy management systems can prolong the battery’s life and maintain performance by implementing fast charging and slow discharging strategies. The energy management in electric vehicles is essential for achieving higher efficiency and range [21,22]. The more efficiently the energy is used and managed, the farther an electric vehicle can travel on a single charge. This is especially crucial for long-distance journeys, as the range anxiety of electric vehicles is already a significant barrier to their widespread adoption. In addition to efficiency and range, energy management plays a crucial role in the overall performance of electric vehicles. The power output of an electric vehicle’s motor depends on the available energy from the battery and the efficiency of the energy conversion system. By effectively managing the energy flow, electric vehicles’ power output and acceleration can be optimized for different driving conditions. Energy management also helps reduce the overall cost of owning and operating an electric vehicle. Efficient energy management can reduce the wear and tear on the battery and other components, leading to lower maintenance and replacement costs. It can also help to reduce electricity costs by optimizing charging cycles and utilizing regenerative braking to recharge the battery. The method known as power flow control-based regenerative braking energy utilization in AC electrified railroads enables trains to transform the kinetic energy produced during braking into electrical energy that can be saved and utilized again. This helps to improve the overall energy efficiency of train operations and reduce energy costs. Future trends in this area include advanced control algorithms and integration with renewable energy sources [23]. The main contribution of the research has the following,
- The current research enables electric vehicles to charge from the grid and discharge power back into the grid or a building. It opens up new possibilities for energy management and usage, allowing for bidirectional energy flow and improved flexibility in the management of electric vehicle charging.
- This proposed research involves control strategies to optimize the charging and discharging of electric vehicles based on various factors of renewable energy sources. This ensures efficient energy use, reducing costs and improving overall energy sustainability.
- The proposed V2L integration can act as energy storage devices by enabling bidirectional charging, providing valuable support to the grid during peak demand periods. This can help balance the supply and demand of electricity and reduce the strain on the grid, leading to a more stable and resilient energy system.
The remaining sections of this paper are organized as follows. Section 2 explains the related works and provides a comprehensive analysis of existing models. Section 3 explains the proposed design and functionalities. Section 4 shows the results, and finally, Section 5 provides the conclusion and future scope of the proposed work.
2. Related Works
Energy management in electric vehicles is a crucial aspect of their design and operation, as it directly affects their efficiency, range, and overall performance. It involves controlling and optimizing energy flow between the various components and systems, such as the battery, motor, and regenerative braking.
In order to enable grid-to-vehicle (G2V) and vehicle-to-grid/vehicle-to-load (V2G/V2L) capabilities, Sun, Q. et al. [24] have addressed the integration of a multiport PV-assisted electric drive-reconstructed bidirectional charger. As a result, electric vehicles (EVs) may be charged efficiently with solar energy and their batteries can be used to power other devices or the grid. The highlight of this electric car battery charger—known as bi-directional charging—has been covered by Rishishwar V. et al. [25]. This feature allows the battery to be charged and discharged simultaneously. Moreover, it integrates technologies like Grid-to-Vehicle (G2V), Vehicle-to-Grid (V2G), and Vehicle-to-Load (V2L), which enable effective battery utilization to power residences or the electrical grid as required. The charger is more adaptable and sustainable thanks to this cutting-edge innovation. Bidirectional charger topologies for V2G/G2V operations have been covered by Upputuri, R. P. et al. [26]. These charger systems are those that can charge electric vehicles (EVs) from the power grid (Grid-to-Vehicle, or G2V) and use the EVs’ batteries to supply energy back to the grid (Vehicle-to-Grid, or V2G). This facilitates the integration of EVs into the power grid as a flexible and sustainable resource and enables the effective regulation of energy flow. Electric vehicles (EVs) can be used to charge from the grid and discharge energy back to it, as detailed by Adegbohun F. et al. [27] in their discussion of bidirectional charging grid support applications. This can offer efficient use of renewable energy sources and grid stability. However, because of the increased stress and cycling on the battery, it is essential to thoroughly evaluate the effect on battery degradation.
In order to enhance power quality in grid-tied off-board bidirectional electric vehicle chargers, Behera S. et al. [28] have described a dual control technique that includes a proportional-integral controller with a model predictive controller. It efficiently manages the charger’s interface with the grid by controlling the charger’s power output through the use of predictive control techniques and real-time measurement data. Bidirectional electric vehicle (EV) charging is used in an inventive cooperative power management system for buildings that have been described by Naji EL Idris, R. et al. [29]. It balances energy supply and demand by properly controlling EV charging and discharging patterns, guaranteeing a dependable and affordable power source. Furthermore, it minimizes carbon emissions while optimizing the utilization of renewable energy sources. In order to effectively convert solar energy into electrical power for the car, Gopalasami R. et al. [30] have described the use of a customized multiport converter in an EV charger. In addition, this converter permits bidirectional energy flow, which means that the charger can help with energy transfer from the vehicle to the grid, from the grid to the vehicle, and from PV to the vehicle. The development of accurate and efficient models and control techniques for DC-DC LLC converters for bidirectional electric vehicle charger applications has been covered by Al Attar H. et al. [31]. Bidirectional power flow is necessary for the rapid charging and discharging of electric vehicle batteries. These tactics are meant to raise the general efficiency and dependability of electric car chargers. The multi-functional quasi-single stage bi-directional charger topology, as described by Tekgun B. et al. [32], is appropriate for grid-to-vehicle (G2V) and vehicle-to-grid (V2G) applications due to its ability to efficiently charge electric vehicles in both directions. Additionally, it reduces the system’s overall complexity and expense by combining several converters into a single stage.
Singh S. et al. [33] have discussed reliability assessment and charging methodologies for grid-integrated electric vehicles. This involves developing reliable and efficient methods for managing the charging and discharging of electric vehicles connected to the grid. This includes optimal charging scheduling to reduce strain on the grid, assessing impacts on grid reliability, and developing advanced charging algorithms. Preethi P. J. et al. [34] have discussed developing a bidirectional charging system that allows an electric vehicle to charge from and supply power back to the grid. This is achieved through advanced control algorithms and a compact design that integrates the charger into the vehicle’s powertrain, improving efficiency and flexibility for EV owners. Jin, N. et al. [35] have discussed a bidirectional grid-friendly charger design for electric vehicles that can operate efficiently under pulse-current heating and variable-current charging conditions. This design ensures stable and safe charging without causing any stress on the power grid and allows for efficient energy transfer between the vehicle and the grid. Table 1 shows the comprehensive analysis of related works.
Table 1.
Comprehensive analysis.
2.1. Research Gaps
- Battery Energy Management: One key challenge in managing electric vehicle (EV) energy is optimizing battery usage, particularly regarding charging and discharging algorithms. Further research is needed to develop efficient battery management strategies that ensure optimal charging behavior and extend battery life.
- Energy Trading and Sharing: As the demand for EVs increases and a greater number of them are integrated into the power grid, effective energy trading and sharing mechanisms are needed. Research is needed to develop innovative approaches for managing energy flow and distribution among EVs, including peer-to-peer trading and vehicle-to-grid (V2G) charging systems.
- Lack of Standardized Charging Infrastructure: One major challenge in the energy management of electric vehicles is the need for standardized charging infrastructure. Different manufacturers use different charging protocols, making it difficult for EV owners to find a charging station that is compatible with their vehicle. This leads to inefficient use of charging infrastructure and hinders the widespread adoption of electric vehicles.
2.2. Novelty of the Research
- Vehicle-to-Load (V2L) Integration: This innovation allows for bidirectional energy flow between electric vehicles (EVs) and the power grid. EVs cannot only charge their battery but also discharge it and use the stored energy to power external devices or even return it to the grid. This enhances EVs’ overall energy management and efficiency.
- Optimal Energy Management Algorithm: Bi-directional charging with V2L integration utilizes advanced algorithms and control systems to optimize energy from the EV battery and the grid. This ensures that the EV operates at maximum efficiency while balancing the energy demand of external devices, resulting in lower overall energy costs for EV owners.
- Dynamic Load Balancing: With bidirectional charging and V2L integration, EVs can act as a virtual power plant, contributing and drawing energy from the grid in real-time. This allows for dynamic load balancing. EVs can adjust their energy consumption based on the grid’s needs, reducing strain on the power infrastructure and promoting a more stable and reliable electrical grid.
3. Proposed Model
The proposed model is a voltage and current control system that operates sequentially to regulate a circuit’s output voltage and current. The system’s overall goal is to maintain a constant output voltage while ensuring that the output current does not exceed a specific limit to protect the circuit from damage. The sequential operation of the model involves multiple stages. Firstly, the system starts with a voltage regulator, Vo*. This regulator takes the desired output voltage (Vo) and compares it with a constant reference voltage. A voltage controller, Vc, generates this continuous reference voltage, maintaining a stable voltage supply to the system. The voltage regulator, Vo*, then calculates the difference between Vo and the reference voltage and uses this information to adjust the output voltage accordingly. Next, the system moves to the stage of current regulation. Here, the current is controlled similarly to the voltage, with a current regulator, denoted as Io*, taking the desired output current, Io, and comparing it with a predefined limit. A voltage controller, Ic, sets this limit, which ensures that the output current stays within a safe range. The current regulator, Io*, then uses this information to adjust the output current accordingly. The system also requires knowledge of the battery’s state of charge (SOC) in order to precisely control the output voltage and current. This is accomplished by alternating between constant voltage (CV) and constant current (CC) via a mode selector CV/CC. Whereas the system maintains a consistent output current in the CC mode, it maintains a stable output voltage in the CV mode. To transition between the two modes, this mode selector takes input from the voltage and current regulators as well as data regarding the state of charge of the battery. While the system is in operation, the input voltage (Us) and output voltage (Vs) are monitored. The phase delay between these two voltages is also taken into account by the system in order to precisely estimate the sine template, represented as X. The accompanying Figure 1 depicts the building of the suggested model.
Figure 1.
Construction of proposed model.
The inductance of the inductor (iL1) is also considered in this estimation. This information is then used by the current controller, typically a PI (proportional-integral) controller, to regulate the current accordingly. Apart from the PI controller, the system also utilizes a feed-forward network, which provides additional control signals based on the input voltage and current information. These signals are used to reduce the effects of disturbances or system noise and improve the system’s overall performance. As the output current gets closer to the predetermined limit, denoted as ILc, the system activates a phase delay between switches Sw1 and Sw2. This phase delay ensures that the current does not exceed the predetermined limit and protects the circuit from potential damage. This phase delay is adjusted based on the information provided by the current controller and the feed-forward network. A typical system topology of a vehicle-to-load application would consist of a vehicle equipped with sensors and communication devices to collect and transmit data to a central server. The server would then analyze the data and provide valuable insights to optimize the loading process, such as efficient route planning and proper distribution of weight. In a single-layer equally distributed construction, bi-directional sources are employed as the winding to reduce proximity and skin effects [24]. This significantly lowers the AC resistance.
where A is the amorphous core’s cross-sectional area, f is its frequency, and Vrms is its excitation voltage [25]. Steinmetz presented the following equation, which illustrates how to calculate the magnetic loss within the materials.
There, grid features define k, α, and β, which are easily retrieved.
SiC MOSFETs allow for faster switching performance and improved power efficiency, which allows for a large reduction in the size of the cooling system and passive components, hence enabling a reduction in the overall size of the onboard charger.
where Ec is the electric breakdown field, εs is the dielectric constant, µn is the electron mobility, and is the breakdown voltage [27]. Because the conduction losses of a SiC MOSFET are dependent on the resistance, the following equation can be used to compute them.
where Ron is the on-resistance calculated in Icnd,rms is the root mean square of the conduction current. The proposed model utilizes multiple stages and controllers, such as voltage and current regulators, a mode selector, a current controller, and a feed-forward network, to accurately regulate a circuit’s output voltage and current. The system can maintain a stable output while protecting the circuit from damage by constantly monitoring the input and output voltages and using feedback and feed-forward control. The energy management problem for a vehicle includes determining the most efficient way to use and distribute the energy source in order to achieve optimal performance and minimize fuel consumption. This involves factors such as route planning, driving techniques, vehicle weight, and aerodynamics, among others. The goal is to maximize energy efficiency while meeting transportation and load requirements within a given time frame.
3.1. Bi-Directional Charging and Grid Control
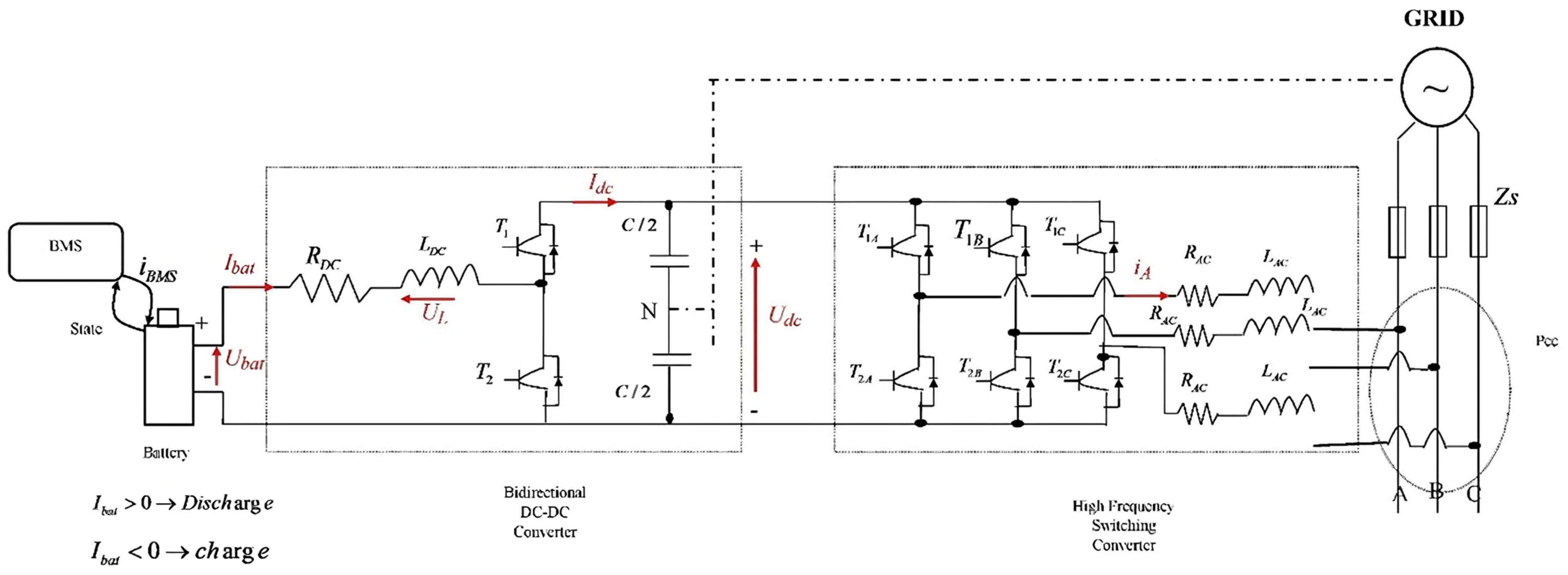
Bidirectional charging and grid control involve multiple components working together to efficiently manage the charging and discharging of batteries while also controlling the power flow between the battery and the grid. This process is essential for battery systems’ safe and efficient operation, especially in renewable energy integration and vehicle-to-grid applications. The Battery Management System (BMS) acts as the controller and decision-maker for the entire operation. The BMS is responsible for monitoring the battery’s state, including its voltage (Ubat), current (Ibat), and temperature, and using this information to decide when and how the battery should be charged or discharged. It also communicates with other components, such as the bi-directional DC-DC converter and the grid, to control the power flow. The BMS regulates the battery’s input current (I-bms) based on its state and charging conditions. This current is the primary mechanism for controlling the charging and discharging of the battery. If the BMS determines that the battery needs to be charged, a positive input current will be allowed into the battery. The bi-directional charging and grid control are shown in Figure 2.
Figure 2.
Bi-directional charging and grid control.
Conversely, the BMS will allow a negative input current if the battery needs to be discharged. This regulation of the input current is crucial for maintaining the stability and health of the battery. The state of the battery refers to its overall health and condition. The BMS uses this information to determine the battery’s appropriate charging and discharging strategies. The state can be affected by factors such as temperature, age, and usage patterns, and the BMS must consider all of these factors when managing the battery’s operation. The battery pack is the physical storage unit for the electrical energy. Multiple individual cells are connected to provide the necessary voltage and capacity. The BMS monitors the state of each cell and manages their charging and discharging to ensure the overall health and performance of the battery pack. The battery current (Ibat) refers to the flow of electrical energy into or out of the battery pack. This current is regulated by the BMS and controlled by the bi-directional DC-DC converter and the grid. The magnitude and direction of the battery current are crucial for managing the battery state and maintaining the grid’s stability. The battery voltage (Ubat) measures the electrical potential difference across the battery pack’s terminals. The BMS monitors this voltage to ensure it remains within safe and optimal levels. If the voltage drops too low, it can damage the battery; if it goes too high, it can cause safety issues. The bi-directional DC-DC converter is a critical component that enables bidirectional power flow between the battery and the grid. This converter includes multiple elements such as resistors (RDC), inductors (LDC), diodes (UL), and transistors (T1 and T2). These elements combine to convert the high-voltage DC from the battery pack into a lower-voltage DC that the grid can use. The converter also controls the magnitude and direction of the battery current (IDC) by adjusting the switching frequency (C/2) and duty cycle (N) of the transistors. This allows the BMS to regulate the charging and discharging of the battery. High-frequency switching refers to the fast switching of transistors (T1 and T2) in bidirectional DC-DC converters. This rapid switching enables efficient power conversion and control and reduces losses in the conversion process. The BMS regulates the switching frequency to ensure optimal battery and grid performance. The grid refers to the power distribution network that supplies electricity to consumers. In this bidirectional charging and grid control operation, the grid is an essential element as it provides the necessary power for charging the battery and acts as a sink for excess energy during discharge. The BMS also monitors the grid for parameters such as voltage (Zs) and frequency (Pcc) to ensure that the operation of the battery does not disrupt the grid’s stability [30]. The following equations demonstrate how the energy losses for a turn-ON and a turn-OFF can be used to estimate the switching losses,
where Vh is the highest gate voltage, Vl is the lowest gate voltage, Em is the trans-conductance, ε is the current density, Vth is the threshold voltage, and fsw is the switching frequency.
The following formula can be used to determine the parallel diode’s conduction losses:
The following formula can be used to determine the reverse recovery loss during the switching phase.
where tb is the snap-off time, VR is the applied reverse voltage, and IR is the peak reverse recovery current. A SiC MOSFET’s overall power loss can be computed using the formula below:
The control system is split into two sections based on its power stage, as was previously mentioned. A two-loop control system is used to regulate the grid current. The outer loop measures the DC-link voltage (Vdc), and the inner loop measures the grid current.
To get the EVB current to run in the constant current (CC) mode, the DAB converter is controlled. The greatest grid power that the grid is able to provide to EVB during the charging process is used to determine the charging current reference. To ensure that the grid can manage the scenario when a fleet of EVs is charged simultaneously, the BMS defines the maximum grid power.
The assumed value is 50%. To put the EV in idle mode, the EVB current reference is set to zero if the SoC condition is not met. If the journey is organised according to the equation that follows, the parameter SoCres can be computed in advance.
The necessary time (in hours) to complete the trip is denoted by treq, where SoCmin is the minimal SoC. Dreq stands for required distance, and Savg for EV’s average speed. The hourly average energy consumption is econ,avg. The following formulae compute the phase shift control variable γch, Ipri,ref, and the reference of the UPC primary current [36].
The EVB voltage steadily increases when in the CC mode. The control scheme changes to the constant voltage (CV) mode when the EVB voltage hits the threshold value, ending the CC mode.
Charging Conditions (Ibat > 0 Then Discharge, Ibat < 0 Then Charge)
The charging conditions refer to the criteria used by the BMS to determine when the battery should be charged or discharged. It is based on the sign of the battery current (Ibat). It involves a simple logic: if the current is positive (Ibat > 0), then the battery is discharged, and if the current is negative (Ibat < 0), then the battery is charged. The BMS continuously monitors the battery current and adjusts the charging conditions accordingly to ensure the battery performs optimally.
K1 and K2 are designed to be in the ON state. The EVB voltage reference is used in this charging mode,
when energy is introduced into the grid via the EVB. This will come on as soon as the grid is asked for assistance. The EV owner’s choice determines how much power is sent to the grid. In order to disengage the EVB voltage control loop, K1 is OFF and K2 is ON.
Through the internet, EV owners can remotely manage the discharge procedure.
By injecting a sinusoidal current into the grid, the grid converter functions as a GC inverter. The EVB can potentially lessen reliance on the grid by providing power to the household load when its current SoC exceeds the minimum SoCEV.
When the EVB is in the discharging mode, its control is identical to that of the V2G, which allows the EVB discharging current to be adjusted. The output voltage, or Vdc (DC-link voltage), is managed by the DAB converter. There is no regulation of the EVB current in this mode.
Inverter-like, the grid converter regulates its output voltage to provide the desired grid voltage and frequency. These equations are used to calculate the grid converter’s control variables.
The master will use the control action to control the charging process. The sequential operation of bidirectional charging and grid control is a complex and sophisticated process that involves multiple components working together to manage battery charging and discharging and the power flow between the battery and the grid. The BMS plays a crucial role in monitoring and controlling this operation, ensuring battery systems’ safe and efficient operation.
3.2. Load Integration
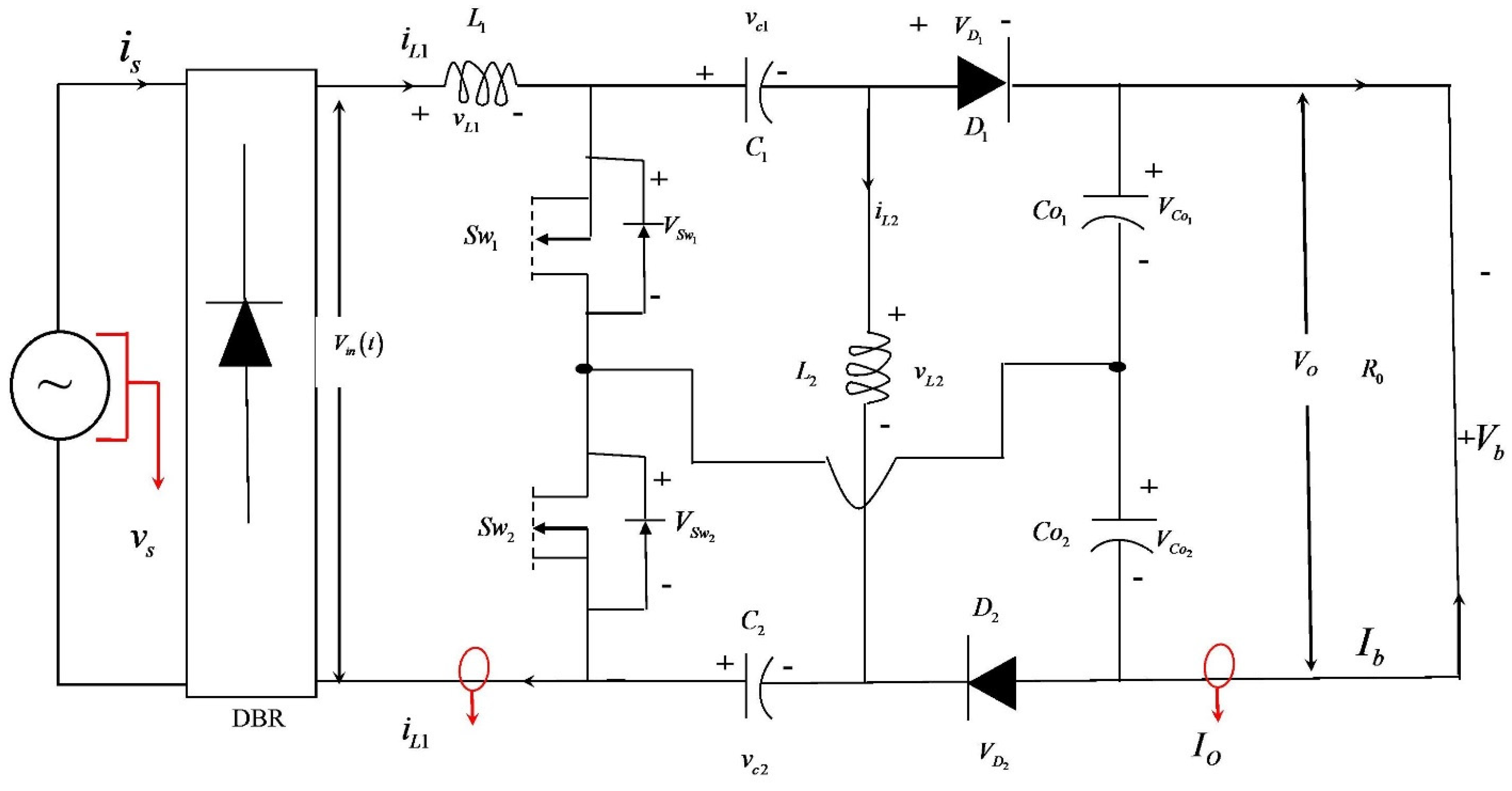
Load integration is the process of seamlessly incorporating a load into the sequential operation of various components in a circuit. In this case, the load is being integrated into the sequential operation of a transformer, a voltage source (VS), a diode bridge rectifier (DBR), an inductor (L1), a capacitor (C1), a switch (Sw1), a diode (D1), a voltage source (Vb), and other components. The first component in this sequence is the transformer, which converts the input voltage to the required output voltage. The transformer step-up or step-down voltage is based on the ratio of turns between the primary and secondary windings. This regulated output voltage is then fed to the next component in the sequence. The voltage source (VS) is a constant source of potential difference and provides the necessary voltage for the circuit’s operation. It ensures that the voltage level remains constant, providing a stable operating point for the circuit. The output voltage from the transformer is applied across the VS, and the regulated output voltage is maintained at the VS’s specified value. The next component, the diode bridge rectifier (DBR), converts the AC voltage from the transformer into a pulsating DC voltage. This pulsating DC voltage is filtered and smoothed by the following components, namely, inductor (L1), capacitor (C1), and switch (Sw1), to reduce the ripple and provide a constant DC voltage at the load circuit’s input. The inductor (L1) in the circuit performs two essential functions. Firstly, it acts as a reactive element, opposing any sudden change in the current. Secondly, it stores and releases energy, thus helping to regulate the output voltage. The load integration is shown in Figure 3.
Figure 3.
Load integration.
The inductor is an essential component for any switching power supply circuit, and in this case, it is used to stabilize the output voltage and minimize the ripple. The capacitor (C1) further smooths out the pulsating DC voltage from the DBR and maintains a relatively constant voltage across the load. It provides a more regulated output voltage by acting as a filter by storing energy when the input voltage is high and releasing it when the input voltage drops. The switch (Sw1) regulates the circuit’s current flow. Periodically, it opens and shuts, preventing the load from receiving energy. The output voltage is kept constant when the switch is closed, allowing current to flow through the load. An output voltage that is stable and regulated is ensured while the switch is open, which also results in no energy being provided to the load. The next part, the diode (D1), functions as a one-way valve, enabling current to flow only in that direction. The diode is necessary for converting the AC voltage to DC voltage, as it allows current to flow only during the positive half-cycle of the AC voltage. The next element in the sequence is the voltage source (Vb), which provides a constant voltage to maintain the diode’s proper operation. Without this voltage source, the diode would not function correctly, and the output voltage would be affected. The circuit’s output voltage is then passed through the load, which consumes the energy provided by the circuit. IL1 represents the current flowing through the load, and VL1 represents the voltage across the load.
There will be no control system on the EV2. The EV1’s SoC will reach the reserved level, at which point the charging process will come to a halt.
The closed-loop analysis and transfer function derivation of every control scheme are performed in order to meet the control criteria. The expression for the voltage at which the UPC’s leakage inductance, vLk(t), crosses is as follows:
where the UPC’s main voltage is represented by vpri(t) and its secondary voltage by vsec(t). This is one way to express the magnetic link’s leakage inductance current:
Assuming that all losses resulting from high-frequency switching are taken into account, the DAB’s power can be computed. The passive components’ parasitic losses and the copper in the UPC are ignored.
where the DC voltages of the input DAB converter and the EVB are denoted by VB and VDAB, respectively, and n is the winding ratio. One way to regulate the DAB converter’s power is to adjust the phase shift. The DC currents of the input DAB converter and EVB can be determined using the following formula, assuming that there is no power loss in the system:
where n represents the winding ratio and VB and VDAB, respectively, stand for the input DAB converter and EVB’s respective DC voltages. Changing the phase shift is one approach to control the DAB converter’s power. The following formula, assuming no power loss in the system, can be used to find the DC currents of the input DAB converter and EVB:
The minimum input voltage of 380 V is subjected to switching frequency modulation for the CC load range. The loaded quality factor (Ql), the ratio of the transformer magnetizing inductance to the primary resonant inductance, and the normalized switching frequency (fn) are the related numbers.
where Rr denotes the load resistance that is reflected at the rectifier input and is associated with the primary side.
Point A denotes the battery operating at its low SoC terminal voltage, with a minimum battery voltage of 250 V. The load can be any electronic device requiring electricity, such as a light bulb. The following components, namely the switch (Sw2), the capacitor (C2), and the inductor (L2) perform the same function as the first set of components, i.e., filtering and smoothing the pulsating DC voltage and regulating the output voltage. The voltage across the load is further stabilized by the components, namely the capacitor (Co2), voltage source (VCo2), and current (I0). These components work together to provide a stable output voltage. The load integration process is completed with the addition of components such as the voltage source (V0), inductor (L0), resistor (R0), and diode (D0). These components provide the output voltage, current, and resistance to the load circuit to ensure proper functioning. The load integration involves the seamless integration of various components in a circuit to regulate and stabilize the output voltage.
Encouraging soft-switching behavior during the whole charging cycle is the design goal. Determining the minimal resonant tank gain required is the first step in the design process.
In order to ensure the validity of the FHA technique, the resonant frequency is determined as the following: with a defined maximum switching frequency, we choose a maximum normalized switching frequency of 1.25, which is not too far from the resonant frequency,
A trade-off between efficiency and greatest benefit is represented by the value of the parameter k. By choosing the curve that produces the necessary minimal gain, A is defined.
Maintaining a lag between the resonant current and switching node voltage at resonance allows ZVS to be ensured (by design) while the operational points B, C, and D run at resonance. It is discovered that k = 5 guarantees a larger operating range with ZVS, resulting in greater efficiency.
Next, we compute the average power loss resulting from reverse conduction Prc.
The rectifying switches’ reverse conduction accounts for roughly one-third of the overall power loss, as depicted in the figure. Enforcing the errors (V1, V2) to disappear is the control goal. For this reason, one requires their dynamics, which can be acquired from
Making the equilibrium point globally asymptotically stable (GAS) is the current goal. In order to do this, the following candidate Lyapunov function is selected:
It is possible to make the time derivative VV1 negative definite by selecting the derivatives of the tracking errors zz1 and zz2 in the following way.
where the design parameters cc1 and cc2 are positive. It is true that these decisions make the derivatives VV1
It is evident that the active power P regulation and the reactive power Q control are guaranteed by the mistakes disappearing. Presently, the goal is to create a controller that enables the imposition of the active power reference required to guarantee the safe charging and discharging of batteries during the G2V and V2G modes, individually,
by creating a real-time power balance while moving from the power grid to the filter coil. The aim is to achieve gas equilibrium at (Gasϵ3 = 0). The subsequent candidate for the Lyapunov function is selected for this.
They can easily check that the tracking errors vector zz = tt undergoes the following equation
Thus, regardless of the initial conditions, all tracking errors converge exponentially to zero for the vector V. This indicates that V is a GAS system. The transformer steps up or down the voltage, the voltage source provides a constant voltage, and the DBR converts the AC voltage to DC. Components such as inductors, capacitors, and switches filter and smooth the output voltage, and diodes and resistors regulate the amount of energy delivered to the load. Finally, additional voltage and current sources ensure a stable output voltage and current for the load circuit’s proper operation.
4. Results
The performance of the proposed model is compared with the existing naturalistic data-driven predictive energy management (NDPEM), nonlinear model predictive control (NMPC), model predictive control (MPC), deep reinforcement learning-based energy management (DRLEM) and machine learning-based energy management (MLEM). Here, the python simulator is the tool used to execute the results.
4.1. Charging Efficiency
Charging efficiency is the ratio of the energy drawn from the vehicle’s battery during charging to the energy stored in the battery. This process involves converting high-voltage DC power from the charging source into the appropriate voltage and current levels for the battery, storing the energy in chemical form. The efficiency is influenced by factors such as the battery’s internal resistance, temperature, and charge level, as well as the efficiency of the charging converters and the overall charging system. Precise calculations of charging efficiency are crucial for accurately determining the vehicle’s available energy and ensuring optimal battery use. Table 2 shows the comparison of charging efficiency.
Table 2.
Comparison of charging efficiency (in %).
Figure 4 shows the comparison of charging efficiency between existing and proposed models. In terms of charging efficiency, the existing NDPEM reached 60.45%, NMPC reached 80.89%, MPC reached 73.94%, DRLEM reached 81.73% and MLEM reached 54.15%. The proposed model reached 95.13% charging efficiency. It measures the efficiency of the bi-directional charging system in terms of how effectively it transfers energy between the electric vehicle and the grid. It should take into account factors such as losses, voltage drops, and power stability.
Figure 4.
Comparison of charging efficiency.
4.2. Energy Management
Energy management involves monitoring and analyzing the energy levels and demands of the EV battery and the connected load. This includes calculating the energy needed to charge the battery and the excess energy that can be drawn from the battery and used by the connected load. The energy management system also considers charging efficiency, battery state of charge, and time-of-use electricity rates to optimize the energy flow between the EV and the external load. Additionally, it continuously adjusts and balances the power flow to ensure efficient and reliable charging and discharging of the EV battery. Table 3 shows the comparison of energy management.
Table 3.
Comparison of energy management (in %).
Figure 5 shows the comparison of energy management between existing and proposed models. In terms of energy management, the existing NDPEM reached 58.01%, NMPC reached 78.45%, MPC reached 70.23%, DRLEM reached 59.45% and MLEM reached 61.51%. The proposed model reached 95.03% energy management. This metric evaluates the effectiveness of the energy management algorithm in balancing the energy needs of the vehicle with the demands of the grid. It should consider factors such as user preferences, grid requirements, and battery capacity.
Figure 5.
Comparison of energy management.
4.3. Power Rating
Power rating is determined by the maximum amount of power transferred between the vehicle and the grid in both directions. This calculation considers the charging and discharging capability of the vehicle’s battery, the efficiency of the V2L system, and the power rating of the charging station. The power rating must also consider the voltage and current limits of the grid infrastructure, as well as any safety regulations and standards. The power rating may also vary depending on the specific vehicle model and its battery capacity. Ultimately, accurate calculation and management of the power rating is essential for efficient and safe operation of bi-directional charging with V2L integration. Table 4 shows the comparison of power ratings.
Table 4.
Comparison of power rating (in %).
Figure 6 shows the comparison of the power rating between existing and proposed models. For power rating, the existing NDPEM reached 63.94%, NMPC reached 84.38%, MPC reached 80.78%, DRLEM reached 66.35% and MLEM reached 77.17%. The proposed model reached a 95.69% power rating. This metric evaluates the maximum power output of the bi-directional charging system. It should be compared to the power rating of the vehicle’s battery to determine if the system can fully charge the vehicle in a reasonable amount of time.
Figure 6.
Comparison of power rating.
4.4. Voltage Support
The computation of voltage support involves monitoring electricity flow and voltage levels in real-time. If the grid voltage drops below a certain threshold, the EV’s battery starts discharging electricity to support the grid. On the other hand, if the grid voltage rises above a certain threshold, the EV’s battery will start charging. This bidirectional flow of electricity helps stabilize the grid voltage and ensures a reliable supply of electricity during peak demand periods. The computation is usually performed through advanced control systems and algorithms that can quickly respond to changes in grid conditions. Table 5 shows the comparison of voltage support.
Table 5.
Comparison of voltage support (in %).
Figure 7 shows the comparison of voltage support between existing and proposed models. In terms of voltage support, the existing NDPEM reached 67.83%, NMPC reached 88.27%, MPC reached 81.74%, DRLEM reached 70.56% and MLEM reached 78.89%. The proposed model reached 96.28% voltage support. This metric measures the ability of the bi-directional system to maintain a stable voltage level during charging and discharging. It should consider factors such as frequency regulation, voltage deviation, and power factor.
Figure 7.
Comparison of voltage support.
4.5. Temperature Management
The computation of temperature management in this system is crucial to ensure the safe and efficient operation of the battery. This involves monitoring the battery’s temperature and adjusting the charging rates accordingly to prevent overheating or overcooling. The vehicle’s heating and cooling systems may be utilized to maintain the battery’s optimal temperature. The temperature management computation considers factors such as the battery’s state of charge, ambient temperature, and charging/discharging rates to regulate the flow of energy and maintain the battery’s temperature within a safe operating range. Table 6 shows the comparison of temperature management.
Table 6.
Comparison of temperature management (in %).
Figure 8 shows the comparison of temperature management between existing and proposed models. In terms of temperate management, the existing NDPEM reached 33.32%, NMPC reached 53.44%, MPC reached 73.18%, DRLEM reached 41.62% and MLEM reached 64.61%. The proposed model reached 87.99% temperature management. This metric assesses the system’s ability to manage battery temperature during charging and discharging. It should take into account factors such as ambient temperature, charging rate, and cooling system.
Figure 8.
Comparison of temperature management.
4.6. Challenges
- Compatibility and communication: One challenge of integrating the proposed model with existing grid infrastructure and EV is ensuring compatibility and effective communication between all components. The model may require specific communication protocols and protocols that differ from those currently used by the grid and EV, making it difficult for them to communicate with each other.
- Data management and storage: The proposed model may generate a large amount of data from various sources, such as EV charging schedules, grid load data, and renewable energy generation. Proper data management and storage systems must be in place to handle these data efficiently and ensure accurate forecasting and decision-making.
- Technical expertise and training: The implementation of the proposed model may require a new set of technical skills and expertise from grid operators and EV owners. This can be a challenge, as training and educating personnel and consumers may take time and resources. Additionally, grid operators may need to upgrade their existing systems and infrastructure to accommodate the new model, which can be technically demanding.
The bi-directional charging with V2L integration provides a more efficient and balanced use of electricity in the transportation sector. This design relies heavily on the existing infrastructure to function effectively. Therefore, the reliability of the existing infrastructure is crucial for the success of this design. Any issues or disruptions in the infrastructure, such as power outages or communication failures, can severely impact the performance and efficiency of the bi-directional charging system. It is essential that the existing infrastructure is regularly maintained, upgraded, and equipped with robust backup systems to ensure uninterrupted and reliable operation of the bi-directional charging system. With a reliable infrastructure in place, this design can effectively optimize energy management and contribute to a more sustainable future.
5. Conclusions
Bi-directional charging with V2L integration for optimal energy management in electric vehicles is a promising solution for improving electric vehicles’ overall efficiency and sustainability. By allowing for a bidirectional flow of energy between the vehicle and the power grid, this technology enables vehicles to be charged and provide power back to the grid during peak demand periods. The proposed model reached 95.13% charging efficiency, 95.03% energy management, 95.69% power rating, 96.28% voltage support and 87.99% temperature management. This benefits the grid by increasing its stability and reducing strain during peak usage times and allows electric vehicle owners to receive financial benefits from selling excess energy back to the grid. V2L integration can also serve as a backup power source for residential or commercial buildings during power outages, increasing their value and practicality. It has the potential to significantly improve electric vehicles’ energy management capabilities, making them a more viable and attractive option for consumers and contributing to a more sustainable and efficient energy ecosystem. The current model allows for bi-directional charging, meaning energy can flow from the vehicle back to the grid. In the future, this could be expanded to include full V2G integration, allowing electric vehicles to not only receive and give energy back to the grid but also provide ancillary services such as frequency regulation and voltage support. This would further enhance the energy management capabilities of electric vehicles and make them an important part of the smart grid ecosystem.
Author Contributions
Conceptualization, B.M.; Methodology, B.M.; Validation, S.W.; Investigation, S.W. and M.E.-Y.; Data curation, S.W.; Writing—review & editing, B.M.; Visualization, M.E.-Y.; Funding acquisition, B.M. All authors have read and agreed to the published version of the manuscript.
Funding
This research was funded by the College of Engineering Research Seed Grant Program at Lawrence Technological University, Grant Number 0001, Year 2023.
Data Availability Statement
The data generated and analyzed during the study are not publicly available due to privacy, legal, and ethical considerations. However, the data can be made available upon reasonable request to the corresponding author, subject to the necessary approval and conditions to ensure compliance with these restrictions.
Conflicts of Interest
The authors declare no conflicts of interest.
References
- Zhang, F.; Wang, L.; Coskun, S.; Pang, H.; Cui, Y.; Xi, J. Energy management strategies for hybrid electric vehicles: Review, classification, comparison, and outlook. Energies 2020, 13, 3352. [Google Scholar] [CrossRef]
- Liu, T.; Tan, W.; Tang, X.; Zhang, J.; Xing, Y.; Cao, D. Driving conditions-driven energy management strategies for hybrid electric vehicles: A review. Renew. Sustain. Energy Rev. 2021, 151, 111521. [Google Scholar] [CrossRef]
- Sorlei, I.S.; Bizon, N.; Thounthong, P.; Varlam, M.; Carcadea, E.; Culcer, M.; Iliescu, M.; Raceanu, M. Fuel cell electric vehicles—A brief review of current topologies and energy management strategies. Energies 2021, 14, 252. [Google Scholar] [CrossRef]
- Yang, C.; Zha, M.; Wang, W.; Liu, K.; Xiang, C. Efficient energy management strategy for hybrid electric vehicles/plug-in hybrid electric vehicles: Review and recent advances under intelligent transportation system. IET Intell. Transp. Syst. 2020, 14, 702–711. [Google Scholar] [CrossRef]
- Ibrahim, A.; Jiang, F. The electric vehicle energy management: An overview of the energy system and related modeling and simulation. Renew. Sustain. Energy Rev. 2021, 144, 111049. [Google Scholar] [CrossRef]
- Ammar, A.M. Advances in Resonant Power Conversion for Offline Converter Applications. Ph.D. Thesis, Technical University of Denmark, Lyngby, Denmark, 2020. [Google Scholar]
- Lü, X.; Wu, Y.; Lian, J.; Zhang, Y.; Chen, C.; Wang, P.; Meng, L. Energy management of hybrid electric vehicles: A review of energy optimization of fuel cell hybrid power system based on genetic algorithm. Energy Convers. Manag. 2020, 205, 112474. [Google Scholar] [CrossRef]
- Sankarkumar, R.S.; Natarajan, R. Energy management techniques and topologies suitable for hybrid energy storage system powered electric vehicles: An overview. Int. Trans. Electr. Energy Syst. 2021, 31, e12819. [Google Scholar] [CrossRef]
- İnci, M.; Büyük, M.; Demir, M.H.; İlbey, G. A review and research on fuel cell electric vehicles: Topologies, power electronic converters, energy management methods, technical challenges, marketing and future aspects. Renew. Sustain. Energy Rev. 2021, 137, 110648. [Google Scholar] [CrossRef]
- Tang, X.; Jia, T.; Hu, X.; Huang, Y.; Deng, Z.; Pu, H. Naturalistic data-driven predictive energy management for plug-in hybrid electric vehicles. IEEE Trans. Transp. Electrif. 2020, 7, 497–508. [Google Scholar] [CrossRef]
- Zhao, X.; Wang, L.; Zhou, Y.; Pan, B.; Wang, R.; Wang, L.; Yan, X. Energy management strategies for fuel cell hybrid electric vehicles: Classification, comparison, and outlook. Energy Convers. Manag. 2022, 270, 116179. [Google Scholar] [CrossRef]
- Pereira, D.F.; da Costa Lopes, F.; Watanabe, E.H. Nonlinear model predictive control for the energy management of fuel cell hybrid electric vehicles in real time. IEEE Trans. Ind. Electron. 2020, 68, 3213–3223. [Google Scholar] [CrossRef]
- Chen, Z.; Liu, Y.; Zhang, Y.; Lei, Z.; Chen, Z.; Li, G. A neural network-based ECMS for optimized energy management of plug-in hybrid electric vehicles. Energy 2022, 243, 122727. [Google Scholar] [CrossRef]
- Wang, Y.; Lou, D.; Xu, N.; Fang, L.; Tan, P. Energy management and emission control for range extended electric vehicles. Energy 2021, 236, 121370. [Google Scholar] [CrossRef]
- Armghan, A.; Logeshwaran, J.; Raja, S.; Aliqab, K.; Alsharari, M.; Patel, S.K. Performance optimization of energy-efficient solar absorbers for thermal energy harvesting in modern industrial environments using a solar deep learning model. Heliyon 2024, 10, e26371. [Google Scholar] [CrossRef] [PubMed]
- Zagrajek, K.; Paska, J.; Sosnowski, Ł.; Gobosz, K.; Wróblewski, K. Framework for the introduction of vehicle-to-grid technology into the polish electricity market. Energies 2021, 14, 3673. [Google Scholar] [CrossRef]
- Corinaldesi, C.; Lettner, G.; Schwabeneder, D.; Ajanovic, A.; Auer, H. Impact of different charging strategies for electric vehicles in an Austrian office site. Energies 2020, 13, 5858. [Google Scholar] [CrossRef]
- Alsharif, A.; Tan, C.W.; Ayop, R.; Dobi, A.; Lau, K.Y. A comprehensive review of energy management strategy in Vehicle-to-Grid technology integrated with renewable energy sources. Sustain. Energy Technol. Assess. 2021, 47, 101439. [Google Scholar] [CrossRef]
- Du, R.; Hu, X.; Xie, S.; Hu, L.; Zhang, Z.; Lin, X. Battery aging-and temperature-aware predictive energy management for hybrid electric vehicles. J. Power Sources 2020, 473, 228568. [Google Scholar] [CrossRef]
- Gong, X.; Dong, F.; Mohamed, M.A.; Abdalla, O.M.; Ali, Z.M. A secured energy management architecture for smart hybrid microgrids considering PEM-fuel cell and electric vehicles. IEEE Access 2020, 8, 47807–47823. [Google Scholar] [CrossRef]
- Gharibeh, H.F.; Yazdankhah, A.S.; Azizian, M.R. Energy management of fuel cell electric vehicles based on working condition identification of energy storage systems, vehicle driving performance, and dynamic power factor. J. Energy Storage 2020, 31, 101760. [Google Scholar] [CrossRef]
- He, H.; Wang, Y.; Li, J.; Dou, J.; Lian, R.; Li, Y. An improved energy management strategy for hybrid electric vehicles integrating multistates of vehicle-traffic information. IEEE Trans. Transp. Electrif. 2021, 7, 1161–1172. [Google Scholar] [CrossRef]
- Chen, J.; Hu, H.; Wang, M.; Ge, Y.; Wang, K.; Huang, Y.; Yang, K.; He, Z.; Xu, Z.; Li, Y.R. Power flow control-based regenerative braking energy utilization in ac electrified railways: Review and future trends. IEEE Trans. Intell. Transp. Syst. 2024, 25, 6345–6365. [Google Scholar] [CrossRef]
- Sun, Q.; Xie, H.; Liu, X.; Niu, F.; Gan, C. Multiport PV-assisted electric-drive-reconstructed bidirectional charger with G2V and V2G/V2L functions for SRM drive-based EV application. IEEE J. Emerg. Sel. Top. Power Electron. 2023, 11, 3398–3408. [Google Scholar] [CrossRef]
- Rishishwar, V.; Raghuwanshi, A.; Ojha, A. Single phase Bi-directional Electric vehicle battery charger with G2V, V2G & V2L Technologies. In Proceedings of the 2023 IEEE Renewable Energy and Sustainable E-Mobility Conference (RESEM), Bhopal, India, 17–18 May 2023; IEEE: Piscataway, NJ, USA, 2023; pp. 1–6. [Google Scholar]
- Upputuri, R.P.; Subudhi, B. A comprehensive review and performance evaluation of bidirectional charger topologies for V2G/G2V operations in EV applications. IEEE Trans. Transp. Electrif. 2023, 10, 583–595. [Google Scholar] [CrossRef]
- Adegbohun, F.; von Jouanne, A.; Agamloh, E.; Yokochi, A. A Review of Bidirectional Charging Grid Support Applications and Battery Degradation Considerations. Energies 2024, 17, 1320. [Google Scholar] [CrossRef]
- Behera, S.; Panda, A.K.; Behera, S.K. A Dual control strategy for improved power quality in grid-tied off-board bidirectional electric vehicle charger. Electr. Power Syst. Res. 2024, 236, 110917. [Google Scholar] [CrossRef]
- Naji EL idrissi, R.; Ouassaid, M.; Maaroufi, M.; Cabrane, Z.; Kim, J. Optimal Cooperative Power Management Framework for Smart Buildings Using Bidirectional Electric Vehicle Modes. Energies 2023, 16, 2315. [Google Scholar] [CrossRef]
- Gopalasami, R.; Chokkalingam, B. A photovoltaic-powered modified multiport converter for an EV charger with bidirectional grid connected capability assist PV2V, G2V, and V2G. World Electr. Veh. J. 2024, 15, 31. [Google Scholar] [CrossRef]
- Al Attar, H.; Hamida, M.A.; Ghanes, M.; Taleb, M. Review on modeling and control strategies of DC–DC LLC converters for bidirectional electric vehicle charger applications. Energies 2023, 16, 3946. [Google Scholar] [CrossRef]
- Tekgun, B.; Tekgun, D.; Alan, I. A multi-functional quasi-single stage bi-directional charger topology for electric vehicles. Ain Shams Eng. J. 2024, 15, 102471. [Google Scholar] [CrossRef]
- Singh, S.; Saket, R.K.; Khan, B. A comprehensive state-of-the-art review on reliability assessment and charging methodologies of grid-integrated electric vehicles. IET Electr. Syst. Transp. 2023, 13, e12073. [Google Scholar] [CrossRef]
- Preethi, P.J.; Priya, P.L.; Kumar, R.H. Design and control of bidirectional onboard charger for an electric vehicle. In Advanced Technologies in Electric Vehicles; Academic Press: Cambridge, MA, USA, 2024; pp. 483–504. [Google Scholar]
- Jin, N.; Wang, J.; Li, Y.; He, L.; Wu, X.; Wang, H.; Lu, L. A Bidirectional Grid-Friendly Charger Design for Electric Vehicle Operated under Pulse-Current Heating and Variable-Current Charging. Sustainability 2023, 16, 367. [Google Scholar] [CrossRef]
- Tran, V.T.; Islam, M.R.; Muttaqi, K.M.; Farrok, O.; Kiran, M.R.; Sutanto, D. A Novel Universal Magnetic Power Plug to Facilitate V2V/V2G/G2V/V2H Connectivity for Future Grid Infrastructure. IEEE Trans. Ind. Appl. 2022, 58, 951–961. [Google Scholar] [CrossRef]
Disclaimer/Publisher’s Note: The statements, opinions and data contained in all publications are solely those of the individual author(s) and contributor(s) and not of MDPI and/or the editor(s). MDPI and/or the editor(s) disclaim responsibility for any injury to people or property resulting from any ideas, methods, instructions or products referred to in the content. |
© 2024 by the authors. Licensee MDPI, Basel, Switzerland. This article is an open access article distributed under the terms and conditions of the Creative Commons Attribution (CC BY) license (https://creativecommons.org/licenses/by/4.0/).







