Development and Validation of a Mathematical Model for Pyroelectric Temperature Measurement Sensors for Application in Mobile Robotic Systems
Abstract
1. Introduction
1.1. Background
1.2. Problem Statement
1.3. Objective
- (1)
- To analyze modern non-contact pyroelectric thermometers to measure the human body temperature and justify the advantages of a thermometer based on a lambda-type self-oscillatory system in comparison with others.
- (2)
- To develop a mathematical model of a lambda-type self-oscillatory system with a pyroelectric sensing element in the time domain, which will help to obtain the dependence of voltages and currents in time, the dependence of the generation frequency, and the sensitivity of the device regarding temperature.
- (3)
- To develop a mobile robotic system with an electronic non-contact pyroelectric thermometer with increased accuracy and reliability.
1.4. Main Contribution
- (1)
- The authors developed a pyroelectric sensor with a self-oscillator transducer for the non-contact measurement of the human body temperature, which has high accuracy, precision, and measuring speed.
- (2)
- The authors developed a mathematical model of the proposed pyroelectric sensor with a self-oscillator transducer for the non-contact measurement of the human body’s temperature.
- (3)
- The authors made an experimental model of the device for use in mobile robotic systems and obtained new results from experimental studies that confirmed the correctness/adequacy of the proposed mathematical model.
2. Materials and Methods
2.1. Non-Contact Measurement Technology
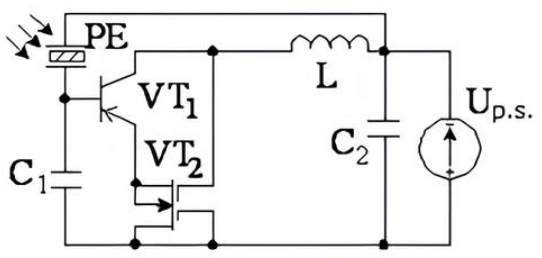
2.2. Mathematical Model of the Temperature Measurement Sensor
2.3. Assessment of Measurement Errors
- δ1—measurement error arising from the instability of the generator frequency.
- δ2—measurement error resulting from changes in ambient temperature.
- δ3—error due to instability of the power supply of the transistor structure.
- δ4—error due to own noise and external interference to the input circuit of the electronic frequency meter.
2.4. Mobile Robotic System with the Proposed Pyroelectric Temperature Measurement Sensors
3. Results
3.1. Data Visualization
3.2. System Performance
3.3. Comparative Analysis
3.3.1. Comparison with Infrared (IR) Thermometers
3.3.2. Comparison with Thermal Imaging Cameras
3.3.3. Advantages of the Mobile Robotic System
4. Discussion
4.1. Implications for Practice
4.2. Future Work
5. Conclusions
Author Contributions
Funding
Institutional Review Board Statement
Informed Consent Statement
Data Availability Statement
Acknowledgments
Conflicts of Interest
References
- European Centre for Disease Prevention and Control. Available online: https://www.ecdc.europa.eu/en/COVID-19 (accessed on 2 May 2024).
- World Health Organization (WHO). Available online: https://covid19.who.int/ (accessed on 2 May 2024).
- Morris, A.S.; Langari, R. Measurement and Instrumentation: Theory and Application, 3rd ed.; Academic Press: Cambridge, MA, USA, 2020; 736p, ISBN 9780128171417. [Google Scholar]
- Sze, S.M.; Li, Y.; Kwok, K.N. Physics of Semiconductor Devices, 4th ed.; Wiley: Hoboken, NJ, USA, 2021; 944p, ISBN 9781119429111. [Google Scholar]
- Osadchuk, A.; Semenov, A.; Baraban, S.; Semenova, E.; Koval, K.O. Noncontact infrared thermometer based on a self-oscillating lambda type system for measuring human body’s temperature. In Proceedings of the CriMiCo–2013 23rd International Crimean Conference Microwave and Telecommunication Technology, Sevastopol, Ukraine, 8–14 September 2013; pp. 1069–1070, 6652661. [Google Scholar]
- Semenov, A.; Baraban, S.; Osadchuk, O.; Semenova, O.; Koval, K.; Savytskyi, A. Microelectronic Pyroelectric Measuring Transducers. In Proceedings of the 4th International Conference on Nanotechnologies and Biomedical Engineering, ICNBME 2019, Chisinau, Moldova, 18 September 2019; IFMBE Proceedings; Tiginyanu, I., Sontea, V., Railean, S., Eds.; Springer: Cham, Switzerland; Volume 77. [CrossRef]
- Semenov, A.; Osadchuk, O.; Semenova, O.; Baraban, S.; Voznyak, O.; Rudyk, A.; Koval, K. Research of Dynamic Processes in the Deterministic Chaos Oscillator Based on the Colpitts Scheme and Optimization of Its Self-oscillatory System Parameters. In Data-Centric Business and Applications. Lecture Notes on Data Engineering and Communications Technologies; Radivilova, T., Ageyev, D., Kryvinska, N., Eds.; Springer: Cham, Switzerland, 2020; Volume 48. [Google Scholar] [CrossRef]
- Geng, J.; Ke, L.; Wei, K. A Precision Temperature Measurement Solution with High EMC Performance Using an RTD. ADI Analog. Dialogue. 2021, 55, 622–628. [Google Scholar]
- L’Orange, C.; Neymark, G.; Carter, E.; Volckens, J. A High-Throughput, Robotic System for Analysis of Aerosol Sampling Filters. Aerosol Air Qual. Res. 2021, 21, 210037. [Google Scholar] [CrossRef] [PubMed]
- Stanimirović, I.; Stanimirović, Z. Introductory Chapter: Temperature Sensing–The Book; IntechOpen: London, UK, 2018. [Google Scholar] [CrossRef]
- Dolibog, P.; Pietrzyk, B.; Kierszniok, K.; Pawlicki, K. Comparative Analysis of Human Body Temperatures Measured with Noncontact and Contact Thermometers. Healthcare 2022, 10, 331. [Google Scholar] [CrossRef] [PubMed]
- Peron, P. The choice of the method for body temperature measurement in intensive care patients: A literature review. Prof. Infermieristiche 2010, 63, 99–105. [Google Scholar]
- Zhang, L.; Zhu, Y.; Jiang, M.; Wu, Y.; Deng, K.; Ni, Q. Body Temperature Monitoring for Regular COVID-19 Prevention Based on Human Daily Activity Recognition. Sensors 2021, 21, 7540. [Google Scholar] [CrossRef] [PubMed]
- Vivek, R.; Varun, K.; Satish, K.; Dubey, G.; Sayeed, K.; Chandra, S. Noncontact temperature measurement of human hand skin using volume phase holographic optical element based digital holographic interferometer. Opt. Lasers Eng. 2022, 151, 106886. [Google Scholar] [CrossRef]
- Zukowski, M.; Matus, K.; Pawluczuk, E.; Kondratiuk, M.; Ambroziak, L. Patients Temperature Measurement System for Medical Robotic Assistan. In Proceedings of the AIP Conference Proceedings, Mechatronics Systems And Materials 2018, Zakopane, Poland, 4–6 June 2018; Volume 2029, p. 020084. [Google Scholar] [CrossRef]
- Deeksha, S.; Awanish, K.; Shivsani, D. Measurement of Temperature and Humidity by using Arduino Tool and DHT11. Int. Res. J. Eng. Technol. (IRJET) 2018, 5, 876–878. [Google Scholar]
- Sarkar, A. Design of Automatic Hand Sanitizer with Temperature Sensing. Int. J. Innov. Sci. Res. Technol. 2020, 5, 1269–1275. [Google Scholar]
- Mamun, M.; Hossain, M.; Rahman, M.; Abdullah, M.; Hossain, M. Design and Development of Arduino Based Contactless Thermometer. IITM J. Manag. IT 2020, 11, 59–65. [Google Scholar]
- Alcoran-Alvarez, G.A.; Garcia, M.; Alvarez, D. Automated Social Distancing Gate with Non-Contact Body Temperature Monitoring Using Arduino Uno. Int. Res. J. Eng. Technol. 2020, 7, 4351–4356. [Google Scholar]
- Samuel, N. Design and Implementation of a Contactless Infrared thermometer with Automatic Hand Sanitizer Dispenser using ATMEGA Microcontroller. Int. J. Eng. Inf. Syst. 2020, 4, 114–119. [Google Scholar]
- Infrared Thermometer Calibration—A Complete Guide. Available online: https://www.fluke.com/en-us/learn/blog/calibration/infrared-thermometer-calibration (accessed on 2 May 2024).
- Infrared Thermometer. Available online: https://www.amazon.com/Thermometer-Temperature-26%C2%B0F-1022%C2%B0F-32%C2%B0C%EF%BD%9E550%C2%B0C-Refrigerator/dp/B073YMQCVG (accessed on 2 May 2024).
- Su, Y.; Ma, C.; Chen, J.; Wu, H.; Luo, W.; Peng, Y.; Luo, Z.; Li, L.; Tan, Y.; Omisore, O.; et al. Highly Sensitive Flexible Temperature Sensors for Human Body Temperature Monitoring: A Review. Nanoscale Res. Lett. 2020, 15, 200. [Google Scholar] [CrossRef] [PubMed]
- Dyer, B.; Biglarbegian, M.; Aliabadi, A. The autonomous robotic environmental sensor (ARES). Sci. Technol. Built Environ. 2021, 27, 1461–1472. [Google Scholar] [CrossRef]
- What’s the Difference between IR Thermometers and Thermal Cameras? Available online: https://www.flir.com/discover/instruments/whats-the-difference-between-ir-thermometers-and-thermal-cameras/ (accessed on 2 May 2024).
- Pros & Cons: Thermal Imaging Camera vs Gun Thermometer. Available online: https://scarlet-tech.com/know-how-pros-cons-thermal-imaging-camera-vs-gun-thermometer/ (accessed on 2 May 2024).
- Mah, A.J.; Ghazi Zadeh, L.; Khoshnam Tehrani, M.; Askari, S.; Gandjbakhche, A.H.; Shadgan, B. Studying the Accuracy and Function of Different Thermometry Techniques for Measuring Body Temperature. Biology 2021, 10, 1327. [Google Scholar] [CrossRef] [PubMed]
- Khaksari, K.; Nguyen, T.; Hill, B.Y.; Perrault, J.; Gorti, V.; Blick, E.; Gonzalez Cano, T.; Shadgan, B.; Quang, T.; Malpani, R.; et al. Review of the Efficacy of Infrared Thermography for Screening Infectious Diseases with Applications to COVID-19. J. Med. Imaging 2021, 8, 010901. [Google Scholar] [CrossRef] [PubMed]
- VNTU Has Developed a “Pilot Version” of a Portable Robot for Contactless Measurement of Human Body Temperature. Available online: https://mon.gov.ua/ua/news/u-vntu-rozrobili-pilotnu-versiyu-portativnogo-robota-dlya-bezkontaktnogo-vimiryuvannya-temperaturi-tila-lyudini (accessed on 2 May 2024).
- A Robot for Measuring Body Temperature Has Been Developed at VNTU. Available online: https://www.myvin.com.ua/news/11576-u-vntu-rozrobyly-robota-dlia-vymiriuvannia-temperatury-tila (accessed on 2 May 2024).
- A Robot Will Measure Body Temperature at Vinnytsia National Technical University. Available online: https://misto.vn.ua/osvita/u-vinnickomu-nacionalnomu-texnichnomu-universiteti-temperaturu-tila-vimiryuvatime-robot (accessed on 2 May 2024).
- Goh, N.W.-J.; Poh, J.-J.; Yeo, J.Y.; Aw, B.J.-J.; Lai, S.C.; Cheng, J.J.W.; Tan, C.Y.L.; Gan, S.K.-E. Design and Development of a Low Cost, Non-Contact Infrared Thermometer with Range Compensation. Sensors 2021, 21, 3817. [Google Scholar] [CrossRef] [PubMed]
- An Intelligent Approach to Eliminating Thermal Disturbances in Non-Contact Temperature Measurement. Available online: https://www.melexis.com/en/tech-talks/eliminating-thermal-disturbances-in-non-contact-temperature-measurement (accessed on 2 May 2024).
- Koritsoglou, K.; Christou, V.; Ntritsos, G.; Tsoumanis, G.; Tsipouras, M.G.; Giannakeas, N.; Tzallas, A.T. Improving the Accuracy of Low-Cost Sensor Measurements for Freezer Automation. Sensors 2020, 20, 6389. [Google Scholar] [CrossRef] [PubMed]
- Huang, H.-W.; Chen, J.; Chai, P.R.; Ehmke, C.; Rupp, P.; Dadabhoy, F.Z.; Feng, A.; Li, C.; Thomas, A.J.; da Silva, M.; et al. Mobile Robotic Platform for Contactless Vital Sign Monitoring. Cyborg Bionic Syst. 2022. [Google Scholar] [CrossRef] [PubMed]
- Hegde, C.; Su, J.; Tan, J.M.R.; He, K.; Chen, X.; Magdassi, S. Sensing in Soft Robotics. ACS Nano 2023, 17, 15277–15307. [Google Scholar] [CrossRef] [PubMed]










| Performance Metric | Value |
|---|---|
| Accuracy | ±0.1 °C |
| Precision | ±0.05 °C |
| Response Time | 1 s |
| Repeatability | ±0.03 °C |
| Standard Deviation | ±0.15 °C |
| Long-Term Stability | Consistent over 1 month |
| Environmental Range | 32 °C to 43 °C, 30% to 70% (humidity) |
Disclaimer/Publisher’s Note: The statements, opinions and data contained in all publications are solely those of the individual author(s) and contributor(s) and not of MDPI and/or the editor(s). MDPI and/or the editor(s) disclaim responsibility for any injury to people or property resulting from any ideas, methods, instructions or products referred to in the content. |
© 2024 by the authors. Licensee MDPI, Basel, Switzerland. This article is an open access article distributed under the terms and conditions of the Creative Commons Attribution (CC BY) license (https://creativecommons.org/licenses/by/4.0/).
Share and Cite
Semenov, A.; Baraban, S.; Kovtun, V.; Baraban, M.; Arseniuk, I.; Rudyk, A. Development and Validation of a Mathematical Model for Pyroelectric Temperature Measurement Sensors for Application in Mobile Robotic Systems. Electronics 2024, 13, 3173. https://doi.org/10.3390/electronics13163173
Semenov A, Baraban S, Kovtun V, Baraban M, Arseniuk I, Rudyk A. Development and Validation of a Mathematical Model for Pyroelectric Temperature Measurement Sensors for Application in Mobile Robotic Systems. Electronics. 2024; 13(16):3173. https://doi.org/10.3390/electronics13163173
Chicago/Turabian StyleSemenov, Andriy, Serhii Baraban, Viacheslav Kovtun, Mariia Baraban, Ihor Arseniuk, and Andrii Rudyk. 2024. "Development and Validation of a Mathematical Model for Pyroelectric Temperature Measurement Sensors for Application in Mobile Robotic Systems" Electronics 13, no. 16: 3173. https://doi.org/10.3390/electronics13163173
APA StyleSemenov, A., Baraban, S., Kovtun, V., Baraban, M., Arseniuk, I., & Rudyk, A. (2024). Development and Validation of a Mathematical Model for Pyroelectric Temperature Measurement Sensors for Application in Mobile Robotic Systems. Electronics, 13(16), 3173. https://doi.org/10.3390/electronics13163173

