Low-Cost Microcontroller-Based System for Condition Monitoring of Permanent-Magnet Synchronous Motor Stator Windings
Abstract
1. Introduction
- Interturn short-circuits (ITSC);
- Short-circuits between the coils in one phase;
- Phase-to-ground short-circuits;
- Phase-to-phase short-circuits.
- Fault diagnosis based on mathematical models;
- Fault diagnosis based on analysis (processing) of diagnostic signals;
- Fault diagnosis based on artificial intelligence (AI) techniques.
- (1)
- Development of a printed circuit board with LESR 6-NP current transducers for measuring the PMSM stator phase currents, which are used as diagnostic signals.
- (2)
- A detailed description of the process of configuration of the stator phase current signal acquisition and processing using a low-cost microcontroller.
- (3)
- Detailed analysis of the effect of ITSCs in the PMSM stator winding on the waveform and FFT spectrum of the stator phase current space vector module.
- (4)
- Implementation of an ML-based method (KNN model), for condition monitoring and classification of PMSM stator winding faults, on a low-cost microcontroller.
- (5)
- Preparation of the concept and experimental verification of the low-cost microcontroller-based system for condition monitoring of the PMSM stator windings.
- (6)
- Critical analysis of the effectiveness of the developed low-cost PMSM stator winding condition monitoring system.
2. Key Parameters of the Developed Stator Phase Current Measurement PCB
3. Experimental Setup Components and Configuration of the Data Acquisition
3.1. Development Board and Microcontroller Used
3.2. Motor Test Bench
3.3. Configuration and Verification of the Stator Phase Current Signals Measurement and Acquisition
4. PMSM Stator Winding Fault Diagnosis Method and Results
4.1. PMSM Stator Winding Fault Symptom Extraction
4.2. Automation of PMSM Stator Winding Fault Diagnosis
4.2.1. K-Nearest Neighbors
- xi, yi—elements of the A and B feature vectors, respectively;
- n—feature space dimension.
| Algorithm 1: The pseudocode of the KNN algorithm |
|
Data: D = {Xi,ci}, for i = 1 to N, where X i = (x1, x2…, xm) is an m-element input vector that belongs to class ci, N is the number of elements contained in the dataset. Data: A = (a1, a2…, am) new data to be classified Result: class to which the new input vector A belongs Initialize distances[N] ← {0}; for Xi in D do di ← d(Xi, A); distances [i] ← di; end Sort distances {di, for i = 1 to N} in ascending order; Get the first K cases closer to A (with the smallest distance), ; class ← most frequent class in ; |
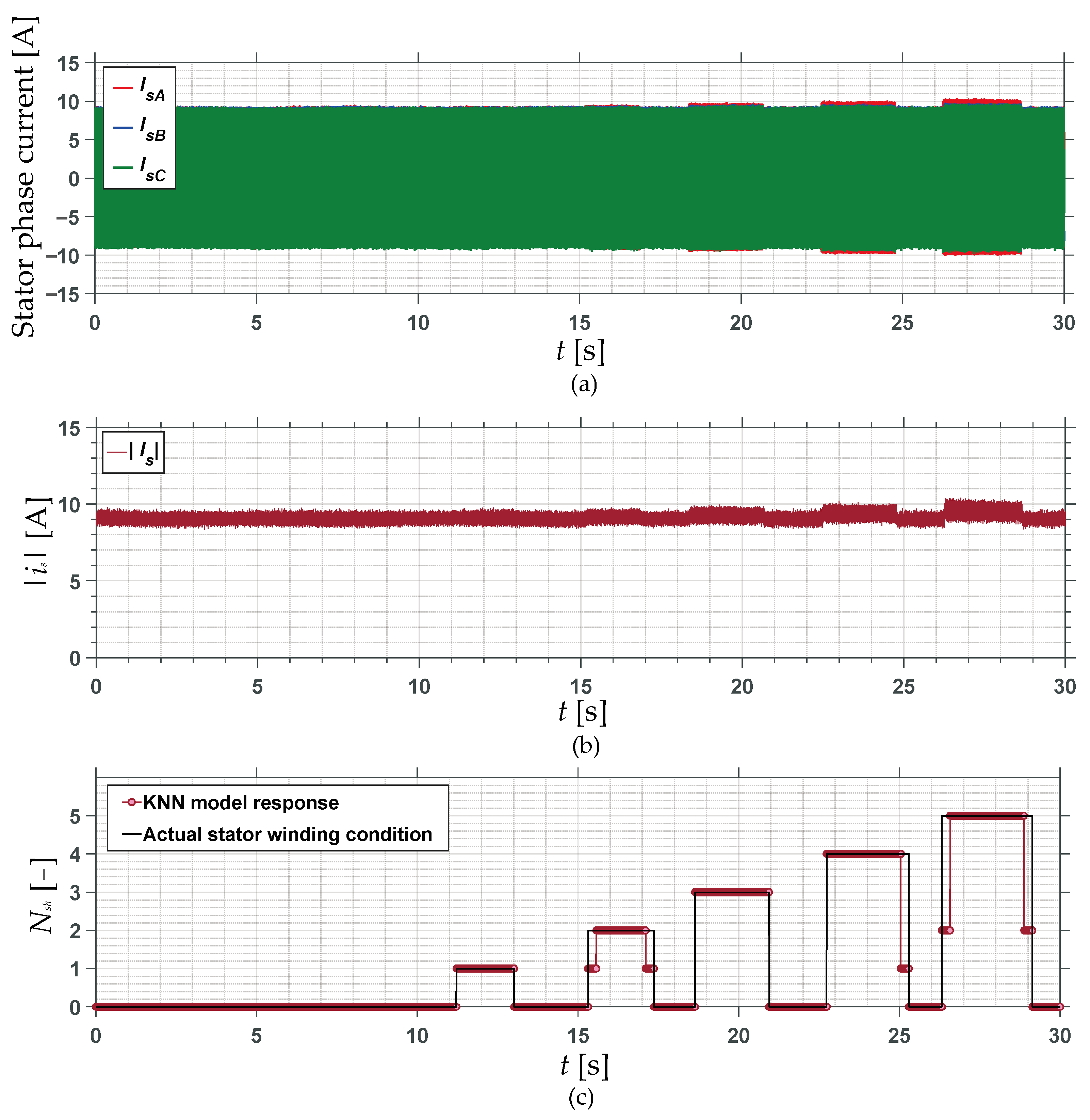
4.2.2. Results
5. Conclusions
Author Contributions
Funding
Data Availability Statement
Conflicts of Interest
Appendix A
| Name of the Parameter | Symbol | Units | |
|---|---|---|---|
| Power | PN | 2500 | [W] |
| Torque | TN | 16 | [Nm] |
| Speed | nN | 1500 | [r/min] |
| Stator phase voltage | UsN | 325 | V |
| Stator current | IsN | 6.6 | [A] |
| Frequency | fsN | 100 | [Hz] |
| Pole pairs number | pp | 4 | [−] |
| Number of stator turns | Nst | 2 × 125 | [−] |
References
- International Energy Agency. World Energy Outlook 2018; IEA: Zurich, Switzerland, 2018. [Google Scholar]
- Fong, J.; Ferreira, F.J.T.E.; Silva, A.M.; de Almeida, A.T. IEC61800-9 System Standards as a Tool to Boost the Efficiency of Electric Motor Driven Systems Worldwide. Inventions 2020, 5, 20. [Google Scholar] [CrossRef]
- Waide, P.; Brunner, C.U. Energy-Efficiency Policy Opportunities for Electric Motor-Driven Systems; IEA: Paris, France, 2011. [Google Scholar]
- Peng, T.; Ye, C.; Yang, C.; Chen, Z.; Liang, K.; Fan, X. A Novel Fault Diagnosis Method for Early Faults of PMSMs under Multiple Operating Conditions. ISA Trans. 2022, 130, 463–476. [Google Scholar] [CrossRef] [PubMed]
- Lv, K.; Wang, D.; Huang, W.; Hu, J. Research on Fault Indicator for Integrated Fault Diagnosis System of PMSM Based on Stator Tooth Flux. IEEE J. Emerg. Sel. Top. Power Electron. 2023, 12, 985–996. [Google Scholar] [CrossRef]
- Ghosh Majumder, M.; Rakesh, R.; Gopakumar, K.; Umanand, L.; Al-Haddad, K.; Jarzyna, W. A Fault-Tolerant Five-Level Inverter Topology With Reduced Component Count for OEIM Drives. IEEE J. Emerg. Sel. Top. Power Electron. 2021, 9, 961–969. [Google Scholar] [CrossRef]
- Merabet, H.; Bahi, T.; Bedoud, K.; Drici, D. Real-Time Switches Fault Diagnosis for Voltage Source Inverter Driven Induction Motor Drive. Int. J. Electr. Electron. Eng. Telecommun. 2019, 8, 103–107. [Google Scholar] [CrossRef]
- Pu, X.-S.; Nguyen, T.H.; Lee, D.-C.; Lee, K.-B.; Kim, J.-M. Fault Diagnosis of DC-Link Capacitors in Three-Phase AC/DC PWM Converters by Online Estimation of Equivalent Series Resistance. IEEE Trans. Ind. Electron. 2013, 60, 4118–4127. [Google Scholar] [CrossRef]
- Jankowska, K.; Petro, V.; Dybkowski, M.; Kyslan, K. The Application of a Sliding Mode Observer in a Speed Sensor Fault Tolerant PMSM Drive System. IEEE Access 2023, 11, 130899–130908. [Google Scholar] [CrossRef]
- Klimkowski, K.; Dybkowski, M. A Comparative Analysis of the Chosen Speed Sensor Faults Detectors for Induction Motor Drives. In Proceedings of the 2015 International Conference on Electrical Drives and Power Electronics (EDPE), The High Tatras, Slovakia, 21–23 September 2015; IEEE: Piscataway, NJ, USA, 2015; pp. 333–338. [Google Scholar]
- Teler, K.; Skowron, M.; Orłowska-Kowalska, T. Implementation of MLP-Based Classifier of Current Sensor Faults in Vector-Controlled Induction Motor Drive. IEEE Trans. Ind. Inf. 2024, 20, 5702–5713. [Google Scholar] [CrossRef]
- Adamczyk, M.; Orlowska-Kowalska, T. Postfault Direct Field-Oriented Control of Induction Motor Drive Using Adaptive Virtual Current Sensor. IEEE Trans. Ind. Electron. 2022, 69, 3418–3427. [Google Scholar] [CrossRef]
- O’Donnell, P. Report of Large Motor Reliability Survey of Industrial and Commercial Installations, Part I. IEEE Trans. Ind. Appl. 1985, 21, 853–864. [Google Scholar] [CrossRef]
- Stone, G.C.; Culbert, I.; Boulter, E.A.; Dhirani, H. Electrical Insulation for Rotating Machines; John Wiley & Sons: Hoboken, NJ, USA, 2014; ISBN 9781118057063. [Google Scholar]
- Feng, X.; Wang, B.; Liu, C.; Zeng, J.; Wang, Z. Research on Inter-Turn Short-Circuit Fault Diagnosis Method Based on High Frequency Voltage Residual for PMSM. CES Trans. Electr. Mach. Syst. 2023, 7, 256–265. [Google Scholar] [CrossRef]
- Yepes, A.G.; Abdel-Azim, W.E.; Shawier, A.; Abdel-Khalik, A.S.; Hamad, M.S.; Ahmed, S.; Doval-Gandoy, J. Open-Phase-Tolerant Online Current References for Maximum Torque Range and Minimum Loss With Current and Torque-Ripple Limits for n-Phase Nonsalient PMSMs With Nonsinusoidal Back EMF. IEEE Trans. Transp. Electrif. 2024, 10, 432–449. [Google Scholar] [CrossRef]
- Chen, Y.; Liang, S.; Li, W.; Liang, H.; Wang, C. Faults and Diagnosis Methods of Permanent Magnet Synchronous Motors: A Review. Appl. Sci. 2019, 9, 2116. [Google Scholar] [CrossRef]
- Orlowska-Kowalska, T.; Wolkiewicz, M.; Pietrzak, P.; Skowron, M.; Ewert, P.; Tarchala, G.; Krzysztofiak, M.; Kowalski, C.T. Fault Diagnosis and Fault-Tolerant Control of PMSM Drives–State of the Art and Future Challenges. IEEE Access 2022, 10, 59979–60024. [Google Scholar] [CrossRef]
- Ullah, Z.; Hur, J. A Comprehensive Review of Winding Short Circuit Fault and Irreversible Demagnetization Fault Detection in PM Type Machines. Energies 2018, 11, 3309. [Google Scholar] [CrossRef]
- Choi, S.; Haque, M.S.; Tarek, M.T.B.; Mulpuri, V.; Duan, Y.; Das, S.; Garg, V.; Ionel, D.M.; Masrur, M.A.; Mirafzal, B.; et al. Fault Diagnosis Techniques for Permanent Magnet AC Machine and Drives—A Review of Current State of the Art. IEEE Trans. Transp. Electrif. 2018, 4, 444–463. [Google Scholar] [CrossRef]
- Bhuiyan, E.A.; Akhand, M.M.A.; Das, S.K.; Ali, M.F.; Tasneem, Z.; Islam, M.R.; Saha, D.K.; Badal, F.R.; Ahamed, M.H.; Moyeen, S.I. A Survey on Fault Diagnosis and Fault Tolerant Methodologies for Permanent Magnet Synchronous Machines. Int. J. Autom. Comput. 2020, 17, 763–787. [Google Scholar] [CrossRef]
- Niu, G.; Dong, X.; Chen, Y. Motor Fault Diagnostics Based on Current Signatures: A Review. IEEE Trans. Instrum. Meas. 2023, 72, 3520919. [Google Scholar] [CrossRef]
- Krzysztofiak, M.; Skowron, M.; Orlowska-Kowalska, T. Analysis of the Impact of Stator Inter-Turn Short Circuits on PMSM Drive with Scalar and Vector Control. Energies 2020, 14, 153. [Google Scholar] [CrossRef]
- Romeral, L.; Urresty, J.C.; Riba Ruiz, J.-R.; Garcia Espinosa, A. Modeling of Surface-Mounted Permanent Magnet Synchronous Motors With Stator Winding Interturn Faults. IEEE Trans. Ind. Electron. 2011, 58, 1576–1585. [Google Scholar] [CrossRef]
- Krzysztofiak, M.; Zawilak, T.; Tarchała, G. Online Control Signal-Based Diagnosis of Interturn Short Circuits of PMSM Drive. Arch. Electr. Eng. 2023, 72, 103–124. [Google Scholar] [CrossRef]
- Skowron, M.; Krzysztofiak, M.; Orlowska-Kowalska, T. Effectiveness of Neural Fault Detectors of Permanent Magnet Synchronous Motor Trained With Symptoms From Field-Circuit Modeling. IEEE Access 2022, 10, 104598–104611. [Google Scholar] [CrossRef]
- Fang, Y.; Wang, M.; Wei, L. Deep Transfer Learning in Inter-Turn Short Circuit Fault Diagnosis of PMSM. In Proceedings of the 2021 IEEE International Conference on Mechatronics and Automation (ICMA), Takamatsu, Japan, 8–11August 2021; IEEE: Piscataway, NJ, USA, 2021; pp. 489–494. [Google Scholar]
- Li, Z.; Wang, F.; Xie, H.; Ke, D.; Ye, T.; Davari, S.A.; Kennel, R. Data-Driven Diagnosis of PMSM Drive with Self-Sensing Signal Visualization and Deep Transfer Learning. IEEE Trans. Energy Convers. 2024, 39, 1011–1023. [Google Scholar] [CrossRef]
- Skowron, M. Development of a Universal Diagnostic System for Stator Winding Faults of Induction Motor and PMSM Based on Transfer Learning. In Proceedings of the 2023 IEEE 14th International Symposium on Diagnostics for Electrical Machines, Power Electronics and Drives (SDEMPED), Chania, Greece, 28–31 August 2023; IEEE: Piscataway, NJ, USA, 28, 2023; pp. 517–523. [Google Scholar]
- Skowron, M.; Kowalski, C.T. Permanent Magnet Synchronous Motor Fault Detection System Based on Transfer Learning Method. In Proceedings of the IECON 2022—48th Annual Conference of the IEEE Industrial Electronics Society, Brussels, Belgium, 17–20 October 2022; IEEE: Piscataway, NJ, USA, 2022; pp. 1–6. [Google Scholar]
- Brescia, E.; Massenio, P.R.; Nardo, M.D.; Cascella, G.L.; Gerada, C.; Cupertino, F. Nonintrusive Parameter Identification of IoT-Embedded Isotropic PMSM Drives. IEEE J. Emerg. Sel. Top. Power Electron. 2023, 11, 5195–5207. [Google Scholar] [CrossRef]
- Song, W.; Zou, Y.; Ma, C.; Zhang, S. Digital Twin Modeling Method of Three-Phase Inverter-Driven PMSM Systems for Parameter Estimation. IEEE Trans. Power Electron. 2024, 39, 2360–2371. [Google Scholar] [CrossRef]
- Khov, M.; Regnier, J.; Faucher, J. Monitoring of Turn Short-Circuit Faults in Stator of PMSM in Closed Loop by on-Line Parameter Estimation. In Proceedings of the 2009 IEEE International Symposium on Diagnostics for Electric Machines, Power Electronics and Drives, Cargèse, France, 31 August–3 September 2009; IEEE: Piscataway, NJ, USA, 2009; pp. 1–6. [Google Scholar]
- Haddad, R.Z.; Strangas, E.G. Fault Detection and Classification in Permanent Magnet Synchronous Machines Using Fast Fourier Transform and Linear Discriminant Analysis. In Proceedings of the 2013 9th IEEE International Symposium on Diagnostics for Electric Machines, Power Electronics and Drives (SDEMPED), Valencia, Spain, 27–30 August 2013; IEEE: Piscataway, NJ, USA, 2013; pp. 99–104. [Google Scholar]
- Pietrzak, P.; Wolkiewicz, M. Comparison of Selected Methods for the Stator Winding Condition Monitoring of a PMSM Using the Stator Phase Currents. Energies 2021, 14, 1630. [Google Scholar] [CrossRef]
- Piechocki, M.; Pajchrowski, T.; Kraft, M.; Wolkiewicz, M.; Ewert, P. Unraveling Induction Motor State through Thermal Imaging and Edge Processing: A Step towards Explainable Fault Diagnosis. Eksploat. Niezawodn.-Maint. Reliab. 2023, 25, 170114. [Google Scholar] [CrossRef]
- Drif, M.; Cardoso, A.J.M. Stator Fault Diagnostics in Squirrel Cage Three-Phase Induction Motor Drives Using the Instantaneous Active and Reactive Power Signature Analyses. IEEE Trans. Ind. Inf. 2014, 10, 1348–1360. [Google Scholar] [CrossRef]
- Ewert, P.; Orlowska-Kowalska, T.; Jankowska, K. Effectiveness Analysis of PMSM Motor Rolling Bearing Fault Detectors Based on Vibration Analysis and Shallow Neural Networks. Energies 2021, 14, 712. [Google Scholar] [CrossRef]
- Skowron, M. Application of Deep Learning Neural Networks for the Diagnosis of Electrical Damage to the Induction Motor Using the Axial Flux. Bull. Pol. Acad. Sci. Tech. Sci. 2020, 68, 1031–1038. [Google Scholar] [CrossRef]
- Kim, K.-H. Simple Online Fault Detecting Scheme for Short-Circuited Turn in a PMSM Through Current Harmonic Monitoring. IEEE Trans. Ind. Electron. 2011, 58, 2565–2568. [Google Scholar] [CrossRef]
- Laamari, Y.; Allaoui, S.; Abdelmalik, A.; Saad, S. Fault Detection Between Stator Windings Turns of Permanent Magnet Synchronous Motor Based on Torque and Stator-Current Analysis Using FFT and Discrete Wavelet Transform. Math. Model. Eng. Probl. 2021, 8, 315–322. [Google Scholar] [CrossRef]
- Rosero, J.A.; Romeral, L.; Cusido, J.; Garcia, A.; Ortega, J.A. On the Short-Circuiting Fault Detection in a PMSM by Means of Stator Current Transformations. In Proceedings of the 2007 IEEE Power Electronics Specialists Conference, Orlando, FL, USA, 17–21 June 2007; IEEE: Piscataway, NJ, USA, 2007; pp. 1936–1941. [Google Scholar]
- Ebrahimi, B.M.; Faiz, J. Feature Extraction for Short-Circuit Fault Detection in Permanent-Magnet Synchronous Motors Using Stator-Current Monitoring. IEEE Trans. Power Electron. 2010, 25, 2673–2682. [Google Scholar] [CrossRef]
- Nejad, M.A.S.; Taghipour, M. Inter-Turn Stator Winding Fault Diagnosis and Determination of Fault Percent in PMSM. In Proceedings of the 2011 IEEE Applied Power Electronics Colloquium (IAPEC), Johor Bahru, Malaysia, 18–19 April 2011; IEEE: Piscataway, NJ, USA, 2011; pp. 128–131. [Google Scholar]
- Fonseca, D.S.B.; Santos, C.M.C.; Cardoso, A.J.M. Stator Faults Modeling and Diagnostics of Line-Start Permanent Magnet Synchronous Motors. IEEE Trans. Ind. Appl. 2020, 56, 2590–2599. [Google Scholar] [CrossRef]
- Bouchareb, C.; Nait-Said, M.S. PMSM Model with Phase-to-Phase Short-Circuit and Diagnosis by ESA and EPVA. Adv. Electr. Electron. Eng. 2016, 14, 522–530. [Google Scholar] [CrossRef]
- Pietrzak, P.; Wolkiewicz, M. On-Line Detection and Classification of PMSM Stator Winding Faults Based on Stator Current Symmetrical Components Analysis and the KNN Algorithm. Electronics 2021, 10, 1786. [Google Scholar] [CrossRef]
- Boudinar, A.H.; Benouzza, N.; Bendiabdellah, A.; Khodja, M.-E.-A. Induction Motor Bearing Fault Analysis Using a Root-MUSIC Method. IEEE Trans. Ind. Appl. 2016, 52, 3851–3860. [Google Scholar] [CrossRef]
- Rosero, J.; Ortega, J.; Urresty, J.; Cardenas, J.; Romeral, L. Stator Short Circuits Detection in PMSM by Means of Higher Order Spectral Analysis (HOSA). In Proceedings of the 2009 Twenty-Fourth Annual IEEE Applied Power Electronics Conference and Exposition, Washington, DC, USA, 15–19 February 2009; IEEE: Piscataway, NJ, USA, 2009; pp. 964–969. [Google Scholar]
- Pietrzak, P.; Wolkiewicz, M.; Orlowska-Kowalska, T. PMSM Stator Winding Fault Detection and Classification Based on Bispectrum Analysis and Convolutional Neural Network. IEEE Trans. Ind. Electron. 2022, 70, 5192–5202. [Google Scholar] [CrossRef]
- Strangas, E.G.; Aviyente, S.; Zaidi, S.S.H. Time–Frequency Analysis for Efficient Fault Diagnosis and Failure Prognosis for Interior Permanent-Magnet AC Motors. IEEE Trans. Ind. Electron. 2008, 55, 4191–4199. [Google Scholar] [CrossRef]
- Pietrzak, P.; Wolkiewicz, M. Fault Diagnosis of PMSM Stator Winding Based on Continuous Wavelet Transform Analysis of Stator Phase Current Signal and Selected Artificial Intelligence Techniques. Electronics 2023, 12, 1543. [Google Scholar] [CrossRef]
- Pietrzak, P.; Wolkiewicz, M. Condition Monitoring and Fault Diagnosis of Permanent Magnet Synchronous Motor Stator Winding Using the Continuous Wavelet Transform and Machine Learning. Power Electron. Drives 2024, 9, 106–121. [Google Scholar] [CrossRef]
- Alvarez-Gonzalez, F.; Griffo, A.; Wang, B. Permanent Magnet Synchronous Machine Stator Windings Fault Detection by Hilbert–Huang Transform. J. Eng. 2019, 2019, 3505–3509. [Google Scholar] [CrossRef]
- Dogan, Z.; Tetik, K. Diagnosis of Inter-Turn Faults Based on Fault Harmonic Component Tracking in LSPMSMs Working Under Nonstationary Conditions. IEEE Access 2021, 9, 92101–92112. [Google Scholar] [CrossRef]
- Sarikhani, A.; Mohammed, O.A. Inter-Turn Fault Detection in PM Synchronous Machines by Physics-Based Back Electromotive Force Estimation. IEEE Trans. Ind. Electron. 2013, 60, 3472–3484. [Google Scholar] [CrossRef]
- Mïnaz, M.R. An Effective Method for Detection of Stator Fault in PMSM with 1D-LBP. ISA Trans. 2020, 106, 283–292. [Google Scholar] [CrossRef]
- Guefack, F.L.T.; Kiselev, A.; Kuznietsov, A. Improved Detection of Inter-Turn Short Circuit Faults in PMSM Drives Using Principal Component Analysis. In Proceedings of the 2018 International Symposium on Power Electronics, Electrical Drives, Automation and Motion (SPEEDAM), Amalfi, Italy, 20–22 June 2018; IEEE: Piscataway, NJ, USA, 2018; pp. 154–159. [Google Scholar]
- Attestog, S.; Senanayaka, J.S.L.; Van Khang, H.; Robbersmyr, K.G. Mixed Fault Classification of Sensorless PMSM Drive in Dynamic Operations Based on External Stray Flux Sensors. Sensors 2022, 22, 1216. [Google Scholar] [CrossRef] [PubMed]
- Nyanteh, Y.; Edrington, C.; Srivastava, S.; Cartes, D. Application of Artificial Intelligence to Real-Time Fault Detection in Permanent-Magnet Synchronous Machines. IEEE Trans. Ind. Appl. 2013, 49, 1205–1214. [Google Scholar] [CrossRef]
- Skowron, M.; Orlowska-Kowalska, T.; Kowalski, C.T. Detection of Permanent Magnet Damage of PMSM Drive Based on Direct Analysis of the Stator Phase Currents Using Convolutional Neural Network. IEEE Trans. Ind. Electron. 2022, 69, 13665–13675. [Google Scholar] [CrossRef]
- Song, Q.; Wang, M.; Lai, W.; Zhao, S. Multiscale Kernel-Based Residual CNN for Estimation of Inter-Turn Short Circuit Fault in PMSM. Sensors 2022, 22, 6870. [Google Scholar] [CrossRef]
- Lee, H.; Jeong, H.; Koo, G.; Ban, J.; Kim, S.W. Attention Recurrent Neural Network-Based Severity Estimation Method for Interturn Short-Circuit Fault in Permanent Magnet Synchronous Machines. IEEE Trans. Ind. Electron. 2021, 68, 3445–3453. [Google Scholar] [CrossRef]
- Feng, L.; Luo, H.; Xu, S.; Du, K. Inverter Fault Diagnosis for a Three-Phase Permanent-Magnet Synchronous Motor Drive System Based on SDAE-GAN-LSTM. Electronics 2023, 12, 4172. [Google Scholar] [CrossRef]
- Pietrzak, P.; Pietrzak, P.; Wolkiewicz, M. Microcontroller-Based Embedded System for the Diagnosis of Stator Winding Faults and Unbalanced Supply Voltage of the Induction Motors. Energies 2024, 17, 387. [Google Scholar] [CrossRef]
- Sutar, P.P.; Panchade, V.M. Induction Motor Faults Mitigation Using Microcontroller. In Proceedings of the 2017 International Conference on Energy, Communication, Data Analytics and Soft Computing (ICECDS), Chennai, India, 1–2 August 2017; IEEE: Piscataway, NJ, USA, 2017; pp. 489–493. [Google Scholar]
- Available online: https://www.lem.com/sites/default/files/products_datasheets/lesr_series.pdf (accessed on 19 June 2024).
- Zachary Lasiuk, P.V.J.A. The Insider’s Guide to Arm Cortex-M Development. Leverage Embedded Software Development Tools and Examples to Become an Efficient Cortex-M Developer; Packt Publishing: Birmingham, UK, 2022. [Google Scholar]
- Reference Manual RM0351: STM32L47xxx, STM32L48xxx, STM32L49xxx and STM32L4Axxx Advanced Arm®-Based 32-Bit MCUs. Available online: https://www.st.com/en/microcontrollersmicroprocessors/stm32l476rg.html#documentation (accessed on 15 June 2024).
- Ma, C.; Chi, Y. KNN Normalized Optimization and Platform Tuning Based on Hadoop. IEEE Access 2022, 10, 81406–81433. [Google Scholar] [CrossRef]
- Ma, C.; Du, X.; Cao, L. Improved KNN Algorithm for Fine-Grained Classification of Encrypted Network Flow. Electronics 2020, 9, 324. [Google Scholar] [CrossRef]
- Salvador–Meneses, J.; Ruiz–Chavez, Z.; Garcia–Rodriguez, J. Compressed KNN: K-Nearest Neighbors with Data Compression. Entropy 2019, 21, 234. [Google Scholar] [CrossRef] [PubMed]
- Sakr, F.; Bellotti, F.; Berta, R.; De Gloria, A. Machine Learning on Mainstream Microcontrollers. Sensors 2020, 20, 2638. [Google Scholar] [CrossRef] [PubMed]























| Parameter | Value |
|---|---|
| Supply voltage | 4.75…5.25 V |
| Bandwidth (±1dB) | 300 kHz |
| Primary current, measuring range | ±20 A |
| Creepage/Clearance distance | 7.55 mm |
| Reference voltage = Common mode Voltage UEref range | 0.5…2.75 V |
| Output voltage UOut | 0.25…4.75 V |
| Sensitivity SN | 104.2 mV/A |
| Maximum error | 0.45% |
| Feature | Details |
|---|---|
| Core | ARM Cortex-M7 (32-bit) |
| Operating clock frequency | Up to 280 MHz |
| FPU | Double-precision |
| Flash memory | 2 Mbytes |
| SRAM memory | 1.4 Mbytes |
| DMA | 5 × 16-channel |
| ADC | 2 × 16-bit |
| DAC | 3 × 12-bit |
| Timers | 2 × 32 bit, 15 × 16 bit |
| Communication peripherals | 4 × I2C, 5 × USART, 6 × SPI, 2 × CAN, 2 × SAI |
| Measuring PCB Pin ID | Measuring PCB Pin Function | µC Pin ID | µC Pin Function |
|---|---|---|---|
| +3.3 V | 3.3 V supply input | 3V3 | 3.3 V supply output |
| +5 V | 5 V supply input | 5V | 5 V supply output |
| OUT_U | LEM’s output voltage proportional to the current in phase U (A) | PA7 | ADC2 module input of channel 7 (ADC2_INP7) |
| OUT_V | LEM’s output voltage proportional to the current in phase V (B) | PA6 | ADC2 module input of channel 3 (ADC2_INP3) |
| OUT_W | LEM’s output voltage proportional to the current in phase W (C) | PF14 | ADC2 module input of channel 6 (ADC2_INP6) |
| GND | Ground | GND | Ground |
Disclaimer/Publisher’s Note: The statements, opinions and data contained in all publications are solely those of the individual author(s) and contributor(s) and not of MDPI and/or the editor(s). MDPI and/or the editor(s) disclaim responsibility for any injury to people or property resulting from any ideas, methods, instructions or products referred to in the content. |
© 2024 by the authors. Licensee MDPI, Basel, Switzerland. This article is an open access article distributed under the terms and conditions of the Creative Commons Attribution (CC BY) license (https://creativecommons.org/licenses/by/4.0/).
Share and Cite
Pietrzak, P.; Wolkiewicz, M.; Kotarski, J. Low-Cost Microcontroller-Based System for Condition Monitoring of Permanent-Magnet Synchronous Motor Stator Windings. Electronics 2024, 13, 2975. https://doi.org/10.3390/electronics13152975
Pietrzak P, Wolkiewicz M, Kotarski J. Low-Cost Microcontroller-Based System for Condition Monitoring of Permanent-Magnet Synchronous Motor Stator Windings. Electronics. 2024; 13(15):2975. https://doi.org/10.3390/electronics13152975
Chicago/Turabian StylePietrzak, Przemyslaw, Marcin Wolkiewicz, and Jan Kotarski. 2024. "Low-Cost Microcontroller-Based System for Condition Monitoring of Permanent-Magnet Synchronous Motor Stator Windings" Electronics 13, no. 15: 2975. https://doi.org/10.3390/electronics13152975
APA StylePietrzak, P., Wolkiewicz, M., & Kotarski, J. (2024). Low-Cost Microcontroller-Based System for Condition Monitoring of Permanent-Magnet Synchronous Motor Stator Windings. Electronics, 13(15), 2975. https://doi.org/10.3390/electronics13152975

