Design and Implementation of Peak Current Mode with PI Controller for Coupled Inductor-Based High-Gain Z-Source Converter
Abstract
1. Introduction
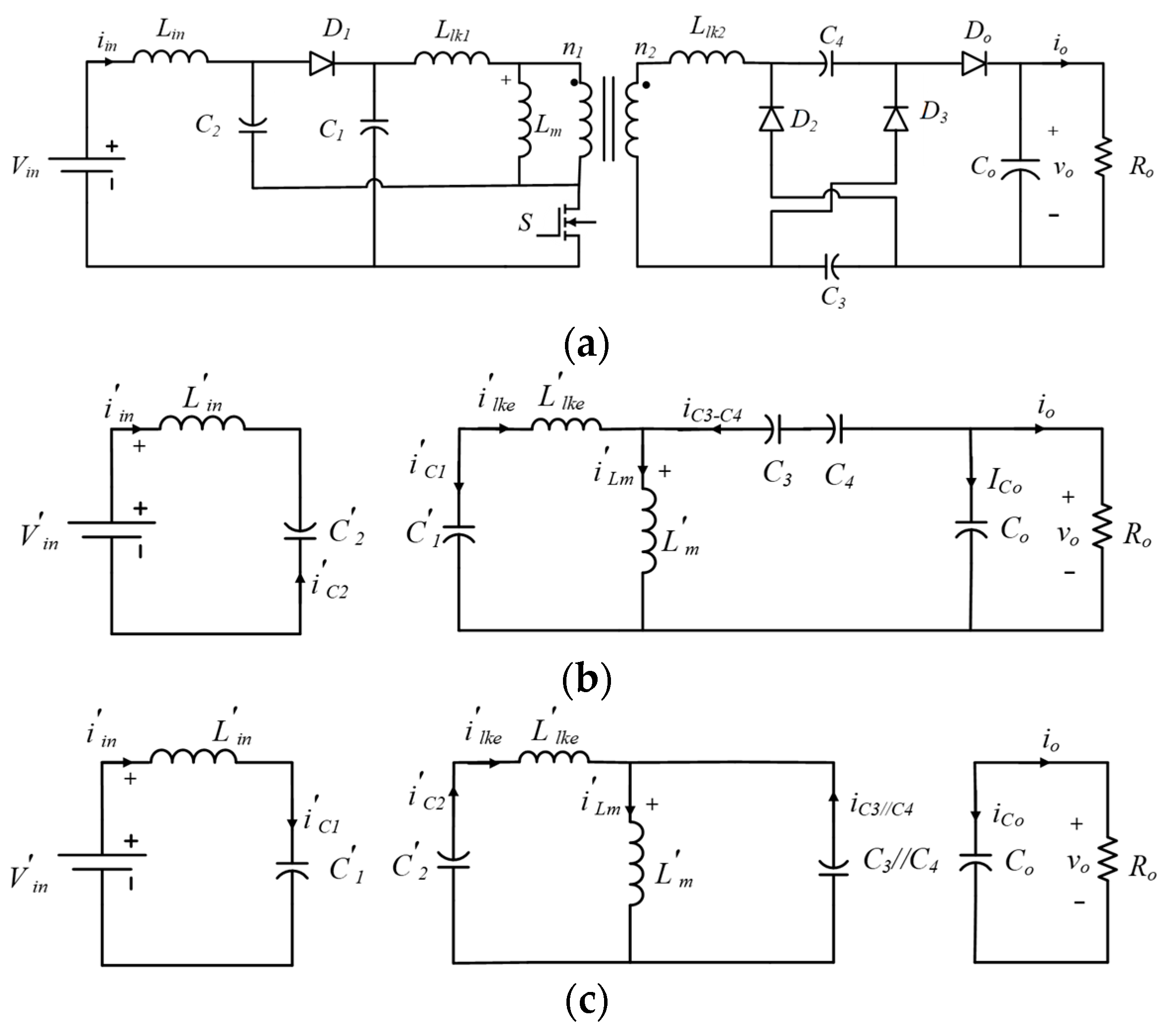
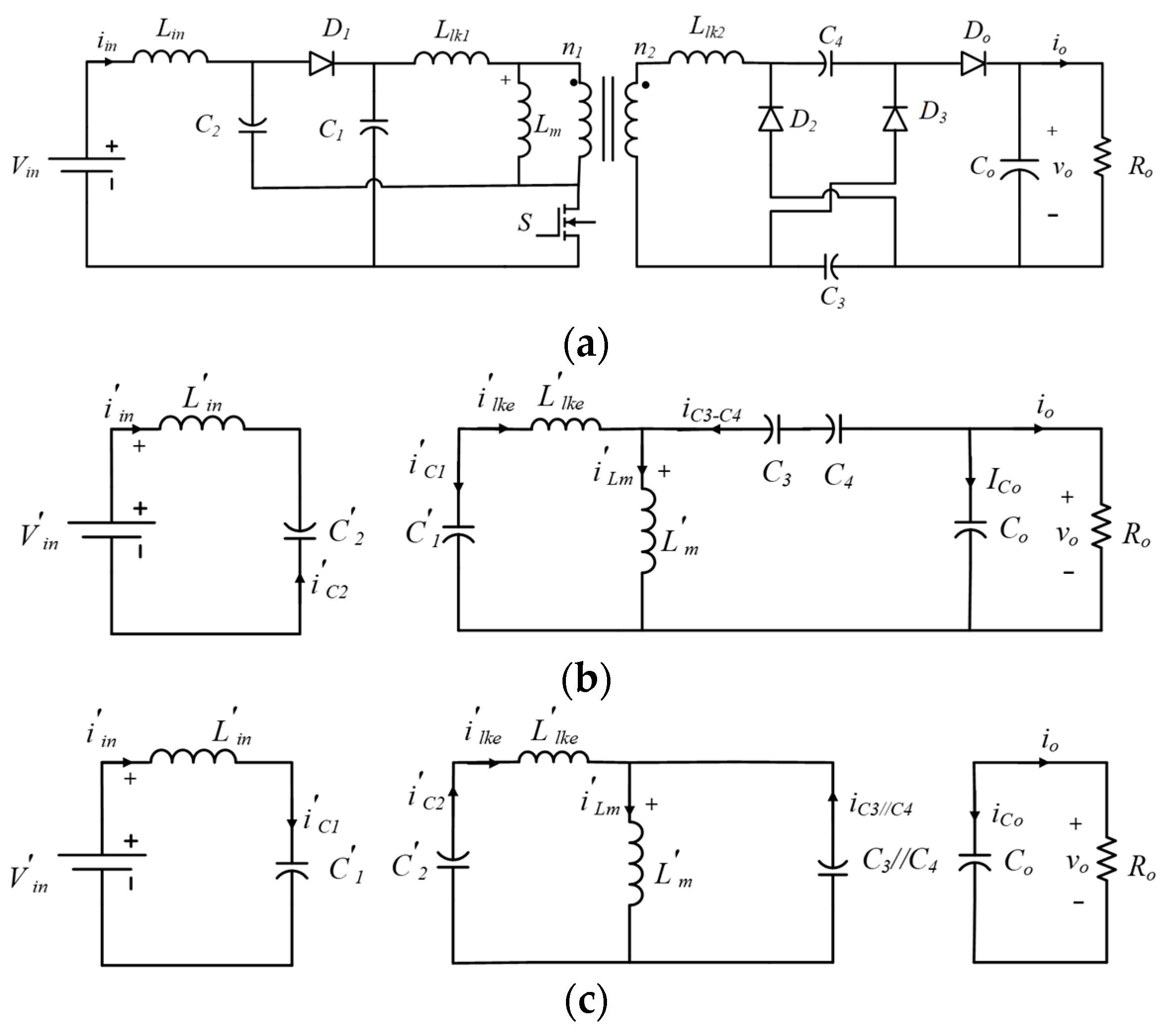
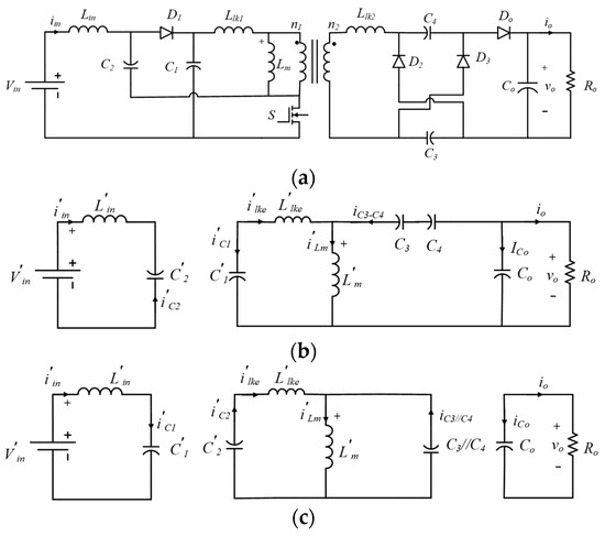
2. Volt/Charge Balance Based Dynamic Modelling
- From the static analysis of the converter, write down volt–balance and charge–balance expressions for all inductors and capacitors existing in the converter, respectively. As is well known, through the static analysis of these equations the operating points, around which the system is to be linearized, are obtained.
- Using Jacobian Linearization, linearize the volt–charge balance expressions w.r.t. dynamic variables of the converter. Then, obtain dynamic equations describing inductor currents and capacitor voltages in differential form, each of which corresponds to the state equations of the system.
Modeling Z-Source Converter
3. Closed Loop Control of the System
4. Results
5. Conclusions
Author Contributions
Funding
Data Availability Statement
Acknowledgments
Conflicts of Interest
References
- Wai, R.; Lin, C.-Y.; Duan, R.Y.; Chang, Y.-R. High-efficiency power conversion system for kilowatt-level stand-alone generation unit with low input voltage. IEEE Trans. Ind. Electron. 2007, 55, 3702–3714. [Google Scholar]
- Park, K.-B.; Moon, G.-W.; Youn, M.-J. Nonisolated high step-up stacked converter based on boost-integrated isolated converter. IEEE Trans. Power Electron. 2011, 26, 577–587. [Google Scholar] [CrossRef]
- Spiazzi, G.; Mattavelli, P.; Costabeber, A. High step-up ratio flyback converter with active clamp and voltage multiplier. IEEE Trans. Power Electron. 2011, 26, 3204–3215. [Google Scholar] [CrossRef]
- Park, K.B.; Moon, G.W.; Youn, M.J. Non isolated high step-up boost converter integrated with Sepic converter. IEEE Trans. Power Electron. 2010, 25, 2266–2275. [Google Scholar] [CrossRef]
- Chen, S.M.; Liang, T.J.; Yang, L.S.; Chen, J.F. A cascaded high step-up DC–DC converter with single switch for micro source applications. IEEE Trans. Power Electron. 2011, 26, 1146–1153. [Google Scholar] [CrossRef]
- Banaei, M.R.; Ardi, H.; Alizadeh, R.; Farakhor, A. Non-isolated multi-input–single-output DC/DC converter for photovoltaic power generation systems. IET Power Electron. 2014, 7, 2806–2816. [Google Scholar] [CrossRef]
- Kouro, S.; Leon, J.I.; Vinnikov, D.; Franquelo, L.G. Grid-connected photovoltaic systems: An overview of recent research and emerging PV converter technology. IEEE Trans. Ind. Electron. 2015, 9, 47–61. [Google Scholar] [CrossRef]
- Pragallapati, N.; Agarwal, V. Distributed PV power extraction based on a modified interleaved Sepic for non-uniform irradiation conditions. IEEE J. Photovolt. 2015, 5, 1442–1453. [Google Scholar] [CrossRef]
- Peng, F.Z. Z-source inverter. IEEE Trans. Ind. Appl. 2003, 39, 504–510. [Google Scholar] [CrossRef]
- Anderson, J.; Peng, F.Z. Four quasi-Z-Source inverters. In Proceedings of the 2008 Power Electronics Specialists Conference (PESC), Rhodes, Greece, 15–19 June 2008; IEEE: Piscataway, NJ, USA, 2008; pp. 2743–2749. [Google Scholar]
- Qian, W.; Peng, F.Z.; Cha, H. Trans-Z-source inverters. IEEE Trans. Power Electron. 2011, 26, 3453–3463. [Google Scholar] [CrossRef]
- Vinnikov, D.; Roasto, I. Quasi-Z-source-based isolated DC/DC converters for distributed power generation. IEEE Trans. Ind. Electron. 2011, 58, 192–201. [Google Scholar] [CrossRef]
- Evran, F.; Aydemir, M.T. Z-Source based isolated high step-up converter. IET Power Electron. 2012, 6, 117–124. [Google Scholar] [CrossRef]
- Lee, J.; Kim, M.; Kim, S.; Choi, S. An isolated single-switch ZCS resonant converter with high step-up ratio. IEEE Trans. Power Electron. 2021, 36, 11555–11564. [Google Scholar] [CrossRef]
- Rahimi, R.; Habibi, S.; Shamsi, P.; Ferdowsi, M. A three-winding coupled inductor based dual-switch high step-up DC-DC converter for photovoltaic systems. IEEE J. Emerg. Sel. Top. Ind. Electron. 2022, 3, 1106–1117. [Google Scholar] [CrossRef]
- Middlebrook, R.D. Small-signal modeling of pulse-width modulated switched-mode power converters. Proc. IEEE 1988, 76, 343–354. [Google Scholar] [CrossRef]
- Middlebrook, R.D.; Cuk, S. A general unified approach to modelling switching-converter power stages. In Proceedings of the 1976 IEEE Power Electronics Specialists Conference, Cleveland, OH, USA, 8–10 June 1976; pp. 18–34. [Google Scholar]
- Vorperian, V. Simplified analysis of PWM converters using model of PWM switch. Continuous conduction mode. IEEE Trans. Aerosp. Electron. Syst. 1990, 26, 490–496. [Google Scholar] [CrossRef]
- Vorperian, V. Simplified analysis of PWM converters using model of PWM switch. Part II: Discontinuous conduction mode. IEEE Trans. Aerosp. Electron. Syst. 1990, 26, 497–505. [Google Scholar] [CrossRef]
- Chang, C.-Y.; Liu, W.-S.; Chen, J.-F.; Lin, R.-L.; Liang, T.-J.; Chen, M.-H. Modified PWM switch model for continuous conduction mode DC–DC converters with coupled inductors. IET Power Electron. 2010, 3, 629–636. [Google Scholar] [CrossRef]
- Hwang, T.-S.; Park, S.-Y. Seamless boost converter control under the critical boundary condition for a fuel cell power conditioning system. IEEE Trans. Power Electron. 2012, 27, 3616–3626. [Google Scholar] [CrossRef]
- Shin, H.B.; Jang, E.S.; Park, J.G.; Lee, H.W.; Lipo, T.A. Small-signal analysis of multiphase interleaved boost converter with coupled inductors. Proc. Inst. Elect. Eng. Elect. Power Appl. 2005, 152, 1161–1170. [Google Scholar] [CrossRef]
- Zhang, G.; Shen, Y.; Chen, J.; Yu, S.S.; Iu, H.H.-C.; Fernando, T.; Zhang, Y. Advanced small-signal-based analytical approach to modelling high-order converters. IET Power Electron. 2018, 12, 228–236. [Google Scholar] [CrossRef]
- Dağ, B.; Akçam, F.S. Small-signal modelling method for Boost converter. In Proceedings of the Anadolu 11th International Conference on Applied Sciences, Diyarbakır, Turkiye, 17–18 December 2022; pp. 166–186. [Google Scholar]
- Carrero, N.; Batlle, C.; Fossas, E. Cascade sliding mode-PID controller for a coupled-inductor Boost converter. In Proceedings of the 52nd IEEE Conference on Decision and Control, Firenze, Italy, 10–13 December 2013; pp. 3653–3658. [Google Scholar]
- Sharma, K.; Palwalia, D.K. Robust controller design for DC-DC converters using fuzzy logic. In Proceedings of the 2017 4th International Conference on Signal Processing, Computing and Control (ISPCC), Solan, India, 21–23 September 2017; pp. 477–481. [Google Scholar]
- Kurokawa, F.; Maruta, H.; Sakemi, J.; Nakamura, A.; Osuga, H. A New Prediction Based Digital Control DC-DC Converter. In Proceedings of the 9th International Conference on Machine Learning and Applications, ICMLA, Washington, DC, USA, 12–14 December 2010; pp. 720–725. [Google Scholar] [CrossRef]
- Xu, X.; Liu, J.; Zhang, Y. Research of current hysteresis control for boost bridgeless PFC. In Proceedings of the 2018 13th IEEE Conference on Industrial Electronics and Applications (ICIEA), Wuhan, China, 31 May–2 June 2018; pp. 265–269. [Google Scholar] [CrossRef]
- Faizan, M.; Wang, X.; Yousaf, M.Z.; Mirsaeidi, S. Comprehensive Comparison of Current Mode Control Schemes for LLC Resonant Converter. In Proceedings of the 2023 3rd International Conference on New Energy and Power Engineering (ICNEPE), Huzhou, China, 24–26 November 2023; pp. 850–855. [Google Scholar] [CrossRef]
- Yan, Y.; Lee, F.C.; Mattavelli, P.; Liu, P.-H. I2 Average Current Mode Control for Switching Converters. IEEE Trans. Power Electron. 2014, 29, 2027–2036. [Google Scholar] [CrossRef]
- Femia, N.; Stoyka, K.; Capua, G.D. Impact of Inductors Saturation on Peak-Current Mode Control Operation. IEEE Trans. Power Electron. 2020, 35, 10969–10981. [Google Scholar] [CrossRef]
- Scirè, D.; Lullo, G.; Vitale, G. Non-Linear Inductor Models Comparison for Switched-Mode Power Supplies Applications. Electronics 2022, 11, 2472. [Google Scholar] [CrossRef]
- Scirè, D.; Lullo, G.; Vitale, G. EMI Filter Re-Design in a SMPS with Inductor in Saturation. In Proceedings of the 2021 IEEE 15th International Conference on Compatibility, Power Electronics and Power Engineering (CPE-POWERENG), Florence, Italy, 14–16 July 2021; pp. 1–7. [Google Scholar] [CrossRef]
- Narasimharaju, B.L.; Dubey, S.P.; Singh, S.P. Voltage Mode Control of Coupled Inductor Bidirectional DC to DC Converter. In Proceedings of the 2010 IEEE International Conference of Electron Devices and Solid-State Circuits (EDSSC), Tianjin, China, 17–18 November 2011; pp. 1–6. [Google Scholar]
- Lin, H.; Chung, H.S.-H.; Shen, R.; Xiang, Y. Enhancing Stability of DC Cascaded Systems With CPLs Using MPC Combined With NI and Accounting for Parameter Uncertainties. Trans. Power Electron. 2024, 39, 5225–5238. [Google Scholar] [CrossRef]
- Xiang, Y.; Chung, H.S.-H.; Lin, H. Light Implementation Scheme of ANN-Based Explicit Model-Predictive Control for DC–DC Power Converters. IEEE Trans. Ind. Inform. 2024, 20, 4065–4078. [Google Scholar] [CrossRef]
- Ghosh, S.K.; Roy, T.K.; Alam, Z.; Saha, S.; Alzahrani, A. Transient Stability Enhancement of DC–DC Boost Converters Feeding Constant Power Loads in DC Microgrid Applications via Composite Nonlinear Control Techniques. IEEE Access 2023, 11, 69951–69964. [Google Scholar] [CrossRef]
- Wang, X.; Huang, Q.; Zhang, B.; Chen, D.; Guan, Q. Z-domain modeling of peak current mode control for full-bridge DC-DC buck converters. J. Power Electron. 2021, 21, 27–37. [Google Scholar] [CrossRef]
- Vaghela, M.A.; Mulla, M.A. Peak Current Mode Control of Coupled Inductor based High Step-Up Gain Boost Converter. In Proceedings of the 2018 8th IEEE India International Conference on Power Electronics (IICPE), Jaipur, India, 13–15 December 2018; pp. 1–6. [Google Scholar] [CrossRef]
- Muñoz, J.-G.; Gallo, G.; Osorio, G.; Angulo, F. Performance Analysis of a Peak-Current Mode Control with Compensation Ramp for a Boost-Flyback Power Converter. J. Control. Sci. Eng. 2016, 2016, 7354791. [Google Scholar] [CrossRef]
- Hada, K.; Sharma, A.K.; Tomar, P.S.; Gupta, J. Modern Z-Source power conversion topologies: A review. Int. Res. J. Eng. Technol. 2017, 4, 3207–3211. [Google Scholar]
- Angélico, B.A.; Campanhol, L.B.G.; Oliveira da Silva, S.A. Proportional–integral/proportional–integral-derivative tuning procedure of a single-phase shunt active power filter using Bode diagram. IET Power Electron. 2014, 7, 2647–2659. [Google Scholar] [CrossRef]












| Parameter | Value | Operating Points |
|---|---|---|
| Lin, rin | 1.6 mH, 0.2 Ω | D = 0.3 |
| Lm Llke, rlke | 2.5 mH 25 µH, 0.2 Ω | Vo = 1000 V |
| C1 | 1.1 µF | |
| C2 | 1.1 µF | |
| C3 | 1.1 µF | |
| C4 | 1.1 µF | |
| C0 | 1.1 µF | |
| n | 1.12 | |
| k | 0.99 | |
| Ro | 1000 Ω | |
| Vin | 350 V | |
| fs | 50 kHz |
| Components Used | Components Parameters |
|---|---|
| MOSFET | G3R40MT12J, 1200 V, 47 A, RDSON: 40 mohm |
| Diodes | IDM05G120C5, 1200 V, 5 A. Schottky |
| Capacitors | C4AQPBU, 1200 V, 1.1 μF |
| Input Inductor Core | 79726A7, AL = 175, Kool Mu Max toroid |
| Coupled Inductor Core | 79617A7, AL = 189, Kool Mu Max toroid |
| Microcontroller | STM32G474RE MCU |
| MOSFET Driver | IED3431MC12M |
Disclaimer/Publisher’s Note: The statements, opinions and data contained in all publications are solely those of the individual author(s) and contributor(s) and not of MDPI and/or the editor(s). MDPI and/or the editor(s) disclaim responsibility for any injury to people or property resulting from any ideas, methods, instructions or products referred to in the content. |
© 2024 by the authors. Licensee MDPI, Basel, Switzerland. This article is an open access article distributed under the terms and conditions of the Creative Commons Attribution (CC BY) license (https://creativecommons.org/licenses/by/4.0/).
Share and Cite
Özer, Ş.C.; Dağ, B.; Demirel, S.; Özdemir, M.A. Design and Implementation of Peak Current Mode with PI Controller for Coupled Inductor-Based High-Gain Z-Source Converter. Electronics 2024, 13, 2964. https://doi.org/10.3390/electronics13152964
Özer ŞC, Dağ B, Demirel S, Özdemir MA. Design and Implementation of Peak Current Mode with PI Controller for Coupled Inductor-Based High-Gain Z-Source Converter. Electronics. 2024; 13(15):2964. https://doi.org/10.3390/electronics13152964
Chicago/Turabian StyleÖzer, Şükrü Can, Bülent Dağ, Selman Demirel, and Mehmet Akif Özdemir. 2024. "Design and Implementation of Peak Current Mode with PI Controller for Coupled Inductor-Based High-Gain Z-Source Converter" Electronics 13, no. 15: 2964. https://doi.org/10.3390/electronics13152964
APA StyleÖzer, Ş. C., Dağ, B., Demirel, S., & Özdemir, M. A. (2024). Design and Implementation of Peak Current Mode with PI Controller for Coupled Inductor-Based High-Gain Z-Source Converter. Electronics, 13(15), 2964. https://doi.org/10.3390/electronics13152964

