Collaborative Design of Pulsed-Power Generator Based on SiC Drift Step Recovery Diode
Abstract
1. Introduction
2. Design of SiC DSRD Device
2.1. Operation Principle of SiC DSRD
2.2. Parameter Selection and Optimization of SiC DSRD
3. Collaborative Design of DSRD-Based Pulse Generator
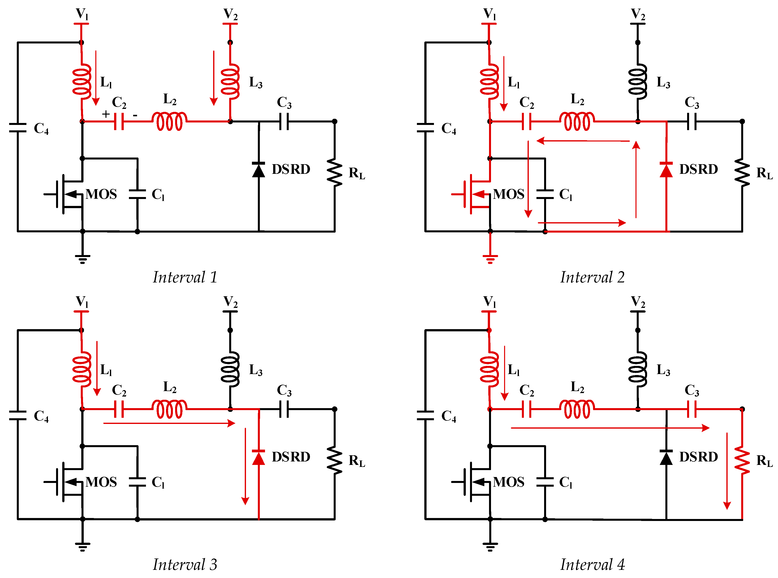
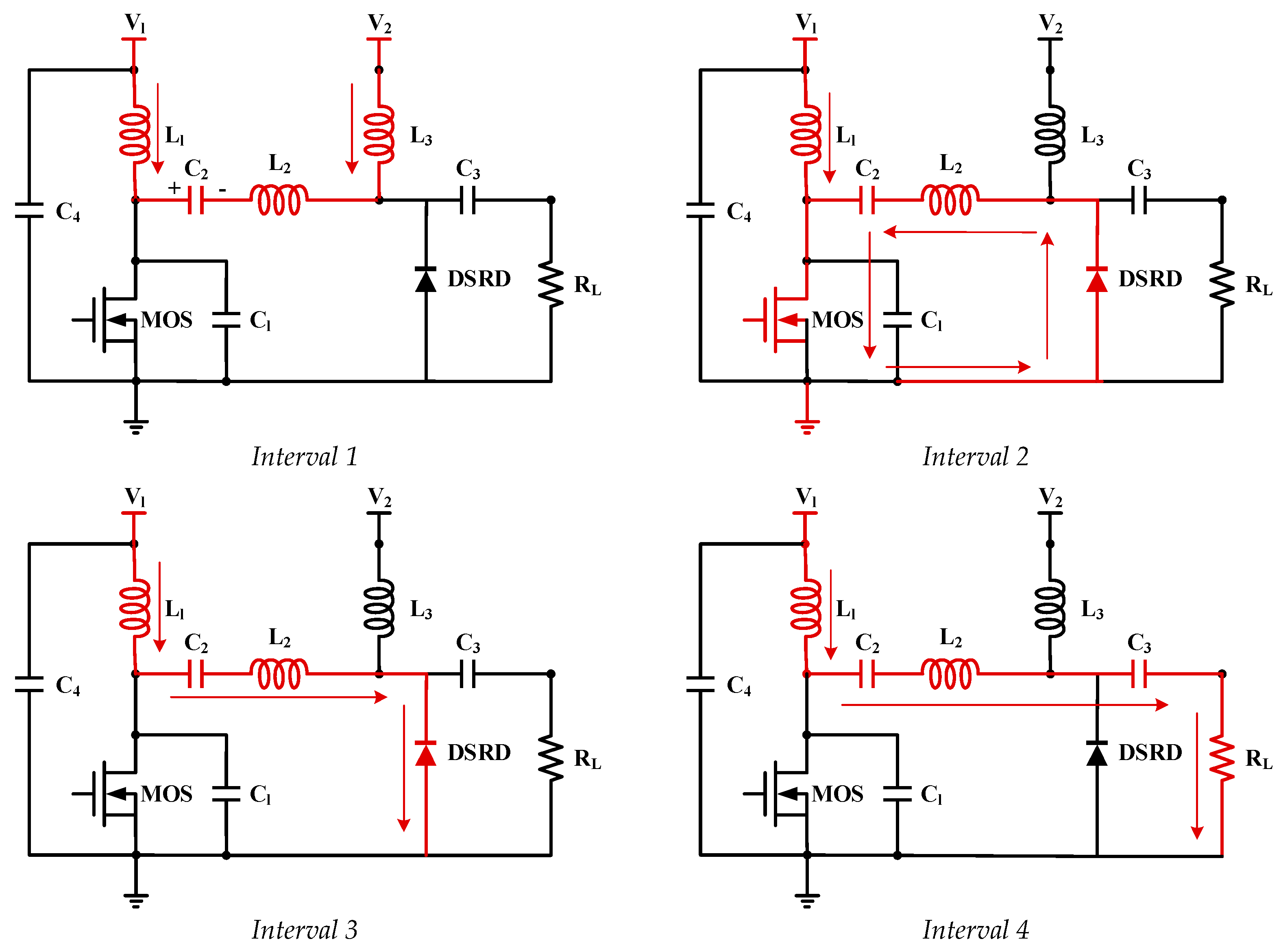
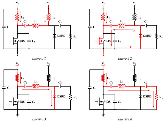
3.1. Working Principle of Driving Circuit
3.2. Conduction Time of the MOSFET
3.3. Inductance Design
3.4. Capacitance Design
3.5. MOSFET and Driver Design
4. Simulation Analysis
5. Experimental Result
6. Conclusions
Author Contributions
Funding
Data Availability Statement
Acknowledgments
Conflicts of Interest
References
- Jiang, W.H. Repetition rate pulsed power technology and its applications. High Power Laser Part. Beams 2012, 24, 10–15. [Google Scholar] [CrossRef]
- van Heesch, E.; Pemen, A.; Huijbrechts, P.; van der Laan, P.; Prasinski, K.; Zanstra, G.; de Jong, P. A fast pulsed power source applied to treatment of conducting liquids and air. IEEE Trans. Plasma Sci. 2000, 28, 137–143. [Google Scholar] [CrossRef]
- Lyublinsky, A.G.; Korotkov, S.V.; Aristov, Y.V.; Korotkov, D.A. Pulse power nanosecond-range DSRD-based generators for electric discharge technologies. IEEE Trans. Plasma Sci. 2013, 41, 2625–2629. [Google Scholar] [CrossRef]
- Matsumoto, T.; Wang, D.; Namihira, T.; Katsuki, S.; Akiyama, H. Performances of nanosecond pulsed discharge. Acta Phys. Pol. A 2009, 115, 1101–1103. [Google Scholar] [CrossRef]
- Grekhov, I.V.; Mesyats, G.A. Nanosecond semiconductor diodes for pulsed power switching. Phys.-Uspekhi 2005, 48, 703. [Google Scholar] [CrossRef]
- Efanov, V.M.; Kardo-Sysoev, A.F.; Larionov, M.A.; Tchashnikov, I.G.; Yarin, P.M.; Kriklenko, A.V. Powerful semiconductor 80 kV nanosecond pulser. In Proceedings of the 11th IEEE International Pulsed Power Conference, Baltimore, MD, USA, 29 June–2 July 1997; pp. 985–987. [Google Scholar]
- Kesar, A.S.; Merensky, L.M.; Ogranovich, M.; Kardo-Sysoev, A.F.; Shmilovitz, D. 6-kV, 130-ps rise-time pulsed-power circuit featuring cascaded compression by fast recovery and avalanche diodes. Electron. Lett. 2013, 49, 1539–1540. [Google Scholar] [CrossRef]
- Krasnykh, A. Overview of driver technologies for nanosecond TEM kickers. In Proceedings of the 7th International Particle Accelerator Conference (IPAC 2016), Busan, Republic of Korea, 3 May 2016; pp. 3645–3647. [Google Scholar]
- Benwell, A.; Burkhart, C.; Krasnykh, A.; Tang, T.; Kardo-Sysoev, A. A 5 kV, 3 MHz solid-state modulator based on the DSRD switch for an ultra-fast beam kicker. In Proceedings of the IEEE International Power Modulator and High Voltage Conference (IPMHVC), San Diego, CA, USA, 23 May 2013; pp. 328–331. [Google Scholar]
- Fang, X.; Ding, Z.; Hao, Q.; Yuan, X.; Hu, L.; Fan, Y. Study on generation of drift step recovery diodes for sub-nanosecond switching and high repetition rate operation. In Proceedings of the 4th China Pulsed Power Conference, Hohhot, China, 25 August 2015; pp. 351–354. [Google Scholar]
- Ilyin, V.A.; Afanasyev, A.V.; Ivanov, B.V.; Kardo-Sysoev, A.F.; Luchinin, V.V.; Reshanov, S.A. High-voltage ultra-fast pulse diode stack based on 4H-SiC. Mater. Sci. Forum 2016, 858, 786–789. [Google Scholar] [CrossRef]
- Ivanov, B.V.; Smirnov, A.A.; Shevchenko, S.A.; Afanasyev, A.V.; Ilyin, V.A. High voltage sub-nanosecond silicon carbide opening switch. In Proceedings of the 57th International Scientific Conference on Power and Electrical Engineering of Riga Technical University (RTUCON), Riga, Latvia, 13–14 October 2016; pp. 1–4. [Google Scholar]
- Goto, T.; Shirai, T.; Tokuchi, A.; Naito, T.; Fukuda, K.; Iwamuro, N. Experimental demonstration on ultra-high voltage and high speed 4H-SiC DSRD with smaller numbers of die stacks for pulse power. Mater. Sci. Forum 2018, 924, 858–861. [Google Scholar] [CrossRef]
- Ilyin, V.A.; Afanasyev, A.V.; Demin, Y.S.; Ivanov, B.V.; Kardo-Sysoev, A.F.; Luchinin, V.V. 30 kV pulse diode stack based on 4H-SiC. Mater. Sci. Forum 2018, 924, 841–844. [Google Scholar] [CrossRef]
- Wang, Y.; He, P.; Jing, X.; Tie, W.; Xie, J.; Zhao, C. Simulation and calculation of pulsed power source based on drift step recovery diode switching. High Power Laser Part. Beams 2018, 30, 095005. [Google Scholar]
- Sun, R.; Zhang, K.; Chen, W.; Xia, Y.; Tan, J.; Chen, Y. 10-kV 4H-SiC Drift Step Recovery Diodes (DSRDs) for Compact High-repetition Rate Nanosecond HV Pulse Generator. In Proceedings of the 32nd International Symposium on Power Semiconductor Devices and ICs (ISPSD), Vienna, Austria, 18 August 2020; pp. 62–65. [Google Scholar]
- Yang, Z.W.; Liang, L.; Yan, X.X. Dynamic Electrical Characteristics of 4H-SiC Drift Step Recovery Diodes of High Voltage. IEEE Trans. Plasma Sci. 2022, 50, 1276–1281. [Google Scholar] [CrossRef]
- Kyuregyan, A.S. Theory of Drift Step Recovery Diodes. Solid State Electron. 2004, 49, 720–727. [Google Scholar] [CrossRef]
- Ivanov, B.V.; Smirnov, A.A.; Shevchenko, S.A. A Study of Charge Losses in 4H-SiC Drift Step Recovery Diodes (DSRD). In Proceedings of the of EIConRusNW, St. Petersburg, Russia, 3 February 2016; pp. 51–52. [Google Scholar]
- Ivanov, P.A.; Konkov, O.I.; Samsonova, T.P.; Potapov, A.S.; Grekhov, I.V. Dynamic Characteristics of 4H-SiC Drift Step Recovery Diodes. Semiconductors 2015, 49, 1511–1515. [Google Scholar] [CrossRef]
- Galeckas, A.; Linnros, J. Investigation of surface recombination and carrier lifetime in 4H/6H-SiC. Mater. Sci. Eng. 1999, 61, 239–243. [Google Scholar] [CrossRef]







| Parameters | Values |
|---|---|
| L1 | 320 nH |
| L2 | 100 nH |
| C1 | 1 nF |
| C2 | 15 nF |
| ΔT | 25 ns |
| DE475-102N21A | IXRFD630 |
|---|---|
| VDS = 1000 V | Vcc = 30 V |
| ID25 = 24 A | Iin = 10 μA |
| IDM = 144 A | Ipeak = 28 A |
| RDS(on) < 0.45 Ω | VOH = 30 V |
| Ton = 5 ns | Tr = 4 ns |
| Toff = 8 ns | Tf = 4 ns |
Disclaimer/Publisher’s Note: The statements, opinions and data contained in all publications are solely those of the individual author(s) and contributor(s) and not of MDPI and/or the editor(s). MDPI and/or the editor(s) disclaim responsibility for any injury to people or property resulting from any ideas, methods, instructions or products referred to in the content. |
© 2024 by the authors. Licensee MDPI, Basel, Switzerland. This article is an open access article distributed under the terms and conditions of the Creative Commons Attribution (CC BY) license (https://creativecommons.org/licenses/by/4.0/).
Share and Cite
Guo, J.; Chen, Y.; Zhang, Y.; Sun, L.; Zhou, Y.; Song, Q.; Tang, X.; Zhang, Y. Collaborative Design of Pulsed-Power Generator Based on SiC Drift Step Recovery Diode. Electronics 2024, 13, 2152. https://doi.org/10.3390/electronics13112152
Guo J, Chen Y, Zhang Y, Sun L, Zhou Y, Song Q, Tang X, Zhang Y. Collaborative Design of Pulsed-Power Generator Based on SiC Drift Step Recovery Diode. Electronics. 2024; 13(11):2152. https://doi.org/10.3390/electronics13112152
Chicago/Turabian StyleGuo, Jingkai, Yahui Chen, Yu Zhang, Lejia Sun, Yu Zhou, Qingwen Song, Xiaoyan Tang, and Yuming Zhang. 2024. "Collaborative Design of Pulsed-Power Generator Based on SiC Drift Step Recovery Diode" Electronics 13, no. 11: 2152. https://doi.org/10.3390/electronics13112152
APA StyleGuo, J., Chen, Y., Zhang, Y., Sun, L., Zhou, Y., Song, Q., Tang, X., & Zhang, Y. (2024). Collaborative Design of Pulsed-Power Generator Based on SiC Drift Step Recovery Diode. Electronics, 13(11), 2152. https://doi.org/10.3390/electronics13112152
