Right Coprime Factorization-Based Simultaneous Control of Input Hysteresis and Output Disturbance and Its Application to Soft Robotic Finger
Abstract
1. Introduction
2. Hysteresis Characteristics
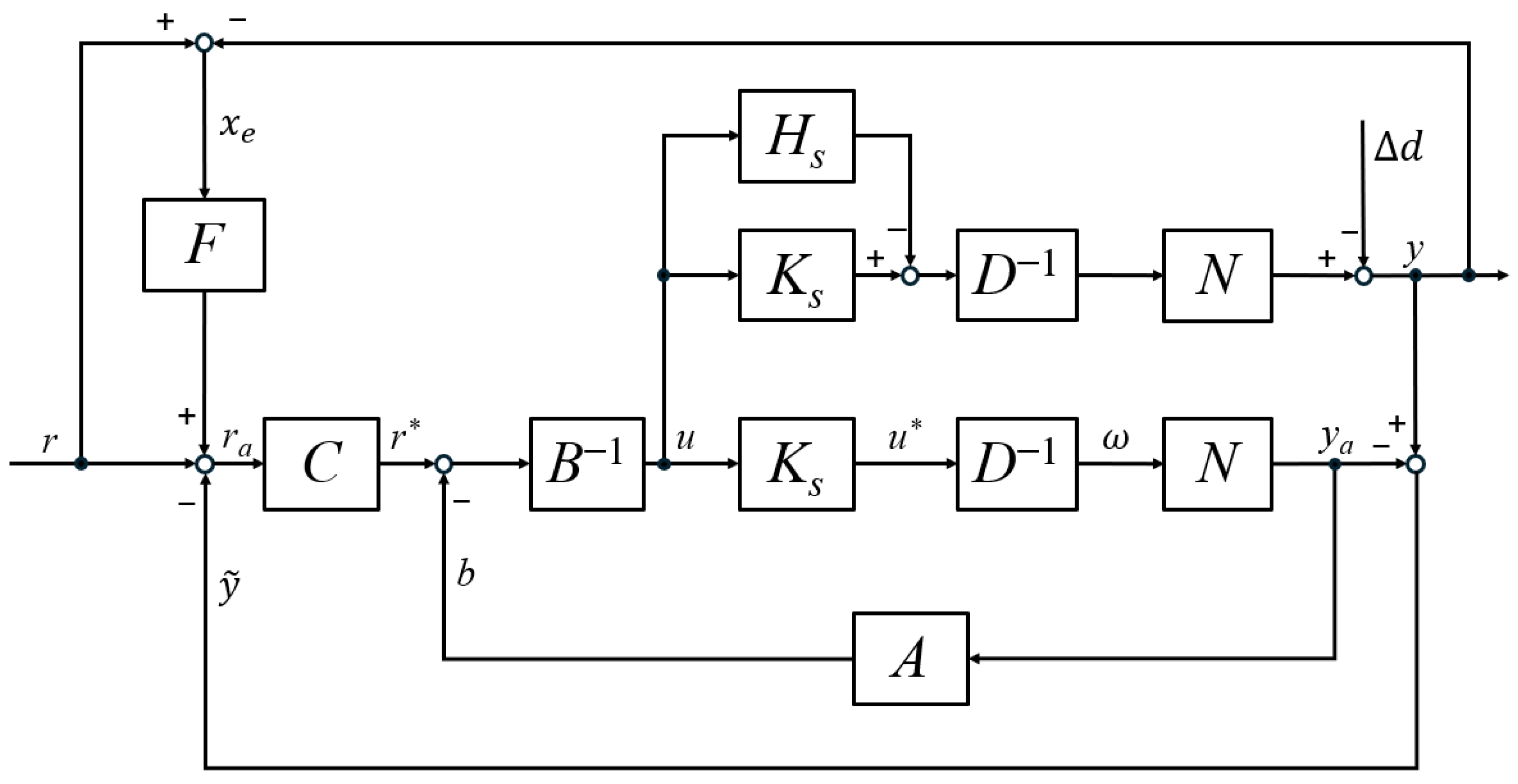
3. Scheme of Proposed System
3.1. Right Coprime Factorization (RCF) Theory
3.2. Scheme of Proposed System

4. Application for Soft Robotic Fingers
4.1. Mathematical Model of Soft Robotic Fingers
4.2. Hysteresis Characteristics of Soft Robotic Fingers
4.3. Design of Operators
4.4. Simulation and Practical Experiments
5. Conclusions
Author Contributions
Funding
Data Availability Statement
Conflicts of Interest
Appendix A
References
- Janaideh, M.; Su, C.; Rakheja, S. Development of the rate-dependent Prandtl–Ishlinskii model for smart actuators. Smart Mater. Struct. 2008, 17, 035026. [Google Scholar] [CrossRef]
- Mishra, M.; Samantaray, A.; Chakraborty, G. Fractional-order Bouc-wen hysteresis model for pneumatically actuated continuum manipulator. Mech. Mach. Theory 2022, 173, 104841. [Google Scholar] [CrossRef]
- Su, C.; Wang, Q.; Chen, X.; Rakheja, S. Adaptive variable structure control of a class of nonlinear systems with unknown Prandtl-Ishlinskii hysteresis. IEEE Trans. Autom. Control 2005, 50, 2069–2074. [Google Scholar]
- Deng, M.; Inoue, A.; Zhu, Q. An integrated study procedure on real-time estimation of time-varying multi-joint human arm viscoelasticity. Trans. Inst. Meas. Control 2011, 33, 919–941. [Google Scholar] [CrossRef]
- Sudani, M.; Deng, M.; Wakimoto, S. Modelling and operator-based nonlinear control for a miniature pneumatic bending rubber actuator considering bellows. Actuators 2018, 7, 26. [Google Scholar] [CrossRef]
- Deng, M.; Kawashima, T. Adaptive Nonlinear Sensorless Control for an Uncertain Miniature Pneumatic Curling Rubber Actuator Using Passivity and Robust Right Coprime Factorization. IEEE Trans. Control. Syst. Technol. 2016, 24, 318–324. [Google Scholar] [CrossRef]
- Deng, M.; Inoue, A.; Goto, S. Operator based Thermal Control of an Aluminum Plate with a Peltier Device. Int. J. Innov. Comput. Inf. Control 2008, 4, 3219–3229. [Google Scholar]
- Zhang, Q.; Liu, P.; Deng, Q.; Tong, A.; Pannek, J. An Intelligent Robust Operator-Based Sliding Mode Control for Trajectory Tracking of Nonlinear Uncertain Systems. Electronics 2023, 12, 3379. [Google Scholar] [CrossRef]
- Zhang, J.; Wang, T.; Hong, J.; Wang, Y. Review of soft-bodied manipulator. J. Mech. Eng. 2017, 53, 19–28. [Google Scholar] [CrossRef]
- Wakimoto, S.; Suzimori, K.; Ogura, K. Miniature pneumatic curling rubber actuator generating bidirectional motion with one air-supply tube. Adv. Robot. 2012, 25, 1311–1330. [Google Scholar] [CrossRef]
- Shintake, J.; Sonar, H.; Piskarev, E.; Paik, J.; Floreano, D. Soft pneumatic gelatin actuator for edible robotics. In Proceedings of the 2017 IEEE/RSJ International Conference on Intelligent Robots and Systems (IROS), Vancouver, BC, Canada, 24–28 September 2017; pp. 6221–6226. [Google Scholar]
- Xavier, M.; Tawk, C.; Yong, Y.; Fleming, A. 3D-printed omnidirectional soft pneumatic actuators: Design, modeling and characterization. Sens. Actuators Phys. 2021, 332, 113199. [Google Scholar] [CrossRef]
- Hu, W.; Mutlu, R.; Li, W.; Alici, G. A Structural Optimisation Method for a Soft Pneumatic Actuator. Robotics 2018, 7, 24. [Google Scholar] [CrossRef]
- An, Z.; Bu, N. Modeling for a Bellow-Shaped Soft Actuator Based on Yeoh model and Operator-Based Nonlinear Control Design. In Proceedings of the 2023 International Conference on Advanced Mechatronic Systems (ICAMechS), Melbourne, Australia, 4–7 September 2023; pp. 1–5. [Google Scholar]
- Bu, N.; Zhang, Y.; Zhang, Y.; Morohoshi, Y.; Deng, M. Robust Control for Hysteretic Micro-hand Actuator using Robust Right Coprime Factorization. IEEE Trans. Autom. Control 2023, 1–7. [Google Scholar] [CrossRef]
- Li, X.; Bu, N.; Zhang, Y. Robust tracking control for operator-based uncertain micro-hand actuator with Prandtl–Ishlinskii hysteresis. Asian J. Control 2023, 25, 2336–2344. [Google Scholar] [CrossRef]

















| Parameters | Values | Parameters | Values |
|---|---|---|---|
| m | 1.25 | ||
| m | 4.10 | ||
| m | −0.63 | ||
| m | 0.0001 | ||
| m | 0.1 s |
Disclaimer/Publisher’s Note: The statements, opinions and data contained in all publications are solely those of the individual author(s) and contributor(s) and not of MDPI and/or the editor(s). MDPI and/or the editor(s) disclaim responsibility for any injury to people or property resulting from any ideas, methods, instructions or products referred to in the content. |
© 2024 by the authors. Licensee MDPI, Basel, Switzerland. This article is an open access article distributed under the terms and conditions of the Creative Commons Attribution (CC BY) license (https://creativecommons.org/licenses/by/4.0/).
Share and Cite
An, Z.; Deng, M.; Morohoshi, Y. Right Coprime Factorization-Based Simultaneous Control of Input Hysteresis and Output Disturbance and Its Application to Soft Robotic Finger. Electronics 2024, 13, 2025. https://doi.org/10.3390/electronics13112025
An Z, Deng M, Morohoshi Y. Right Coprime Factorization-Based Simultaneous Control of Input Hysteresis and Output Disturbance and Its Application to Soft Robotic Finger. Electronics. 2024; 13(11):2025. https://doi.org/10.3390/electronics13112025
Chicago/Turabian StyleAn, Zizhen, Mingcong Deng, and Yuuki Morohoshi. 2024. "Right Coprime Factorization-Based Simultaneous Control of Input Hysteresis and Output Disturbance and Its Application to Soft Robotic Finger" Electronics 13, no. 11: 2025. https://doi.org/10.3390/electronics13112025
APA StyleAn, Z., Deng, M., & Morohoshi, Y. (2024). Right Coprime Factorization-Based Simultaneous Control of Input Hysteresis and Output Disturbance and Its Application to Soft Robotic Finger. Electronics, 13(11), 2025. https://doi.org/10.3390/electronics13112025

