Scalable and Optimal QoS-Aware Manufacturing Service Composition via Business Process Decomposition
Abstract
1. Introduction
- −
- A QoS-aware manufacturing service composition optimization approach is proposed via business process decomposition, so that optimized service compositions are achieved layer by layer based on the refined process structure tree in a bottom-up manner.
- −
- This is the first time to introduce business process decomposition for manufacturing service composition. In this way, both the optimality and scalability can be ensured under large-scale manufacturing services.
- −
- Extensive experiments are conducted to verify both the optimality and scalability of our approach. Furthermore, the experimental results show the superiority of our approach compared with baselines.
2. Related Work
3. Framework of QoS-Aware Manufacturing Service Composition Optimization Approach
4. Scalable QoS-Aware Manufacturing Service Composition Optimization via Business Process Decomposition
4.1. QoS Normalization
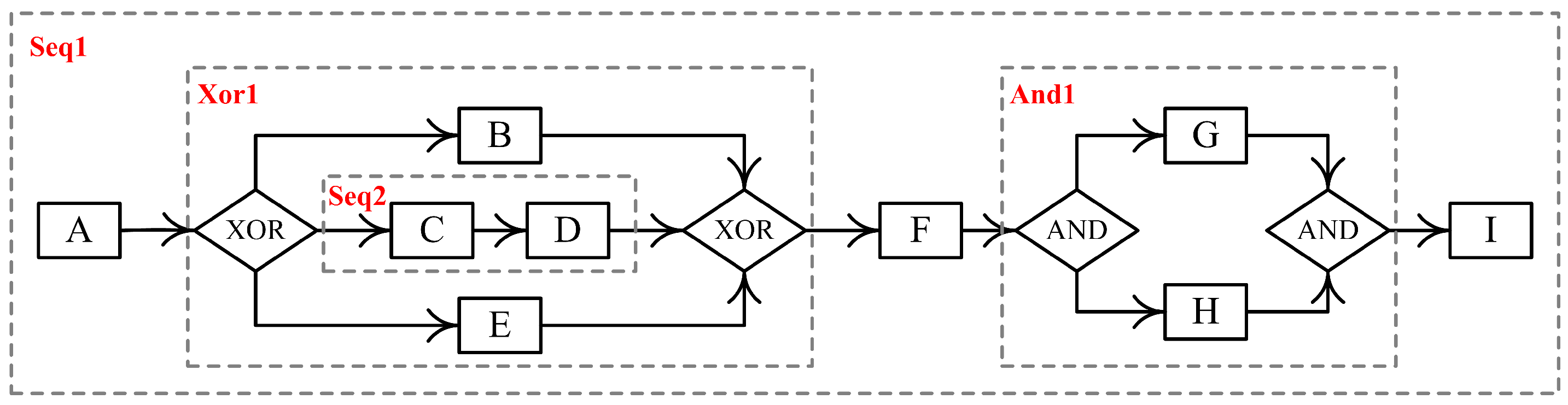
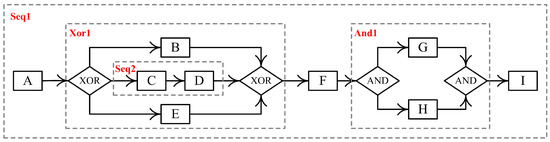
4.2. Decomposition of Manufacturing Business Process
4.3. QoS-Aware Service Composition Based on RPST
| Algorithm 1 Skyline Service Calculation |
|
| Algorithm 2 Service Composition |
|
5. Evaluation
5.1. Experimental Setup
5.2. Performance Evaluation
6. Conclusions
Author Contributions
Funding
Data Availability Statement
Conflicts of Interest
References
- Qin, W.; Chen, S.; Peng, M. Recent advances in Industrial Internet: Insights and challenges. Digit. Commun. Netw. 2020, 6, 1–13. [Google Scholar] [CrossRef]
- Li, J.Q.; Yu, F.R.; Deng, G.; Luo, C.; Ming, Z.; Yan, Q. Industrial Internet: A survey on the enabling technologies, applications, and challenges. IEEE Commun. Surv. Tutor. 2017, 19, 1504–1526. [Google Scholar] [CrossRef]
- Liu, Z.; Wang, L.; Li, X.; Pang, S. A multi-attribute personalized recommendation method for manufacturing service composition with combining collaborative filtering and genetic algorithm. J. Manuf. Syst. 2021, 58, 348–364. [Google Scholar] [CrossRef]
- Chen, F.; Dou, R.; Li, M.; Wu, H. A flexible QoS-aware Web service composition method by multi-objective optimization in cloud manufacturing. Comput. Ind. Eng. 2016, 99, 423–431. [Google Scholar] [CrossRef]
- Poryazov, S.; Andonov, V.; Saranova, E.; Atanassov, K. Two Approaches to the Traffic Quality Intuitionistic Fuzzy Estimation of Service Compositions. Mathematics 2022, 10, 4439. [Google Scholar] [CrossRef]
- Kang, G.; Liu, J.; Tang, M.; Xu, Y. An effective dynamic Web service selection strategy with global optimal QoS based on particle swarm optimization algorithm. In Proceedings of the 2012 IEEE 26th International Parallel and Distributed Processing Symposium Workshops & PhD Forum, Shanghai, China, 21–25 May 2012; pp. 2280–2285. [Google Scholar]
- Xie, N.; Tan, W.; Zheng, X.; Zhao, L.; Huang, L.; Sun, Y. An efficient two-phase approach for reliable collaboration-aware service composition in cloud manufacturing. J. Ind. Inf. Integr. 2021, 23, 100–121. [Google Scholar] [CrossRef]
- Strunk, A. QoS-aware service composition: A survey. In Proceedings of the 2010 Eighth IEEE European Conference on Web Services, Ayia Napa, Cyprus, 1–3 December 2010; pp. 67–74. [Google Scholar]
- Tarawneh, H.; Alhadid, I.; Khwaldeh, S.; Afaneh, S. An intelligent cloud service composition optimization using spider monkey and multistage forward search algorithms. Symmetry 2022, 14, 82. [Google Scholar] [CrossRef]
- Duboc, L.; Bahsoon, R.; Alrebeish, F.; Mera-Gómez, C.; Nallur, V.; Kazman, R.; Bianco, P.; Babar, A.; Buyya, R. Systematic scalability modeling of QoS-aware dynamic service composition. ACM Trans. Auton. Adapt. Syst. 2022, 16, 10. [Google Scholar] [CrossRef]
- Naseri, A.; Jafari Navimipour, N. A new agent-based method for QoS-aware cloud service composition using particle swarm optimization algorithm. J. Ambient. Intell. Humaniz. Comput. 2019, 10, 1851–1864. [Google Scholar] [CrossRef]
- Kang, G.; Liu, J.; Xiao, Y.; Cao, Y.; Cao, B.; Shi, M. Web services clustering via exploring unified content and structural semantic Representation. IEEE Trans. Netw. Serv. Manag. 2022, 19, 4082–4096. [Google Scholar] [CrossRef]
- Kang, G.; Liu, J.; Xiao, Y.; Cao, B.; Xu, Y.; Cao, M. Neural and attentional factorization machine based Web API recommendation for Mashup development. IEEE Trans. Netw. Serv. Manag. 2021, 18, 4183–4196. [Google Scholar] [CrossRef]
- Kang, G.; Xiao, Y.; Liu, J.; Cao, Y.; Cao, B.; Zhang, X.; Ding, L. Tatt-BiLSTM: Web service classification with topical attention based BiLSTM. Concurr. Comput-Pract. Exp. 2021, 33, 1–13. [Google Scholar] [CrossRef]
- Lemos, A.L.; Daniel, F.; Benatallah, B. Web service composition: A survey of techniques and tools. ACM Comput. Surv. CSUR 2015, 48, 33. [Google Scholar] [CrossRef]
- Huang, Z.; Jiang, W.; Hu, S.; Liu, Z. Effective pruning algorithm for QoS-aware service composition. In Proceedings of the 2009 IEEE Conference on Commerce and Enterprise Computing, Vienna, Austria, 20–23 July 2009; pp. 519–522. [Google Scholar]
- Nam, W.; Kil, H.; Lee, J. QoS-driven Web service composition using learning-based depth first search. In Proceedings of the 2009 IEEE Conference on Commerce and Enterprise Computing, Vienna, Austria, 20–23 July 2009; pp. 507–510. [Google Scholar]
- Zeng, L.; Benatallah, B.; Ngu, A.H.; Dumas, M.; Kalagnanam, J.; Chang, H. QoS-aware middleware for Web services composition. IEEE Trans. Softw. Eng. 2004, 30, 311–327. [Google Scholar] [CrossRef]
- Zeng, L.; Benatallah, B.; Dumas, M.; Kalagnanam, J.; Sheng, Q.Z. Quality driven Web services composition. In Proceedings of the 12th International Conference on World Wide Web, Budapest, Hungary, 20–24 May 2003; pp. 411–421. [Google Scholar]
- Wang, L.; Shen, J.; Yong, J. A survey on bio-inspired algorithms for Web service composition. In Proceedings of the 2012 IEEE 16th International Conference on Computer Supported Cooperative Work in Design (CSCWD), Wuhan, China, 23–25 May 2012; pp. 569–574. [Google Scholar]
- Liu, S.; Liu, Y.; Jing, N.; Tang, G.; Tang, Y. A dynamic Web service selection strategy with QoS global optimization based on multi-objective genetic algorithm. In Proceedings of the International Conference on Grid and Cooperative Computing, Beijing, China, 30 November–3 December 2005; Springer: Berlin/Heidelberg, Germany, 2005; pp. 84–89. [Google Scholar]
- Zhao, X.; Song, B.; Huang, P.; Wen, Z.; Weng, J.; Fan, Y. An improved discrete immune optimization algorithm based on PSO for QoS-driven Web service composition. Appl. Soft Comput. 2012, 12, 2208–2216. [Google Scholar] [CrossRef]
- Zhang, W.; Chang, C.K.; Feng, T.; Jiang, H.y. QoS-based dynamic Web service composition with ant colony optimization. In Proceedings of the 2010 IEEE 34th Annual Computer Software and Applications Conference, Seoul, Republic of Korea, 19–23 July 2010; pp. 493–502. [Google Scholar]
- Xu, X.; Liu, Z.; Wang, Z.; Sheng, Q.Z.; Yu, J.; Wang, X. S-ABC: A paradigm of service domain-oriented artificial bee colony algorithms for service selection and composition. Future Gener. Comput. Syst. 2017, 68, 304–319. [Google Scholar] [CrossRef]
- Niu, S.; Zou, G.; Gan, Y.; Xiang, Y.; Zhang, B. Towards the optimality of QoS-aware Web service composition with uncertainty. Int. J. Web Grid Serv. 2019, 15, 1–28. [Google Scholar] [CrossRef]
- Wu, Z.; Meng, K.; Yan, X.; Shi, D.; Hu, B. Abstraction refinement approach for Web service selection using Skyline computations. In Proceedings of the 2021 IEEE World Congress on Services (SERVICES), Chicago, IL, USA, 5–10 September 2021; pp. 66–71. [Google Scholar]
- Alhosaini, H.; Wang, X.; Yao, L.; Chen, Y.; Xu, G. Caching hierarchical Skylines for efficient service composition on service graphs. In Proceedings of the 2022 IEEE International Conference on Services Computing (SCC), Barcelona, Spain, 10–16 July 2022; pp. 1–9. [Google Scholar]
- Gavvala, S.K.; Jatoth, C.; Gangadharan, G.; Buyya, R. QoS-aware cloud service composition using eagle strategy. Future Gener. Comput. Syst. 2019, 90, 273–290. [Google Scholar] [CrossRef]
- Liu, C.; Su, Z.; Xu, X.; Lu, Y. Service-oriented industrial internet of things gateway for cloud manufacturing. Robot. Comput.-Integr. Manuf. 2022, 73, 102–217. [Google Scholar] [CrossRef]
- Wang, L.; Gao, T.; Zhou, B.; Tang, H.; Xiang, F. Manufacturing service recommendation method toward industrial internet platform considering the cooperative relationship among enterprises. Expert Syst. Appl. 2022, 192, 116–391. [Google Scholar] [CrossRef]
- Jin, H.; Jiang, C.; Lv, S.; He, H.; Liao, X. A hybrid teaching-learning-based optimization algorithm for QoS-aware manufacturing cloud service composition. Computing 2022, 104, 2489–2509. [Google Scholar] [CrossRef]
- Moghaddam, M.; Davis, J.G. Service selection in Web service composition: A comparative review of existing approaches. In Web Services Foundations; Springer: Berlin/Heidelberg, Germany, 2014; pp. 321–346. [Google Scholar]
- Shehu, U.G.; Epiphaniou, G.; Safdar, G.A. A survey of QoS-aware web service composition techniques. Int. J. Comput. Appl. 2014, 89, 10–17. [Google Scholar] [CrossRef]
- Shu, Y.; Zhang, J.; Zhang, W.E.; Zuo, D.; Sheng, Q.Z. IQSrec: An efficient and diversified Skyline services recommendation on incomplete QoS. IEEE Trans. Serv. Comput. 2022. early access. [Google Scholar] [CrossRef]
- Vanhatalo, J.; Völzer, H.; Koehler, J. The refined process structure tree. In Proceedings of the International Conference on Business Process Management, Milan, Italy, 2–4 September 2008; Springer: Berlin/Heidelberg, Germany, 2008; pp. 100–115. [Google Scholar]
- Vanhatalo, J.; Völzer, H.; Koehler, J. The refined process structure tree. Data Knowl. Eng. 2009, 68, 793–818. [Google Scholar] [CrossRef]
- Kang, G.; Tang, M.; Liu, J.; Liu, X.; Cao, B. Diversifying Web service recommendation results via exploring service usage history. IEEE Trans. Serv. Comput. 2015, 9, 566–579. [Google Scholar] [CrossRef]
- Al-Masri, E. QWS Dataset. Available online: https://qwsdata.github.io/ (accessed on 1 January 2022).













| QoS Properties/Structures | Response Time | Cost | Availability |
|---|---|---|---|
| Sequence (Seq) | |||
| Switch (Xor) | |||
| Parallel (And) | |||
| Loop (Loop) |
| # | QoS Property | Minimum | Maximum | Average | +/− |
|---|---|---|---|---|---|
| 1 | Response Time | 37.00 | 4989.67 | 383.83 | − |
| 2 | Availability | 0.07 | 1.00 | 0.81 | + |
| 3 | Throughput | 0.10 | 43.10 | 9.03 | + |
| 4 | Reliability | 0.33 | 0.89 | 0.69 | + |
| # | Baselines | Description |
|---|---|---|
| 1 | GA | This approach uses a genetic algorithm. |
| 2 | PSO | This approach uses a particle swarm optimization algorithm. |
| 3 | TLBO | This approach uses a teaching–learning-based optimization algorithm. |
| 4 | Skyline+GA | This approach uses a genetic algorithm with initial Skyline services for each task. |
| 5 | Skyline+PSO | This approach uses a particle swarm optimization algorithm with initial Skyline services for each task. |
| 6 | Skyline+TLBO | This approach uses a teaching–learning-based optimization algorithm with initial Skyline services for each task. |
| 7 | SQMSC-MH | This approach is a variant of SQWSC by not using a meta-heuristic algorithm, i.e., select the Skyline (compound) services. |
| Parameter | Serie A | Serie B |
|---|---|---|
| # QoS Properties | 40 | |
| # Service Candidates | 3 |
| Approaches | Optimality | Scalability |
|---|---|---|
| GA | 63.5257 ± 7.1428 | 43.7523 ± 4.1821 |
| PSO | 42.9009 ± 2.4821 | 62.7209 ± 4.9327 |
| TLBO | 55.2482 ± 3.4008 | 50.8838 ± 3.2382 |
| Skyline+GA | 66.4522 ± 3.5141 | 28.1245 ± 2.9564 |
| Skyline+PSO | 55.7582 ± 1.8293 | 51.0326 ± 3.1694 |
| Skyline+TLBO | 62.5074 ± 2.1741 | 25.3899 ± 2.6176 |
| SQMSC-MH | 91.7786 ± 0 | 36.1615 ± 0 |
| SQMSC | 82.2184 ± 2.7958 | 12.9858 ± 2.1093 |
Disclaimer/Publisher’s Note: The statements, opinions and data contained in all publications are solely those of the individual author(s) and contributor(s) and not of MDPI and/or the editor(s). MDPI and/or the editor(s) disclaim responsibility for any injury to people or property resulting from any ideas, methods, instructions or products referred to in the content. |
© 2023 by the authors. Licensee MDPI, Basel, Switzerland. This article is an open access article distributed under the terms and conditions of the Creative Commons Attribution (CC BY) license (https://creativecommons.org/licenses/by/4.0/).
Share and Cite
Xiang, J.; Kang, G.; Cheng, H.; Liu, J.; Wen, Y.; Xu, J. Scalable and Optimal QoS-Aware Manufacturing Service Composition via Business Process Decomposition. Electronics 2023, 12, 991. https://doi.org/10.3390/electronics12040991
Xiang J, Kang G, Cheng H, Liu J, Wen Y, Xu J. Scalable and Optimal QoS-Aware Manufacturing Service Composition via Business Process Decomposition. Electronics. 2023; 12(4):991. https://doi.org/10.3390/electronics12040991
Chicago/Turabian StyleXiang, Jiayan, Guosheng Kang, Hangyu Cheng, Jianxun Liu, Yiping Wen, and Junhua Xu. 2023. "Scalable and Optimal QoS-Aware Manufacturing Service Composition via Business Process Decomposition" Electronics 12, no. 4: 991. https://doi.org/10.3390/electronics12040991
APA StyleXiang, J., Kang, G., Cheng, H., Liu, J., Wen, Y., & Xu, J. (2023). Scalable and Optimal QoS-Aware Manufacturing Service Composition via Business Process Decomposition. Electronics, 12(4), 991. https://doi.org/10.3390/electronics12040991

