A Buck-Boost Converter with Extended Duty-Cycle Range in the Buck Voltage Region for Renewable Energy Sources
Abstract
1. Introduction
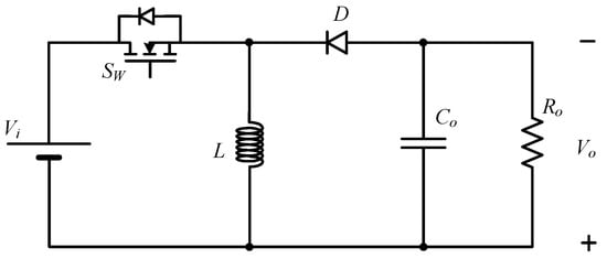
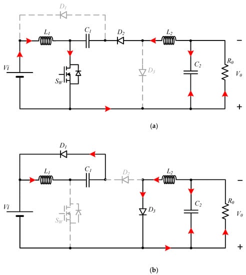
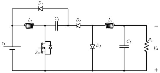
2. Analysis and Principle of Operation
Analysis in CCM
3. Analysis and Design of the Extended-Buck DC-DC Converter
3.1. Inductor and Capacitor Design
3.2. Semiconductor Voltage and Current Stress
3.3. Comparative Study
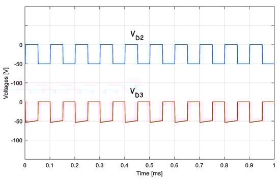
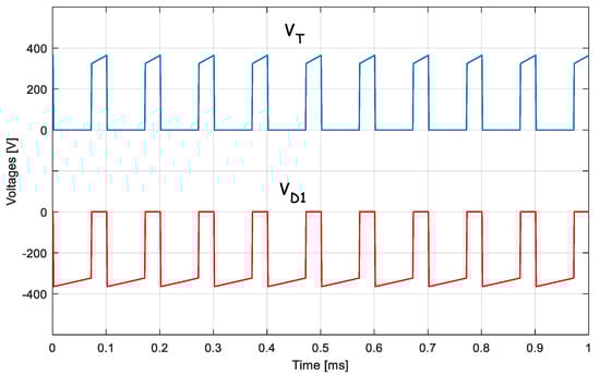
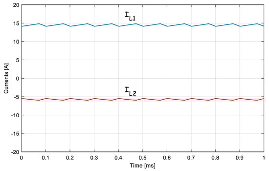
4. Simulation Results
5. Experimental Results
6. Conclusions
Author Contributions
Funding
Conflicts of Interest
Nomenclature
| Vi | input DC voltage to the converter, V |
| δ | duty cycle |
| Ts | switching period |
| L1, L2 | inductance of inductor(s), Henry |
| C1, C2 | capacitance of capacitor(s), Farad |
| D1, D2, D3 | diodes |
| Δt1 | capacitor discharge time |
| Ro | load resistance, Ohm |
| Sw | switch (MOSFET) |
| Vo | regulated output DC voltage, V |
| ΔVC1, ΔVC2 | peak-to-peak capacitor(s) ripple voltage, V |
| f | switching frequency, Hz |
| PO | output power, W |
| ISW | RMS switch current, A |
| ΔQ | charge variation |
| IL1, IL2 | current through inductor(s), A |
| VD1, VD2, VD3 | voltage across the diodes, V |
| VT | voltage stress on switch, V |
References
- Hossain, M.Z.; Rahim, N.A.; Selvaraj, J. Recent progress and development on power DC-DC converter topology, control, design and applications: A review. Renew. Sustain. Energy Rev. 2018, 81 Pt 1, 205–230. [Google Scholar] [CrossRef]
- Kjaer, S.B.; Pedersen, J.K.; Blaabjerg, F. Power inverter topologies for photovoltaic modules-a review. In Proceedings of the Conference Record of the 2002 IEEE Industry Applications Conference. 37th IAS Annual Meeting (Cat. No. 02CH37344), Pittsburgh, PA, USA, 13–18 October 2002; Volume 2, pp. 782–788. [Google Scholar]
- Murillo-Yarce, D.; Restrepo, C.; Lamar, D.G.; Hernando, M.M.; Sebastián, J. Study of Multiple Discontinuous Conduction Modes in SEPIC, Ćuk, and Zeta Converters. Electronics 2022, 11, 3744. [Google Scholar] [CrossRef]
- Ellabban, O.; Abu-Rub, H.; Blaabjerg, F. Renewable energy resources: Current status, future prospects and their enabling technology. Renew. Sustain. Energy Rev. 2014, 39, 748–764. [Google Scholar] [CrossRef]
- Pires, V.F.; Foito, D.; Cordeiro, A. A DC–DC Converter With Quadratic Gain and Bidirectional Capability for Batteries/Supercapacitors. IEEE Trans. Ind. Appl. 2018, 54, 274–285. [Google Scholar] [CrossRef]
- Hattori, S.; Eto, H.; Kurokawa, F. High Power Density Battery Charger for Plug-In Micro EV. Int. J. Renew. Energy Res. 2018, 8, 1006–1015. [Google Scholar]
- Raghavendra, K.V.G.; Zeb, K.; Muthusamy, A.; Krishna, T.N.V.; Kumar, S.V.S.V.P.; Kim, D.-H.; Kim, M.-S.; Cho, H.-G.; Kim, H.-J. A Comprehensive Review of DC–DC Converter Topologies and Modulation Strategies with Recent Advances in Solar Photovoltaic Systems. Electronics 2020, 9, 31. [Google Scholar] [CrossRef]
- Paragond, L.; Kurian, C.; Singh, B.; Jyothi, A. Simulation and Control of DC/DC Converter for MPPT Based Hybrid PV/Wind Power System. Int. J. Renew. Energy Res. 2014, 4, 801–809. [Google Scholar]
- Tofoli, F.L.; de Castro Pereira, D.; de Paula, W.J.; de Sousa Oliveira Junior, D. Survey on non-isolated high-voltage step-up DC-DC topologies based on the boost converter. IET Power Electron. 2015, 8, 2044–2057. [Google Scholar] [CrossRef]
- Dadras, M.; Farrokhifar, M. A High Performance DC/DC Converter Application to Obtain the Maximum Output Power of Solar Cells. Int. J. Renew. Energy Res. 2015, 5, 766–772. [Google Scholar]
- Williams, B.W. DC-to-DC converters with continuous input and output power. IEEE Trans. Power Electron. 2013, 28, 2307–2316. [Google Scholar] [CrossRef]
- Pires, V.F.; Foito, D.; Silva, J.F. A single switch hybrid DC/DC converter with extended static gain for photovoltaic applications. Electr. Power Syst. Res. 2017, 146, 228–235. [Google Scholar] [CrossRef]
- Kumar, R.; Kannan, R.; Singh, N.S.S.; Abro, G.E.M.; Mathur, N.; Baba, M. An Efficient Design of High Step-Up Switched Z-Source (HS-SZSC) DC-DC Converter for Grid-Connected Inverters. Electronics 2022, 11, 2440. [Google Scholar] [CrossRef]
- Gholizadeh, H.; Ben-Brahim, L. A New Non-Isolated High-Gain Single-Switch DC–DC Converter Topology with a Continuous Input Current. Electronics 2022, 11, 2900. [Google Scholar] [CrossRef]
- Abdullah, A.; Al-Hindaw, M.; Al-Turki, Y.; Mandal, K.; Giaouris, D.; Banerjee, S.; Voutetakis, S.; Papadopoulou, S. Stability of a boost converter fed from photovoltaic source. Sol. Energy 2013, 98 Pt C, 458–471. [Google Scholar]
- Son, H.-S.; Kim, J.-K.; Lee, J.-B.; Moon, S.-S.; Park, J.-H.; Lee, S.-H. A New Buck–Boost Converter With Low-Voltage Stress and Reduced Conducting Components. IEEE Trans. Ind. Electron. 2017, 64, 7030–7038. [Google Scholar] [CrossRef]
- Chen, J.; Maksimovic, D.; Erickson, R.W. Analysis and design of a low-stress buck boost converter in universal-input PFC applications. IEEE Trans. Power Electron. 2006, 21, 320–329. [Google Scholar] [CrossRef]
- Zhang, D.; Chen, D.Y.; Lee, F.C. An experimental comparison of conducted EMI emissions between a zero-voltage transition circuit and a hard-switching circuit. In Proceedings of the PESC Record. 27th Annual IEEE Power Electronics Specialists Conference (PESC’96), Baveno, Italy, 23–27 June 1996; pp. 1992–1997. [Google Scholar]
- Kircher, D.; Pommerenke, D.J. EMC Analysis of the Inverting Boost/Buck Converter Topology. Electronics 2022, 11, 3388. [Google Scholar] [CrossRef]
- Li, Q.; Wolfs, P. A Review of the Single Phase Photovoltaic Module Integrated Converter Topologies With Three Different DC Link Configurations. IEEE Trans. Power Electron. 2008, 23, 1320–1333. [Google Scholar]
- Kang, F. Modified multilevel inverter employing half- and full-bridge cells with cascade transformer and its extension to photovoltaic power generation. Electr. Power Syst. Res. 2010, 80, 1437–1445. [Google Scholar] [CrossRef]
- Haroun, R.; El Aroudi, A.; Cid-Pastor, A.; Garcia, G.; Olalla, C.; Martínez-Salamero, L. Impedance Matching in Photovoltaic Systems Using Cascaded Boost Converters and Sliding-Mode Control. IEEE Trans. Power Electron. 2015, 30, 3185–3199. [Google Scholar] [CrossRef]
- Islam, M.; Mekhilef, S. An improved transformerless grid connected photovoltaic inverter with reduced leakage current. Energy Convers. Manag. 2014, 88, 854–862. [Google Scholar] [CrossRef]
- Liu, H.; Li, F.; Ai, J. A Novel High Step-Up Dual Switches Converter With Coupled Inductor and Voltage Multiplier Cell for a Renewable Energy System. IEEE Trans. Power Electron. 2016, 31, 4974–4983. [Google Scholar] [CrossRef]
- Alonge, F.; Busacca, A.; Calabretta, M.; D’Ippolito, F.; Fagiolini, A.; Garraffa, G.; Messina, A.A.; Sferlazza, A.; Stivala, S. Nonlinear Robust Control of a Quadratic Boost Converter in a Wide Operation Range, Based on Extended Linearization Method. Electronics 2022, 11, 2336. [Google Scholar] [CrossRef]
- Zhu, M.; Luo, F.L. Development of Voltage Lift Technique on Double-Output Transformerless DC-DC Converter. In Proceedings of the IECON 2007—33rd Annual Conference of the IEEE Industrial Electronics Society, Taipei, Taiwan, 5–8 November 2007; pp. 1983–1988. [Google Scholar]
- Pires, V.; Cordeiro, A.; Foito, D.; Silva, J. High Step-Up DC–DC Converter for Fuel Cell Vehicles Based on Merged Quadratic Boost–Ćuk. IEEE Trans. Veh. Technol. 2019, 68, 7521–7530. [Google Scholar] [CrossRef]
- Haider, Z.; Ulasyar, A.; Khattak, A.; Zad, H.S.; Mohammad, A.; Alahmadi, A.A.; Ullah, N. Development and Analysis of a Novel High-Gain CUK Converter Using Voltage-Multiplier Units. Electronics 2022, 11, 2766. [Google Scholar] [CrossRef]
- Gu, Y.; Li, W.; Zhao, Y.; Yang, B.; Li, C.; He, X. Transformerless Inverter With Virtual DC Bus Concept for Cost-Effective Grid-Connected PV Power Systems. IEEE Trans. Power Electron. 2013, 28, 793–805. [Google Scholar] [CrossRef]
- Azri, M.; Rahim, N.A.; Halim, W.A. A Highly Efficient Single-phase Transformerless H-bridge Inverter for Reducing Leakage Ground Current in Photovoltaic Grid-connected System. Electr. Power Compon. Syst. 2015, 43, 928–938. [Google Scholar] [CrossRef]
- Yu, W.; Lai, J.-S.; Qian, H.; Hutchens, C. High-Efficiency MOSFET Inverter with H6-Type Configuration for Photovoltaic Nonisolated AC-Module Applications. IEEE Trans. Power Electron. 2011, 26, 1253–1260. [Google Scholar] [CrossRef]
- Rosas-Caro, J.C.; Ramirez, J.M.; Peng, F.Z.; Valderrabano, A. A DC-DC multilevel boost converter. IET Power Electron. 2010, 3, 129–137. [Google Scholar] [CrossRef]
- Addula, S.R.; Mahalingam, P. Coupled Inductor Based Soft Switched Interleaved DC-DC Converter for PV Applications. Int. J. Renew. Energy Res. 2016, 6, 361–374. [Google Scholar]
- Ravyts, S.; Vecchia, M.D.; Zwysen, J.; Van den Broeck, G.; Driesen, J. Study on a cascaded DC-DC converter for use in building-integrated photovoltaics. In Proceedings of the 2018 IEEE Texas Power and Energy Conference (TPEC), College Station, TX, USA, 8–9 February 2018. [Google Scholar]
- Mitsui, K.; Sato, T.; Nishijima, K.; Nabeshima, T. LLC converter combined with switched capacitor for high voltage applications. In Proceedings of the 2013 International Conference on Renewable Energy Research and Applications (ICRERA), Madrid, Spain, 20–23 October 2013; pp. 1013–1017. [Google Scholar]
- Liu, H.; Hu, H.; Wu, H.; Xing, Y.; Batarseh, I. Overview of High-Step-Up Coupled-Inductor Boost Converters. IEEE J. Emerg. Sel. Top. Power Electron. 2016, 4, 689–704. [Google Scholar] [CrossRef]
- Pires, V.F.; Foito, D.; Cordeiro, A.; Silva, J.F. A Single-Switch DC/DC Buck-Boost Converter with Extended Output Voltage. In Proceedings of the 7th International Conference on Renewable Energy Research and Applications (ICRERA), Paris, France, 14–17 October 2018; pp. 791–796. [Google Scholar] [CrossRef]
- Seguel, J.L.; Seleme, S.I., Jr.; Morais, L.M.F. Comparative Study of Buck-Boost, SEPIC, Cuk and Zeta DC-DC Converters Using Different MPPT Methods for Photovoltaic Applications. Energies 2022, 15, 7936. [Google Scholar] [CrossRef]
- Kano, F.; Kasai, Y.; Kimura, H.; Sagawa, K.; Haruna, J.; Funato, H. Buck-Boost-Type MPPT Circuit Suitable for Vehicle-Mounted Photovoltaic Power Generation. IEEJ Trans. Electr. Electron. Eng. 2021, 16, 1229–1238. [Google Scholar] [CrossRef]
- Shaw, P.; Siddique, M.D.; Mekhilef, S.; Iqbal, A. A new family of high gain boost DC-DC converters with reduced switch volt-age stress for renewable energy sources. Int. J. Circ. Theor. Appl. 2022, 1–21. [Google Scholar] [CrossRef]
- Khubchandani, V.; Veerachary, M. Extended Bucking Range Fifth-Order Buck-Boost Converter. In Proceedings of the IEEE International Conference on Power Electronics, Drives and Energy Systems (PEDES), Jaipur, India, 16–19 December 2020; pp. 1–6. [Google Scholar] [CrossRef]
- Mashinchi Maheri, H.; Vinnikov, D.; Chub, A.; Sidorov, V.; Liivik, E. Impact of Transformer Turns Ratio on the Power Losses and Efficiency of the Wide Range Isolated Buck–Boost Converter for Photovoltaic Applications. Energies 2020, 13, 5645. [Google Scholar] [CrossRef]
- Zhang, G.; Yuan, J.; Yu, S.S.; Zhang, N.; Wang, Y.; Zhang, Y. Advanced four-mode-modulation-based four-switch non-inverting buck–boost converter with extra operation zone. IET Power Electron. 2020, 13, 2049–2059. [Google Scholar] [CrossRef]
- Mahmood, A.; Zaid, M.; Ahmad, J.; Khan, M.A.; Khan, S.; Sifat, Z.; Lin, C.H.; Sarwar, A.; Tariq, M.; Alamri, B. A Non-Inverting High Gain DC-DC Converter with Continuous Input Current. IEEE Access 2021, 9, 54710–54721. [Google Scholar] [CrossRef]
- Bertoluzzo, M.; Bignucolo, F.; Bullo, M.; Diantini, M.; Dughiero, F.; Lancerin, M.; Sieni, E.; Vinante, M.; Zordan, M. A buck-boost DC-DC converter for single module photovoltaic application to vehicle recharge. In Proceedings of the IEEE 19th Workshop on Control and Modeling for Power Electronics (COMPEL), Padua, Italy, 25–28 June 2018; pp. 1–6. [Google Scholar] [CrossRef]
- Sarwar, S.; Javed, M.Y.; Jaffery, M.H.; Ashraf, M.S.; Naveed, M.T.; Hafeez, M.A. Modular Level Power Electronics (MLPE) Based Distributed PV System for Partial Shaded Conditions. Energies 2022, 15, 4797. [Google Scholar] [CrossRef]
- Ahmad, J.; Sidique, M.; Sarwar, A.; Lin, C.; Iqbal, A. A high gain noninverting DC–DC converter with low voltage stress for industrial applications. Int. J. Circuit Theory Appl. 2021, 49, 4212–4230. [Google Scholar] [CrossRef]
- Abdel-Rahim, O.; Chub, A.; Blinov, A.; Vinnikov, D. New High-Gain Non-Inverting Buck-Boost Converter. In Proceedings of the IECON 2021—47th Annual Conference of the IEEE Industrial Electronics Society, Toronto, ON, Canada, 13–16 October 2021; pp. 1–6. [Google Scholar] [CrossRef]



























| Topologies | Classic | [37] | [41] | [48] | Proposed | |
|---|---|---|---|---|---|---|
| Items | ||||||
| Voltage gain | ||||||
| Buck range | 0.50 | 0.38 | 0.66 | 0.25 | 0.62 | |
| Number of switches | 1 | 1 | 2 | 3 | 1 | |
| Number of diodes | 1 | 3 | 5 | 2 | 3 | |
| Number of inductors | 1 | 2 | 2 | 2 | 2 | |
| Number of capacitors | 1 | 2 | 3 | 1 | 2 | |
| Buck-Boost | Cuk | SEPIC | Proposed | ||||
|---|---|---|---|---|---|---|---|
| Buck | Boost | Buck | Boost | Buck | Boost | Buck | Boost |
| 93.7% | 97.5% | 94.1% | 97.6% | 92.8% | 97.3% | 92.2% | 97.1% |
Disclaimer/Publisher’s Note: The statements, opinions and data contained in all publications are solely those of the individual author(s) and contributor(s) and not of MDPI and/or the editor(s). MDPI and/or the editor(s) disclaim responsibility for any injury to people or property resulting from any ideas, methods, instructions or products referred to in the content. |
© 2023 by the authors. Licensee MDPI, Basel, Switzerland. This article is an open access article distributed under the terms and conditions of the Creative Commons Attribution (CC BY) license (https://creativecommons.org/licenses/by/4.0/).
Share and Cite
Monteiro, J.; Pires, V.F.; Foito, D.; Cordeiro, A.; Silva, J.F.; Pinto, S. A Buck-Boost Converter with Extended Duty-Cycle Range in the Buck Voltage Region for Renewable Energy Sources. Electronics 2023, 12, 584. https://doi.org/10.3390/electronics12030584
Monteiro J, Pires VF, Foito D, Cordeiro A, Silva JF, Pinto S. A Buck-Boost Converter with Extended Duty-Cycle Range in the Buck Voltage Region for Renewable Energy Sources. Electronics. 2023; 12(3):584. https://doi.org/10.3390/electronics12030584
Chicago/Turabian StyleMonteiro, Joaquim, V. Fernão Pires, Daniel Foito, Armando Cordeiro, J. Fernando Silva, and Sónia Pinto. 2023. "A Buck-Boost Converter with Extended Duty-Cycle Range in the Buck Voltage Region for Renewable Energy Sources" Electronics 12, no. 3: 584. https://doi.org/10.3390/electronics12030584
APA StyleMonteiro, J., Pires, V. F., Foito, D., Cordeiro, A., Silva, J. F., & Pinto, S. (2023). A Buck-Boost Converter with Extended Duty-Cycle Range in the Buck Voltage Region for Renewable Energy Sources. Electronics, 12(3), 584. https://doi.org/10.3390/electronics12030584

