Evaluation of Charging Methods for Lithium-Ion Batteries
Abstract
:1. Introduction
2. Lithium-Ion Battery Model
2.1. Physical Models [26]
2.2. Empirical Models
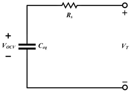
2.3. Abstract Models
2.4. The Determination of Abstract Model Parameters for Lithium-Ion Batteries
2.4.1. Introduction to AC Impedance Analysis
2.4.2. AC Impedance Analysis with Open-Circuit Potential Detection
2.4.3. Experimental Design for AC Impedance Analysis
2.4.4. Data Analysis of AC Impedance
- Select the presentation format of the measured data. For Nyquist plots, choose “Nyquist Impedance,” and select “z cycle” to display Nyquist plots for different remaining capacities.
- Next, choose the appropriate model. Z fit functionality is located in the “Analysis” menu under “Electrochemical Impedance Spectroscopy.” In this case, using Thevenin’s battery equivalent circuit model. Select a model that consists of two resistors (R1, R2) and one capacitor (C2) for fitting.
- Since the AC impedance analysis is conducted at every 1% of remaining capacity, first select the Nyquist plot for the desired remaining capacity, then define the range for curve fitting.
- Perform the curve fitting. Begin by minimizing the curve fitting using “Minimize” and then calculate the parameters using “Calculate” to obtain the curve’s parameters.
- Once you have the parameters from the fitted curve, record and document them.
3. Introduction to the Charging Methods
3.1. Constant Current-Constant Voltage (CC-CV) Charging Method
3.1.1. Type I CC-CV Charging Method
3.1.2. Type II CC-CV Charging Method
3.1.3. Type III CC-CV Charging Method
3.2. Constant Loss–Constant Voltage (CL-CV) Charging Method
3.3. Constant Power—Constant Voltage (CP-CV) Charging Method
4. Experimental Results
4.1. Test Environment
4.2. Introduction of the Chosen Battery
4.3. AC Impedance Parameters
4.4. Comparison of Charging Methods
5. Conclusions
Author Contributions
Funding
Data Availability Statement
Acknowledgments
Conflicts of Interest
References
- Tian, Y.; Lin, C.; Li, H.; Du, J.; Xiong, R. Detecting undesired lithium plating on anodes for lithium-ion batteries—A review on the in-situ methods. Appl. Energy 2021, 300, 117386. [Google Scholar] [CrossRef]
- Tomaszewska, A.; Chu, Z.; Feng, X.; O’Kane, S.; Liu, X.; Chen, J.; Ji, C.; Endler, E.; Li, R.; Liu, L.; et al. Lithium-ion battery fast charging: A review. eTransportation 2019, 1, 100011. [Google Scholar] [CrossRef]
- Hemavathi, S.; Shinisha, A. A study on trends and developments in electric vehicle charging technologies. J. Energy Storage 2022, 52, 105013. [Google Scholar] [CrossRef]
- Yang, B.; Wang, J.; Cao, P.; Zhu, T.; Shu, H.; Chen, J.; Zhang, J.; Zhu, J. Classification, summarization and perspectives on state-of-charge estimation of lithium-ion batteries used in electric vehicles: A critical comprehensive survey. J. Energy Storage 2021, 39, 102572. [Google Scholar] [CrossRef]
- Hsieh, G.-C.; Chen, L.-R. Fuzzy controlled Lithium-Ion Battery Charge System with Active State of Charge Controller. IEEE Trans. Ind. Electron. 2001, 48, 585–593. [Google Scholar] [CrossRef]
- Chen, L.-R. PLL-Based Battery Charge Circuit Topology. IEEE Trans. Ind. Electron. 2004, 51, 1344–1346. [Google Scholar] [CrossRef]
- Chen, L.-R.; Chen, J.-J.; Chu, N.-Y.; Han, G.-Y. Current pumped battery charger. IEEE Trans. Ind. Electron. 2008, 55, 2483–2488. [Google Scholar]
- Chen, L.-R.; Hsu, R.C.; Liu, C.-S. A Design of a Grey-Predicted Lithium-Ion Battery Charge System. IEEE Trans. Ind. Electron. 2004, 51, 3692–3701. [Google Scholar]
- Wang, S.-C.; Chen, G.-J.; Liu, Y.-H. Adaptive Charging Strategy with Temperature Rise Mitigation and Cycle Life Extension for Li-ion Batteries. CPSS Trans. Power Electron. Appl. 2018, 3, 202–212. [Google Scholar] [CrossRef]
- De Jongh, P.E.; Notten, P.H.L. Effect of Current Pulses on Lithium Intercalation Batteries. Solid State Ion. 2002, 148, 259–268. [Google Scholar] [CrossRef]
- Li, J.; Murphy, E.; Winnick, J.; Kohl, P.A. The Effects of Pulse Charging on Cycling Characteristics of Commercial Lithium-Ion Batteries. J. Power Sources 2001, 102, 302–309. [Google Scholar] [CrossRef]
- Chen, L.-R. A design of an optimal battery pulse charge system by frequency-varied technique. IEEE Trans. Ind. Electron. 2007, 54, 398–405. [Google Scholar] [CrossRef]
- Chen, L.-R. A design of Duty-Varied Voltage Pulse Charger for Improving Lithium-Ion Battery-Charging Response. IEEE Trans. Ind. Electron. 2009, 56, 480–487. [Google Scholar] [CrossRef]
- Niroshana, S.M.I.; Sirisukprasert, S. Adaptive Pulse Charger for Li-Ion Batteries. In Proceedings of the 8th International Conference of Information and Communication Technology for Embedded Systems (IC-ICTES), Chonburi, Thailand, 7–9 May 2017. [Google Scholar]
- Chen, L.-R.; Chen, J.-J.; Ho, C.-M.; Wu, S.-L.; Shieh, D.-T. Improvement of Li-ion Battery Discharging Performance by Pulse and Sinusoidal Current Strategies. IEEE Trans. Ind. Electron. 2013, 60, 5620–5628. [Google Scholar] [CrossRef]
- Amanor-Boadu, J.M.; Guiseppi-Elie, A.; Sánchez-Sinencio, E. Search for Optimal Pulse Charging Parameters for Li-Ion Polymer Batteries Using Taguchi Orthogonal Arrays. IEEE Trans. Ind. Electron. 2018, 65, 8982–8992. [Google Scholar] [CrossRef]
- Vo, T.T.; Chen, X.; Shen, W.; Kapoor, A. New charging strategy for Li-ion batteries based on the integration of Taguchi method and state of charge estimation. J. Power Sources 2015, 273, 413–422. [Google Scholar] [CrossRef]
- Liu, Y.-H.; Luo, Y.-F. Search for an optimal rapid charging pattern for Li-ion batteries using Taguchi approach. IEEE Trans. Ind. Electron. 2010, 57, 3963–3971. [Google Scholar] [CrossRef]
- Liu, Y.-H.; Hsieh, C.-H.; Luo, Y.-F. Search for an Optimal Five-Step Charging Pattern for Li-Ion Batteries Using Consecutive Orthogonal Arrays. IEEE Trans. Energy Convers. 2011, 26, 654–661. [Google Scholar] [CrossRef]
- Liu, Y.-H.; Teng, J.-H.; Lin, Y.-C. Search for an optimal rapid charging pattern for Li-ion batteries using ant colony system algorithm. IEEE Trans. Ind. Electron. 2005, 52, 1328–1336. [Google Scholar] [CrossRef]
- Wang, S.-C.; Liu, Y.-H. A PSO-based fuzzy-controlled searching for the optimal charge pattern of Li-ion batteries. IEEE Trans. Ind. Electron. 2015, 62, 2983–2993. [Google Scholar] [CrossRef]
- Khan, A.B.; Choi, W. Optimal Charge Pattern for the High-Performance Multistage Constant Current Charge Method for the Li-Ion Batteries. IEEE Trans. Energy Convers. 2018, 33, 1132–1140. [Google Scholar] [CrossRef]
- Dung, L.-R.; Yen, J.-H. ILP-based algorithm for Lithium-ion battery charging profile. In Proceedings of the 2010 IEEE International Symposium on Industrial Electronics, Bari, Italy, 4–7 July 2010. [Google Scholar]
- Chen, G.-J.; Liu, Y.-H.; Wang, S.-C.; Luo, Y.-F.; Yang, Z.-Z. Searching for the optimal current pattern based on grey wolf optimizer and equivalent circuit model of Li-ion batteries. J. Energy Storage 2021, 33, 101933. [Google Scholar] [CrossRef]
- Lee, C.-H.; Chen, M.-Y.; Hsu, S.-H.; Jiang, J.-A. Implementation of an SOC-based four-stage constant current charger for Li-ion batteries. J. Power Sources 2018, 18, 528–537. [Google Scholar] [CrossRef]
- Saidani, F.; Hutter, F.X.; Scurtu, R.G.; Braunwarth, W.; Burghartz, J.N. Lithium-ion battery models: A comparative study and a model-based powerline communication. Adv. Radio Sci. 2017, 15, 83–91. [Google Scholar] [CrossRef]
- Petit, M.; Prada, E.; Sauvant-Moynot, V. Development of an empirical aging model for Li-ion batteries and application to assess the impact of Vehicle-to-Grid strategies on battery lifetime. Appl. Energy 2016, 172, 398–407. [Google Scholar] [CrossRef]
- Kurc, B.; Pigłowska, M.; Rymaniak, Ł.; Fuć, P. Modern Nanocomposites and Hybrids as Electrode Materials Used in Energy Carriers. Nanomaterials 2021, 11, 538. [Google Scholar] [CrossRef]




























| Model Type | Accuracy | Complexity | Physical Insights | Application |
|---|---|---|---|---|
| Physical Model | High | High (>50 parameters) | Yes | Battery System Design |
| Empirical Model | Medium | Low (2–3 parameters) | Limited | Predicting Lifetime and Efficiency |
| Abstract Model | Medium | Medium (20–30 parameters) | Moderate | Real-time monitoring |
| Panasonic NCR18650B | |
|---|---|
| Related Capacity | 3350 mAh |
| Minimum Related capacity | 3250 mAh |
| Related Voltage | 3.6 V |
| Standard Charging Conditions | CC-CV 1625 mA, 4.2 V, 4 h |
| Weight | 48.5 g |
| Temperature During Charging | 0~45 °C |
| Temperature During Discharging | −20~60 °C |
| Charging Method | Type I CC-CV | Type II CC-CV | Type III CC-CV | CP-CV | CL-CV |
|---|---|---|---|---|---|
| Maximum temperature rise (°C)/IP (%) | 5.896 | 5.605 (+4.94%) | 5.832 (+1.09%) | 5.76 (+2.31%) | 5.772 (+2.1%) |
| Average temperature rise (°C)/IP (%) | 2.844 | 2.567 (+9.74%) | 2.855 (−0.39%) | 2.783 (+2.14%) | 2.523 (+11.29%) |
| Charging capacity (Ahr)/IP (%) | 3.096 | 2.771 (−10.55%) | 3.062 (1.10%) | 3.016 (−2.58%) | 3.014 (−2.65%) |
| Discharge capacity (Ahr)/IP (%) | 3.006 | 2.732 (−9.12%) | 3.021 (+0.5%) | 2.972 (−1.13%) | 2.975 (−1.03%) |
| Charging efficiency (%)/IP (%) | 97.1 | 98.6 (+1.54%) | 98.6 (+1.54%) | 98.6 (+1.54%) | 98.7 (+1.65%) |
| Charging percentage (%)/IP (%) | 99.5 | 89.0 (−10.55%) | 98.4 (−1.11%) | 96.9 (−2.61%) | 96.8 (−2.71%) |
| Charging time (s)/IP (%) | 6177 | 5790 (+6.27%) | 6110 (1.08%) | 5884 (+4.74%) | 6164 (+0.21%) |
Disclaimer/Publisher’s Note: The statements, opinions and data contained in all publications are solely those of the individual author(s) and contributor(s) and not of MDPI and/or the editor(s). MDPI and/or the editor(s) disclaim responsibility for any injury to people or property resulting from any ideas, methods, instructions or products referred to in the content. |
© 2023 by the authors. Licensee MDPI, Basel, Switzerland. This article is an open access article distributed under the terms and conditions of the Creative Commons Attribution (CC BY) license (https://creativecommons.org/licenses/by/4.0/).
Share and Cite
Chen, G.-J.; Chung, W.-H. Evaluation of Charging Methods for Lithium-Ion Batteries. Electronics 2023, 12, 4095. https://doi.org/10.3390/electronics12194095
Chen G-J, Chung W-H. Evaluation of Charging Methods for Lithium-Ion Batteries. Electronics. 2023; 12(19):4095. https://doi.org/10.3390/electronics12194095
Chicago/Turabian StyleChen, Guan-Jhu, and Wei-Hsin Chung. 2023. "Evaluation of Charging Methods for Lithium-Ion Batteries" Electronics 12, no. 19: 4095. https://doi.org/10.3390/electronics12194095
APA StyleChen, G.-J., & Chung, W.-H. (2023). Evaluation of Charging Methods for Lithium-Ion Batteries. Electronics, 12(19), 4095. https://doi.org/10.3390/electronics12194095

