A Design for a Lithium-Ion Battery Pack Monitoring System Based on NB-IoT-ZigBee
Abstract
:1. Introduction
2. Network Architecture of Smart Power Station Based on NB-IoT-ZigBee
2.1. Advantages and Disadvantages of NB-IoT
- (1)
- Broad coverage: Compared to existing communication technologies, Narrowband Internet of Things (NB-IoT) has stronger penetration capabilities and is less affected by energy storage boxes, making it very suitable for transmitting information from energy storage boxes.
- (2)
- Low power consumption: NB-IoT can enter a sleep state when not in use, with a standby time of up to 10 years, making it very suitable for transmitting information from energy storage boxes.
- (3)
- Large capacity: NB-IoT has fewer restrictions on connected devices, allowing tens of thousands of users to connect and meet the connection needs of smart power station equipment.
- (1)
- The cost of Narrowband Internet of Things (NB-IoT) is higher compared to other technologies such as ZigBee and Bluetooth. The cost of NB-IoT chips is higher, and if all information transmission in energy storage boxes was to use NB-IoT, the cost would increase significantly.
- (2)
- To address the battery distribution characteristics of energy storage boxes, ZigBee technology is used for information transmission in energy storage boxes. This ensures the real-time transmission of information while also reducing costs.
2.2. Smart Power Station Network Architecture
- The local monitoring center is close to the monitoring terminal, and the data transmission rate is fast, which reduces latency and is helpful for the thermal runaway warning of energy storage stations.
- The local monitoring center can improve the security and stability of the system. The local monitoring center can receive and process the data collected by monitoring terminals, which can avoid network attacks when the data are uploaded to the cloud platform, ensuring the accuracy and reliability of data to the greatest extent [22].
- The local monitoring center can reduce system power consumption. The local monitoring center is close to the monitoring terminal, and data transmission is fast. With strong computing power, local computing can be performed before transmitting data to the monitoring terminal to control the monitoring terminal to take corresponding actions, which can reduce both communication with the cloud platform and the power consumption of the system.
3. Modular Battery Management System
3.1. Hardware Design
3.1.1. Subordinate MCU Module
3.1.2. Temperature Measurement Module
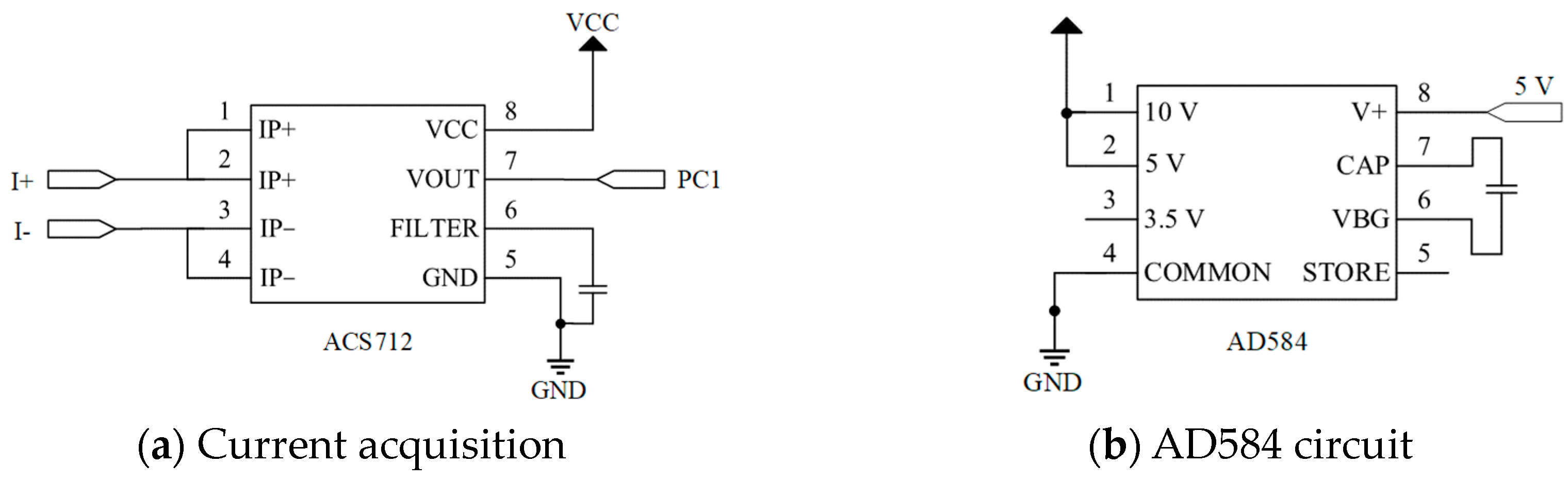
3.1.3. Current Measurement Module
3.1.4. Voltage Measurement Module
3.1.5. Strain Measurement Module
3.1.6. Protection Module
3.1.7. ZigBee Communication Module
3.1.8. Main Control MCU Module
3.1.9. NB-IoT Module
3.1.10. Local Host Computer
3.1.11. Local Monitoring Center
3.1.12. Cloud Platform
3.2. Software Design
3.2.1. Data Reception
3.2.2. Data Visualization
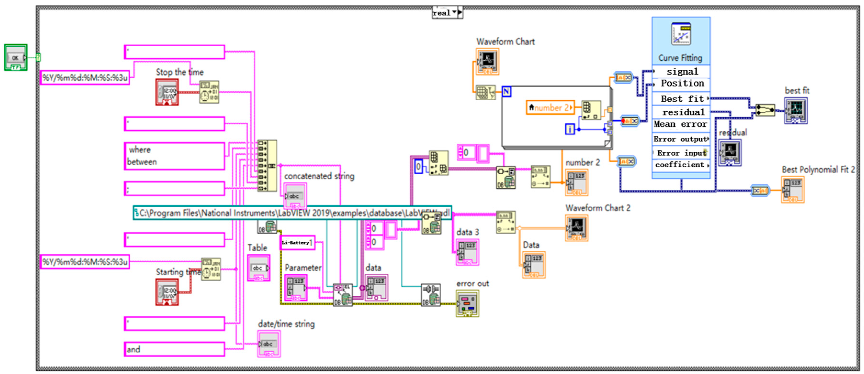
3.2.3. Data Query and Fitting
3.2.4. Remote Communication
3.2.5. Warning Function
4. Testing
4.1. Functional Testing
4.2. Voltage Testing
4.3. Current Measurement
4.4. Protection Function Testing
5. Conclusions
Author Contributions
Funding
Data Availability Statement
Conflicts of Interest
References
- Grey, C.P.; Tarascon, J.M. Sustainability and in situ monitoring in battery development. Nat. Mater. 2017, 16, 45–56. [Google Scholar] [CrossRef] [PubMed]
- Waag, W.; Fleischer, C.; Sauer, D.U. Critical review of the methods for monitoring of lithium-ion batteries in electric and hybrid vehicles. J. Power Sources 2014, 258, 321–339. [Google Scholar] [CrossRef]
- Zou, Y.; Hu, X.; Ma, H.; Li, S.E. Combined State of Charge and State of Health estimation over lithium-ion battery cell cycle lifespan for electric vehicles. J. Power Sources 2015, 273, 793–803. [Google Scholar] [CrossRef]
- Cai, L.; Thornhill, N.F.; Kuenzel, S.; Pal, B.C. A Test Model of a Power Grid With Battery Energy Storage and Wide-Area Monitoring. IEEE Trans. Power Syst. 2019, 34, 380–390. [Google Scholar] [CrossRef]
- Chen, D.; Zhao, Q.; Zheng, Y.; Xu, Y.; Chen, Y.; Ni, J.; Zhao, Y. Recent Progress in Lithium-Ion Battery Safety Monitoring Based on Fiber Bragg Grating Sensors. Sensors 2023, 23, 5609. [Google Scholar] [CrossRef] [PubMed]
- Chen, Z.; Li, S.; Cai, X.; Zhou, N.; Cui, J. Online state of health monitoring of lithium-ion battery based on model error spectrum for electric vehicle applications. J. Energy Storage 2022, 45, 103507. [Google Scholar] [CrossRef]
- Conway, T. An Isolated Active Balancing and Monitoring System for Lithium Ion Battery Stacks Utilizing a Single Transformer Per Cell. IEEE Trans. Power Electron. 2021, 36, 3727–3734. [Google Scholar] [CrossRef]
- Dost, P.; Kipke, V.; Sourkounis, C. Direct active cell balancing with integrated cell monitoring. IET Electr. Syst. Transp. 2019, 9, 244–250. [Google Scholar] [CrossRef]
- Hao, W.; Cao, S.-S.; Su, J.-H.; Xu, H.-T.; Zhen, W.; Zheng, J.-J.; Wei, W. Temperature field monitoring of lithium battery pack based on double-clad fiber Bragg grating sensor. Acta Phys. Sin. 2022, 71, 104207. [Google Scholar] [CrossRef]
- Hu, X.; Jiang, Z.; Yan, L.; Yang, G.; Xie, J.; Liu, S.; Zhang, Q.; Xiang, Y.; Min, H.; Peng, X. Real-time visualized battery health monitoring sensor with piezoelectric/pyroelectric poly (vinylidene fluoride-trifluoroethylene) and thin film transistor array by in-situ poling. J. Power Sources 2020, 467, 228367. [Google Scholar] [CrossRef]
- Jin, Y.; Zhou, L.; Yu, J.; Liang, J.; Cai, W.; Zhang, H.; Zhu, S.; Zhu, J. In operando plasmonic monitoring of electrochemical evolution of lithium metal. Proc. Natl. Acad. Sci. USA 2018, 115, 11168–11173. [Google Scholar] [CrossRef] [PubMed]
- Kim, C.-H.; Kim, M.-Y.; Moon, G.-W. A Modularized Charge Equalizer Using a Battery Monitoring IC for Series-Connected Li-Ion Battery Strings in Electric Vehicles. IEEE Trans. Power Electron. 2013, 28, 3779–3787. [Google Scholar] [CrossRef]
- Kim, T.; Makwana, D.; Adhikaree, A.; Vagdoda, J.S.; Lee, Y. Cloud-Based Battery Condition Monitoring and Fault Diagnosis Platform for Large-Scale Lithium-Ion Battery Energy Storage Systems. Energies 2018, 11, 125. [Google Scholar] [CrossRef]
- Li, Y.; Zhang, Y.; Li, Z.; Yan, Z.; Xiao, X.; Liu, X.; Chen, J.; Shen, Y.; Sun, Q.; Huang, Y. Operando Decoding of Surface Strain in Anode-Free Lithium Metal Batteries via Optical Fiber Sensor. Adv. Sci. 2022, 9, 2203247. [Google Scholar] [CrossRef] [PubMed]
- Liao, Z.; Zhang, S.; Li, K.; Zhang, G.; Habetler, T.G. A survey of methods for monitoring and detecting thermal runaway of lithium-ion batteries. J. Power Sources 2019, 436, 226879. [Google Scholar] [CrossRef]
- Liu, Y.; Liu, Z.; Mei, W.; Han, X.; Liu, P.; Wang, C.; Xia, X.; Li, K.; Wang, S.; Wang, Q.; et al. Operando monitoring Lithium-ion battery temperature via implanting femtosecond-laser-inscribed optical fiber sensors. Measurement 2022, 203, 111961. [Google Scholar] [CrossRef]
- Peng, J.; Zhou, X.; Jia, S.; Jin, Y.; Xu, S.; Chen, J. High precision strain monitoring for lithium ion batteries based on fiber Bragg grating sensors. J. Power Sources 2019, 433, 226692. [Google Scholar] [CrossRef]
- Qin, P.; Wang, S.; Cheng, Y.; Jiang, L.; Duan, Q.; Jin, K.; Sun, J.; Wang, Q. A novel algorithm for heat generation and core temperature based on single-temperature in-situ measurement of lithium ion cells. J. Power Sources 2022, 542, 231731. [Google Scholar] [CrossRef]
- Wang, Z.; Tong, X.; Liu, K.; Shu, C.-M.; Jiang, F.; Luo, Q.; Wang, H. Calculation methods of heat produced by a lithium-ion battery under charging-discharging condition. Fire Mater. 2019, 43, 219–226. [Google Scholar] [CrossRef]
- Wu, Y.; Wang, Y.; Yung, W.K.C.; Pecht, M. Ultrasonic Health Monitoring of Lithium-Ion Batteries. Electronics 2019, 8, 751. [Google Scholar] [CrossRef]
- Yu, Y.; Vincent, T.; Sansom, J.; Greenwood, D.; Marco, J. Distributed internal thermal monitoring of lithium ion batteries with fibre sensors. J. Energy Storage 2022, 50, 104291. [Google Scholar] [CrossRef]
- Zhang, X.; Han, Y.; Zhang, W.-P. A Review of Factors Affecting the Lifespan of Lithium-ion Battery and its Health Estimation Methods. Trans. Electr. Electron. Mater. 2021, 22, 567–574. [Google Scholar] [CrossRef]





















| NO | Measured Value | Truth Value | Error |
|---|---|---|---|
| 1 | 3.48 | 3.481 | 0.001 |
| 2 | 3.65 | 3.646 | 0.004 |
| 3 | 3.74 | 3.737 | 0.003 |
| 4 | 3.83 | 3.832 | 0.002 |
| 5 | 3.92 | 3.921 | 0.001 |
| 6 | 3.96 | 3.961 | 0.001 |
| 7 | 4.03 | 4.026 | 0.004 |
| 8 | 4.11 | 4.114 | 0.004 |
| 9 | 4.17 | 4.173 | 0.003 |
| 10 | 4.2 | 4.2 | 0 |
| NO | Measured Value | Truth Value | Error |
|---|---|---|---|
| 1 | 4.07 | 4.073 | 0.003 |
| 2 | 3.91 | 3.906 | 0.004 |
| 3 | 3.72 | 3.715 | 0.005 |
| 4 | 3.62 | 3.616 | 0.004 |
| 5 | 3.49 | 3.492 | 0.002 |
| 6 | 3.47 | 3.469 | 0.001 |
| 7 | 3.44 | 3.437 | 0.003 |
| 8 | 3.33 | 3.333 | 0.003 |
| 9 | 3.07 | 3.071 | 0.001 |
| 10 | 2.78 | 2.777 | 0.003 |
Disclaimer/Publisher’s Note: The statements, opinions and data contained in all publications are solely those of the individual author(s) and contributor(s) and not of MDPI and/or the editor(s). MDPI and/or the editor(s) disclaim responsibility for any injury to people or property resulting from any ideas, methods, instructions or products referred to in the content. |
© 2023 by the authors. Licensee MDPI, Basel, Switzerland. This article is an open access article distributed under the terms and conditions of the Creative Commons Attribution (CC BY) license (https://creativecommons.org/licenses/by/4.0/).
Share and Cite
Wang, L.; Wang, C.; Lu, X.; Ping, D.; Jiang, S.; Wang, X.; Zhang, J. A Design for a Lithium-Ion Battery Pack Monitoring System Based on NB-IoT-ZigBee. Electronics 2023, 12, 3561. https://doi.org/10.3390/electronics12173561
Wang L, Wang C, Lu X, Ping D, Jiang S, Wang X, Zhang J. A Design for a Lithium-Ion Battery Pack Monitoring System Based on NB-IoT-ZigBee. Electronics. 2023; 12(17):3561. https://doi.org/10.3390/electronics12173561
Chicago/Turabian StyleWang, Lijun, Chengguang Wang, Xu Lu, Dongzhi Ping, Shitong Jiang, Xinxin Wang, and Jianyong Zhang. 2023. "A Design for a Lithium-Ion Battery Pack Monitoring System Based on NB-IoT-ZigBee" Electronics 12, no. 17: 3561. https://doi.org/10.3390/electronics12173561
APA StyleWang, L., Wang, C., Lu, X., Ping, D., Jiang, S., Wang, X., & Zhang, J. (2023). A Design for a Lithium-Ion Battery Pack Monitoring System Based on NB-IoT-ZigBee. Electronics, 12(17), 3561. https://doi.org/10.3390/electronics12173561

