A Review of Capacitive Power Transfer Technology for Electric Vehicle Applications
Abstract
:1. Introduction
2. The Potential and Development History of CPT Technology for EV Applications
2.1. CPT System Working Principle
2.2. Advantages of CPT Technology in Comparison to IPT Technology
- The primary material of the IPT system coupling mechanism is litz wire, which is more costly [26];
- Frequently, IPT systems rely on ferrite, which is expensive, heavy, and fragile, and ferrite’s high-frequency loss limit makes IPT systems unsuitable for megahertz levels of high frequency, so they tend to have larger sizes and are harder to embed in the ground [27];
- In IPT systems, large eddy current losses cause heat to be generated in metals in the surroundings, which increases fire risks [28];
- During long-term operation, IPT systems generate heat due to losses in the coupling coil, resulting in the need for additional heat sinks and an increase in system complexity and cost.
2.3. Development History of CPT Technology for EV Applications
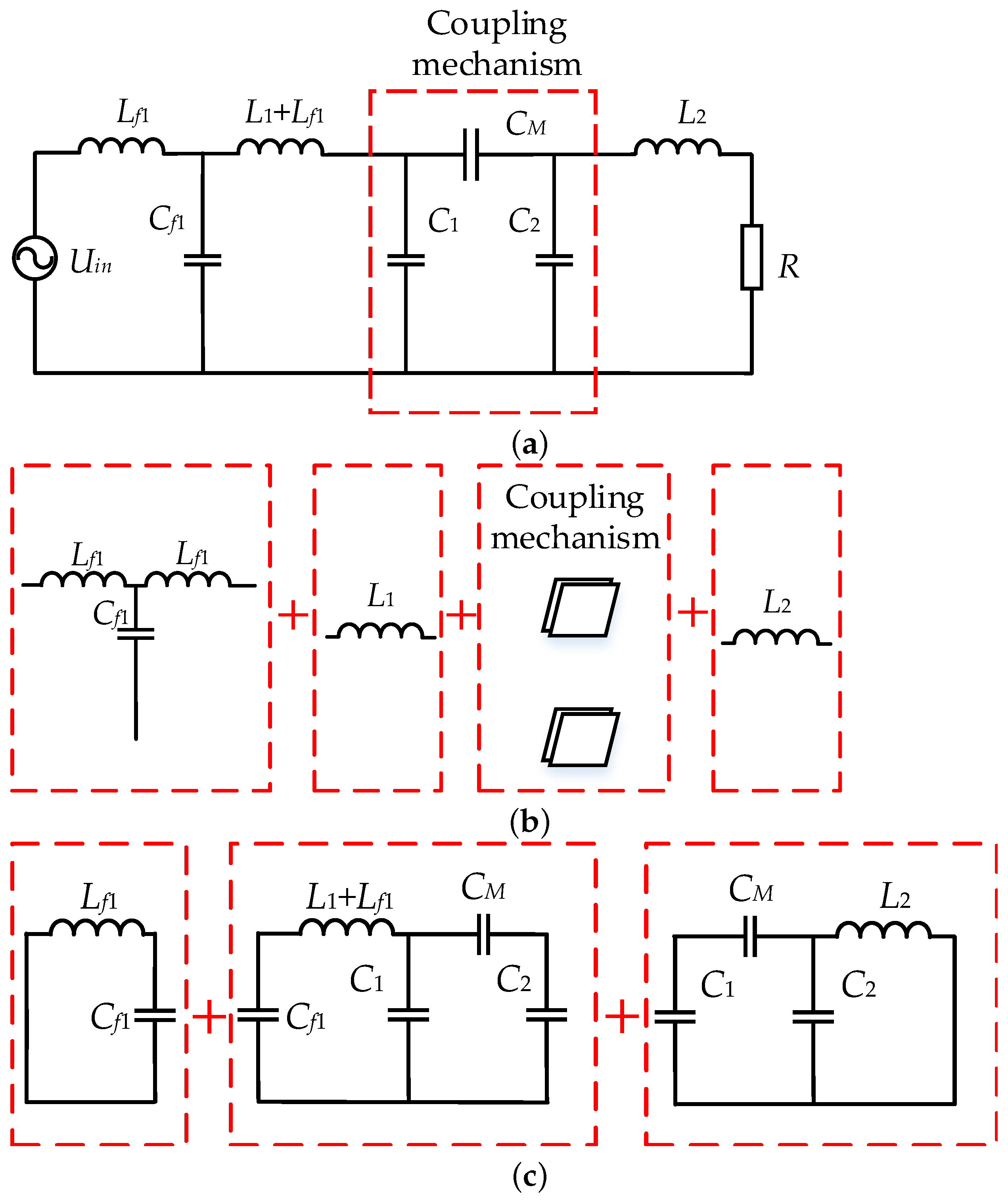
3. Coupling Mechanism
3.1. Coupling Mechanism Equivalent Mode
3.1.1. /T-Type Network Model
3.1.2. ICS/IVS Model
3.2. Coupling Mechanism Placement in Static Power Transfer Scenarios
- Equivalent capacitance mode using a large air gap;
- Equivalent capacitance mode using EV’s body structure;
- Equivalent capacitance with a coupling mechanism attached to the EV body surface.
3.2.1. Equivalent Capacitance Mode Using a Large Air Gap
3.2.2. Equivalent Capacitance Mode Using EV’s Body Structure
- Equivalent capacitance using the windows;
- Equivalent capacitance using the body coating;
- Equivalent capacitance using the wheels.
3.2.3. Capacitive Patterns Are Formed by Attaching the Coupling Mechanism to the Body Surface
3.3. Coupling Mechanism Placement in Dynamic Power Transfer Scenarios
3.3.1. Conventional Parallel Long Rail Power Transfer
3.3.2. Strip-Coupler Long Rail Power Transfer
3.3.3. Wheeled Long Rail Power Transfer
3.3.4. Vertical Long Rail Power Transfer
3.3.5. Segmented Power Transfer
4. Resonance Compensation Networks
4.1. Requirements of EV Wireless Power Transfer for Resonance Compensation Network of CPT System
4.2. Constant-Current Output Type Resonance Compensation Network
4.3. Constant-Voltage Output Type Resonance Compensation Network
5. Directions for the Development
5.1. High-Power Transmission
5.1.1. Adopting Higher-Order Resonance Compensation Networks
5.1.2. Using Multiple-Input Systems
5.1.3. Upgrading Component Withstand Voltage Values
5.2. High-Efficiency Transmission
5.2.1. Reducing the Loss of Inverter and Rectifier Components
5.2.2. Reducing the Loss of the Coupling Mechanism
5.2.3. Reducing the Loss of Components
5.3. High-Security Transmission
5.3.1. The Security of Electric Field Dissipation
5.3.2. The Security High-Voltage
6. Conclusions
Author Contributions
Funding
Data Availability Statement
Conflicts of Interest
References
- Sun, X.; Li, Z.; Wang, X.; Li, C. Technology Development of Electric Vehicles: A Review. Energies 2019, 13, 90. [Google Scholar] [CrossRef]
- Euceda, G.; Akundi, A.; Luna, S. Cybersecurity Challenges in Electric Vehicles: An Initial Literature Review and Research Agenda. In Proceedings of the 2023 IEEE International Systems Conference (SysCon), Vancouver, BC, Canada, 17–20 April 2023; pp. 1–8. [Google Scholar]
- Kovačić, M.; Mutavdžija, M.; Buntak, K. New Paradigm of Sustainable Urban Mobility: Electric and Autonomous Vehicles—A Review and Bibliometric Analysis. Sustainability 2022, 14, 9525. [Google Scholar] [CrossRef]
- Barkenbus, J. Prospects for Electric Vehicles. Sustainability 2020, 12, 5813. [Google Scholar] [CrossRef]
- Aydin, E.; Aydemir, M.; Aksoz, A.; El Baghdadi, M.; Hegazy, O. Inductive Power Transfer for Electric Vehicle Charging Applications: A Comprehensive Review. Energies 2022, 15, 4962. [Google Scholar] [CrossRef]
- Vaka, R.; Keshri, R. Review on Contactless Power Transfer for Electric Vehicle Charging. Energies 2017, 10, 636. [Google Scholar] [CrossRef]
- Xia, J.; Yuan, X.; Li, J.; Lu, S.; Cui, X.; Li, S.; Fernández-Ramírez, L. Foreign Object Detection for Electric Vehicle Wireless Charging. Electronics 2020, 9, 805. [Google Scholar] [CrossRef]
- Mou, X.; Gladwin, D.; Zhao, R.; Sun, H. Survey on Magnetic Resonant Coupling Wireless Power Transfer Technology for Electric Vehicle Charging. IET Power Electron. 2019, 12, 3005–3020. [Google Scholar] [CrossRef]
- Niu, S.; Xu, H.; Sun, Z.; Shao, Z.; Jian, L. The state-of-the-arts of wireless electric vehicle charging via magnetic resonance: Principles, standards and core technologies. Renew. Sustain. Energy Rev. 2019, 114, 109302. [Google Scholar] [CrossRef]
- Joseph, P.K.; Elangovan, D. A review on renewable energy powered wireless power transmission techniques for light electric vehicle charging applications. J. Energy Storage 2018, 16, 145–155. [Google Scholar] [CrossRef]
- Song, B.; Cui, S.; Li, Y.; Zhu, C. A Narrow-Rail Three-Phase Magnetic Coupler with Uniform Output Power for EV Dynamic Wireless Charging. IEEE Trans. Ind. Electron. 2021, 68, 6456–6469. [Google Scholar] [CrossRef]
- Song, K.; Zhu, C.; Koh, K.E.; Kobayashi, D.; Imura, T.; Hori, Y. Modeling and Design of Dynamic Wireless Power Transfer System for EV Applications. In Proceedings of the IECON 2015—41st Annual Conference of the IEEE Industrial Electronics Society, Yokohama, Japan, 9–12 November 2015; pp. 005229–005234. [Google Scholar]
- Hu, A.P.; Liu, C.; Li, H.L. A novel contactless battery charging system for soccer playing robot. In Proceedings of the 2008 15th International Conference on Mechatronics and Machine Vision in Practice, Auckland, New Zealand, 2–4 December 2008; pp. 646–650. [Google Scholar]
- Liu, C.; Hu, A.P.; Nair, N.K.C. Coupling study of a rotary capacitive power transfer system. In Proceedings of the 2009 IEEE International Conference on Industrial Technology, Churchill, VIC, Australia, 10–13 February 2009; pp. 1–6. [Google Scholar]
- Wang, Y.; Zhang, H.; Lu, F. 3.5-kW 94.2% DC–DC Efficiency Capacitive Power Transfer with Zero Reactive Power Circulating. IEEE Trans. Power Electron. 2022, 38, 1479–1484. [Google Scholar] [CrossRef]
- Okasili, I.; Elkhateb, A.; Littler, T. A review of wireless power transfer systems for electric vehicle battery charging with a focus on inductive coupling. Electronics 2022, 11, 1355. [Google Scholar] [CrossRef]
- Triviño, A.; González-González, J.M.; Aguado, J.A. Wireless power transfer technologies applied to electric vehicles: A review. Energies 2021, 14, 1547. [Google Scholar] [CrossRef]
- Kodeeswaran, S.; Nandhini Gayathri, M.; Sanjeevikumar, P.; Fellow IETE; Peña-Alzola, R. High-Power Converters and Challenges in Electric Vehicle Wireless Charging—A Review. IETE J. Res. 2023, 1–20. [Google Scholar] [CrossRef]
- Subudhi, P.S. Wireless power transfer topologies used for static and dynamic charging of EV battery: A review. Int. J. Emerg. Electr. Power Syst. 2020, 21, 20190151. [Google Scholar] [CrossRef]
- Lecluyse, C.; Minnaert, B.; Kleemann, M. A Review of the Current State of Technology of Capacitive Wireless Power Transfer. Energies 2021, 14, 5862. [Google Scholar] [CrossRef]
- Moon, J. High-frequency capacitive wireless power transfer technologies. J. Power Electron. 2021, 21, 1243–1257. [Google Scholar] [CrossRef]
- Wang, Z.; Zhang, Y.; He, X.; Luo, B.; Mai, R. Research and Application of Capacitive Power Transfer System: A Review. Electronics 2022, 11, 1158. [Google Scholar] [CrossRef]
- Lu, F.; Zhang, H.; Mi, C. A review on the recent development of capacitive wireless power transfer technology. Energies 2017, 10, 1752. [Google Scholar] [CrossRef]
- Erel, M.; Bayindir, K.; Aydemir, M.; Chaudhary, S.; Guerrero, J. A Comprehensive Review on Wireless Capacitive Power Transfer Technology: Fundamentals and Applications. IEEE Access 2022, 10, 3116–3143. [Google Scholar] [CrossRef]
- Kodeeswaran, S.; Nandhini Gayathri, M. Performance Investigation of Capacitive Wireless Charging Topologies for Electric Vehicles. In Proceedings of the 2021 International Conference on Innovative Trends in Information Technology (ICITIIT), Kottayam, India, 11–12 February 2021; pp. 1–6. [Google Scholar]
- Atiyah, N.; Atilla, D.; Aydin, C.; Mukhlif, Y. The Analysis of Variation in Plate Geometry for Capacitive Power Transfer Pads Utilized in Electric Vehicles. In Proceedings of the 2018 18th Mediterranean Microwave Symposium (MMS), Istanbul, Turkey, 31 October–2 November 2018; pp. 291–294. [Google Scholar]
- Maji, S.; Sinha, S.; Regensburger, B.; Afridi, K. A Large Air-Gap Multi-MHz Capacitive Wireless Power Transfer System Using Compact Charging Pads. In Proceedings of the 2021 IEEE Applied Power Electronics Conference and Exposition (APEC), Phoenix, AZ, USA, 14–17 June 2021; pp. 444–450. [Google Scholar]
- Kim, J.; Bien, F. Electric Field Coupling Technique of Wireless Power Transfer for Electric Vehicles. In Proceedings of the IEEE 2013 Tencon—Spring, Sydney, NSW, Australia, 17–19 April 2013; pp. 267–271. [Google Scholar]
- Yu, Z.; Xiao, W.; Zhang, B.; Qiu, D. Development Status of Electric-Field Coupled Wireless Power Transmission Technology. Trans. China Electrotech. Soc. 2022, 37, 1051–1069. [Google Scholar]
- Qing, X.; Su, Y. An Overview of Electric-Field Coupling Wireless Power Transfer Technology. Trans. China Electrotech. Soc. 2021, 36, 3649–3663. [Google Scholar]
- Regensburger, B.; Kumar, A.; Sinha, S.; Afridi, K. High-Performance 13.56-MHz Large Air-Gap Capacitive Wireless Power Transfer System for Electric Vehicle Charging. In Proceedings of the 2018 IEEE 19th Workshop on Control and Modeling for Power Electronics (COMPEL), Padua, Italy, 25–28 June 2018; pp. 1–4. [Google Scholar]
- Regensburger, B.; Sinha, S.; Kumar, A.; Afridi, K. A 3.75-KW High-Power-Transfer-Density Capacitive Wireless Charging System for EVs Utilizing Toro Idal-Interleaved-Foil Coupled Inductors. In Proceedings of the 2020 IEEE Transportation Electrification Conference & Expo (ITEC), Chicago, IL, USA, 23–26 June 2020; pp. 839–843. [Google Scholar]
- Cates, J.; Rose, J. Capacitive Charge Coupling with Dual Connector Assemblies and Charging System. US Patent 5,714,864, 3 February 1998. [Google Scholar]
- Hanazawa, M.; Ohira, T. Power Transfer for a Running Automobile. In Proceedings of the 2011 IEEE MTT-S International Microwave Workshop Series on Innovative Wireless Power Transmission: Technologies, Systems, and Applications, Kyoto, Japan, 12–13 May 2011; pp. 77–80. [Google Scholar]
- Ohira, T. Via-Wheel Power Transfer to Vehicles in Motion. In Proceedings of the 2013 IEEE Wireless Power Transfer (WPT), Perugia, Italy, 15–16 May 2013; pp. 242–246. [Google Scholar]
- Dai, J.; Ludois, D. Wireless Electric Vehicle Charging via Capacitive Power Transfer through a Conformal Bumper. In Proceedings of the 2015 IEEE Applied Power Electronics Conference and Exposition (APEC), Charlotte, NC, USA, 15–19 March 2015; pp. 3307–3313. [Google Scholar]
- Lu, F.; Zhang, H.; Hofmann, H.; Mi, C. A Double-Sided LCLC-Compensated Capacitive Power Transfer System for Electric Vehicle Charging. IEEE Trans. Power Electron. 2015, 30, 6011–6014. [Google Scholar] [CrossRef]
- Sakai, N.; Itokazu, D.; Suzuki, Y.; Sakihara, S.; Ohira, T. Single-Seater Vehicle Prototype Experiment Powered by High Frequency Electric Field on an Asphalt-Paved Roadway. In Proceedings of the 2016 6th International Electric Drives Production Conference (EDPC), Nuremberg, Germany, 30 November–1 December 2016; pp. 101–104. [Google Scholar]
- Masuda, M. Electric field coupling type high power wireless power transfer with leakage electric field strucure. In Proceedings of the 2018 International Power Electronics Conference (IPEC-Niigata 2018-ECCE Asia), Niigata, Japan, 20–24 May 2018; pp. 88–93. [Google Scholar]
- Lu, F.; Zhang, H.; Hofmann, H.; Mi, C.C. An Inductive and Capacitive Combined Wireless Power Transfer System with LC-Compensated Topology. IEEE Trans. Power Electron. 2016, 31, 8471–8482. [Google Scholar] [CrossRef]
- Zhang, H.; Lu, F.; Hofmann, H.; Liu, W.; Mi, C. A 4-Plate Compact Capacitive Coupler Design and LCL-Compensated Topology for Capacitive Power Transfer in Electric Vehicle Charging Applications. IEEE Trans. Power Electron. 2016, 31, 8541–8551. [Google Scholar] [CrossRef]
- Wu, X.Y.; Su, Y.G.; Hu, A.P.; Zou, L.J.; Liu, Z. A Sleeve-Type Capacitive Power Transfer System with Different Coupling Arrangements for Rotary Application. IEEE Access 2020, 8, 69148–69159. [Google Scholar] [CrossRef]
- Lian, J.; Qu, X.; Chen, X.; Mi, C.C. Design of a Double-Sided LCLC Compensated Capacitive Power Transfer System with Predesigned Coupler Plate Voltage Stresses. IEEE J. Emerg. Sel. Top. Power Electron. 2020, 10, 128–137. [Google Scholar] [CrossRef]
- Huang, L.; Hu, A.P. Defining the mutual coupling of capacitive power transfer for wireless power transfer. Electron. Lett. 2015, 51, 1806–1807. [Google Scholar] [CrossRef]
- Wang, S.; Liang, J.; Fu, M. Analysis and Design of Capacitive Power Transfer Systems Based on Induced Voltage Source Model. IEEE Trans. Power Electron. 2020, 35, 10532–10541. [Google Scholar] [CrossRef]
- Lu, F.; Zhang, H.; Hofmann, H.; Mi, C. A CLLC-Compensated High Power and Large Air-Gap Capacitive Power Transfer System for Electric Vehicle Charging Applications. In Proceedings of the 2016 IEEE Applied Power Electronics Conference and Exposition (APEC), Long Beach, CA, USA, 20–24 March 2016; pp. 1721–1725. [Google Scholar]
- Islam Siddique, M.; Hossain, M.; Abdullah, S.; Khan, M. Multi-Objective Optimization of a Capacitive Power Transfer System for Electric Vehicle Charging. In Proceedings of the 2021 International Conference on Computational Performance Evaluation (ComPE), Shillong, India, 1–3 December 2021; pp. 404–409. [Google Scholar]
- Vu, V.B.; Dahidah, M.; Pickert, V.; Phan, V.T. An Improved LCL-L Compensation Topology for Capacitive Power Transfer in Electric Vehicle Charging. IEEE Access 2020, 8, 27757–27768. [Google Scholar] [CrossRef]
- Elekhtiar, A.; Eltagy, L.; Zamzam, T.; Massoud, A. Design of a Capacitive Power Transfer System for Charging of Electric Vehicles. In Proceedings of the 2018 IEEE Symposium on Computer Applications & Industrial Electronics (ISCAIE), Penang, Malaysia, 28–29 April 2018; pp. 150–155. [Google Scholar]
- Lu, F.; Zhang, H.; Mi, C. A Two-Plate Capacitive Wireless Power Transfer System for Electric Vehicle Charging Applications. IEEE Trans. Power Electron. 2018, 33, 964–969. [Google Scholar] [CrossRef]
- Muharam, A.; Mostafa, T.; Nugroho, A.; Hapid, A.; Hattori, R. A Single-Wire Method of Coupling Interface in Capacitive Power Transfer for Electric Vehicle Wireless Charging System. In Proceedings of the 2018 International Conference on Sustainable Energy Engineering and Application (ICSEEA), Tangerang, Indonesia, 1–2 November 2018; pp. 39–43. [Google Scholar]
- You, Y.; Yi, K. Capacitive Coupling Wireless Power Transfer with Glass Dielectric Layers for Electric Vehicles. In Proceedings of the 2016 IEEE 6th International Conference on Consumer Electronics-Berlin (ICCE-Berlin), Berlin, Germany, 5–7 September 2016; pp. 90–91. [Google Scholar]
- Yi, K.; Jung, J.; Lee, B.H.; You, Y. Study on a Capacitive Coupling Wireless Power Transfer with Electric Vehicle’s Dielectric Substrates for Charging an Electric Vehicle. In Proceedings of the 2017 19th European Conference on Power Electronics and Applications (EPE’17 ECCE Europe), Warsaw, Poland, 11–14 September 2017; pp. P.1–P.7. [Google Scholar]
- Otaki, D.; Funato, H.; Haruna, J. Proposal of Capacitive Power Transfer System through Automotive Body Paintings. In Proceedings of the 2021 IEEE 30th International Symposium on Industrial Electronics (ISIE), Kyoto, Japan, 20–23 June 2021; pp. 1–6. [Google Scholar]
- Hanazawa, M.; Sakai, N.; Ohira, T. SUPRA: Supply Underground Power to Running Automobiles: Electric Vehicle on Electrified Roadway Exploiting RF Displacement Current through a Pair of Spinning Tires. In Proceedings of the 2012 IEEE International Electric Vehicle Conference, Greenville, SC, USA, 4–8 March 2012; pp. 1–4. [Google Scholar]
- Suzuki, Y.; Sugiura, T.; Sakai, N.; Hanazawa, M.; Ohira, T. Dielectric Coupling from Electrified Roadway to Steel-Belt Tires Characterized for Miniature Model Car Running Demonstration. In Proceedings of the 2012 IEEE MTT-S International Microwave Workshop Series on Innovative Wireless Power Transmission: Technologies, Systems, and Applications, Kyoto, Japan, 10–11 May 2012; pp. 35–38. [Google Scholar]
- Sakai, N.; Itokazu, D.; Suzuki, Y.; Sakihara, S.; Ohira, T. One-Kilowatt Capacitive Power Transfer via Wheels of a Compact Electric Vehicle. In Proceedings of the 2016 IEEE Wireless Power Transfer Conference (WPTC), Aveiro, Portugal, 5–6 May 2016; pp. 1–3. [Google Scholar]
- Dai, J.; Ludois, D. Capacitive Power Transfer through a Conformal Bumper for Electric Vehicle Charging. IEEE J. Emerg. Sel. Top. Power Electron. 2016, 4, 1015–1025. [Google Scholar] [CrossRef]
- Yi, K. Capacitive Coupling Wireless Power Transfer with Quasi-LLC Resonant Converter Using Electric Vehicles’ Windows. Electronics 2020, 9, 676. [Google Scholar] [CrossRef]
- Behnamfar, M.; Javadi, H.; Afjei, E. A Dynamic CPT System LC Compensated with a Six-Plate Capacitive Coupler for Wireless Charging of Electric Vehicle in Motion. In Proceedings of the 2020 28th Iranian Conference on Electrical Engineering (ICEE), Tabriz, Iran, 4–6 August 2020; pp. 1–6. [Google Scholar]
- Kodeeswaran, S.; Nandhini Gayathri, M.; Kannabhiran, A.; Sanjeevikumar, P. Design and Performance Analysis of Four Plates Capacitive Coupler for Electric Vehicle On-Road Wireless Charging. In Proceedings of the 2021 24th International Symposium on Wireless Personal Multimedia Communications (WPMC), Okayama, Japan, 14–16 December 2021; pp. 1–6. [Google Scholar]
- Li, M.; Li, Q.; Chen, Y.; Li, W.; Mai, R. Study on a CLLC-CL Compensated Dynamic Power Supply System Based on Capacitive Power Transfer. Proc. Chin. Soc. Electr. Eng. 2019, 39, 3328–3335. [Google Scholar]
- Chen, X.; Yu, S.; Zhang, Z. A Strip-Coupler for Dynamic Capacitive Wireless Power Transfer. In Proceedings of the IECON 2019—45th Annual Conference of the IEEE Industrial Electronics Society, Lisbon, Portugal, 14–17 October 2019; pp. 4887–4892. [Google Scholar]
- Li, S.; Liu, Z.; Zhao, H.; Zhu, L.; Shuai, C.; Chen, Z. Wireless Power Transfer by Electric Field Resonance and Its Application in Dynamic Charging. IEEE Trans. Ind. Electron. 2016, 63, 6602–6612. [Google Scholar] [CrossRef]
- Liang, J.; Wu, D.; Yu, J. A Design Method of Compensation Circuit for High-Power Dynamic Capacitive Power Transfer System Considering Coupler Voltage Distribution for Railway Applications. Electronics 2021, 10, 153. [Google Scholar] [CrossRef]
- Sinha, S.; Regensburger, B.; Kumar, A.; Afridi, K. A Very-High-Power-Transfer-Density GaN-Based Capacitive Wireless Power Transfer System. In Proceedings of the 2017 IEEE 5th Workshop on Wide Bandgap Power Devices and Applications (WiPDA), Albuquerque, NM, USA, 30 October–1 November 2017; pp. 360–365. [Google Scholar]
- Regensburger, B.; Sinha, S.; Kumar, A.; Vance, J.; Popovic, Z.; Afridi, K.K. Kilowatt-Scale Large Air-Gap Multi-Modular Capacitive Wireless Power Transfer System for Electric Vehicle Charging. In Proceedings of the 2018 IEEE Applied Power Electronics Conference and Exposition (APEC), San Antonio, TX, USA, 4–8 March 2018; pp. 666–671. [Google Scholar]
- Ramos, I.; Afridi, K.; Estrada, J.A.; Popovic, Z. Near-Field Capacitive Wireless Power Transfer Array with External Field Cancellation. In Proceedings of the 2016 IEEE Wireless Power Transfer Conference (WPTC), Aveiro, Portugal, 5–6 May 2016; pp. 1–4. [Google Scholar]
- Kumar, A.; Pervaiz, S.; Chang, C.K.; Korhummel, S.; Popovic, Z.; Afridi, K.K. Investigation of Power Transfer Density Enhancement in Large Air-Gap Capacitive Wireless Power Transfer Systems. In Proceedings of the 2015 IEEE Wireless Power Transfer Conference (WPTC), Boulder, CO, USA, 13–15 May 2015; pp. 1–4. [Google Scholar]
- Lu, F.; Zhang, H.; Hofmann, H.; Mei, Y.; Mi, C.C. A Dynamic Capacitive Power Transfer System with Reduced Power Pulsation. In Proceedings of the 2016 IEEE PELS Workshop on Emerging Technologies: Wireless Power Transfer (WoW), Knoxville, TN, USA, 4–6 October 2016; pp. 60–64. [Google Scholar]
- Vincent, D.; Huynh, P.S.; Azeez, N.A.; Patnaik, L.; Williamson, S.S. Evolution of Hybrid Inductive and Capacitive AC Links for Wireless EV Charging—A Comparative Overview. IEEE Trans. Transp. Electrif. 2019, 5, 1060–1077. [Google Scholar] [CrossRef]
- Li, C.; Zhao, X.; Liao, C.; Wang, L. A Graphical Analysis on Compensation Designs of Large-Gap CPT Systems for EV Charging Applications. Trans. Electr. Electron. Mater. 2018, 2, 232–242. [Google Scholar] [CrossRef]
- Wang, Y.; Zhang, H.; Lu, F. Review, Analysis, and Design of Four Basic CPT Topologies and the Application of High-Order Compensation Networks. IEEE Trans. Power Electron. 2022, 37, 6181–6193. [Google Scholar] [CrossRef]
- Zhang, H.; Lu, F.; Hofmann, H.; Liu, W.; Mi, C. Six-Plate Capacitive Coupler to Reduce Electric Field Emission in Large Air-Gap Capacitive Power Transfer. IEEE Trans. Power Electron. 2018, 33, 665–675. [Google Scholar] [CrossRef]
- Li, L.; Wang, Z.; Gao, F.; Wang, S.; Deng, J. A Family of Compensation Topologies for Capacitive Power Transfer Converters for Wireless Electric Vehicle Charger. Appl. Energy 2020, 260, 114156. [Google Scholar] [CrossRef]
- Xia, J.; Yuan, X.; Lu, S.; Li, J.; Luo, S.; Li, S. A Two-Stage Parameter Optimization Method for Capacitive Power Transfer Systems. IEEE Trans. Power Electron. 2022, 37, 1102–1117. [Google Scholar] [CrossRef]
- Xia, J. Research on Resonant Parameter Optimization Method for Electric-Field Coupled Power Transfer Systems. Ph.D. Thesis, Jilin University, Changchun, China, 2022. [Google Scholar]
- Xia, J.; Yuan, X.; Lu, S.; Dai, W.; Li, T.; Li, J.; Li, S. A General Parameter Optimization Method for a Capacitive Power Transfer System with an Asymmetrical Structure. Electronics 2022, 11, 922. [Google Scholar] [CrossRef]
- Liu, H. A High Power Capacitive Power Transfer System with LCLC–CL Compensation. Autom. Instrum. 2022, 4, 169–174. [Google Scholar] [CrossRef]
- Chen, Y.; Chen, L.; Luo, B.; Hu, J.; Mai, R. Voltage optimization method of passive resonant elements in electric field coupled power transmission system. Trans. China Electrotech. Soc. 2018, 33, 2237–2245. [Google Scholar]
- Li, M. Design and Research on Capacitive Auxiliary Power Transfer System Applied to Maglev Train. Ph.D. Thesis, Southwest Jiaotong University, Chengdu, China, 2020. [Google Scholar]
- Wang, Y.; Zhang, H.; Lu, F. 2.1 KW 3 MHz Capacitive Power Transfer with Sleeve-Type Coupler for Rotary Applications. In Proceedings of the IECON 2022—48th Annual Conference of the IEEE Industrial Electronics Society, Brussels, Belgium, 17–20 October 2022; pp. 1–4. [Google Scholar]
- Zhang, H.; Lu, F.; Hofmann, H.; Liu, W.; Mi, C. A large air-gap capacitive power transfer system with a 4-plate capacitive coupler structure for electric vehicle charging applications. In Proceedings of the 2016 IEEE Applied Power Electronics Conference and Exposition (APEC), Long Beach, CA, USA, 20–24 March 2016; pp. 1726–1730. [Google Scholar]
- Mi, C. High power capacitive power transfer for electric vehicle charging applications. In Proceedings of the 2015 6th International Conference on Power Electronics Systems and Applications (PESA), Hong Kong, China, 15–17 December 2015; pp. 1–4. [Google Scholar]
- Lu, F. High Power Capacitive Power Transfer for Electric Vehicle Charging Applications. Ph.D. Thesis, University of Michigan, Ann Arbor, MI, USA, 2017. [Google Scholar]
- Wang, D.; Zhang, J.; Cui, S.; Bie, Z.; Song, K.; Zhu, C.; Matveevich, M. Modern Advances in Magnetic Materials of Wireless Power Transfer Systems: A Review and New Perspectives. Nanomaterials 2022, 12, 3662. [Google Scholar] [CrossRef] [PubMed]
- Kline, M.; Izyumin, I.; Boser, B.; Sanders, S. Capacitive Power Transfer for Contactless Charging. In Proceedings of the 2011 Twenty-Sixth Annual IEEE Applied Power Electronics Conference and Exposition (APEC), Fort Worth, TX, USA, 6–11 March 2011; pp. 1398–1404. [Google Scholar]
- Ludois, D.; Reed, J.; Hanson, K. Capacitive Power Transfer for Rotor Field Current in Synchronous Machines. IEEE Trans. Power Electron. 2012, 27, 4638–4645. [Google Scholar] [CrossRef]
- Mishra, S.; Adda, R.; Sekhar, S.; Joshi, A.; Rathore, A. Power Transfer Using Portable Surfaces in Capacitively Coupled Power Transfer Technology. IET Power Electron. 2016, 9, 997–1008. [Google Scholar] [CrossRef]
- Lu, F.; Zhang, H.; Hofmann, H.; Mi, C. A Double-Sided LC-Compensation Circuit for Loosely Coupled Capacitive Power Transfer. IEEE Trans. Power Electron. 2018, 33, 1633–1643. [Google Scholar] [CrossRef]
- Wang, Y.; Zhang, H.; Lu, F. Capacitive Power Transfer with Series-Parallel Compensation for Step-Up Voltage Output. IEEE Trans. Ind. Electron. 2022, 69, 5604–5614. [Google Scholar] [CrossRef]
- Wang, Y.; Zhang, H.; Lu, F. Current-Fed Capacitive Power Transfer with Parallel–Series Compensation for Voltage Step-Down. IEEE J. Emerg. Sel. Top. Ind. Electron. 2022, 3, 454–464. [Google Scholar] [CrossRef]
- Lian, J.; Qu, X. Design of a Double-Sided LC Compensated Capacitive Power Transfer System with Capacitor Voltage Stress Optimization. IEEE Trans. Circuits Syst. II 2020, 67, 715–719. [Google Scholar] [CrossRef]
- Maji, S.; Etta, D.; Afridi, K. Design and Comparison of Power Combining Architectures for Capacitive Wireless Power Transfer Systems. In Proceedings of the 2022 IEEE 23rd Workshop on Control and Modeling for Power Electronics (COMPEL), Tel Aviv, Israel, 20–23 June 2022; pp. 1–6. [Google Scholar]
- Hu, J.; Chen, L.; Luo, B.; Shi, R.; Mai, R. Electric Field Coupled Power Transmission System with Dual Transmitting Terminals Based on Full-Capacitive Coupling Model. Trans. China Electrotech. Soc. 2019, 34, 3542–3551. [Google Scholar]
- Nine Commonly Used Capacitors—Basic Electronics—Wiku Electronics Market Network. Available online: https://www.dzsc.com/data/2012-9-25/101471.html (accessed on 12 May 2023).
- CT1, CT81 Low Frequency Ceramic Capacitor—Capacitor Display—Rong Yi. Available online: http://www.romyee.com/product.aspx?pid=363 (accessed on 12 May 2023).
- Zeng, F.; An, J.X.; Zhou, G.; Li, W.; Wang, H.; Duan, T.; Jiang, L.; Yu, H. A comprehensive review of recent progress on GaN high electron mobility transistors: Devices, fabrication and reliability. Electronics 2018, 7, 377. [Google Scholar] [CrossRef]
- Semiconductor Today—Wide Bandgap Semiconductors. Available online: http://www.semiconductor-today.com/features/PDF/semiconductor-today-february-2020-Wide-bandgap.pdf (accessed on 12 May 2023).
- Wang, Y.; Lucia, O.; Zhang, Z.; Gao, S.; Guan, Y.; Xu, D. A Review of High Frequency Power Converters and Related Technologies. IEEE Open J. Ind. Electron. Soc. 2020, 1, 247–260. [Google Scholar] [CrossRef]
- Millan, J.; Godignon, P.; Perpina, X.; Perez-Tomas, A.; Rebollo, J. A Survey of Wide Bandgap Power Semiconductor Devices. IEEE Trans. Power Electron. 2014, 29, 2155–2163. [Google Scholar] [CrossRef]
- Li, H.; Liu, M.; Wang, Y. A Novel Hybrid Class E Topology with load-independent Output for WPT. In Proceedings of the 2021 IEEE PELS Workshop on Emerging Technologies: Wireless Power Transfer (WoW), San Diego, CA, USA, 1–4 June 2021; pp. 1–4. [Google Scholar]
- Kkelis, G.; Yates, D.C.; Mitcheson, P.D. Comparison of current driven Class-D and Class-E half-wave rectifiers for 6.78 MHz high power IPT applications. In Proceedings of the 2015 IEEE Wireless Power Transfer Conference (WPTC), Boulder, CO, USA, 13–15 May 2015; pp. 1–4. [Google Scholar]
- Sun, Y. Study on the Coupling Mechanism in Electric-Field Coupled Wireless Power Transmission System. Master’s Thesis, Chongqing University, Chongqing, China, 2014. [Google Scholar]
- Yu, G. Research on Electric-Field Coupled Wireless Power Transfer System in Oceanic Environment. Master’s Thesis, Tianjin University, Tianjin, China, 2019. [Google Scholar]
- Sinha, S.; Kumar, A.; Regensburger, B.; Afridi, K. A New Design Approach to Mitigating the Effect of Parasitics in Capacitive Wireless Power Transfer Systems for Electric Vehicle Charging. IEEE Trans. Transp. Electrific. 2019, 5, 1040–1059. [Google Scholar] [CrossRef]
- Regensburger, B.; Kumar, A.; Sinha, S.; Xu, J.; Afridi, K. High-Efficiency High-Power-Transfer-Density Capacitive Wireless Power Transfer System for Electric Vehicle Charging Utilizing Semi-Toroidal Interleaved-Foil Coupled Inductors. In Proceedings of the 2019 IEEE Applied Power Electronics Conference and Exposition (APEC), Anaheim, CA, USA, 17–21 March 2019; pp. 1533–1538. [Google Scholar]
- Regensburger, B.; Kumar, A.; Sinha, S.; Afridi, K. Impact of Foreign Objects on the Performance of Capacitive Wireless Charging Systems for Electric Vehicles. In Proceedings of the 2018 IEEE Transportation Electrification Conference and Expo (ITEC), Long Beach, CA, USA, 13–15 June 2018; pp. 892–897. [Google Scholar]
- Regensburger, B.; Sinha, S.; Kumar, A.; Maji, S.; Afridi, K. High-Performance Multi-MHz Capacitive Wireless Power Transfer System for EV Charging Utilizing Interleaved-Foil Coupled Inductors. IEEE J. Emerg. Sel. Top. Power Electron. 2022, 10, 35–51. [Google Scholar] [CrossRef]
- Regensburger, B.; Afridi, K. Challenges and Solutions to Passive Rectification in Multi-MHz Frequency Capacitive Wireless Power Transfer Systems for Electric Vehicle Charging. In Proceedings of the 2020 IEEE Energy Conversion Congress and Exposition (ECCE), Detroit, MI, USA, 11–15 October 2020; pp. 5482–5486. [Google Scholar]
- Hirata, A.; Kodera, S. Difference of ICNIRP Guidelines and IEEE C95.1 Standard for Human Protection from Radio-Frequency Exposures. In Proceedings of the 2020 International Symposium on Electromagnetic Compatibility—EMC EUROPE, Rome, Italy, 23–25 September 2020; pp. 1–5. [Google Scholar] [CrossRef]
- IEEE PC95.1/D3.5; IEEE Approved Draft Standard for Safety Levels with Respect to Human Exposure to Electric, Magnetic and Electromagnetic Fields, 0 Hz to 300 GHz. The Institute of Electrical and Electronics Engineers: New York, NY, USA, 2019; pp. 1–312.
- Rahman, M.; Ahmed, K.; Nuhin, M.; Ali, M. Analysis of Layered Shielding for Capacitive Wireless Power Transfer Application. In Proceedings of the 2023 3rd International Conference on Robotics, Electrical and Signal Processing Techniques (ICREST), Dhaka, Bangladesh, 7–8 January 2023; pp. 170–174. [Google Scholar]
- Su, Y.; Fu, Q.; Ma, J.; Qing, X.; Tang, C. Fringing Electric Field Suppression Method of Electric-field Coupled Power Transfer System with Four-plate Coupler. Dianli Xitong Zidonghua/Autom. Electr. Power Syst. 2019, 43, 130–136. [Google Scholar]
- Guo, L.; Luo, B.; Mai, R. Voltage Optimization Method for Wireless Charging of Electric Vehicles Based on Capacitive Power Transfer. Trans. China Electrotech. Soc. 2020, 35, 19–27. [Google Scholar]









































| Models | Advantages | Disadvantages |
|---|---|---|
| Ideal model [40] | Simple and easy to calculate | Neglect mutual capacitance, poor accuracy |
| Six-capacitance model | Complete response for all coupling capacitors | Overly complex |
| /T-type network model [41] | Accurate response capacitance relationship, easy to calculate the system resonance relationship | Unable to respond to coupled pole plate voltage relationship |
| ICS/IVS model [44,45] | Accurate response capacitance relationship for calculating overall system output | Unable to respond to the resonance relationship of system passive components |
| Mode | Pole Plate Size | Transmission Distance | Equivalent Capacitance | Transmitted Power | Transmission Efficiency | References |
|---|---|---|---|---|---|---|
| Large air gap | 610 mm × 610 mm | 150 mm | 18.35 pF | 2.4 kW | 90.8% | [37] |
| four | 610 mm × 610 mm | 150 mm | 14 pF | 2.57 kW | 89.3% | [46] |
| plate parallel | ||||||
| 914 mm × 914 mm | 150 mm | 11.3 pF | 434.23 W | 77.17% | [47] | |
| Large air gap | 610 mm × 610 mm | |||||
| four | 915 mm × 915 mm | 150 mm | 11.5 pF | 1.5 kW | 85.5% | [48] |
| plate | 615 mm × 615 mm | |||||
| vertical | 914 mm × 914 mm | 150 mm | 11.3 pF | 1.88 kW | 85.87% | [41] |
| 610 mm × 610 mm | ||||||
| Large air gap | 50 cm × 60 cm | <1 cm | 2.964 nF | 111.4 W | 81.14% | [49] |
| two plate | 0.45 m × 0.45 m | 110 mm | 15 pF | 356 W | 74.1% | [50] |
| vertical | 15 cm × 15 cm | 19 cm | 1.1 pF | 3.3 kW | - | [51] |
| Body Structure- | Rectangle 2400 cm2 | 2 mm | 4 nF | 1.2 kW | 94% | [52] |
| Windows | Rectangle 2400 cm2 | 2 mm | 4 nF | 1.6 kW | 96% | [59] |
| 316 cm2 | 2 mm | 0.56 nF | 200 W | 87% | [53] | |
| Body Structure- coating | 250 mm × 250 mm | 110 μm | 6.96 nF | 1202.8 W | 87.70% | [54] |
| Body Structure- Wheels | 200 mm × 300 mm | - | - | - | - | [34] |
| Adhered to the | 150 cm × 15 cm | 0.1 mm | 5 nF | 1021 W | 83% | [36,58] |
| body surface | 100 cm × 15 cm |
| Structures | Advantages | Disadvantages | Power Transfer Distance | Coupling Capacitor | Power | Efficiency | References |
|---|---|---|---|---|---|---|---|
| Parallel long rail structure 1 | Simple placement and rich usage scenarios | Small coupling capacitance and large electric field dissipation | 150 mm 50 mm 100 mm | 2.61 pF 11.73 pF 7.18 pF | 261 W 150 W - | 90%
85.40% - | [60] [70] [61] |
| Parallel long rail structure 2 | Large coupling capacitance and small electric field dissipation | Difficult to place, smaller-use scenarios | 20 mm | 42.39 pF | - | - | [61] |
| Parallel long rail structure 3 | Large coupling capacitance, small parasitic capacitance between the poles | Difficult to place, smaller-use scenarios | 20 mm 35 mm | 24.44 pF 13.35 pF | - 1.41 kW | - 91.67% | [61] [62] |
| Vertical long rail | Small system size | Return measurement mutual-capacitance is small, | 40 mm 17 mm | 19.66 pF 24 pF | 3.03 kW 700 W | 92.46% 91.10% | [65] [64] |
| Strip-coupler long rail | Low material consumption, high deflection resistance, low electric field dissipation | Small coupling capacitance | 10 mm | 4.75 pF | 20 W | 25.50% | [63] |
| Wheeled long rail | Low electric field dissipation and high coupling capacitance | Difficult installation of the coupling mechanism | - | - | 1 kW | 80.20% | [38,57] |
| Segmented | High safety, can transfer power to multiple EVs simultaneously | High cost and power fluctuations | 120 mm 12 mm 120 mm | - - - | 500 W 257 W 1.28 kW | 88% 90.40% 89.80% | [27] [66] [67] |
| Function | Topology Type | Coupling Capacitor | Frequency | Transmitted Power | Transmission Efficiency | References |
|---|---|---|---|---|---|---|
| Constant current | Double-Sided LCL | 11.3 pF 9.91 pF | 1 MHz 1 MHz | 1.88 kW 1.97 kW | 85.87% 91.65% | [41,83] [74] |
| Double-Sided LCLC | 18.35 pF 12.8 pF | 1 MHz 1 MHz | 2.4 kW 1.41 kW | 90.80% 93.57% | [37,84,85] [75] | |
| Double-Sided CLLC | 14 pF | 1 MHz | 2.57 kW | 89.30% | [46] | |
| EFR | 16.33 pF | 1 MHz | 2.99 kW | 95.70% | [76] | |
| 6.75 pF | 1 MHz | 3.25 kW | 95% | [78] | ||
| Constant voltage | LCL-L | 11.5 pF | 1 MHz | 1.5 kW | 85.50% | [48] |
| LCLC-CL | 19.66 pF | 500 kHz | 3.03 kW | 92.46% | [65] | |
| 31.7 pF | 500 kHz | 5 kW | 90.08% | [79] | ||
| CLLC-CL | 13.35 pF | 1 MHz | 1.41 kW | 91.67% | [62] | |
| 12.75 pF | 650 kHz | 2.13 kW | 89% | [80] | ||
| M-SS | 25 pF | 3 MHz | 2.12 kW | 89.80% | [82] |
| Capacitor Type | Voltage Withstand Value | Capacitance Value | Characteristics |
|---|---|---|---|
| High-frequency ceramic dielectric capacitors | 63 V∼500 V | 1 pF∼6800 pF | Small high-frequency loss, good stability |
| Low-frequency ceramic dielectric capacitors | 50 V∼100 V | 10 pF∼4.7 μF | Small size, low price, high loss, poor stability |
| Polyester film capacitors | 63 V∼630 V | 40 pF∼4 μF | Small volume, large capacity, heat and humidity resistance, poor stability, high loss, not resistant to high frequency |
| Polystyrene film capacitors | 100 V∼30 kV | 10 pF∼1 μF | Stable, low loss, large volume |
| Polypropylene film capacitors | 63 V∼2000 V | 1000 pF∼10 μF | Similar performance to polyphenylene but smaller and slightly less stable |
| Aluminum electrolytic capacitors device | 6.3 V∼450 V | 0.47 μF∼10,000 μF | Small volume, large capacity, large loss, large leakage |
| Tantalum electrolytic capacitors | 6.3 V∼125 V | 0.1 μF∼1000 μF | Less loss and leakage than aluminum electrolytic capacitors |
| Monolithic capacitors device | 2 times rated voltage | 0.5 pF∼1 μF | Large capacitance value, small size, high reliability, stable capacitance value, good resistance to high temperature and humidity |
| Vitreous enamel capacitors | 63 V∼400 V | 10 pF∼0.1 μF | Better stability, low loss, high temperature resistance |
| Material Properties | 4H-SiC | GaN | Si |
|---|---|---|---|
| Band gap energy (eV) | 3.26 | 3.39 | 1.12 |
| Critical electrical field (kV/cm) | 3400 | 3550 | 300 |
| Electron mobility (cm2/V × s) | 950 | 1300 | 1400 |
| Saturation velocity (cm × 106/s) | 22 | 25 | 10 |
| Thermal conductivity (W/cm × K) | 4 | 1.55 | 1.5 |
| Substances | Relative Dielectric Constant | Loss Angle Tangent Value | |
|---|---|---|---|
| Gas | 1.0006 | 0.0001 | 9.994 × 10−5 |
| Water | 81 | 0.04 | 4.938 × 10−4 |
| PVC | 3 | 0.03 | 0.01 |
| TiO2 | 170 | 0.017 | 0.0001 |
| BTiO3 | 1300 | 0.012 | 9.23 × 10−6 |
| PZT | 2600 | 0.019 | 7.31 × 10−6 |
| Quartz | 3.8 | 0.00075 | 1.97 × 10−4 |
| Category | Capacitance |
|---|---|
| Power transfer capacitance | |
| Coupling between two plates on the same side | |
| Cross-coupling between the plates | |
| Coupling between the plates and the roadway | |
| Coupling between the plates and the vehicle chassis | |
| Coupling between the roadway and the vehicle chassis | |
| Coupling between the roadway and the inverter ground | |
| Coupling between the vehicle chassis and the rectifier ground |
| Frequency f (MHz) | Electric Field Strength E (V/m) |
|---|---|
| 0.1–1.34 | 614 |
| 1.34–30 | 823.8/f (823.8 divided by f) |
| 30–400 | 27.5 |
| Materials | Volume Resistivity (-m) | Breakdown Electric Field Strength (MV/m) |
|---|---|---|
| High-density polyethylene | 1014 | 26–28 |
| Polyvinyl chloride | 1012–1015 | 15–25 |
| Nylon 6 | 1012–1015 | 22 |
| Nylon 66 | 1012 | 15–19 |
| Polytetrafluoroethylene | 1016 | 25–40 |
| Styrene butadiene rubber | 1013 | 20 |
| Polycarbonate | 1014 | 17–22 |
Disclaimer/Publisher’s Note: The statements, opinions and data contained in all publications are solely those of the individual author(s) and contributor(s) and not of MDPI and/or the editor(s). MDPI and/or the editor(s) disclaim responsibility for any injury to people or property resulting from any ideas, methods, instructions or products referred to in the content. |
© 2023 by the authors. Licensee MDPI, Basel, Switzerland. This article is an open access article distributed under the terms and conditions of the Creative Commons Attribution (CC BY) license (https://creativecommons.org/licenses/by/4.0/).
Share and Cite
Zhang, J.; Yao, S.; Pan, L.; Liu, Y.; Zhu, C. A Review of Capacitive Power Transfer Technology for Electric Vehicle Applications. Electronics 2023, 12, 3534. https://doi.org/10.3390/electronics12163534
Zhang J, Yao S, Pan L, Liu Y, Zhu C. A Review of Capacitive Power Transfer Technology for Electric Vehicle Applications. Electronics. 2023; 12(16):3534. https://doi.org/10.3390/electronics12163534
Chicago/Turabian StyleZhang, Jiantao, Shunyu Yao, Liangyi Pan, Ying Liu, and Chunbo Zhu. 2023. "A Review of Capacitive Power Transfer Technology for Electric Vehicle Applications" Electronics 12, no. 16: 3534. https://doi.org/10.3390/electronics12163534
APA StyleZhang, J., Yao, S., Pan, L., Liu, Y., & Zhu, C. (2023). A Review of Capacitive Power Transfer Technology for Electric Vehicle Applications. Electronics, 12(16), 3534. https://doi.org/10.3390/electronics12163534

