Designs of Array Multipliers with an Optimized Delay in Quantum-Dot Cellular Automata
Abstract
1. Introduction
2. Preliminaries
3. Proposed Array Multipliers
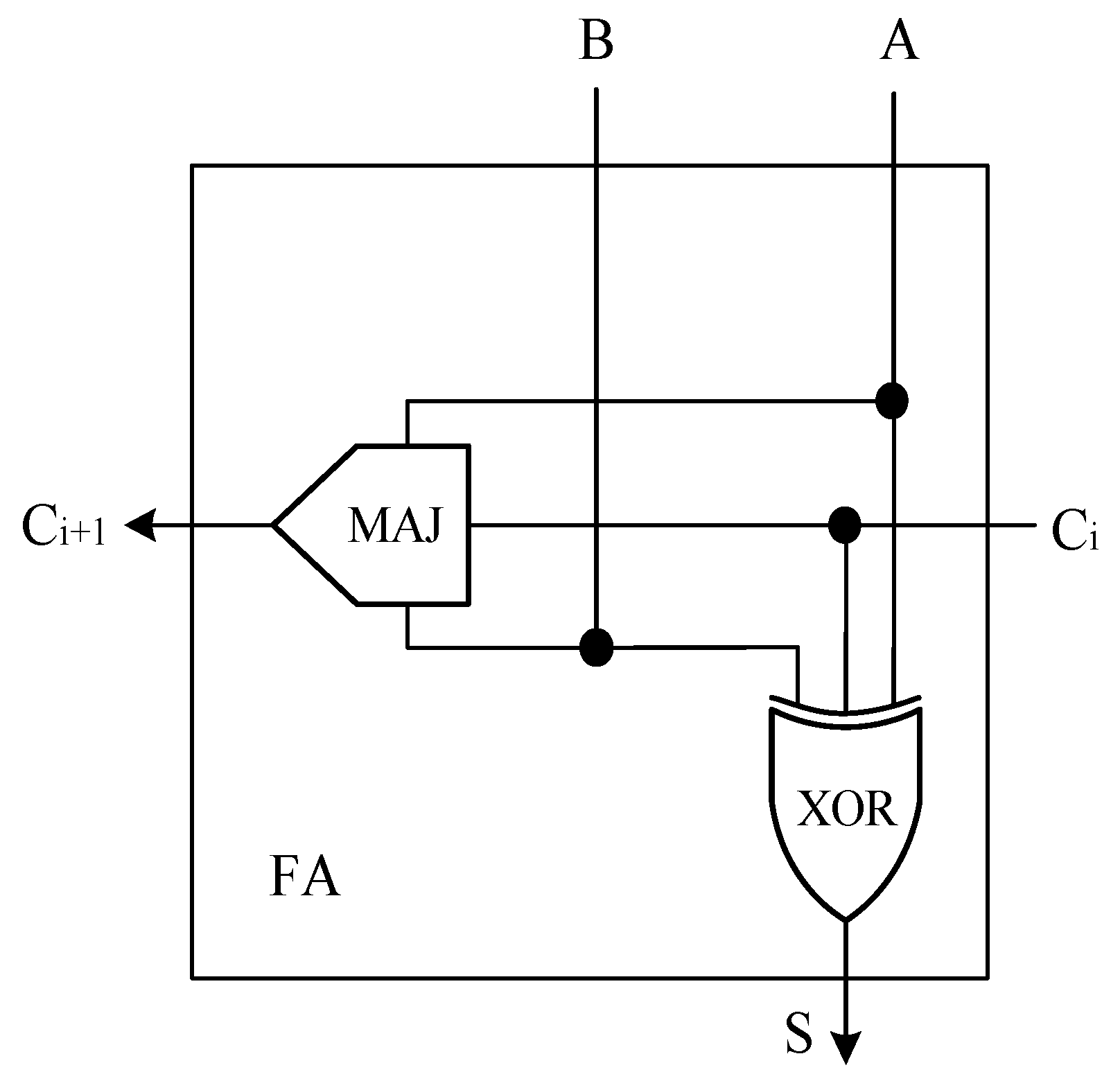
3.1. Full Adder
3.2. Array Multiplier
4. Simulations and Comparisons
4.1. Simulations
4.2. Comparisons
4.3. Complexity Analysis
5. Conclusions
Author Contributions
Funding
Institutional Review Board Statement
Informed Consent Statement
Data Availability Statement
Conflicts of Interest
References
- Fortes, J. Future challenges in vlsi system design. In Proceedings of the IEEE Computer Society Annual Symposium on VLSI, Tampa, FL, USA, 20–21 February 2003; pp. 5–7. [Google Scholar]
- Oh, T. Organic thin-film transistors using pentacene and sioc film. IEEE Trans. Nanotechnol. 2006, 5, 23–29. [Google Scholar] [CrossRef]
- Appenzeller, J. Carbon nanotubes for high-performance electronics—Progress and prospect. Proc. IEEE 2008, 96, 201–211. [Google Scholar] [CrossRef]
- Lent, C.; Liu, M.; Lu, Y. Bennett clocking of quantum-dot cellular automata and the limits to binary logic scaling. Nanotechnology 2006, 17, 4240–4251. [Google Scholar] [CrossRef] [PubMed]
- Timler, J.; Lent, C. Power gain and dissipation in quantum-dot cellular automata. J. Appl. Phys. 2002, 91, 823–831. [Google Scholar] [CrossRef]
- Imre, A.; Csaba, G.; Ji, L.; Orlov, A. Majority logic gate for magnetic quantum-dot cellular automata. Science 2006, 311, 205–208. [Google Scholar] [CrossRef] [PubMed]
- Pulimeno, A.; Graziano, M.; Demarchi, D.; Piccinini, G. Towards a molecular qca wire: Simulation of write-in and read-out systems. Solid-State Electron. 2012, 77, 101–107. [Google Scholar] [CrossRef]
- Walus, K.; Jullien, G.; Dimitrov, V. Computer arithmetic structures for quantum cellular automata. In Proceedings of the The Thrity-Seventh Asilomar Conference on Signals, Systems & Computers, Pacific Grove, CA, USA, 9–12 November 2003; pp. 1435–1439. [Google Scholar]
- Hanninen, I.; Takala, J. Pipelined array multiplier based on quantum-dot cellular automata. In Proceedings of the 2007 18th European Conference on Circuit Theory and Design, Seville, Spain, 27–30 August 2007; pp. 938–941. [Google Scholar]
- Lu, L.; Liu, W.; O’Neill, M.; Swartzlander, E.E. QCA Systolic Matrix Multiplier. In Proceedings of the 2010 IEEE Computer Society Annual Symposium on VLSI, Lixouri, Greece, 5–7 July 2010; pp. 149–154. [Google Scholar]
- Chudasama, A.; Sasamal, T. Implementation of 4 × 4 Vedic Multiplier Using Carry Save Adder in Quantum-dot Cellular Automata. In Proceedings of the 2016 International Conference on Communication and Signal Processing, Melmaruvathur, India, 6–8 April 2016; pp. 1260–1264. [Google Scholar]
- Babaie, S.; Sadoghifar, A.; Bahar, A. Design of an Efficient Multilayer Arithmetic Logic Unit in Quantum-dot Cellular Automata (QCA). IEEE Trans. Circuits Syst. II Express Briefs 2018, 66, 963–967. [Google Scholar] [CrossRef]
- Torres, F.S.; Wille, R.; Niemann, P.; Drechsler, R. An Energy-aware Model for the Logic Synthesis of Quantum-dot Cellular Automata. IEEE Trans. Comput.-Aided Des. Integr. Circuits Syst. 2018, 37, 3031–3041. [Google Scholar] [CrossRef]
- Bhoi, B.; Misra, N.; Pradhan, M.; Rout, R. Synthesis methods of baugh-wooley multiplier and non-restoring divider to enhance primitive’s results of QCA circuits. In Smart Intelligent Computing and Applications; Springer: Singapore, 2019; pp. 237–245. [Google Scholar]
- Bahar, A.; Wahid, K. Design of QCA-serial Parallel Multiplier (QSPM) with Energy Dissipation Analysis. IEEE Trans. Circuits Syst. II Express Briefs 2019, 67, 1939–1943. [Google Scholar] [CrossRef]
- Chu, Z.; Li, Z.; Xia, Y.; Wang, L.; Liu, W. BCD Adder Designs Based on Three-input XOR and Majority Gates. IEEE Trans. Circuits Syst. II Express Briefs 2020, 68, 1942–1946. [Google Scholar] [CrossRef]
- Cocorullo, G.; Corsonello, P.; Frustaci, F.; Perri, S. Design of Efficient BCD Adders in Quantum-dot Cellular Automata. IEEE Trans. Circuits Syst. II Express Briefs 2016, 64, 575–579. [Google Scholar] [CrossRef]
- Abedi, D.; Jaberipur, G. Decimal full adders specially designed for quantum-dot cellular automata. IEEE Trans. Circuits Syst. II Express Briefs 2017, 65, 106–110. [Google Scholar] [CrossRef]
- Zhang, T.; Pudi, V.; Liu, W. New Majority Gate-based Parallel BCD Adder Designs for Quantum-dot Cellular Automata. IEEE Trans. Circuits Syst. II Express Briefs 2018, 66, 1232–1236. [Google Scholar] [CrossRef]
- Perri, S.; Spagnolo, F.; Frustaci, F.; Corsonello, P. Accuracy Improved Low-Energy Multi-Bit Approximate Adders in QCA. IEEE Trans. Circuits Syst. II Express Briefs 2021, 68, 3456–3460. [Google Scholar] [CrossRef]
- Khan, A.; Bahar, A.; Arya, R. Efficient Design of Vedic Square Calculator using Quantum dot Cellular Automata (QCA). IEEE Trans. Circuits Syst. II Express Briefs 2021, 69, 1587–1591. [Google Scholar] [CrossRef]
- Jun, K.; Swartzlander, E. Modified Non-restoring Division Algorithm with Improved Delay Profile and Error Correction. In Proceedings of the 2012 Conference Record of the Forty Sixth Asilomar Conference on Signals, Systems and Computers, Pacific Grove, CA, USA, 4–7 November 2012; pp. 1460–1464. [Google Scholar]
- Mohammadi, M.; Gorgin, S.; Mohammadi, M. Design of non-restoring divider in quantum-dot cellular automata technology. IET Circuits Devices Syst. 2017, 11, 135–141. [Google Scholar] [CrossRef]
- Almatrood, A.; Singh, H. QCA Circuit Design of n-bit Non-restoring Binary Array Divider. J. Eng. 2018, 2018, 348–353. [Google Scholar] [CrossRef]
- Cui, H.; Cai, L.; Yang, X.; Feng, C.; Qin, T. Design of Non-restoring Binary Array Divider in Quantum-dot Cellular Automata. Micro Nano Lett. 2014, 9, 464–467. [Google Scholar] [CrossRef]
- Sayedsalehi, S.; Azghadi, M.R.; Angizi, S.; Navi, K. Restoring and Non-restoring Array Divider Designs in Quantum-dot Cellular Automata. Inf. Sci. 2015, 311, 86–101. [Google Scholar] [CrossRef]
- Sasamal, T.; Singh, A.; Ghanekar, U. Design of Non-restoring Binary Array Divider in Majority Logic-based QCA. Electron. Lett. 2016, 52, 2001–2003. [Google Scholar] [CrossRef]
- Kim, S.; Swartzlander, E. Restoring divider design for quantum-dot cellular automata. In Proceedings of the 2011 11th IEEE International Conference on Nanotechnology, Portland, OR, USA, 15–18 August 2012; pp. 1295–1300. [Google Scholar]
- Yan, A.; Liu, R.; Cui, J.; Ni, T.; Girard, P.; Wen, X.; Zhang, J. Designs of BCD adder based on excess-3 code in quantum-dot cellular automata. IEEE Trans. Circuits Syst. II Express Briefs 2023, 70, 2256–2260. [Google Scholar] [CrossRef]
- Sekar, K.R.; Marshal, R.; Lakshminarayanan, G. Reliable adder and multipliers in QCA technology. Semicond. Sci. Technol. 2022, 37, 095006. [Google Scholar] [CrossRef]
- Sekar, K.R.; Marshal, R.; Lakshminarayanan, G. High-speed serial–parallel multiplier in quantum-dot cellular automata. IEEE Embed. Syst. Lett. 2022, 14, 31–34. [Google Scholar] [CrossRef]
- Safoev, N.; Samarov, X. Non-restoring QCA Array Divider Using CIXOR Functional Gate. In Proceedings of the 2021 International Conference on Information Science and Communications Technologies, Tashkent, Uzbekistan, 3–5 November 2021; pp. 1–3. [Google Scholar]
- Kim, H.; Jeon, J. Non-Restoring Array Divider Using Optimized CAS Cells Based on Quantum-Dot Cellular Automata with Minimized Latency and Power Dissipation for Quantum Computing. Nanomaterials 2022, 12, 540. [Google Scholar] [CrossRef]
- Patidar, M.; Gupta, N. Efficient Design and Implementation of a Robust Coplanar Crossover and Multilayer Hybrid Full Adder–subtractor Using QCA Technology. J. Supercomput. 2021, 77, 7893–7915. [Google Scholar] [CrossRef]
- Joy, U.B.; Chakraborty, S.; Das, J.; Tasnim, A.; Jarin, S. Area-Efficient Design of a Quantum-Dot Cellular Automata Based Full Adder Having Low Latency. In Proceedings of the 2022 International Conference on Innovations in Science, Engineering and Technology, Chittagong, Bangladesh, 26–27 February 2022; pp. 77–82. [Google Scholar]
- Raj, M.; Gopalakrishnan, L. High Speed Memory Cell with Data Integrity in QCA. In Proceedings of the 2019 3rd International conference on Electronics, Communication and Aerospace Technology, Coimbatore, India, 12–14 June 2019; pp. 926–929. [Google Scholar]
- Yan, A.; Liu, R.; Huang, Z.; Girard, P.; Wen, X. Designs of Level-Sensitive T Flip-Flops and Polar Encoders Based on Two XOR/XNOR Gates. Electronics 2022, 11, 1658. [Google Scholar] [CrossRef]
- Zhang, Y.; Zhu, C.; Cheng, X.; Xie, G. Design and Implementation of SRAM for LUT and CLB Using Clocking Mechanism in Quantum-Dot Cellular Automata. IEEE Trans. Circuits Syst. II Express Briefs 2022, 69, 3909–3913. [Google Scholar] [CrossRef]
- Perri, S.; Spagnolo, F.; Frustaci, F.; Corsonello, P. Multi-Bit Full Comparator Logic in Quantum-Dot Cellular Automata. IEEE Trans. Circuits Syst. II Express Briefs 2022, 69, 4508–4512. [Google Scholar]
- Retallick, J.; Walus, K. Low-energy Eigenspectrum Decomposition (LEED) of Quantum-dot Cellular Automata Networks. IEEE Trans. Nanotechnol. 2021, 20, 104–112. [Google Scholar] [CrossRef]
- Cong, P.; Blair, E. Robust electric-field input circuits for clocked molecular quantum-dot cellular automata. IEEE Trans. Nanotechnol. 2022, 21, 424–433. [Google Scholar] [CrossRef]
- Zhang, T.; Jiang, H.; Mo, H.; Liu, W.; Lombardi, F.; Liu, L.; Han, J. Design of Majority Logic-Based Approximate Booth Multipliers for Error-Tolerant Applications. IEEE Trans. Nanotechnol. 2022, 21, 81–89. [Google Scholar] [CrossRef]
- Blair, E. Electric-field Inputs for Molecular Quantum-dot Cellular Automata Circuits. IEEE Trans. Nanotechnol. 2019, 18, 453–460. [Google Scholar] [CrossRef]
- Wang, L.; Xie, G. A novel XOR/XNOR structure for modular design of QCA circuits. IEEE Trans. Circuits Syst. II Express Briefs 2020, 67, 3327–3331. [Google Scholar] [CrossRef]
- Bahar, A.; Wahid, K. Design of an Efficient N× N Butterfly Switching Network in Quantum-dot Cellular Automata (QCA). IEEE Trans. Nanotechnol. 2020, 99, 147–155. [Google Scholar] [CrossRef]
- Walus, K.; Dysart, T.J.; Jullien, G.A.; Budiman, R.A. QCA Designer: A Rapid Design and Simulation Tool for Quantum-dot Cellular Automata. IEEE Trans. Nanotechnol. 2004, 3, 26–31. [Google Scholar] [CrossRef]
- Asfestani, M.; Heikalabad, S. A unique structure for the multiplexer in quantum-dot cellular automata to create a revolution in design of nanostructures. Phys. B Condens. Matter 2017, 512, 91–99. [Google Scholar] [CrossRef]
- Gassoumi, I.; Touil, L.; Mtibaa, A. An Efficient Design of QCA Full-adder-subtractor with Low Power Dissipation. J. Electr. Comput. Eng. 2021, 2021, 8856399. [Google Scholar] [CrossRef]
- Yang, B.; Afrooz, S. A new coplanar design of multiplier based on nanoscale quantum-dot cellular automata. Int. J. Theor. Phys. 2019, 58, 3364–3374. [Google Scholar] [CrossRef]
- Yan, A.; Chen, Y.; Xu, Z.; Chen, Z.; Cui, J.; Huang, Z.; Girard, P.; Wen, X. Design of double-upset recoverable and transient-pulse filterable latches for low-power and low-orbit aerospace applications. IEEE Trans. Aerosp. Electron. Syst. 2020, 56, 3931–3940. [Google Scholar] [CrossRef]
- Song, Z.; Yan, A.; Cui, J.; Chen, Z.; Li, X.; Wen, X.; Lai, C.; Huang, Z.; Liang, H. A Novel Triple-Node-Upset-Tolerant CMOS Latch Design using Single-Node-Upset-Resilient Cells. In Proceedings of the 2019 IEEE International Test Conference in Asia (ITC-Asia), Tokyo, Japan, 3–5 September 2019; pp. 139–144. [Google Scholar]











| Design | Cell Count | Area (μm2) | Delay | Layer Type |
|---|---|---|---|---|
| 2 × 2 matrix multiplier [10] | 7102 | 15.69 | 20 | M |
| 2-bit-serial multiplier [8] | 306 | 0.48 | 8 | C |
| 2-bit multiplier [9] | 1598 | 1.76 | 7 | C |
| 2 × 2 Baugh–Wooley multiplier [14] | 688 | 0.91 | 3 | M |
| 2 × 2 array multiplier [49] | 493 | 0.72 | 5.00 | C |
| Pro 2 × 2 array multiplier | 439 | 0.49 | 1.75 | M |
| Pro 3 × 3 array multiplier | 1041 | 1.26 | 2.50 | M |
| Design | Total Energy Dissipation (eV) | Average Energy Dissipation (eV) | Total Energy Dissipation (eV) | Average Energy Dissipation (eV) |
|---|---|---|---|---|
| Temperature 1K | Temperature 2K | |||
| MUL 2 × 2 [49] | 1.78 × 10−1 | 1.62 × 10−2 | 1.83 × 10−1 | 1.66 × 10−2 |
| Pro-MUL 2 × 2 | 1.56 × 10−1 | 1.42 × 10−2 | 1.54 × 10−1 | 1.40 × 10−2 |
| Pro-MUL 3 × 3 | 3.79 × 10−1 | 3.44 × 10−2 | 3.76 × 10−1 | 3.41 × 10-2 |
Disclaimer/Publisher’s Note: The statements, opinions and data contained in all publications are solely those of the individual author(s) and contributor(s) and not of MDPI and/or the editor(s). MDPI and/or the editor(s) disclaim responsibility for any injury to people or property resulting from any ideas, methods, instructions or products referred to in the content. |
© 2023 by the authors. Licensee MDPI, Basel, Switzerland. This article is an open access article distributed under the terms and conditions of the Creative Commons Attribution (CC BY) license (https://creativecommons.org/licenses/by/4.0/).
Share and Cite
Yan, A.; Li, X.; Liu, R.; Huang, Z.; Girard, P.; Wen, X. Designs of Array Multipliers with an Optimized Delay in Quantum-Dot Cellular Automata. Electronics 2023, 12, 3189. https://doi.org/10.3390/electronics12143189
Yan A, Li X, Liu R, Huang Z, Girard P, Wen X. Designs of Array Multipliers with an Optimized Delay in Quantum-Dot Cellular Automata. Electronics. 2023; 12(14):3189. https://doi.org/10.3390/electronics12143189
Chicago/Turabian StyleYan, Aibin, Xuehua Li, Runqi Liu, Zhengfeng Huang, Patrick Girard, and Xiaoqing Wen. 2023. "Designs of Array Multipliers with an Optimized Delay in Quantum-Dot Cellular Automata" Electronics 12, no. 14: 3189. https://doi.org/10.3390/electronics12143189
APA StyleYan, A., Li, X., Liu, R., Huang, Z., Girard, P., & Wen, X. (2023). Designs of Array Multipliers with an Optimized Delay in Quantum-Dot Cellular Automata. Electronics, 12(14), 3189. https://doi.org/10.3390/electronics12143189

