Optimal Configuration of Battery Energy Storage for AC/DC Hybrid System Based on Improved Power Flow Exceeding Risk Index
Abstract
1. Introduction
2. Identification of Sensitive and Vulnerable Lines
2.1. Line Outage Distribution Factor
2.2. The Improved Power Flow Exceeding Risk Index
2.3. The Shortest Path Search Based on the Dijkstra Algorithm
3. The Mathematical Model for Optimal Allocation of BESS
3.1. Objective Function
3.2. Constraint
- (1)
- Power balance constraintswhere , , are, respectively, the output of generator m, the required power of load n, and the charging and discharging power of BESS s; S is the quantity of configured BESS in the system; M and N are the number of generators and the number of loads in the system.
- (2)
- Line loss constraintwhere , are the active power and reactive power transmitted by the receiving end of the R line, respectively; is the resistance of the R line; is the voltage amplitude of the receiving terminal node of the Rth line.
- (3)
- Generator power constraintwhere , are the upper and lower limits of generator output, respectively.
- (4)
- Line power constraintwhere , are the upper and lower limits of the active power of the transmission line.
- (5)
- Capacity constraints of BESSwhere , are the minimum and maximum capacities of BESS, respectively.
- (6)
- Power constraint of BESS charge and dischargewhere is the maximum value of BESS discharge power; , are the charge power and discharge power of the BESS system, respectively.
4. Model-Solving Method
- (1)
- The graph obtained by abstracting the power grid is G0, and the reactance value of each line in the power system is taken as the weight value of each side;
- (2)
- After DC blocking occurs in the converter station at the sending end, the Dijkstra algorithm is used to find the shortest path between the converter station and the designated node;
- (3)
- The branch set contained in the target source point and destination point are combined to obtain the branch set of power flow transfer;
- (4)
- Calculate the improved power flow exceeding risk index of all branches in the power flow transfer branch set, and select the branches whose absolute value of the improved power flow exceeding risk index is less than 0.5 to form the main branch set;
- (5)
- For the lines in the main branch set, if there is a reverse flow and the branch flow meets , it will be removed from the main branch set ( is the branch flow after the line is disconnected);
- (6)
- Input parameters. Input PSO controlling variables of the original parameters. Set PSO algorithm parameters: the maximum iteration number is 300, and the population size is 200;
- (7)
- Initialize the population. According to Equation (19), the N solutions are generated, such as the energy storage power and capacity, and they also are guaranteed to satisfy the condition. The objective function value is calculated for all the scenes using Equations (11) and (12).where i = 1, 2, …, N is a D-dimension vector; j = 1, 2, …, d; represents random numbers between 1 and 0; , are the maximum and minimum values of particles, respectively;
- (8)
- Calculate the fitness value for particles by using (20). It is updated local optimal position and global optimal position by using Equations (21) and (22).where is the corresponding fitness value for particles I; , are the velocity of the ith particle at t + 1, t times, respectively; is the inertia factor; , and are the learning rate; . , respectively represent the individual optimal value and the global optimal value of particles;
- (9)
- Output optimal solution. If the iteration number is greater than the set value, then output the Parote optimal. Otherwise, return to step (7).
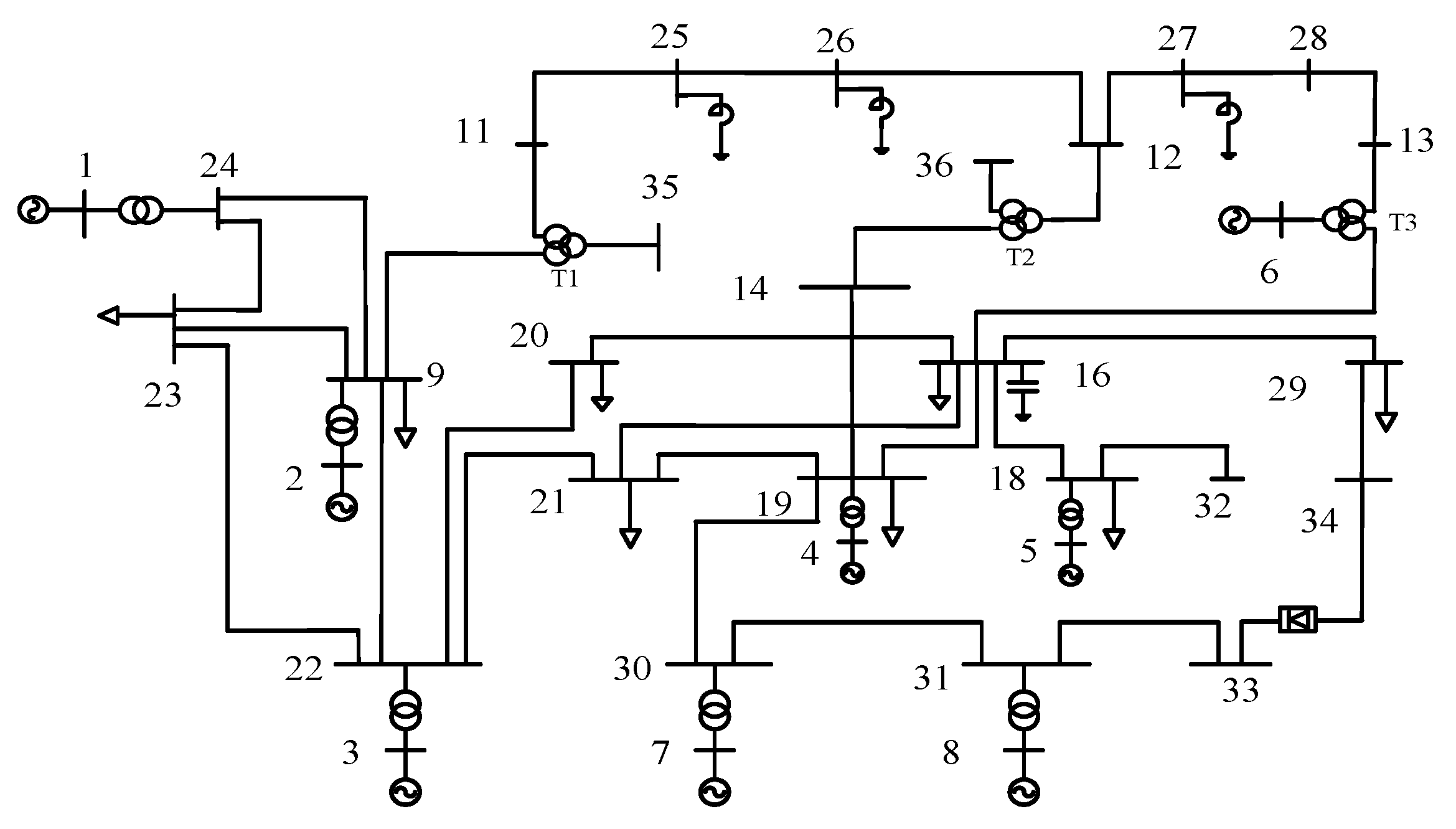
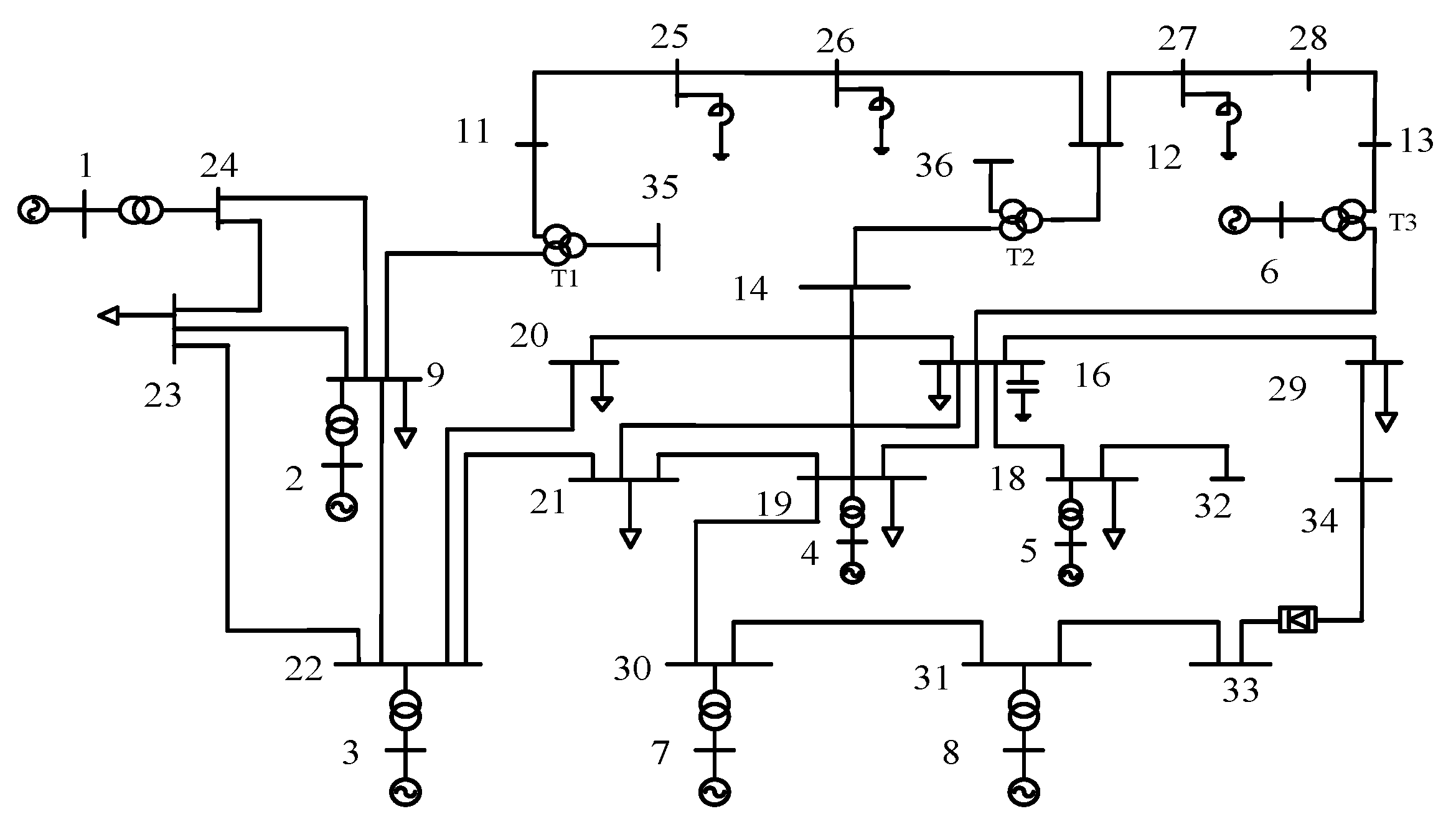
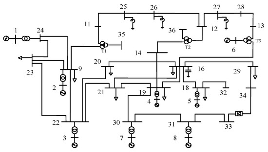
5. Simulation Analysis
5.1. Parameter Design
5.2. Sensitive Line Identification
5.3. Optimization Configuration Results of Single BESS
5.4. Optimization Configuration Results of Multi-BESS
6. Conclusions
Author Contributions
Funding
Data Availability Statement
Conflicts of Interest
References
- ENTSO-E. System Separation in the Continental Europe Synchronous Area on 8 January 2021—Interim Report[R/OL]; ENTSO-E: Geneva, Switzerland, 26 February 2021; Available online: https://www.entsoe.eu/news/2021/02/26/system-separation-in-the-contnetal-europe-synchronous-area-on-8-january-2021-interim-report/ (accessed on 14 June 2023).
- California ISO. AWE Grid History Report[R/OL]; California ISO: Folsom, CA, USA, 9 September 2020; Available online: http://www.caiso.com/Documents/AWE-Grid-History-Report-1998-Present.pdf (accessed on 14 June 2023).
- Wang, S.; Zhou, L.; Wang, T.; Chen, T.; Wang, Y. Fast protection strategy for DC transmission lines of MMC-based MT-HVDC grid. Chin. J. Electr. Eng. 2021, 7, 83–92. [Google Scholar] [CrossRef]
- Liu, Y.; Shen, C. Review and research on construction methods of the energy function for hybrid AC-DC power system. Proc. CSEE 2022, 42, 2842–2853. [Google Scholar]
- Xin, B.; Guo, M.; Wang, S.; Li, X. Friendly HVDC transmission technologies for large-scale renewable energy and their engineering practice. Autom. Electr. Power Syst. 2022, 45, 1–8. [Google Scholar]
- Zheng, C.; Ma, S.; Shen, X.; Liu, D. Definition, connotation and form of strong HVDC and weak AC and countermeasures for stable operation of the hybrid power grid. Power Syst. Technol. 2017, 14, 2491–2498. [Google Scholar]
- Hines, P.; Balasubramaniam, C.; Sanchez, C. Cascading failures in power grids. IEEE Potentials 2009, 28, 24–30. [Google Scholar] [CrossRef]
- Li, J.; Wang, J.; Ge, L.; Meng, G.J.; Yuan, X.D.; Zhou, J.H. Review on application technology of electrochemical energy storage power station group in ultrahigh voltage AC/DC hybrid receiver power grid. Proc. CSEE 2020, 46, 51–61. [Google Scholar]
- Ma, Z.; Liu, F.; Shen, C.; Zhang, S.; Tian, B. Rapid identification of vulnerable lines in power grid using modified PageRank algorithm—Part I: Theoretical foundation. Proc. CSEE 2016, 36, 6363–6370+6601. [Google Scholar]
- Lijie, D.; Meijun, L.; Yijia, C. Power system key-lines identification based on hidden failure model risk theory. Autom. Electr. Power Syst. 2007, 31, 1–6. [Google Scholar]
- Li, Y.; Liu, J.; Liu, X.; Jiang, L.; Wei, Z.; Xu, W. Vulnerability assessment in power grid cascading failures based on the entropy of power flow. Autom. Electr. Power Syst. 2012, 36, 11–16. [Google Scholar]
- Ren, J.; Wei, J. Vulnerableline identification and its transmission section search for power system. Electr. Power Autom. Equip. 2015, 35, 37–42. [Google Scholar]
- Ruo-fa, C.; Xin, F. Fast search of transmission section in power flow transferring resulting from simultaneous multi-branch removal. Adv. Technol. Electr. Eng. Energy 2020, 39, 62–71. [Google Scholar]
- Naziri Moghaddam, I.; Chowdhury, B.; Mohajeryami, S. Predictive operation and optimal sizing of battery energy storage with high wind energy penetration. IEEE Trans. Ind. Electron. 2017, 65, 6686–6695. [Google Scholar]
- Luo, F.; Meng, K.; Dong, Z.Y.; Zheng, Y.; Chen, Y.; Wong, K.P. Coordinated operational planning for wind farm with battery energy storage system. IEEE Trans. Sustain. Energy 2015, 6, 253–262. [Google Scholar] [CrossRef]
- Xiaowei, D.; Guiping, Z.; Liangzhong, Y. Two-Stage optimization of battery energy storage capacity to decrease wind power curtailment in grid-connected wind farms. IEEE Trans. Power Syst. 2018, 33, 3296–3305. [Google Scholar]
- Sun, Y.S.; Tang, X.S.; Sun, X.Z.; Jia, D.Q.; Zhang, G.W.; Wang, P. Research on energy storage capacity allocation method for smoothing wind power fluctuations. Proc. CSEE 2017, 37, 88–97. [Google Scholar]
- Jiang, T.; Li, X.; Chen, H.; Zhang, R.; Li, G.; Kou, X.; Wang, M.; Li, F. Optimal energy storage siting and sizing to mitigate voltage deviation in distribution networks. In Proceedings of the 2019 IEEE Power & Energy Society General Meeting (PESGM), Atlanta, GA, USA, 4–8 August 2019; IEEE: Piscateville, NJ, USA, 2020; pp. 1–5. [Google Scholar]
- Tang, J.; Li, X.R.; Huang, J.Y.; Xu, P.; He, C. Capacity allocation of BESS in secondary frequency regulation with the goal of maximum net benefit. Trans. China Electrotech. Soc. 2019, 34, 963–972. [Google Scholar]
- Zheng, L.; Hu, W.; Lu, Q.; Min, Y. Optimal energy storage system allocation and operation for improving wind power penetration. IET Gener. Transm. Distrib. 2015, 9, 2672–2678. [Google Scholar] [CrossRef]
- Hou, L.; Chen, Y.; Su, K.; Wang, Y.; Zhang, Z. Research on bi-level planning method of active distribution network considering flexible interconnection of source network load and storage. In Proceedings of the 2019 IEEE Sustainable Power and Energy Conference, Beijing, China, 21–23 November 2019; IEEE: Piscateville, NJ, USA, 2020. [Google Scholar]
- Zhang, Y.; Dong, Z.; Luo, F.; Zheng, Y.; Meng, K.; Wong, K.P. Optimal allocation of battery energy storage systems in distribution networks with high wind power penetration. IET Renew. Power Gener. 2016, 10, 1105–1113. [Google Scholar] [CrossRef]
- Xiu, X.; Tang, W.; Li, J.; Tian, C. Collaborative Configuration of distributed generation, energy storage and load in microgrid considering state of health. High Volt. Eng. 2017, 43, 3118–3126. [Google Scholar]
- Wang, S.; Li, F.; Zhang, G.; Yin, C. Analysis of energy storage demand for peak shaving and frequency regulation of power systems with high penetration of renewable energy. Energy 2023, 267, 126586. [Google Scholar]
- Song, T.; Li, T.H.X. Coordinated operation strategy of energy storage system participating in multiple application scenarios. Autom. Electr. Power Syst. 2021, 45, 43–51. [Google Scholar]
- Yuan, W.; Wang, J.; Qiu, F.; Chen, C.; Kang, C.; Zeng, B. Robust optimization-based resilient distribution network planning against natural disasters. IEEE Trans. Smart Grid 2016, 7, 2817–2826. [Google Scholar] [CrossRef]
- Shen, Z.; Sun, F.; Dan, Y.; Dai, P.; Song, K.; Wang, L. Optimal Planning of Distributed Energy Storage in Distribution Network Considering the Influence of Typhoon-like Extreme Weather. In Proceedings of the 2021 3rd International Academic Exchange Conference on Science and Technology Innovation (IAECST), Guangzhou, China, 10–12 December 2021; IEEE: Piscateville, NJ, USA, 2021; pp. 1882–1886. [Google Scholar]
- Nazemi, M.; Moeini-Aghtaie, M.; Fotuhi-Firuzabad, M.; Dehghanian, P. Energy storage planning for enhanced resilience of power distribution networks against earthquakes. IEEE Trans. Sustain. Energy 2020, 11, 795–806. [Google Scholar] [CrossRef]
- Haibo, Z.; Shentong, M.; Xin, C. Energy storage planning method of distribution network to ensure uninterrupted power supply of important loads. Power Syst. Technol. 2021, 45, 259–268. [Google Scholar]
- Liu, Z.; Tan, Q.; Zhou, Y.; Xu, H. Syncretic application of IBAS-BP algorithm for monitoring equipment online in power system. IEEE Access 2021, 9, 2169–3536. [Google Scholar] [CrossRef]
- Al Ahmad, A.K.; Sirjani, R. Optimal allocation of energy storage system in transmission system considering wind power. In Proceedings of the 2020 7th International Conference on Electrical and Electronics Engineering, Antalya, Turkey, 14–16 April 2020; IEEE: Piscateville, NJ, USA, 2020; pp. 181–187. [Google Scholar]
- Shu, H.; Shen, X.; Xu, L.; Guo, Q.; Sun, H. A validity test method for transmission betweens and transmission sections based on chain attack analysis and line outage distribution factors. In Proceedings of the 2018 2nd IEEE Conference on Energy Internet and Energy System Integration (EI2), Beijing, China, 20–22 October 2018; pp. 1–6. [Google Scholar]
- Clerc, M.; Kennedy, J. The particle swarm-explosion, stability, and convergence in a multidimensional complex space. IEEE Trans Evol. Comput. 2002, 6, 58–73. [Google Scholar] [CrossRef]
- Ozcan, E.; Mohan, C. Particle swarm optimization: Surfing the waves. In Proceedings of the Congress on Evolutionary Computation, Piscataway, NJ, USA, 6–9 July 1999; Volume 1, pp. 1939–1944. [Google Scholar]
- Li, Y.; Shuai, Z.; Liu, X.; Hong, Y.; Wu, X.; Shen, Z.J. Study on damping low frequency oscillation of an AC/DC power grid based on UPFC & DC-SDC. Power Syst. Prot. Control 2020, 48, 73–79. [Google Scholar]











| Bus_i | Type | Pd/MW | Qd/Mvar | Base/kV | Bus_i | Type | Pd/MW | Qd/Mvar | Base/kV |
|---|---|---|---|---|---|---|---|---|---|
| 1 | 3 | 0 | 0 | 10.5 | 19 | 1 | 86.4 | 66.2 | 220 |
| 2 | 1 | 0 | 0 | 20 | 20 | 1 | 71.9 | 47.4 | 220 |
| 3 | 2 | 0 | 0 | 10.5 | 21 | 1 | 70 | 50 | 220 |
| 4 | 1 | 0 | 0 | 15.7 | 22 | 1 | 226.5 | 169 | 220 |
| 5 | 1 | 0 | 0 | 10.5 | 23 | 1 | 287 | 144 | 220 |
| 6 | 2 | 0 | 0 | 10.5 | 24 | 1 | 0 | 0 | 220 |
| 7 | 2 | 0 | 0 | 10.5 | 25 | 1 | 0 | 0 | 500 |
| 8 | 2 | 0 | 0 | 10.5 | 26 | 1 | 0 | 0 | 500 |
| 9 | 1 | 376 | 221 | 220 | 27 | 1 | 0 | 0 | 500 |
| 10 | 1 | 0 | 0 | 20 | 28 | 1 | 0 | 0 | 500 |
| 11 | 1 | 0 | 0 | 500 | 29 | 1 | 520 | 10 | 220 |
| 12 | 1 | 0 | 0 | 500 | 30 | 1 | 0 | 0 | 220 |
| 13 | 1 | 0 | 0 | 500 | 31 | 1 | 0 | 0 | 220 |
| 14 | 1 | 0 | 0 | 220 | 32 | 1 | 0 | 0 | 220 |
| 15 | 1 | 0 | 0 | 20 | 33 | 1 | 0 | 0 | 220 |
| 16 | 1 | 500 | 230 | 220 | 34 | 1 | 0 | 0 | 220 |
| 17 | 1 | 0 | 0 | 20 | 35 | 1 | 0 | 0 | 0 |
| 18 | 1 | 430 | 220 | 220 | 36 | 1 | 0 | 0 | 0 |
| Bus | Pg/MW | Qg/Mvar | Vg/p.u. |
|---|---|---|---|
| 1 | 0 | 0 | 1 |
| 2 | 600 | 360 | 1 |
| 3 | 310 | 0 | 1 |
| 4 | 160 | 70 | 1 |
| 5 | 430 | 334 | 1 |
| 6 | −1 | 0 | 1 |
| 7 | 225 | 0 | 1 |
| 8 | 306 | 0 | 1 |
| Fbus | Tbus | r | x | b | Ratio | Fbus | Tbus | r | x | b |
|---|---|---|---|---|---|---|---|---|---|---|
| 11 | 25 | 0 | 0.0001 | 0 | 0 | 31 | 32 | 0 | 0.0001 | 0 |
| 12 | 26 | 0 | 0.0001 | 0 | 0 | 9 | 22 | 0.0559 | 0.218 | 0.3908 |
| 12 | 27 | 0 | 0.0001 | 0 | 0 | 9 | 23 | 0.0034 | 0.0131 | 0 |
| 13 | 28 | 0 | 0.0001 | 0 | 0 | 9 | 24 | 0.0147 | 0.104 | 0 |
| 14 | 19 | 0.0034 | 0.02 | 0 | 0 | 24 | 1 | 0 | 0.015 | 0 |
| 16 | 18 | 0.0033 | 0.0333 | 0 | 0 | 9 | 2 | 0 | 0.0217 | 0 |
| 16 | 19 | 0.0578 | 0.218 | 0.3774 | 0 | 22 | 3 | 0 | 0.0124 | 0 |
| 16 | 20 | 0.0165 | 0.0662 | 0.4706 | 0 | 19 | 4 | 0 | 0.064 | 0 |
| 16 | 21 | 0.0374 | 0.178 | 0.328 | 0 | 18 | 5 | 0 | 0.0375 | 0 |
| 16 | 29 | 0 | 0.0001 | 0 | 0 | 30 | 7 | 0 | 0.0438 | 0 |
| 18 | 34 | 0 | 0.001 | 0 | 0 | 31 | 8 | 0 | 0.0328 | 0 |
| 19 | 21 | 0.0114 | 0.037 | 0 | 0 | 12 | 15 | 0 | 0.018 | 0 |
| 19 | 30 | 0.0196 | 0.0854 | 0.162 | 0 | 6 | 17 | 0 | 0.0337 | 0 |
| 20 | 22 | 0.0214 | 0.0859 | 0.6016 | 0 | 9 | 10 | 0 | −0.002 | 0 |
| 21 | 22 | 0.015 | 0.0607 | 0.4396 | 0 | 14 | 15 | 0 | −0.002 | 0 |
| 22 | 23 | 0.0537 | 0.19 | 0.3306 | 0 | 13 | 17 | 0 | 0.01 | 0 |
| 23 | 24 | 0.0106 | 0.074 | 0 | 0 | 11 | 10 | 0 | 0.018 | 0 |
| 25 | 26 | 0.0033 | 0.0343 | 3.7594 | 0 | 36 | 15 | 0 | 0.0001 | 0 |
| 27 | 28 | 0.00245 | 0.0255 | 2.79 | 0 | 16 | 17 | 0 | 0.001 | 0 |
| 29 | 33 | 0 | 0.0001 | 0 | 0 | 35 | 10 | 0 | 0.001 | 0 |
| 30 | 31 | 0 | 0.0001 | 0 | 0 |
| AC Line | Initial Power/p.u. | Power after Fault/p.u. | LODF | The Improved Power Flow Exceeding Risk Index |
|---|---|---|---|---|
| L31-33 | 4.00 | 0.00 | −1.00 | 1.67 |
| L30-31 | 1.02 | −2.98 | −1.00 | 0.41 |
| L19-L30 | −1.20 | −5.17 | −1.00 | 0.70 |
| L14-19 | −0.34 | −2.94 | −0.82 | 0.42 |
| L15-14 | −0.34 | −2.94 | −0.65 | 0.32 |
| L15-12 | 0.34 | 2.94 | 0.65 | 0.14 |
| L12-27 | 4.86 | 7.18 | 0.58 | 1.29 |
| L27-28 | 4.86 | 7.18 | 0.58 | 1.29 |
| L13-28 | −4.61 | −7.04 | −0.61 | 3.70 |
| L17-13 | −4.80 | −7.04 | −0.56 | 3.22 |
| L17-16 | 4.79 | 7.01 | 0.56 | 0.36 |
| L16-29 | 2.38 | 6.20 | 1.02 | 0.32 |
| L29-L34 | −3.82 | 0.00 | −0.96 | 2.15 |
| ESS Power/MW | ESS Capacity/MW·h | ESS Location | Annual Investment Cost/Million Yuan | the Sum of the Improved Power Flow Exceeding Risk Index |
|---|---|---|---|---|
| 541.15 | 541.15 × 2 | 31 | 443.47 | 24.18 |
| 276.31 | 276.31 × 2 | 16 | 226.44 | 18.29 |
| 391.88 | 391.88 × 2 | 16 | 321.15 | 19.47 |
| AC Line | Initial Power/p.u. | Power after Fault/p.u. | LODF | The Improved Power Flow Exceeding Risk Index |
|---|---|---|---|---|
| L30-31 | 1.02 | −1.68 | −0.68 | −0.71 |
| L14-19 | −0.34 | −1.3 | −0.41 | −0.83 |
| L15-14 | −0.34 | −1.3 | −0.24 | −0.87 |
| L15-12 | 0.34 | 1.3 | 0.24 | 0.39 |
| L17-16 | 4.79 | 6.37 | 0.39 | 0.51 |
| L16-29 | 2.38 | 6.79 | 1.1 | 0.29 |
| AC Line | Initial Power/p.u. | Power after Fault/p.u. | LODF | The Improved Power Flow Exceeding Risk Index |
|---|---|---|---|---|
| L30-31 | 1.02 | −2.98 | −1 | −0.48 |
| L14-19 | −0.34 | −4.17 | −1.13 | −0.3 |
| L15-14 | −0.34 | −4.17 | −0.96 | −0.22 |
| L15-12 | 0.34 | 4.17 | 0.96 | 0.1 |
| L17-16 | 4.79 | 6.36 | 0.39 | 0.51 |
| L16-29 | 2.38 | 6.69 | 1.08 | 0.3 |
| AC Line | Initial Power/p.u. | Power after Fault/p.u. | LODF | The Improved Power Flow Exceeding Risk Index |
|---|---|---|---|---|
| L30-31 | 1.02 | −2.98 | −1 | −0.48 |
| L14-19 | −0.34 | −1.69 | −0.51 | −0.67 |
| L15-14 | −0.34 | −1.69 | −0.34 | −0.61 |
| L15-12 | 0.34 | 1.69 | 0.34 | 0.27 |
| L17-16 | 4.79 | 6.9 | 0.53 | 0.38 |
| L16-29 | 2.38 | 7.03 | 1.16 | 0.28 |
| Nodes | BESS Power/MW | ESS Capacity/MW·h | BESS Location | Investment and Construction Costs/Million Yuan | the Sum of the Improved Power Flow Exceeding Risk Index |
|---|---|---|---|---|---|
| 2 nodes | 88.09 | 88.09 × 2 | 29 | 248.89 | 17.78 |
| 299.25 | 299.25 × 2 | 31 | |||
| 3 nodes | 88.09 | 88.09 × 2 | 29 | 248.89 | 17.78 |
| 11.87 | 11.87 × 2 | 19 | |||
| 287.38 | 287.38 × 2 | 31 |
| AC Line | Initial Power/p.u. | Power after Fault/p.u. | LODF | The Improved Power Flow Exceeding Risk Index |
|---|---|---|---|---|
| L30-31 | 1.02 | −2.98 | −1 | −1.38 |
| L14-19 | −0.34 | −4.17 | −1.13 | −1.48 |
| L15-14 | −0.34 | −4.17 | −0.96 | −0.5 |
| L15-12 | 0.34 | 4.17 | 0.96 | 0.5 |
| L17-16 | 4.79 | 6.36 | 0.39 | 0.58 |
| L16-29 | 2.38 | 6.69 | 1.08 | 0.5 |
| AC Line | Initial Power/p.u. | Power after Fault/p.u. | LODF | The Improved Power Flow Exceeding Risk Index |
|---|---|---|---|---|
| L30-31 | 1.02 | −2.98 | −1 | −1.24 |
| L14-19 | −0.34 | −1.69 | −0.51 | −1.48 |
| L15-14 | −0.34 | −1.69 | −0.34 | −0.5 |
| L15-12 | 0.34 | 1.69 | 0.34 | 0.5 |
| L17-16 | 4.79 | 6.9 | 0.53 | 0.58 |
| L16-29 | 2.38 | 7.03 | 1.16 | 0.5 |
Disclaimer/Publisher’s Note: The statements, opinions and data contained in all publications are solely those of the individual author(s) and contributor(s) and not of MDPI and/or the editor(s). MDPI and/or the editor(s) disclaim responsibility for any injury to people or property resulting from any ideas, methods, instructions or products referred to in the content. |
© 2023 by the authors. Licensee MDPI, Basel, Switzerland. This article is an open access article distributed under the terms and conditions of the Creative Commons Attribution (CC BY) license (https://creativecommons.org/licenses/by/4.0/).
Share and Cite
Tu, Y.; Jiang, L.; Zhou, B.; Sun, X.; Zheng, T.; Xu, Y.; Mei, S. Optimal Configuration of Battery Energy Storage for AC/DC Hybrid System Based on Improved Power Flow Exceeding Risk Index. Electronics 2023, 12, 3169. https://doi.org/10.3390/electronics12143169
Tu Y, Jiang L, Zhou B, Sun X, Zheng T, Xu Y, Mei S. Optimal Configuration of Battery Energy Storage for AC/DC Hybrid System Based on Improved Power Flow Exceeding Risk Index. Electronics. 2023; 12(14):3169. https://doi.org/10.3390/electronics12143169
Chicago/Turabian StyleTu, Yanming, Libo Jiang, Bo Zhou, Xinwei Sun, Tianwen Zheng, Yunyang Xu, and Shengwei Mei. 2023. "Optimal Configuration of Battery Energy Storage for AC/DC Hybrid System Based on Improved Power Flow Exceeding Risk Index" Electronics 12, no. 14: 3169. https://doi.org/10.3390/electronics12143169
APA StyleTu, Y., Jiang, L., Zhou, B., Sun, X., Zheng, T., Xu, Y., & Mei, S. (2023). Optimal Configuration of Battery Energy Storage for AC/DC Hybrid System Based on Improved Power Flow Exceeding Risk Index. Electronics, 12(14), 3169. https://doi.org/10.3390/electronics12143169
