A Wide-Band Modeling Research of Voltage Transformer in EMU
Abstract
1. Introduction
2. Principle and Analysis
2.1. Vector Fitting Method
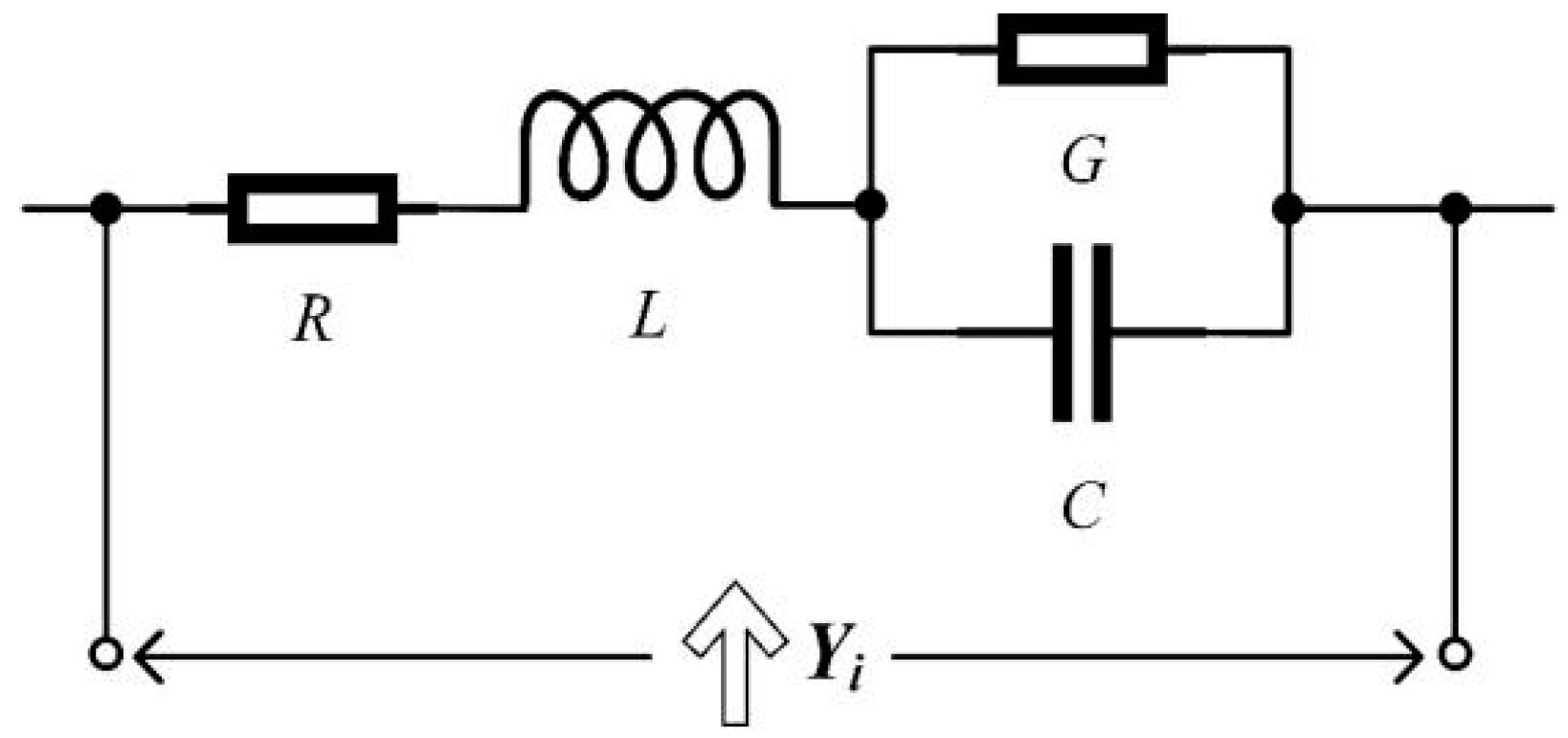
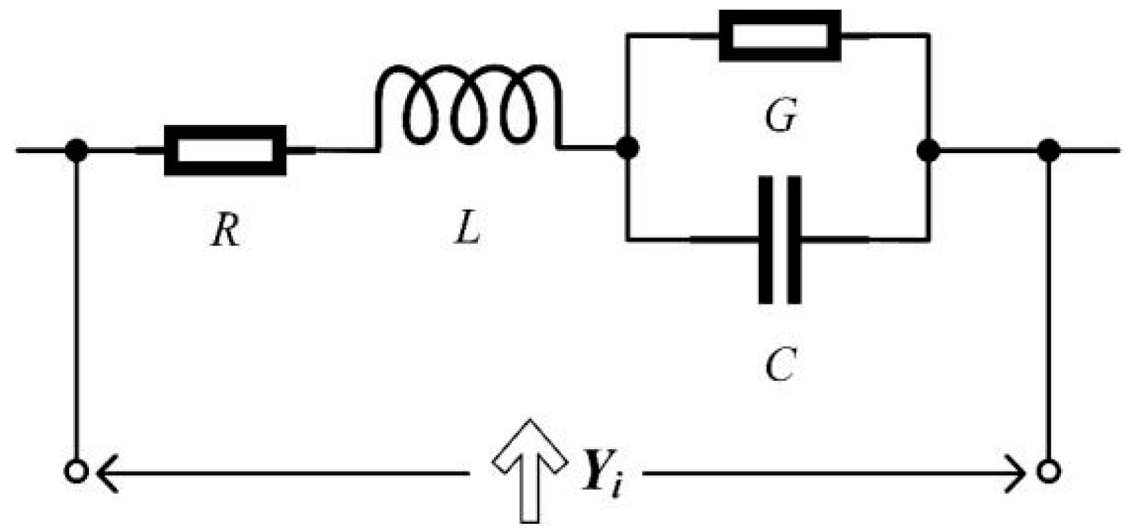
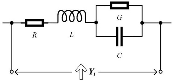
2.2. Two-Port Network
2.3. Black-Box Modeling Method
3. Experiment and Simulation
3.1. Measurement of Admittances and Transmission Characteristics
3.2. Vector Fitting of Branch Admittances
3.3. Simulation and Analysis of Pi-Type Equivalent Circuit Model
3.4. Simulation and Analysis of Wide-Band Model
4. Conclusions
Author Contributions
Funding
Data Availability Statement
Conflicts of Interest
References
- Wan, Y.S.; Liu, Y.Y.; Gao, G.Q. Influence of grounding mode on surge overvoltage caused by pantograph raising in high-speed EMU. J. China Railw. Soc. 2017, 39, 32–37. [Google Scholar]
- Zheng, Y.; Liu, Y.Y.; Wan, Y.S.; Gao, G.Q.; Cao, B.Y. Simulation and analysis of overvoltage on the body of high-speed train Caused by lightning Catenaries. High Volt. Appar. 2017, 53, 44–49. [Google Scholar]
- Jiang, Z.Y. Research on the Fault Mechanism of On-Board Network Voltage Transformer of EMU. Master’s Thesis, Dalian Jiaotong University, Dalian, China, 2019. [Google Scholar]
- Lu, F.C.; Han, F.; Wang, F.C.; Jia, B.C. Overvoltage in CRH reactor lifting process and simulation analysis of restraining measures. High Volt. Appar. 2008, 52, 1–6. [Google Scholar]
- Cheng, B. Simulation and Suppression Research of High-Voltage Closing Overvoltage of EMU. Master’s Thesis, Southwest Jiaotong University, Sichuan, China, 2019. [Google Scholar]
- Gong, X.H.; Kong, W.Z.; Yu, Z.Q.; Yuan, Y.C.; He, J.L. Experimental study on broadband transmission characteristics of substation transformers. High Volt. Eng. 2009, 35, 1736–1742. [Google Scholar]
- Kaczmarek, M.; Jama, S. Accuracy of inductive voltage transformer in the presence of voltage high harmonics. In Proceedings of the 2014 International Conference on High Voltage Engineering and Application, Poznan, Poland, 8–11 September 2014; pp. 1–4. [Google Scholar]
- Zhang, Z.Y.; Chen, Y.T. A high frequency circuit model for potential transformer in Gas insulated substation based on the black box method. High Volt. Appar. 2008, 44, 259–300. [Google Scholar]
- Zhang, Z.Y.; Chen, Y.T.; Liu, Y.P. High frequency circuit model of transformer windings based on frequency responses for VFTO studies. In Proceedings of the 2008 Third International Conference on Electric Utility Deregulation and Restructuring and Power Technologies, Nanjing, China, 6–9 April 2008; pp. 1528–1532. [Google Scholar]
- Sui, X.F. Research on the Modeling Method of High Frequency Passive Circuit of Voltage Transformer. Master’s Thesis, North China Electric Power University, Baoding, China, 2009. [Google Scholar]
- Zhang, T.H.; Pu, Z.L.; Han, C.G.; Li, X.Q.; Wang, Q.F.; Zhang, J.Q. Research on the operating overvoltage characteristics of intercity trains when closing circuit breakers. Insul. Surge Arresters 2021, 6, 81–87. [Google Scholar]
- Gustavsen, B.; Semlyen, A. Simulation of transmission line transients using vector fitting and modal decomposition. IEEE Trans. Power Deliv. 1998, 13, 605–614. [Google Scholar] [CrossRef]
- Gustavsen, B.; Semlyen, A. Rational approximation of frequency domain responses by vector fitting. IEEE Trans. Power Deliv. 1999, 14, 1052–1061. [Google Scholar] [CrossRef]
- Gustavsen, B. Improving the pole relocating properties of vector fitting. IEEE Trans. Power Deliv. 2006, 21, 1587–1592. [Google Scholar] [CrossRef]





















| Branch Admittance | Fitting Order | Iteration Number | Initial Pole Spacing | Weight |
|---|---|---|---|---|
| Y1 | 90 | 55 | linear spacing | |
| Y2 | 80 | 50 | logarithmic spacing | |
| Y3 | 30 | 50 | linear spacing |
Disclaimer/Publisher’s Note: The statements, opinions and data contained in all publications are solely those of the individual author(s) and contributor(s) and not of MDPI and/or the editor(s). MDPI and/or the editor(s) disclaim responsibility for any injury to people or property resulting from any ideas, methods, instructions or products referred to in the content. |
© 2023 by the authors. Licensee MDPI, Basel, Switzerland. This article is an open access article distributed under the terms and conditions of the Creative Commons Attribution (CC BY) license (https://creativecommons.org/licenses/by/4.0/).
Share and Cite
Wu, Y.; Che, Y.; Wang, Q.; Zhang, J.; Li, X.; Tang, X. A Wide-Band Modeling Research of Voltage Transformer in EMU. Electronics 2023, 12, 2844. https://doi.org/10.3390/electronics12132844
Wu Y, Che Y, Wang Q, Zhang J, Li X, Tang X. A Wide-Band Modeling Research of Voltage Transformer in EMU. Electronics. 2023; 12(13):2844. https://doi.org/10.3390/electronics12132844
Chicago/Turabian StyleWu, Yan, Yongwang Che, Qingfeng Wang, Jianqiong Zhang, Xiangqiang Li, and Xianfeng Tang. 2023. "A Wide-Band Modeling Research of Voltage Transformer in EMU" Electronics 12, no. 13: 2844. https://doi.org/10.3390/electronics12132844
APA StyleWu, Y., Che, Y., Wang, Q., Zhang, J., Li, X., & Tang, X. (2023). A Wide-Band Modeling Research of Voltage Transformer in EMU. Electronics, 12(13), 2844. https://doi.org/10.3390/electronics12132844

