Development of Non-Destructive Testing Device for Plant Leaf Expansion Monitoring
Abstract
1. Introduction
2. Materials and Methods
2.1. Measurement Principle
2.2. Hardware System Design
2.2.1. Hardware Circuit General Structure
2.2.2. Power Supply Circuit Design
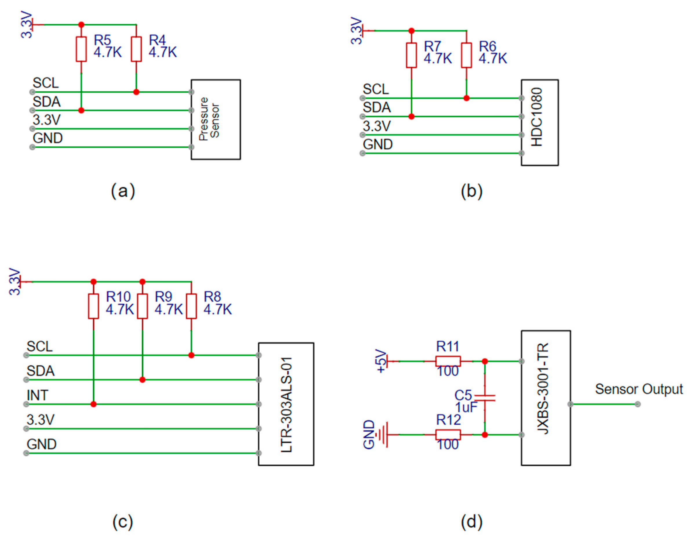
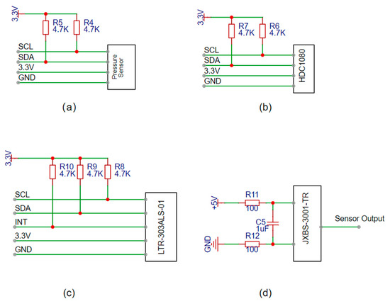
2.2.3. Sensor Monitoring Circuit Design
2.3. Sensor Experiments
2.3.1. Sensor Calibration Experiments
2.3.2. Sensor Stability Test Experiment
2.3.3. Leaf Expansion Pressure Measurement Test
3. Results
3.1. Calibration Experiment Results
3.2. Sensor Stability Test Results
3.3. Leaf Expansion Pressure Measurement Test Results
3.3.1. Leaf Expansion Pressure under Different Moisture Conditions
3.3.2. Irrigation Expansion Pressure Change under High Water Shortage
3.3.3. Correlation Analysis between Expansion Pressure and Environmental Factors
3.3.4. Continuous Monitoring Data Analysis
4. Discussion
Author Contributions
Funding
Institutional Review Board Statement
Informed Consent Statement
Data Availability Statement
Conflicts of Interest
References
- Jones, H.G. Irrigation scheduling: Advantages and pitfalls of plant-based methods. J. Exp. Bot. 2004, 55, 2427–2436. [Google Scholar] [CrossRef]
- Deng, Z.J.; Guan, H.D.; Hutson, J.; Forster, M.A.; Wang, Y.Q.; Simmons, C.T. A Vegetation-Focused Soil-Plant-Atmospheric Continuum Model to Study Hydrodynamic Soil-Plant Water Relations. Water Resour. Res. 2017, 53, 4965–4983. [Google Scholar] [CrossRef]
- Berry, C.Z.; Emery, N.C.; Gotsch, S.G.; Goldsmith, G.R. Foliar water uptake: Processes, pathways, and integration into plant water budgets. Plant Cell Environ. 2018, 42, 410–423. [Google Scholar] [CrossRef] [PubMed]
- Ratzmann, G.; Zakharova, L.; Tietjen, B. Optimal leaf water status regulation of plants in drylands. Sci. Rep. 2019, 9, 3768. [Google Scholar] [CrossRef] [PubMed]
- Papastefanou, P.; Zang, C.S.; Pugh, T.; Liu, D.; Grams, T.E.E.; Hickler, T.; Rammig, A. A Dynamic Model for Strategies and Dynamics of Plant Water-Potential Regulation Under Drought Conditions. Front. Plant Sci. 2020, 11. [Google Scholar] [CrossRef]
- Scharwies, J.D.; Dinneny, J.R. Water Transport, Perception, and Response in Plants. J. Plant Res. 2019, 132, 311–324. [Google Scholar] [CrossRef]
- Baek, S.; Jeon, E.; Park, K.S.; Yeo, K.-H.; Lee, J. Monitoring of Water Transportation in Plant Stem With Microneedle Sap Flow Sensor. J. Microelectromech. Syst. 2018, 27, 440–447. [Google Scholar] [CrossRef]
- Cosgrove, D.J.; van Volkenburgh, E.; Cleland, R.E. Stress Relaxation of Cell Walls and the Yield Threshold for Growth: Demonstration and Measurement by Micro-Pressure Probe and Psychrometer Techniques. Planta 1984, 162, 46–54. [Google Scholar] [CrossRef]
- Li, B.; Zhang, X.; Wang, R.; Mei, Y.; Ma, J.J. Leaf Water Status Monitoring by Scattering Effects at Terahertz Frequencies. Spectrochim. Acta Part A-Mol. Biomol. Spectrosc. 2021, 245, 118932. [Google Scholar] [CrossRef]
- Gente, R.; Koch, M. Monitoring leaf water content with THz and sub-THz waves. Plant Methods 2015, 11, 1–9. [Google Scholar] [CrossRef]
- Jördens, C.; Scheller, M.; Breitenstein, B.; Selmar, D.; Koch, M. Evaluation of leaf water status by means of permittivity at terahertz frequencies. J. Biol. Phys. 2009, 35, 255–264. [Google Scholar] [CrossRef]
- Zhang, H.B.; Mitobe, K.; Yoshimura, N. Application of Terahertz Imaging to Water Content Measurement. Jpn. J. Appl. Phys. 2008, 47, 8065–8070. [Google Scholar] [CrossRef]
- Zhang, Y.; Guo, W. Moisture content detection of maize seed based on visible/near-infrared and near-infrared hyperspectral imaging technology. Int. J. Food Sci. Technol. 2019, 55, 631–640. [Google Scholar] [CrossRef]
- Acevedo, M.F.B.; Groen, T.A.; Hecker, C.A.; Skidmore, A.K. Identifying Leaf Traits That Signal Stress in Tir Spectra. ISPRS J. Photogramm. Remote Sens. 2017, 125, 132–145. [Google Scholar] [CrossRef]
- Westhoff, M.; Reuss, R.; Zimmermann, D.; Netzer, Y.; Gessner, A.; Geßner, P.; Zimmermann, G.; Wegner, L.H.; Bamberg, E.; Schwartz, A.; et al. A non-invasive probe for online-monitoring of turgor pressure changes under field conditions. Plant Biol. 2009, 11, 701–712. [Google Scholar] [CrossRef]
- Fernández, J.; Rodriguez-Dominguez, C.; Perez-Martin, A.; Zimmermann, U.; Rüger, S.; Martín-Palomo, M.; Torres-Ruiz, J.; Cuevas, M.; Sann, C.; Ehrenberger, W.; et al. Online-monitoring of tree water stress in a hedgerow olive orchard using the leaf patch clamp pressure probe. Agric. Water Manag. 2011, 100, 25–35. [Google Scholar] [CrossRef]
- Kant, S.; Burch, D.; Ehrenberger, W.; Bitter, R.; Rüger, S.; Mason, J.; Zimmermann, U.; Spangenberg, G. A Novel Crop Water Analysis System: Identification of Water Stress Tolerant Genotypes of Canola (Brassica Napus L.) Using Non-Invasive Magnetic Turgor Pressure Probes. Plant Breed. 2014, 133, 602–608. [Google Scholar] [CrossRef]
- Bramley, H.; Ehrenberger, W.; Zimmermann, U.; Palta, J.A.; Rüger, S.; Siddique, K.H.M. Non-invasive pressure probes magnetically clamped to leaves to monitor the water status of wheat. Plant Soil 2012, 369, 257–268. [Google Scholar] [CrossRef]
- Zimmermann, U.; Bitter, R.; Marchiori, P.E.R.; Rüger, S.; Ehrenberger, W.; Sukhorukov, V.L.; Schüttler, A.; Ribeiro, R.V. A non-invasive plant-based probe for continuous monitoring of water stress in real time: A new tool for irrigation scheduling and deeper insight into drought and salinity stress physiology. Theor. Exp. Plant Physiol. 2013, 25, 2–11. [Google Scholar] [CrossRef]
- Ehrenberger, W.; Rüger, S.; Rodriguez-Dominguez, C.M.; Diaz-Espejo, A.; Fernández, J.E.; Moreno, J.; Zimmermann, D.; Sukhorukov, V.L. Leaf patch clamp pressure probe measurements on olive leaves in a nearly turgorless state. Plant Biol. 2012, 14, 666–674. [Google Scholar] [CrossRef]
- Scalisi, A.; O’Connell, M.G.; Stefanelli, D.; Bianco, R.L. Fruit and Leaf Sensing for Continuous Detection of Nectarine Water Status. Front. Plant Sci. 2019, 10, 805. [Google Scholar] [CrossRef] [PubMed]
- Martínez-Gimeno, M.A.; Castiella, M.; Rüger, S.; Intrigliolo, D.S.; Ballester, C. Evaluating the usefulness of continuous leaf turgor pressure measurements for the assessment of Persimmon tree water status. Irrig. Sci. 2016, 35, 159–167. [Google Scholar] [CrossRef]
- Zimmermann, U.; Rueger, S.; Shapira, O.; Westhoff, M.; Wegner, L.H.; Reuss, R.; Gessner, P.; Zimmermann, G.; Israeli, Y.; Zhou, A.; et al. Effects of Environmental Parameters and Irrigation on the Turgor Pressure of Banana Plants Measured Using the Non-Invasive, Online Monitoring Leaf Patch Clamp Pressure Probe. Plant Biol. 2010, 12, 424–436. [Google Scholar] [CrossRef] [PubMed]
- Chehab, H.; Tekaya, M.; Mechri, B.; Jemai, A.; Guiaa, M.; Mahjoub, Z.; Boujnah, D.; Laamari, S.; Chihaoui, B.; Zakhama, H.; et al. Effect of the Super Absorbent Polymer Stockosorb (R) on Leaf Turgor Pressure, Tree Performance and Oil Quality of Olive Trees Cv. Chemlali Grown under Field Conditions in an Arid Region of Tunisia. Agric. Water Manag. 2017, 192, 221–231. [Google Scholar] [CrossRef]
- Rüger, S.; Ehrenberger, W.; Arend, M.; Geßner, P.; Zimmermann, G.; Bentrup, F.-W.; Nadler, A.; Raveh, E.; Sukhorukov, V. Comparative monitoring of temporal and spatial changes in tree water status using the non-invasive leaf patch clamp pressure probe and the pressure bomb. Agric. Water Manag. 2010, 98, 283–290. [Google Scholar] [CrossRef]
- Seelig, H.-D.; Wolter, A.; Schröder, F.-G. Leaf thickness and turgor pressure in bean during plant desiccation. Sci. Hortic. 2015, 184, 55–62. [Google Scholar] [CrossRef]
- Wu, H.-I.; Spence, R.D.; Sharpe, P.J.H.; Goeschl, J.D. Cell wall elasticity: I. A critique of the bulk elastic modulus approach and an analysis using polymer elastic principles. Plant Cell Environ. 1985, 8, 563–570. [Google Scholar] [CrossRef]
- Saito, T.; Soga, K.; Hoson, T.; Terashima, I. The Bulk Elastic Modulus and the Reversible Properties of Cell Walls in Developing Quercus Leaves. Plant Cell Physiol. 2006, 47, 715–725. [Google Scholar] [CrossRef]
- Gardner, W.R.; Ehlig, C.F. Physical Aspects of the Internal Water Relations of Plant Leaves. Plant Physiol. 1965, 40, 705–710. [Google Scholar] [CrossRef]
- Zimmermann, U.; Hüsken, D. Turgor pressure and cell volume relaxation inHalicystis parvula. J. Membr. Biol. 1980, 56, 55–64. [Google Scholar] [CrossRef]














| Data Type | Minimum Value/kPa | Maximum Value/kPa | Relative Variation |
|---|---|---|---|
| Sufficient water | 110.9 ± 0.2 | 112.3 ± 0.2 | 1.0 |
| Initial water shortage | 109.1 ± 0.2 | 110.7 ± 0.2 | 1.1 |
| Severe water shortage | 113.6 ± 0.2 | 114.4 ± 0.2 | 0.5 |
| High-Light Group | Low-Light Group | All-Day Group | ||||
|---|---|---|---|---|---|---|
| r 1 | p 2 | r | p | r | p | |
| Turgor pressure–temperature | −0.250 | 0.882 | −0.353 | 0.000 | 0.459 | 0.000 |
| Turgor pressure–humidity | 0.321 | 0.530 | −0.328 | 0.001 | −0.473 | 0.000 |
| Turgor pressure–Light intensity | 0.650 | 0.000 | 0.561 | 0.000 | 0.817 | 0.000 |
Disclaimer/Publisher’s Note: The statements, opinions and data contained in all publications are solely those of the individual author(s) and contributor(s) and not of MDPI and/or the editor(s). MDPI and/or the editor(s) disclaim responsibility for any injury to people or property resulting from any ideas, methods, instructions or products referred to in the content. |
© 2023 by the authors. Licensee MDPI, Basel, Switzerland. This article is an open access article distributed under the terms and conditions of the Creative Commons Attribution (CC BY) license (https://creativecommons.org/licenses/by/4.0/).
Share and Cite
Meng, X.; Zheng, Y.; Liu, W. Development of Non-Destructive Testing Device for Plant Leaf Expansion Monitoring. Electronics 2023, 12, 249. https://doi.org/10.3390/electronics12010249
Meng X, Zheng Y, Liu W. Development of Non-Destructive Testing Device for Plant Leaf Expansion Monitoring. Electronics. 2023; 12(1):249. https://doi.org/10.3390/electronics12010249
Chicago/Turabian StyleMeng, Xianchang, Yili Zheng, and Weiping Liu. 2023. "Development of Non-Destructive Testing Device for Plant Leaf Expansion Monitoring" Electronics 12, no. 1: 249. https://doi.org/10.3390/electronics12010249
APA StyleMeng, X., Zheng, Y., & Liu, W. (2023). Development of Non-Destructive Testing Device for Plant Leaf Expansion Monitoring. Electronics, 12(1), 249. https://doi.org/10.3390/electronics12010249
