A Single-Stage Bimodal Transformerless Inverter with Common-Ground and Buck-Boost Features
Abstract
1. Introduction
2. Principle Buck-Boost Bimodal Transformerless Inverter
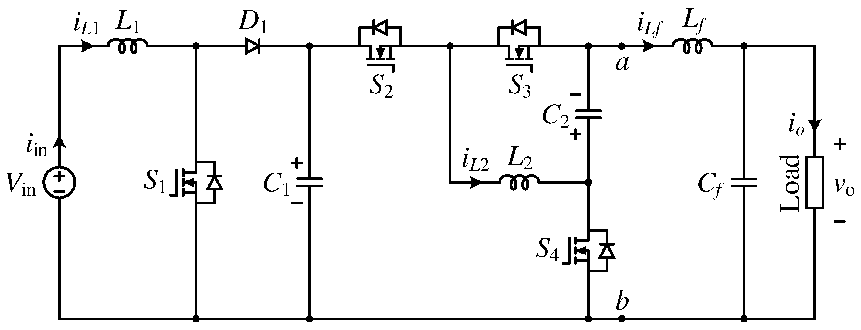
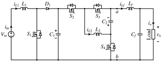
2.1. Circuit Description
2.2. Operation Principles
- Boost mode (θ1–θ2):
- State 1 (Figure 3a):
- State 2 (Figure 3b):
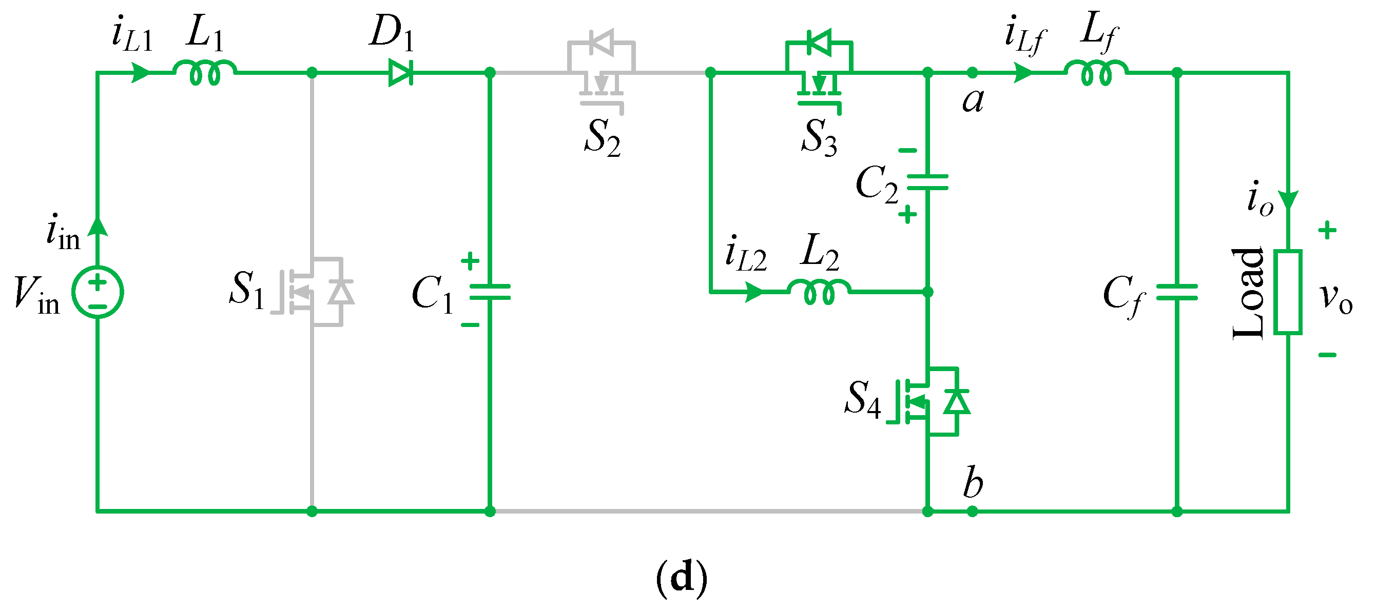
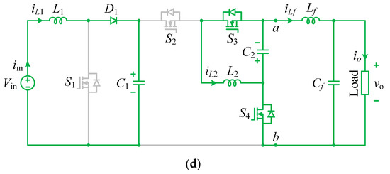
- Buck mode (0–θ1 and θ2–π):
- State 1 (Figure 3b):
- State 2 (Figure 3d):
- Buck-Boost mode (π–2π):
- State 1 (Figure 3c):
- State 2 (Figure 3d):
3. Component Selection
3.1. Inductor
3.2. Capacitor
3.3. Switches and Diode
4. Comparison
4.1. Comparison with the Two-Stage Bimodal Inverter
4.2. Comparison with Other Buck-Boost Common-Ground Inverters
5. Simulation and Experimental Results
5.1. Simulation Results
5.2. Experiment Results
6. Conclusions
Author Contributions
Funding
Institutional Review Board Statement
Informed Consent Statement
Data Availability Statement
Conflicts of Interest
References
- Jo, K.Y.; Duong, T.D.; Choi, J.-H. Emerging technologies in power systems. Electronics 2022, 11, 71. [Google Scholar] [CrossRef]
- Can, E. The design and experimentation of the new cascaded DC-DC boost converter for renewable energy. Int. J. Electron. 2019, 106, 1374–1393. [Google Scholar] [CrossRef]
- Can, E. A new multi-level inverter with reverse connected dual dc to dc converter at simulation. Int. J. Model. Simul. 2022, 42, 34–46. [Google Scholar] [CrossRef]
- Duong, T.D.; Nguyen, M.K.; Tran, T.T.; Choi, J.H.; Lim, Y.C. Transformerless High Step-Up DC-DC Converters with Switched-Capacitor Network. Electronics 2019, 8, 1420. [Google Scholar] [CrossRef]
- Duong, T.D.; Nguyen, M.K.; Nguyen, T.T.; Cha, H.; Lim, Y.C.; Choi, J.H. Switching-Cell Structure Based Generic Five-Level Current Source Inverter. IEEE Trans. Ind. Electron. 2022, 1–10. [Google Scholar] [CrossRef]
- Alluhaybi, K.; Batarseh, I.; Hu, H. Comprehensive review and comparison of single-phase grid-tied photovoltaic microinverters. IEEE J. Emerg. Sel. Top. Power Electron. 2020, 8, 1310–1329. [Google Scholar] [CrossRef]
- Li, W.; Gu, Y.; Luo, H.; Cui, W.; He, X.; Xia, C. Topology review and derivation methodology of single-phase transformerless photovoltaic inverters for leakage current suppression. IEEE Trans. Ind. Electron. 2015, 62, 4537–4551. [Google Scholar] [CrossRef]
- Duong, T.D.; Nguyen, M.K.; Tran, T.-T.; Vo, D.-V.; Lim, Y.C.; Choi, J.-H. Topology Review of Three Phase Two-Level Transformerless Photovoltaic Inverters for Common-Mode Voltage Reduction. Energies 2022, 15, 3106. [Google Scholar] [CrossRef]
- Nguyen, M.K.; Duong, T.D.; Lim, Y.C.; Choi, J.H. High voltage gain quasi-switched boost inverters with low input current ripple. IEEE Trans. Ind. Inform. 2019, 15, 4857–4866. [Google Scholar] [CrossRef]
- Vo, D.-V.; Nguyen, M.-K.; Do, D.-T.; Choi, Y.-O. A Single-Phase Nine-Level Boost Inverter. Energies 2019, 12, 394. [Google Scholar] [CrossRef]
- Tran, T.T.; Nguyen, M.K.; Duong, T.D.; Choi, J.H.; Lim, Y.C.; Zare, F. A Switched-Capacitor Voltage-Doubler Based Boost Inverter for Common-Mode Voltage Reduction. IEEE Access 2019, 7, 98618–98629. [Google Scholar] [CrossRef]
- Duong, T.D.; Nguyen, M.K.; Tran, T.T.; Lim, Y.C.; Choi, J.H.; Wang, C. Modulation techniques for modified three-phase quasi-switched boost inverter with common-mode voltage reduction. IEEE Access 2020, 7, 160670–160683. [Google Scholar] [CrossRef]
- Tai, T.T.; Nguyen, M.K.; Duong, T.D.; Lim, Y.C.; Choi, J.H. A switched-capacitor-based six-level inverter. IEEE Trans. Power Electron. 2022, 37, 4804–4816. [Google Scholar]
- Liu, C.; Wang, Y.; Cui, J.; Zhi, Y.; Liu, M.; Cai, G. Transformerless photovoltaic inverter based on interleaving high-frequency legs having bidirectional capability. IEEE Trans. Power Electron. 2016, 31, 1131–1142. [Google Scholar] [CrossRef]
- Wang, L.; Shi, Y.; Shi, Y.; Xie, R.; Li, H. Ground leakage current analysis and suppression in a 60-kW 5-Level T-Type transformerless SiC PV inverter. IEEE Trans. Power Electron. 2018, 33, 1271–1283. [Google Scholar] [CrossRef]
- Guo, X. Three-phase CH7 inverter with a new space vector modulation to reduce leakage current for transformerless photovoltaic systems. IEEE J. Emerg. Sel. Top. Power Electron. 2017, 5, 708–712. [Google Scholar] [CrossRef]
- Yang, B.; Li, W.; Gu, Y.; Cui, W.; He, X. Improved transformerless inverter with common-mode leakage current elimination for a photovoltaic grid-connected power system. IEEE Trans. Power Electron. 2012, 27, 752–762. [Google Scholar] [CrossRef]
- Kerekes, T.; Teodorescu, R.; Rodríguez, P.; Vázquez, G.; Aldabas, E. A new high-efficiency single-phase transformerless PV inverter topology. IEEE Trans. Ind. Electron. 2011, 58, 184–191. [Google Scholar] [CrossRef]
- Dong, H.; Xie, X.; Jiang, L.; Jin, Z.; Zhao, X. An electrolytic capacitor-less high power factor LED driver based on a ‘one-and-a-half stage’ forward-flyback topology. IEEE Trans. Power Electron. 2018, 33, 1572–1584. [Google Scholar] [CrossRef]
- Tian, K.; Wu, B.; Narimani, M.; Xu, D.; Cheng, Z.; Zargari, N.R. A capacitor voltage-balancing method for nested neutral point clamped (NNPC) inverter. IEEE Trans. Power Electron. 2016, 31, 2575–2583. [Google Scholar] [CrossRef]
- Tang, Y.; Yao, W.; Loh, P.C.; Blaabjerg, F. Highly reliable transformerless photovoltaic inverters with leakage current and pulsating power elimination. IEEE Trans. Ind. Electron. 2016, 63, 1016–1026. [Google Scholar] [CrossRef]
- Gu, Y.; Li, W.; Zhao, Y.; Yang, B.; Li, C.; He, X. Transformerless inverter with virtual DC bus concept for cost-effective grid-connected PV power systems. IEEE Trans. Power Electron. 2013, 28, 793–805. [Google Scholar] [CrossRef]
- Siwakoti, Y.P.; Blaabjerg, F. Common-Ground-Type Transformerless Inverters for Single-Phase Solar Photovoltaic Systems. IEEE Trans. Ind. Electron. 2018, 65, 2100–2111. [Google Scholar] [CrossRef]
- Ardashir, J.F.; Sabahi, M.; Hosseini, S.H.; Blaabjerg, F.; Babaei, E.; Gharehpetian, G.B. A single-phase transformerless inverter with charge pump circuit concept for grid-tied PV applications. IEEE Trans. Ind. Electron. 2017, 64, 5403–5414. [Google Scholar] [CrossRef]
- Zhu, X.; Zhang, B.; Qiu, D. A new half-bridge impedance source inverter with high voltage gain. IEEE Trans. Power Electron. 2019, 34, 3001–3008. [Google Scholar] [CrossRef]
- Kim, K.; Cha, H.; Kim, H. A new single-phase switched-coupled-inductor DC–AC inverter for photovoltaic systems. IEEE Trans. Power Electron. 2017, 32, 5016–5022. [Google Scholar] [CrossRef]
- Sarikhani, A.; Takantape, M.M.; Hamzeh, M. A Transformerless Common-Ground Three-Switch Single-Phase Inverter for Photovoltaic Systems. IEEE Trans. Power Electron. 2020, 35, 8902–8909. [Google Scholar] [CrossRef]
- Vo, D.-V.; Nguyen, M.-K.; Duong, T.-D.; Tran, T.-T.; Lim, Y.-C.; Choi, J.-H. A Novel Single-Stage Common-Ground Transformerless Buck–Boost Inverter. Electronics 2022, 11, 829. [Google Scholar] [CrossRef]
- Yao, Z.; Wang, Z. Single-Stage Doubly Grounded Transformerless PV Grid-Connected Inverter with Boost Function. IEEE Trans. Power Electron. 2022, 37, 2237–2249. [Google Scholar] [CrossRef]
- Karschny, D. Flying Inductor Topology. DE 196 42 522 C1, 23 April 1998. [Google Scholar]
- Khan, A.A.; Lu, Y.W.; Eberle, W.; Wang, L.; Khan, U.A.; Agamy, M.; Cha, H. Single-Stage Bidirectional Buck–Boost Inverters Using a Single Inductor and Eliminating the Common-Mode Leakage Current. IEEE Trans. Power Electron. 2020, 35, 1269–1281. [Google Scholar] [CrossRef]
- Ho, C.N.M.; Siu, K.K.M. Manitoba Inverter—Single-Phase Single Stage Buck-Boost VSI Topology. IEEE Trans. Power Electron. 2019, 34, 3445–3456. [Google Scholar] [CrossRef]
- Ahmed, H.F.; El Moursi, M.S.; Zahawi, B.; Al Hosani, K. Single-Phase Photovoltaic Inverters with Common-Ground and Wide Buck–Boost Voltage Operation. IEEE Trans. Ind. Inform. 2021, 17, 8275–8287. [Google Scholar] [CrossRef]
- Liu, Y.; Zhou, Y.; Guo, B.; Wang, H.; Su, M.; Liang, X.; Pan, X. Bimodal Transformerless Inverter with Three Switches. IEEE Trans. Ind. Electron. 2022, 69, 8972–8983. [Google Scholar] [CrossRef]
- Gupta, K.K.; Ranjan, A.; Bhatnagar, P.; Sahu, L.K.; Jain, S. Multilevel inverter topologies with reduced device count: A review. IEEE Trans. Power Electron. 2016, 31, 135–151. [Google Scholar] [CrossRef]
















| Voltage Stress | Conventional Two-Stage BB BTI | Proposed Single-Stage BB BTI |
|---|---|---|
| S1, S4 | Vo | |
| S2, S3 | ||
| C1 | Vo | |
| C2 | Vo | Vo |
| Voltage Stress | Two-Stage BB BTI (M = 1.95, dBo = 0.56) | Proposed Single-Stage BB BTI (M = 1.95, DBo.max = 0.487) |
|---|---|---|
| S1, S4 | 1.16Vo | Vo |
| S2, S3 | 2.16Vo | 1.51Vo |
| C1 | 1.16Vo | Vo |
| C2 | Vo | Vo |
| Topology | [23] | [30] | [31] | [32] | [33] | [29] | Proposed BB-BTI |
|---|---|---|---|---|---|---|---|
| Diodes | 1 | 2 | 0 | 0 | 4 | 3 | 1 |
| Switches | 4 | 5 | 6 | 8 | 5 | 5 | 4 |
| Capacitors | 2 | 1 | 3 | 1 | 2 | 2 | 3 |
| Inductors | 1 | 2 | 1 | 2 | 4 | 3 | 3 |
| Total Devices | 8 | 10 | 10 | 11 | 15 | 13 | 11 |
| Diodes stress | D1: Vin | D1: Vin + Vo D2: Vo | - | - | D1–D4: Vin + Vo | D1: Vo D2: Vin + Vo D3:Vo-Vin | D1: Vo |
| Switches stress | S1–S4: Vin | S1: Vin + Vo S2–S5: Vo | S1, S2: Vin S3–S6: Vin + Vo | S1–S4: Vin + Vo S5–S8: Vo | S1–S5: Vin + Vo | S1, S2: Vin + Vo S3–S5: Vo | S1, S4: Vo S2, S3: Vin + Vo |
| TSV | 4Vin | 1Vin + 5Vo | 6Vin + 4Vo | 4Vin + 8Vo | 5Vin + 5Vo | 2Vin + 5Vo | 2Vin + 4Vo |
| PresentedEfficiency | 99.2% @1kW | - | 95.9% @0.4kW | 95.7% @0.8kW | 96.74% @0.4kW | 97.1% @0.45kW | 96.5% @0.5kW |
| Parameter | Symbol | Value |
|---|---|---|
| Input voltage | Vin | 80–220 V |
| Output voltage | vo | 110 Vrms |
| Output frequency | fo | 50 Hz |
| Switching frequency | fs | 30 kHz |
| Output power | Po | 500 W |
| Diode | D1 | STTH6003 (300 V, 60 A, VF = 1 V) |
| Switches | S1, S4 | IRFP4868PbF (300V, 70 A, Rdson = 25.5 mΩ) |
| S2, S3 | IPW60R045CPA (600 V, 60 A, Rdson = 45 mΩ) | |
| Inductors | L1 | 0.5 mH |
| L2, Lf | 0.3 mH | |
| Capacitors | C1, C2 | 5 µF |
| Cf | 2 µF |
Disclaimer/Publisher’s Note: The statements, opinions and data contained in all publications are solely those of the individual author(s) and contributor(s) and not of MDPI and/or the editor(s). MDPI and/or the editor(s) disclaim responsibility for any injury to people or property resulting from any ideas, methods, instructions or products referred to in the content. |
© 2023 by the authors. Licensee MDPI, Basel, Switzerland. This article is an open access article distributed under the terms and conditions of the Creative Commons Attribution (CC BY) license (https://creativecommons.org/licenses/by/4.0/).
Share and Cite
Vo, D.-V.; Nguyen, K.M.; Lim, Y.-C.; Choi, J.-H. A Single-Stage Bimodal Transformerless Inverter with Common-Ground and Buck-Boost Features. Electronics 2023, 12, 221. https://doi.org/10.3390/electronics12010221
Vo D-V, Nguyen KM, Lim Y-C, Choi J-H. A Single-Stage Bimodal Transformerless Inverter with Common-Ground and Buck-Boost Features. Electronics. 2023; 12(1):221. https://doi.org/10.3390/electronics12010221
Chicago/Turabian StyleVo, Dai-Van, Khai M. Nguyen, Young-Cheol Lim, and Joon-Ho Choi. 2023. "A Single-Stage Bimodal Transformerless Inverter with Common-Ground and Buck-Boost Features" Electronics 12, no. 1: 221. https://doi.org/10.3390/electronics12010221
APA StyleVo, D.-V., Nguyen, K. M., Lim, Y.-C., & Choi, J.-H. (2023). A Single-Stage Bimodal Transformerless Inverter with Common-Ground and Buck-Boost Features. Electronics, 12(1), 221. https://doi.org/10.3390/electronics12010221

