A Comparative Analysis of S-S and LCCL-S Compensation for Wireless Power Transfer with a Wide Range Load Variation
Abstract
:1. Introduction
2. S-S and LCCL-S WPT System Modeling Analysis
2.1. WPT System Structure
2.2. S-S Resonant Topology
2.3. LCCL-S Resonant Topology
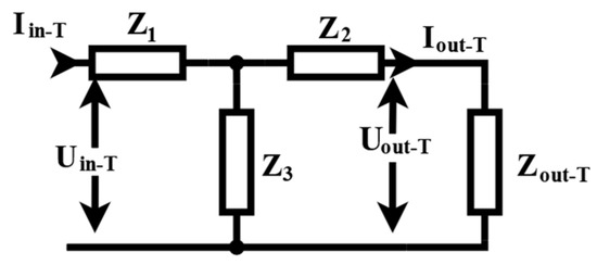
3. Experiment Verification
4. Conclusions
Author Contributions
Funding
Conflicts of Interest
References
- Feng, H.; Tavakoli, R.; Onar, O.C.; Pantic, Z. Advances in High-Power Wireless Charging Systems: Overview and Design Considerations. IEEE Trans. Transp. Electrif. 2020, 6, 886–919. [Google Scholar] [CrossRef]
- Kan, T.; Zhang, Y.; Yan, Z.; Mercier, P.P.; Mi, C.C. A rotation-resilient wireless charging system for lightweight autonomous underwater vehicles. IEEE Trans. Veh. Technol. 2018, 67, 6935–6942. [Google Scholar] [CrossRef]
- Mahesh, A.; Chokkalingam, B.; Mihet-Popa, L. Inductive Wireless Power Transfer Charging for Electric Vehicles–A Review. IEEE Access 2021, 9, 137667–137713. [Google Scholar] [CrossRef]
- Wang, C.S.; Stielau, O.H.; Covic, G.A. Design considerations for a contactless electric vehicle battery charger. IEEE Trans. Ind. Electron. 2005, 52, 1308–1314. [Google Scholar] [CrossRef]
- Aubakirov, R.R. Comparison of the geometry of the optimized coil pair of wireless power transmission systems with SS and SP compensation. In Proceedings of the 2021 IEEE Conference of Russian Young Researchers in Electrical and Electronic Engineering (ElConRus), St. Petersburg, Russia, 26–29 January 2021; pp. 2783–2786. [Google Scholar] [CrossRef]
- Yao, Y.; Wang, Y.; Liu, X.; Lin, F.; Xu, D. A Novel Parameter Tuning Method for a Double-Sided LCL Compensated WPT System With Better Comprehensive Performance. IEEE Trans. Power Electron. 2018, 33, 8525–8536. [Google Scholar] [CrossRef]
- Kavimandan, U.D.; Galigekere, V.P.; Onar, O.; Mohammad, M.; Ozpineci, B.; Mahajan, S.M. The Sensitivity Analysis of Coil Misalignment for a 200-kW Dynamic Wireless Power Transfer System with an LCC-S and LCC-P Compensation. In Proceedings of the 2021 IEEE Transportation Electrification Conference & Expo (ITEC), Chicago, IL, USA, 21–25 June 2021; pp. 1–8. [Google Scholar] [CrossRef]
- Chen, Y.; Zhang, H.; Park, S.-J.; Kim, D.-H. A Comparative Study of S-S and LCCL-S Compensation Topologies in Inductive Power Transfer Systems for Electric Vehicles. Energies 2019, 12, 1913. [Google Scholar] [CrossRef] [Green Version]
- Vu, V.B.; Tran, D.H.; Choi, W. Implementation of the constant current and constant voltage charge of inductive power transfer systems with the double-sided LCC compensation topology for electric vehicle battery charge applications. IEEE Trans. Power Electron. 2018, 33, 7398–7410. [Google Scholar] [CrossRef] [Green Version]
- Li, S.; Li, W.; Deng, J.; Nguyen, T.D.; Mi, C.C. A Double-Sided LCC Compensation Network and Its Tuning Method for Wireless Power Transfer. IEEE Trans. Veh. Technol. 2015, 64, 2261–2273. [Google Scholar] [CrossRef]
- Chen, Y.; Zhang, H.; Shin, C.-S.; Jo, C.-H.; Park, S.-J.; Kim, D.-H. An Efficiency Optimization-Based Asymmetric Tuning Method of Double-Sided LCC Compensated WPT System for Electric Vehicles. IEEE Trans. Power Electron. 2020, 35, 11475–11487. [Google Scholar] [CrossRef]
- Li, W.; Zhao, H.; Deng, J.; Li, S.; Mi, C.C. Comparison Study on SS and Double-Sided LCC Compensation Topologies for EV/PHEV Wireless Chargers. IEEE Trans. Veh. Technol. 2016, 65, 4429–4439. [Google Scholar] [CrossRef]
- Li, Y.; Zhu, Y.; Liu, W.; Wen, H.; Zhao, C.; Zhu, Y.; Pei, Y. High Efficiency WPT System for Electric Vehicles with LCL-S and SS compensation. In Proceedings of the 2019 IEEE 4th International Future Energy Electronics Conference, IFEEC, Singapore, 25–28 November 2019. [Google Scholar] [CrossRef]
- Rezk, T.M.; Fahmy, G.A.; Ibrahim, S.A.; Ragai, H.F. Design of a differential pow-er oscillator for 433 MHz WPT using e-GaN HEMTs. Ain Shams Eng. J. 2022, 13, 101581. [Google Scholar] [CrossRef]
- Qian, H.; Zhu, Y.; Deng, G.; Liu, W.; Chen, D.; Pei, Y. Cascode GaN Power Device and Its Application in Wireless Power Transmission System. J. Power Supply 2019, 17, 38–43. [Google Scholar] [CrossRef]
- Hu, J.S.; Lu, F.; Zhu, C.; Cheng, C.Y.; Chen, S.L.; Ren, T.J.; Mi, C.C. Hybrid Energy Storage System of an Electric Scooter Based on Wireless Power Transfer. IEEE Trans. Ind. Inform. 2018, 14, 4169–4178. [Google Scholar] [CrossRef]
- Vitols, K.; Poiss, E. Development of electric scooter battery pack management system. In Proceedings of the 2018 IEEE 59th International Scientific Conference on Power and Electrical Engineering of Riga Technical University (RTUCON), Riga, Latvia, 12–13 November 2018; pp. 1–5. [Google Scholar] [CrossRef]
- Laha, A.; Jain, P. Maximizing efficiency while maintaining voltage regulation of wireless power transfer systems using a buck-boost converter. In Proceedings of the 2021 IEEE Applied Power Electronics Conference and Exposition (APEC), Phoenix, AZ, USA, 14–17 June 2021; pp. 700–705. [Google Scholar] [CrossRef]
- Zhang, W.; Mi, C.C. Compensation Topologies of High-Power Wireless Power Transfer Systems. IEEE Trans. Veh. Technol. 2016, 65, 4768–4778. [Google Scholar] [CrossRef]
- Li, Y.; Hu, J.; Li, X.; Cheng, K.-W.E. A Flexible Load-Independent Multi-Output Wireless Power Transfer System Based on Cascaded Double T-Resonant Circuits: Analysis, Design and Experimental Verification. IEEE Trans. Circuits Syst. I Regul. Pap. 2019, 66, 2803–2812. [Google Scholar] [CrossRef]
- Lu, J.; Zhu, G.; Lin, D.; Zhang, Y.; Jiang, J.; Mi, C.C. Unified Load-Independent ZPA Analysis and Design in CC and CV Modes of Higher Order Resonant Circuits for WPT Systems. IEEE Trans. Transp. Electrif. 2019, 5, 977–987. [Google Scholar] [CrossRef]
- Ali, E.M.; Alibakhshikenari, M.; Virdee, B.S.; Soruri, M.; Limiti, E. Efficient Wireless Power Transfer via Magnetic Resonance Coupling Using Automated Impedance Matching Circuit. Electronics 2021, 10, 2779. [Google Scholar] [CrossRef]
- Feng, H.; Cai, T.; Duan, S.; Zhao, J.; Zhang, X.; Chen, C. An LCC-Compensated Resonant Converter Optimized for Robust Reaction to Large Coupling Variation in Dynamic Wireless Power Transfer. IEEE Trans. Ind. Electron. 2016, 63, 6591–6601. [Google Scholar] [CrossRef]
- Li, G.; Kim, D.-H. A wireless power transfer charger with hybrid compensation topology for constant current/voltage onboard charging. Appl. Sci. 2021, 11, 7569. [Google Scholar] [CrossRef]







| Parameters | S-S | LCCL-S (L1 = 33 μH) | LCCL-S (L1 = 100 μH) |
|---|---|---|---|
| System Frequency f0 | 100 kHz | 100 kHz | 100 kHz |
| Coil self-inductances Lp, Ls | 385 μH | 385 μH | 385 μH |
| Coil mutual-inductances M | 80 μH | 80 μH | 80 μH |
| Primary compensation inductance L1 | \ | 33 μH | 100 μH |
| Primary parallel capacitance C1 | \ | 76 nF | 25.33 nF |
| Primary series capacitance Cp | 6.6 nF | 7.19 nF | 8.89 nF |
| Secondary series capacitance Cs | 6.6 nF | 6.6 nF | 6.6 nF |
Publisher’s Note: MDPI stays neutral with regard to jurisdictional claims in published maps and institutional affiliations. |
© 2022 by the authors. Licensee MDPI, Basel, Switzerland. This article is an open access article distributed under the terms and conditions of the Creative Commons Attribution (CC BY) license (https://creativecommons.org/licenses/by/4.0/).
Share and Cite
Zhu, Y.; Wu, H.; Li, F.; Zhu, Y.; Pei, Y.; Liu, W. A Comparative Analysis of S-S and LCCL-S Compensation for Wireless Power Transfer with a Wide Range Load Variation. Electronics 2022, 11, 420. https://doi.org/10.3390/electronics11030420
Zhu Y, Wu H, Li F, Zhu Y, Pei Y, Liu W. A Comparative Analysis of S-S and LCCL-S Compensation for Wireless Power Transfer with a Wide Range Load Variation. Electronics. 2022; 11(3):420. https://doi.org/10.3390/electronics11030420
Chicago/Turabian StyleZhu, Yuhao, Hao Wu, Fan Li, Yongsheng Zhu, Yi Pei, and Wen Liu. 2022. "A Comparative Analysis of S-S and LCCL-S Compensation for Wireless Power Transfer with a Wide Range Load Variation" Electronics 11, no. 3: 420. https://doi.org/10.3390/electronics11030420
APA StyleZhu, Y., Wu, H., Li, F., Zhu, Y., Pei, Y., & Liu, W. (2022). A Comparative Analysis of S-S and LCCL-S Compensation for Wireless Power Transfer with a Wide Range Load Variation. Electronics, 11(3), 420. https://doi.org/10.3390/electronics11030420

