Current Source Topologies for Photovoltaic Applications: An Overview
Abstract
1. Introduction
2. DC-DC Power Converters
2.1. Non-Resonant DC-DC Power Converters
2.2. Quasi-Resonant DC-DC Power Converters
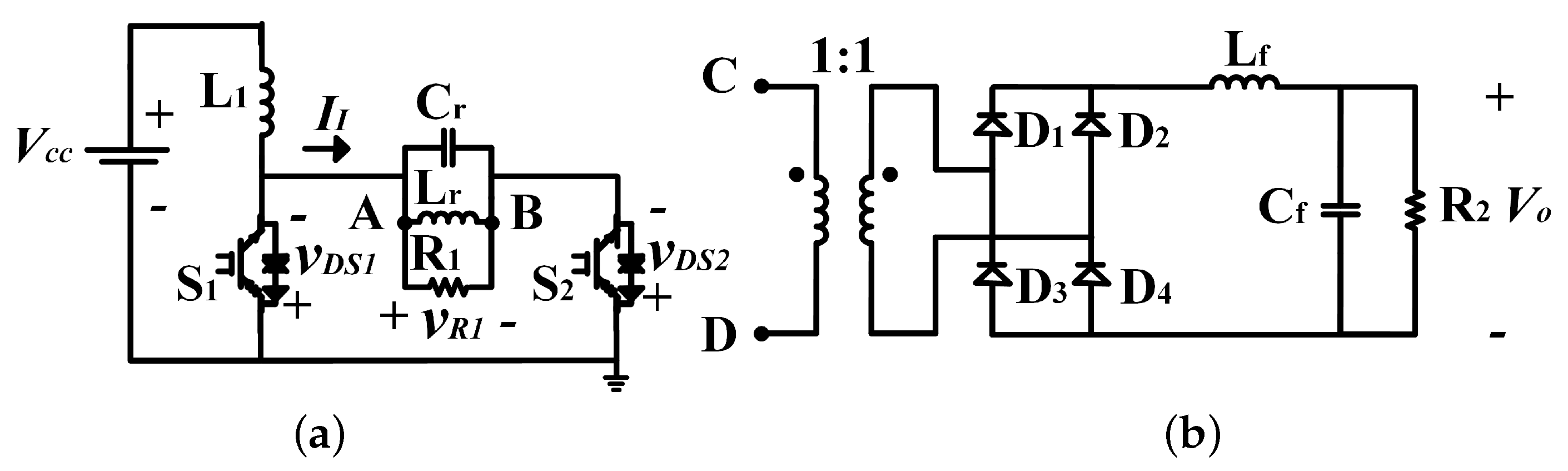
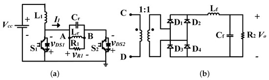
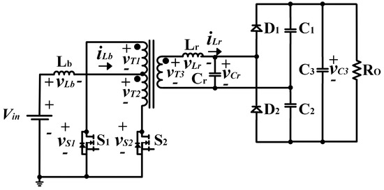
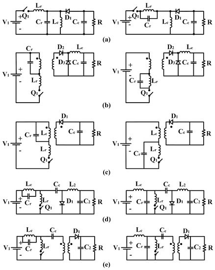
2.3. Resonant DC-DC Power Converters
3. MPPT for DC-DC Power Converters
- Hardware and control methods based on array reconfiguration.
- Control method based on artificial intelligence algorithms.
- Improved direct control methods based on perturbation self-optimization.
- Some MPPT methods based on partial shading detection schemes.
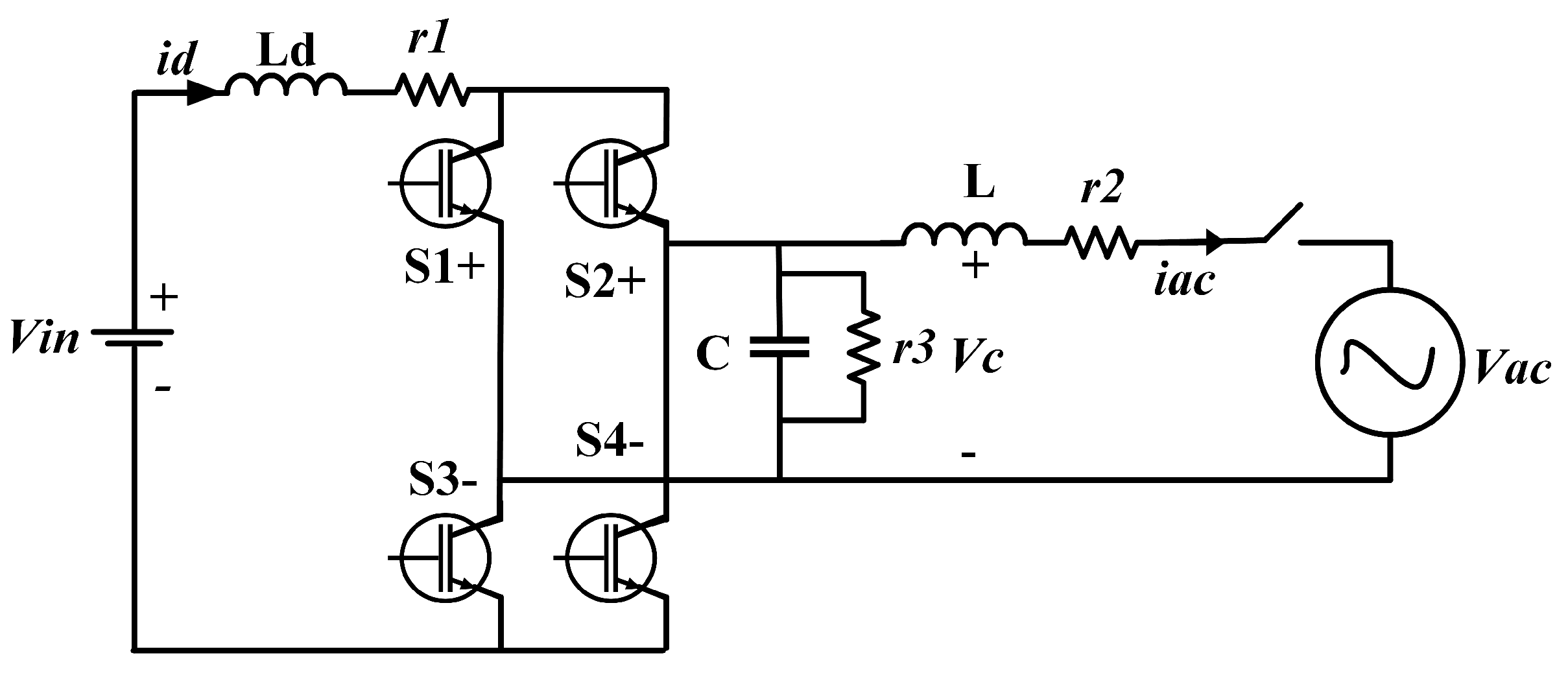
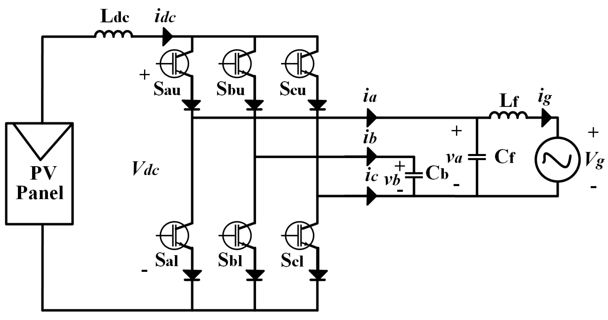
4. DC-AC Inverter
4.1. The Typical Voltage Source Inverter
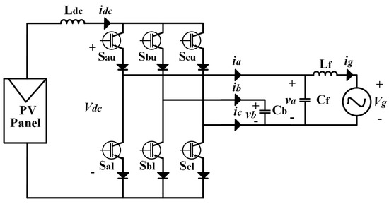
4.2. Typical Current Source Inverter
4.3. Inverter Topologies Fed by a Current Source
4.4. Control of Inverters
5. Summary and Conclusions
- Reliable auto short-circuit protection.
- A constant and continuous input current.
- A simple gate-drive circuit without requirement of isolation or optical couplers.
- A reduced leakage inductance.
- Inherent voltage boosting capability.
- A filter stage is not required to prevent the ripple current from being reflected in the PV system.
- Simple converter structure.
- Low switch count, low switching dv/dt.
- Controllable current at its output terminals.
- Smooth DC-output current.
- Better sinusoidal output voltage.
- Low THD.
- A reduced leakage current.
- High reliability and long lifetime owing to the use of a bulky inductor as a power-decoupling component instead of an electrolytic capacitor.
- A small filter is required on the AC side.
- Excellent grid-integration performance, such as sinusoidal current/voltage and fully controlled power factor.
- Inherent current-limiting capability.
- The DC-link inductor provides natural protection against short-circuit faults.
- Lower voltage stresses.
- Direct-current control capability, where AC current is controlled in magnitude and phase.Less switching loss.
- Avoids shoot-through damage.
- Lower operation and maintenance cost.
Funding
Data Availability Statement
Acknowledgments
Conflicts of Interest
References
- Cai, Y.; Huang, G.; Yeh, S.; Liu, L.; Li, G. A modeling approach for investigating climate change impacts on renewable energy utilization. Int. J. Energy Res. 2012, 36, 764–777. [Google Scholar] [CrossRef]
- Dincer, I. Renewable energy and sustainable development: A crucial review. Renew. Sustain. Energy Rev. 2000, 4, 157–175. [Google Scholar] [CrossRef]
- Xiao, W. Photovoltaic Power System: Modeling, Design, and Control; John Wiley & Sons: Hoboken, NJ, USA, 2017. [Google Scholar]
- Obi, M.; Bass, R. Trends and challenges of grid-connected photovoltaic systems—A review. Renew. Sustain. Energy Rev. 2016, 58, 1082–1094. [Google Scholar] [CrossRef]
- Kjaer, S.B.; Pedersen, J.K.; Blaabjerg, F. A review of single-phase grid-connected inverters for photovoltaic modules. IEEE Trans. Ind. Appl. 2005, 41, 1292–1306. [Google Scholar] [CrossRef]
- Meneses, D.; Blaabjerg, F.; Garcia, O.; Cobos, J.A. Review and comparison of step-up transformerless topologies for photovoltaic AC-module application. IEEE Trans. Power Electron. 2012, 28, 2649–2663. [Google Scholar] [CrossRef]
- Xiao, W.; El Moursi, M.S.; Khan, O.; Infield, D. Review of grid-tied converter topologies used in photovoltaic systems. IET Renew. Power Gener. 2016, 10, 1543–1551. [Google Scholar] [CrossRef]
- Barater, D.; Lorenzani, E.; Concari, C.; Franceschini, G.; Buticchi, G. Recent advances in single-phase transformerless photovoltaic inverters. IET Renew. Power Gener. 2016, 10, 260–273. [Google Scholar] [CrossRef]
- Basso, T.S.; DeBlasio, R. IEEE 1547 series of standards: Interconnection issues. IEEE Trans. Power Electron. 2004, 19, 1159–1162. [Google Scholar] [CrossRef]
- Forouzesh, M.; Baghramian, A. Galvanically isolated high gain Y-source DC–DC converters for dispersed power generation. IET Power Electron. 2016, 9, 1192–1203. [Google Scholar] [CrossRef]
- Geury, T.; Pinto, S.; Gyselinck, J. Current source inverter-based photovoltaic system with enhanced active filtering functionalities. IET Power Electron. 2015, 8, 2483–2491. [Google Scholar] [CrossRef]
- Sinha, A.; Chandra Jana, K. Comprehensive review on control strategies of parallel-interfaced voltage source inverters for distributed power generation system. IET Renew. Power Gener. 2020, 14, 2297–2314. [Google Scholar] [CrossRef]
- Ye, Y.; Cheng, K.; Chen, S. A high step-up PWM DC-DC converter with coupled-inductor and resonant switched-capacitor. IEEE Trans. Power Electron. 2016, 32, 7739–7749. [Google Scholar] [CrossRef]
- Zhang, N.; Sutanto, D.; Muttaqi, K.M.; Zhang, B.; Qiu, D. High-voltage-gain quadratic boost converter with voltage multiplier. IET Power Electron. 2015, 8, 2511–2519. [Google Scholar] [CrossRef]
- Dash, P.P.; Kazerani, M. Dynamic modeling and performance analysis of a grid-connected current-source inverter-based photovoltaic system. IEEE Trans. Sustain. Energy 2011, 2, 443–450. [Google Scholar] [CrossRef]
- Zhang, H.; Li, X.; Ge, B.; Balog, R.S. Capacitance, dc voltage utilizaton, and current stress: Comparison of double-line frequency ripple power decoupling for single-phase systems. IEEE Ind. Electron. Mag. 2017, 11, 37–49. [Google Scholar] [CrossRef]
- Georgitsioti, T.; Pearsall, N.; Forbes, I.; Pillai, G. A combined model for PV system lifetime energy prediction and annual energy assessment. Sol. Energy 2019, 183, 738–744. [Google Scholar] [CrossRef]
- Khazaei, P.; Modares, S.; Dabbaghjamanesh, M.; Almousa, M.; Moeini, A. A high efficiency DC/DC boost converter for photovoltaic applications. Int. J. Soft Comput. Eng. 2016, 6, 2231–2307. [Google Scholar]
- Padmanaban, S.; Blaabjerg, F.; Wheeler, P.; Ojo, J.O.; Ertas, A.H. High-voltage dc-dc converter topology for pv energy utilization—Investigation and implementation. Electr. Power Compon. Syst. 2017, 45, 221–232. [Google Scholar] [CrossRef]
- Shadmand, M.; Balog, R.S.; Rub, H.A. Maximum Power Point Tracking using Model Predictive Control of a flyback converter for photovoltaic applications. In Proceedings of the Power and Energy Conference at Illinois (PECI), Champaign, IL, USA, 28 February–1 March 2014; pp. 1–5. [Google Scholar]
- Zhang, J.; Huang, X.; Wu, X.; Qian, Z. A high efficiency flyback converter with new active clamp technique. IEEE Trans. Power Electron. 2010, 25, 1775–1785. [Google Scholar] [CrossRef]
- Tan, F.D. The forward converter: From the classic to the contemporary. In Proceedings of the APEC. Seventeenth Annual IEEE Applied Power Electronics Conference and Exposition (Cat. No. 02CH37335), Dallas, TX, USA, 10–14 March 2002; Volume 2, pp. 857–863. [Google Scholar]
- Banaei, M.R.; Sani, S.G. Analysis and implementation of a new SEPIC-based single-switch buck–boost DC–DC converter with continuous input current. IEEE Trans. Power Electron. 2018, 33, 10317–10325. [Google Scholar] [CrossRef]
- Sun, Z.; Yang, Z. Improved maximum power point tracking algorithm with cuk converter for PV systems. J. Eng. 2017, 2017, 1676–1681. [Google Scholar] [CrossRef]
- Williams, B.W. DC-to-DC converters with continuous input and output power. IEEE Trans. Power Electron. 2012, 28, 2307–2316. [Google Scholar] [CrossRef]
- Kasa, N.; Iida, T.; Chen, L. Flyback inverter controlled by sensorless current MPPT for photovoltaic power system. IEEE Trans. Ind. Electron. 2005, 52, 1145–1152. [Google Scholar] [CrossRef]
- Sukesh, N.; Pahlevaninezhad, M.; Jain, P.K. Analysis and implementation of a single-stage flyback PV microinverter with soft switching. IEEE Trans. Ind. Electron. 2013, 61, 1819–1833. [Google Scholar] [CrossRef]
- Shi, Y.; Li, R.; Xue, Y.; Li, H. Optimized operation of current-fed dual active bridge DC–DC converter for PV applications. IEEE Trans. Ind. Electron. 2015, 62, 6986–6995. [Google Scholar] [CrossRef]
- Prasanna, U.R.; Rathore, A.K. Analysis, design, and experimental results of a novel soft-switching snubberless current-fed half-bridge front-end converter-based PV inverter. IEEE Trans. Power Electron. 2012, 28, 3219–3230. [Google Scholar] [CrossRef]
- Zhang, Z.; He, X.F.; Liu, Y.F. An optimal control method for photovoltaic grid-tied-interleaved flyback microinverters to achieve high efficiency in wide load range. IEEE Trans. Power Electron. 2013, 28, 5074–5087. [Google Scholar] [CrossRef]
- Kim, Y.H.; Ji, Y.H.; Kim, J.G.; Jung, Y.C.; Won, C.Y. A new control strategy for improving weighted efficiency in photovoltaic AC module-type interleaved flyback inverters. IEEE Trans. Power Electron. 2012, 28, 2688–2699. [Google Scholar] [CrossRef]
- Tan, G.; Wang, J.; Ji, Y. Soft-switching flyback inverter with enhanced power decoupling for photovoltaic applications. IET Electr. Power Appl. 2007, 1, 264–274. [Google Scholar] [CrossRef]
- Elkhateb, A.; Abd Rahim, N.; Selvaraj, J.; Williams, B.W. DC-to-DC converter with low input current ripple for maximum photovoltaic power extraction. IEEE Trans. Ind. Electron. 2014, 62, 2246–2256. [Google Scholar] [CrossRef]
- Meneses, D.; Garcia, O.; Alou, P.; Oliver, J.A.; Cobos, J.A. Grid-connected forward microinverter with primary-parallel secondary-series transformer. IEEE Trans. Power Electron. 2014, 30, 4819–4830. [Google Scholar] [CrossRef]
- Radmanesh, H.; Soltanpour, M.R.; Azizkandi, M.E. Design and implementation of an ultra-high voltage DC-DC converter based on coupled inductor with continuous input current for clean energy applications. Int. J. Circuit Theory Appl. 2021, 49, 348–379. [Google Scholar] [CrossRef]
- Lahooti Eshkevari, A.; Mosallanejad, A.; Sepasian, M.S. Design, analysis, and implementation of a new high-gain P-type step-up dc/dc converter with continuous input current and common ground. IET Power Electron. 2021, 14, 225–238. [Google Scholar] [CrossRef]
- Radmanesh, H.; Soltanpour, M.R.; Azizkandi, M.E. A Continuous Input Current DC-DC Converter Based on Coupled Inductor for Renewable Energy Applications. In Proceedings of the 12th Power Electronics, Drive Systems, and Technologies Conference (PEDSTC), Tabriz, Iran, 2–4 February 2021; pp. 1–5. [Google Scholar]
- Yari, K.; Mojallali, H.; Shahalami, S.H. A new coupled-inductor-based buck–boost DC–DC converter for PV applications. IEEE Trans. Power Electron. 2021, 37, 687–699. [Google Scholar] [CrossRef]
- Mahmood, A.; Zaid, M.; Ahmad, J.; Khan, M.A.; Khan, S.; Sifat, Z.; Lin, C.H.; Sarwar, A.; Tariq, M.; Alamri, B. A non-inverting high gain DC-DC converter with continuous input current. IEEE Access 2021, 9, 54710–54721. [Google Scholar] [CrossRef]
- Kwon, J.M.; Choi, W.Y.; Kwon, B.H. Single-switch quasi-resonant converter. IEEE Trans. Ind. Electron. 2008, 56, 1158–1163. [Google Scholar] [CrossRef]
- Blinov, A.; Korkh, O.; Chub, A.; Vinnikov, D.; Peftitsis, D.; Norrga, S.; Galkin, I. High gain DC–AC high-frequency link inverter with improved quasi-resonant modulation. IEEE Trans. Ind. Electron. 2021, 69, 1465–1476. [Google Scholar] [CrossRef]
- Bellini, A.; Bifaretti, S. A quasi-resonant ZCS boost DC-DC converter for photovoltaic applications. In Proceedings of the IEEE International Symposium on Industrial Electronics, Vigo, Spain, 4–7 June 2007; pp. 815–820. [Google Scholar]
- Jeyasudha, S.; Geethalakshmi, B.; Saravanan, K.; Kumar, R.; Son, L.H.; Long, H.V. A novel Z-source boost derived hybrid converter for PV applications. Analog. Integr. Circuits Signal Process. 2021, 109, 283–299. [Google Scholar] [CrossRef]
- Park, K.B.; Moon, G.W.; Youn, M.J. High step-up boost converter integrated with a transformer-assisted auxiliary circuit employing quasi-resonant operation. IEEE Trans. Power Electron. 2011, 27, 1974–1984. [Google Scholar] [CrossRef]
- Dymerets, A.V.; Yershov, R.D.; Gorodny, A.N.; Denisov, Y.O.; Boiko, S.; Kuznetsov, V. Dynamic Characteristics of Zero-Current-Switching Quasi-Resonant Buck Converter under Variation of Resonant Circuit and Load Parameters. In Proceedings of the 2020 IEEE 40th International Conference on Electronics and Nanotechnology (ELNANO), Kyiv, Ukraine, 22–24 April 2020; pp. 848–853. [Google Scholar]
- Farrakhov, D.; Barabanov, K.; Podguzov, A.; Yamalov, I.; Urazbakhtin, R. Quasi-resonant buck converter for high power application. In Proceedings of the International Conference on Electrotechnical Complexes and Systems (ICOECS), Kyiv, Ukraine, 22–24 April 2020; pp. 1–4. [Google Scholar]
- Lee, F.C. High-frequency quasi-resonant converter technologies. Proc. IEEE 1988, 76, 377–390. [Google Scholar] [CrossRef]
- Liu, K.H.; Oruganti, R.; Lee, F.C. Quasi-resonant converters-topologies and characteristics. IEEE Trans. Power Electron. 1987, PE-2, 62–71. [Google Scholar] [CrossRef]
- Ayubirad, M.A.; Yazdanpanah, M.J. Analysis and robust passivity-based control of zero-voltage switching quasi-resonant Cuk converter. IET Power Electron. 2021, 14, 1409–1420. [Google Scholar] [CrossRef]
- Erickson, R.W.; Maksimovic, D. Fundamentals of Power Electronics; Springer: Berlin/Heidelberg, Germany, 2007. [Google Scholar]
- Hasanpour, S.; Baghramian, A.; Mojallali, H. A modified SEPIC-based high step-up DC–DC converter with quasi-resonant operation for renewable energy applications. IEEE Trans. Ind. Electron. 2018, 66, 3539–3549. [Google Scholar] [CrossRef]
- Park, H.P.; Jung, J.H. Design Methodology of Quasi-Resonant Flyback Converter With a Divided Resonant Capacitor. IEEE Trans. Ind. Electron. 2020, 68, 10796–10805. [Google Scholar] [CrossRef]
- Salehi Dobakhshari, S.; Taheri, M.; Banaiemoghadam, A.; Milimonfared, J.; Fathi, S.H. A new integrated high step-up quasi-resonant flyback-forward converter. Int. J. Circuit Theory Appl. 2018, 46, 1899–1916. [Google Scholar] [CrossRef]
- Wang, C.; Xu, S.; Shen, W.; Lu, S.; Sun, W. A single-switched high-switching-frequency quasi-resonant flyback converter. IEEE Trans. Power Electron. 2018, 34, 8775–8786. [Google Scholar] [CrossRef]
- Prasanna, U.; Rathore, A.K. Extended range ZVS active-clamped current-fed full-bridge isolated DC/DC converter for fuel cell applications: Analysis, design, and experimental results. IEEE Trans. Ind. Electron. 2012, 60, 2661–2672. [Google Scholar]
- Kanathipan, K.; Lam, J. A New Single-switch, Electrolytic Capacitor-less Step-up DC/DC Converter Topology with Complete Soft-switching Operation for Photovoltaic Application. In Proceedings of the IEEE Applied Power Electronics Conference and Exposition (APEC), Anaheim, CA, USA, 17–21 March 2019; pp. 147–153. [Google Scholar]
- Hassan, J.; Bai, C.; Lim, J.W.; Kim, M. High Step-Up Quasi-Resonant Converter Featuring Minimized Switching Loss over Wide Input Voltage Range. IEEE Trans. Ind. Electron. 2020, 68, 10784–10795. [Google Scholar] [CrossRef]
- Moury, S.; Lam, J. A soft-switched power module with integrated battery interface for photovoltaic-battery power architecture. IEEE J. Emerg. Sel. Top. Power Electron. 2019, 8, 3090–3110. [Google Scholar] [CrossRef]
- Jia, P.; Su, Z.; Guo, T.; Zhu, H.; Guo, H.; Hao, Y. High Efficiency Isolated Quasi-Resonant Converter for High Step-Up Applications. In Proceedings of the 12th Energy Conversion Congress & Exposition-Asia (ECCE-Asia), Singapore, 24–27 May 2021; pp. 1952–1957. [Google Scholar]
- Forouzesh, M.; Yari, K.; Baghramian, A.; Hasanpour, S. Single-switch high step-up converter based on coupled inductor and switched capacitor techniques with quasi-resonant operation. IET Power Electron. 2017, 10, 240–250. [Google Scholar] [CrossRef]
- Zhu, T.; Wang, J.; Ji, Y.; Liu, Y. A Novel High Efficiency Quasi-Resonant Converter. Energies 2018, 11, 1961. [Google Scholar] [CrossRef]
- Han, S.K.; Yoon, H.K.; Moon, G.W.; Youn, M.J.; Kim, Y.H.; Lee, K.H. A new active clamping zero-voltage switching PWM current-fed half-bridge converter. IEEE Trans. Power Electron. 2005, 20, 1271–1279. [Google Scholar] [CrossRef]
- Kazimierczuk, M.K.; Czarkowski, D. Resonant Power Converters; John Wiley & Sons: Hoboken, NJ, USA, 2012. [Google Scholar]
- Chang, C.H.; Chang, E.C.; Cheng, H.L. A high-efficiency solar array simulator implemented by an LLC resonant DC–DC converter. IEEE Trans. Power Electron. 2012, 28, 3039–3046. [Google Scholar] [CrossRef]
- Jeong, Y.; Kim, J.K.; Lee, J.B.; Moon, G.W. An asymmetric half-bridge resonant converter having a reduced conduction loss for DC/DC power applications with a wide range of low input voltage. IEEE Trans. Power Electron. 2016, 32, 7795–7804. [Google Scholar] [CrossRef]
- Steigerwald, R.L. A comparison of half-bridge resonant converter topologies. IEEE Trans. Power Electron. 1988, 3, 174–182. [Google Scholar] [CrossRef]
- Vu, H.N.; Choi, W. A novel dual full-bridge LLC resonant converter for CC and CV charges of batteries for electric vehicles. IEEE Trans. Ind. Electron. 2017, 65, 2212–2225. [Google Scholar] [CrossRef]
- Kouro, S.; Leon, J.I.; Vinnikov, D.; Franquelo, L.G. Grid-connected photovoltaic systems: An overview of recent research and emerging PV converter technology. IEEE Ind. Electron. Mag. 2015, 9, 47–61. [Google Scholar] [CrossRef]
- Lin, B.R. Analysis of a Series-Parallel Resonant Converter for DC Microgrid Applications. Processes 2021, 9, 542. [Google Scholar] [CrossRef]
- Kazimierczuk, M.K.; Abdulkarim, A. Current-source parallel-resonant DC/DC converter. IEEE Trans. Ind. Electron. 1995, 42, 199–208. [Google Scholar] [CrossRef]
- Kim, E.H.; Kwon, B.H. High step-up resonant push–pull converter with high efficiency. IET Power Electron. 2009, 2, 79–89. [Google Scholar] [CrossRef]
- Kim, Y.H.; Shin, S.C.; Lee, J.H.; Jung, Y.C.; Won, C.Y. Soft-switching current-fed push–pull converter for 250-W AC module applications. IEEE Trans. Power Electron. 2013, 29, 863–872. [Google Scholar]
- Seok, H.; Han, B.; Kwon, B.H.; Kim, M. High step-up resonant DC–DC converter with ripple-free input current for renewable energy systems. IEEE Trans. Ind. Electron. 2018, 65, 8543–8552. [Google Scholar] [CrossRef]
- Meghdad, T.; Jafar, M.; Bijan, A. High step-up current-fed ZVS dual half-bridge DC–DC converter for high-voltage applications. IET Power Electron. 2015, 8, 309–318. [Google Scholar] [CrossRef]
- Delshad, M.; Farzanehfard, H. High step-up zero-voltage switching current-fed isolated pulse width modulation DC–DC converter. IET Power Electron. 2011, 4, 316–322. [Google Scholar] [CrossRef]
- Lin, B.R.; Wang, K.W. Interleaved soft switching resonant converter with a small input ripple current. Int. J. Electron. 2020, 107, 644–658. [Google Scholar] [CrossRef]
- Liang, Z.; Guo, R.; Wang, G.; Huang, A. A new wide input range high efficiency photovoltaic inverter. In Proceedings of the Energy Conversion Congress and Exposition, Atlanta, GA, USA, 12–16 September 2010; pp. 2937–2943. [Google Scholar]
- Dick, C.P.; Titiz, F.K.; De Doncker, R.W. A high-efficient LLCC series-parallel resonant converter. In Proceedings of the Twenty-Fifth Annual IEEE Applied Power Electronics Conference and Exposition (APEC), Palm Springs, CA, USA, 21–25 February 2010; pp. 696–701. [Google Scholar]
- Yuan, B.; Yang, X.; Zeng, X.; Duan, J.; Zhai, J.; Li, D. Analysis and design of a high step-up current-fed multiresonant DC–DC converter with low circulating energy and zero-current switching for all active switches. IEEE Trans. Ind. Electron. 2011, 59, 964–978. [Google Scholar] [CrossRef]
- Li, D.; Liu, B.; Yuan, B.; Yang, X.; Duan, J.; Zhai, J. A high step-up current fed multi-resonant converter with output voltage doubler. In Proceedings of the Twenty-Sixth Annual IEEE Applied Power Electronics Conference and Exposition (APEC), Fort Worth, TX, USA, 6–11 March 2011; pp. 2020–2026. [Google Scholar]
- Yuan, B.; Yang, X.; Li, D. A high efficiency current fed multi-resonant converter for high step-up power conversion in renewable energy harvesting. In Proceedings of the IEEE Energy Conversion Congress and Exposition, Atlanta, GA, USA, 12–16 September 2010; pp. 2637–2641. [Google Scholar]
- Lin, B.R.; Lin, Y. Parallel current-fed resonant converter with balance current sharing and no input ripple current. IET Power Electron. 2019, 12, 212–219. [Google Scholar] [CrossRef]
- Chen, Y.; Xu, D. Review of soft-switching topologies for single-phase photovoltaic inverters. IEEE Trans. Power Electron. 2021, 37, 1926–1944. [Google Scholar] [CrossRef]
- Danapour, N.; Akbari, E.; Tarafdar-Hagh, M. A Review on the Power Circuit Topologies of Current Source Inverters in Photovoltaic Applications. Iran. J. Electr. Electron. Eng. 2022, 3, 2404. [Google Scholar]
- Estévez-Bén, A.A.; Alvarez-Diazcomas, A.; Macias-Bobadilla, G.; Rodríguez-Reséndiz, J. Leakage current reduction in single-phase grid-connected inverters—A review. Appl. Sci. 2020, 10, 2384. [Google Scholar] [CrossRef]
- Kabalcı, E. Review on novel single-phase grid-connected solar inverters: Circuits and control methods. Sol. Energy 2020, 198, 247–274. [Google Scholar] [CrossRef]
- Azary, M.T.; Sabahi, M.; Babaei, E.; Meinagh, F.A.A. Modified single-phase single-stage grid-tied flying inductor inverter with MPPT and suppressed leakage current. IEEE Trans. Ind. Electron. 2017, 65, 221–231. [Google Scholar] [CrossRef]
- Chen, D.; Qiu, Y.; Chen, Y.; He, Y. Nonlinear PWM-controlled single-phase boost mode grid-connected photovoltaic inverter with limited storage inductance current. IEEE Trans. Power Electron. 2016, 32, 2717–2727. [Google Scholar] [CrossRef]
- Kumar, A.; Sensarma, P. A four-switch single-stage single-phase buck–boost inverter. IEEE Trans. Power Electron. 2016, 32, 5282–5292. [Google Scholar] [CrossRef]
- Kumar, A.; Sensarma, P. New switching strategy for single-mode operation of a single-stage buck–boost inverter. IEEE Trans. Power Electron. 2017, 33, 5927–5936. [Google Scholar] [CrossRef]
- Reisi, A.R.; Moradi, M.H.; Jamasb, S. Classification and comparison of maximum power point tracking techniques for photovoltaic system: A review. Renew. Sustain. Energy Rev. 2013, 19, 433–443. [Google Scholar] [CrossRef]
- Ahmed, J.; Salam, Z. An improved perturb and observe (P & O) maximum power point tracking (MPPT) algorithm for higher efficiency. Appl. Energy 2015, 150, 97–108. [Google Scholar]
- Murtaza, A.F.; Sher, H.A.; Chiaberge, M.; Boero, D.; De Giuseppe, M.; Addoweesh, K.E. Comparative analysis of maximum power point tracking techniques for PV applications. In Proceedings of the Inmic, Lahore, Pakistan, 9–20 December 2013; pp. 83–88. [Google Scholar]
- Subudhi, B.; Pradhan, R. A comparative study on maximum power point tracking techniques for photovoltaic power systems. IEEE Trans. Sustain. Energy 2012, 4, 89–98. [Google Scholar] [CrossRef]
- Sera, D.; Mathe, L.; Kerekes, T.; Spataru, S.V.; Teodorescu, R. On the perturb-and-observe and incremental conductance MPPT methods for PV systems. IEEE J. Photovoltaics 2013, 3, 1070–1078. [Google Scholar] [CrossRef]
- Lee, I.O.; Moon, G.W. The k-Q Analysis for an LLC Series Resonant Converter. IEEE Trans. Power Electron. 2013, 29, 13–16. [Google Scholar] [CrossRef]
- Larbes, C.; Cheikh, S.A.; Obeidi, T.; Zerguerras, A. Genetic algorithms optimized fuzzy logic control for the maximum power point tracking in photovoltaic system. Renew. Energy 2009, 34, 2093–2100. [Google Scholar] [CrossRef]
- Bahgat, A.; Helwa, N.; Ahmad, G.; El Shenawy, E. Maximum power point traking controller for PV systems using neural networks. Renew. Energy 2005, 30, 1257–1268. [Google Scholar] [CrossRef]
- Gómez-Lorente, D.; Triguero, I.; Gil, C.; Estrella, A.E. Evolutionary algorithms for the design of grid-connected PV-systems. Expert Syst. Appl. 2012, 39, 8086–8094. [Google Scholar] [CrossRef]
- Bataineh, K. Improved hybrid algorithms-based MPPT algorithm for PV system operating under severe weather conditions. IET Power Electron. 2019, 12, 703–711. [Google Scholar] [CrossRef]
- Manna, S.; Akella, A.K. Comparative analysis of various P & O MPPT algorithm for PV system under varying radiation condition. In Proceedings of the 1st International Conference on Power Electronics and Energy (ICPEE), Bhubaneswar, India, 2–3 January 2021; pp. 1–6. [Google Scholar]
- Lasheen, M.; Abdel Rahman, A.K.; Abdel-Salam, M.; Ookawara, S. Adaptive reference voltage-based MPPT technique for PV applications. IET Renew. Power Gener. 2017, 11, 715–722. [Google Scholar] [CrossRef]
- Femia, N.; Petrone, G.; Spagnuolo, G.; Vitelli, M. Optimization of perturb and observe maximum power point tracking method. IEEE Trans. Power Electron. 2005, 20, 963–973. [Google Scholar] [CrossRef]
- Frezzetti, A.; Manfredi, S.; Suardi, A. Adaptive FOCV-based Control Scheme to improve the MPP Tracking Performance: An experimental validation. IFAC Proc. Vol. 2014, 47, 4967–4971. [Google Scholar] [CrossRef]
- Sher, H.A.; Murtaza, A.F.; Noman, A.; Addoweesh, K.E.; Al-Haddad, K.; Chiaberge, M. A new sensorless hybrid MPPT algorithm based on fractional short-circuit current measurement and P & O MPPT. IEEE Trans. Sustain. Energy 2015, 6, 1426–1434. [Google Scholar]
- Safari, A.; Mekhilef, S. Simulation and hardware implementation of incremental conductance MPPT with direct control method using cuk converter. IEEE Trans. Ind. Electron. 2010, 58, 1154–1161. [Google Scholar] [CrossRef]
- Hsieh, G.C.; Hsieh, H.I.; Tsai, C.Y.; Wang, C.H. Photovoltaic power-increment-aided incremental-conductance MPPT with two-phased tracking. IEEE Trans. Power Electron. 2012, 28, 2895–2911. [Google Scholar] [CrossRef]
- Zhang, Q.; Hu, C.; Chen, L.; Amirahmadi, A.; Kutkut, N.; Shen, Z.J.; Batarseh, I. A center point iteration MPPT method with application on the frequency-modulated LLC microinverter. IEEE Trans. Power Electron. 2013, 29, 1262–1274. [Google Scholar] [CrossRef]
- Conesa, A.; Velasco, G.; Martínez, H.; Román, M. LCLC resonant converter as maximum power point tracker in PV systems. In Proceedings of the 13th European Conference on Power Electronics and Applications, Barcelona, Spain, 8–10 September 2009; pp. 1–9. [Google Scholar]
- Tang, C.Y.; Wu, H.J.; Liao, C.Y.; Wu, H.H. An Optimal Frequency-Modulated Hybrid MPPT Algorithm for the LLC Resonant Converter in PV Power Applications. IEEE Trans. Power Electron. 2021, 37, 944–954. [Google Scholar] [CrossRef]
- Nguyen, D.; Lehman, B. An adaptive solar photovoltaic array using model-based reconfiguration algorithm. IEEE Trans. Ind. Electron. 2008, 55, 2644–2654. [Google Scholar] [CrossRef]
- Velasco-Quesada, G.; Guinjoan-Gispert, F.; Piqué-López, R.; Román-Lumbreras, M.; Conesa-Roca, A. Electrical PV array reconfiguration strategy for energy extraction improvement in grid-connected PV systems. IEEE Trans. Ind. Electron. 2009, 56, 4319–4331. [Google Scholar] [CrossRef]
- Hamdi, H.; Regaya, C.B.; Zaafouri, A. Real-time study of a photovoltaic system with boost converter using the PSO-RBF neural network algorithms in a MyRio controller. Sol. Energy 2019, 183, 1–16. [Google Scholar] [CrossRef]
- Kumar, R.; Khandelwal, S.; Upadhyay, P.; Pulipaka, S. Global maximum power point tracking using variable sampling time and pv curve region shifting technique along with incremental conductance for partially shaded photovoltaic systems. Sol. Energy 2019, 189, 151–178. [Google Scholar] [CrossRef]
- Al-Majidi, S.D.; Abbod, M.F.; Al-Raweshidy, H.S. A novel maximum power point tracking technique based on fuzzy logic for photovoltaic systems. Int. J. Hydrogen Energy 2018, 43, 14158–14171. [Google Scholar] [CrossRef]
- Manickam, C.; Raman, G.P.; Raman, G.R.; Ganesan, S.I.; Chilakapati, N. Fireworks enriched P & O algorithm for GMPPT and detection of partial shading in PV systems. IEEE Trans. Power Electron. 2016, 32, 4432–4443. [Google Scholar]
- Zeb, K.; Uddin, W.; Khan, M.A.; Ali, Z.; Ali, M.U.; Christofides, N.; Kim, H. A comprehensive review on inverter topologies and control strategies for grid connected photovoltaic system. Renew. Sustain. Energy Rev. 2018, 94, 1120–1141. [Google Scholar] [CrossRef]
- Benavides, N.D.; Chapman, P.L. Modeling the effect of voltage ripple on the power output of photovoltaic modules. IEEE Trans. Ind. Electron. 2008, 55, 2638–2643. [Google Scholar] [CrossRef]
- Bramoulle, M. Electrolytic or film capacitors? In Proceedings of the Conference Record of 1998 IEEE Industry Applications Conference, Thirty-Third IAS Annual Meeting (Cat. No. 98CH36242), St. Louis, MO, USA, 12–15 October 1998; Volume 2, pp. 1138–1141. [Google Scholar]
- Wang, H.; Blaabjerg, F. Reliability of capacitors for DC-link applications in power electronic converters—An overview. IEEE Trans. Ind. Appl. 2014, 50, 3569–3578. [Google Scholar] [CrossRef]
- Bauer, J. Single phase voltage source inverter photovoltaic application. Acta Polytech. 2010, 50, 7–14. [Google Scholar] [CrossRef]
- Pattabiraman, D.; Lasseter, R.; Jahns, T. Comparison of grid following and grid forming control for a high inverter penetration power system. In Proceedings of the IEEE Power & Energy Society General Meeting (PESGM), Portland, OR, USA, 5–10 August 2018; pp. 1–5. [Google Scholar]
- Li, R.T.; Chung, H.S.H.; Lau, W.H.; Zhou, B. Use of hybrid PWM and passive resonant snubber for a grid-connected CSI. IEEE Trans. Power Electron. 2010, 25, 298–309. [Google Scholar] [CrossRef]
- Cisneros, R.; Pirro, M.; Bergna, G.; Ortega, R.; Ippoliti, G.; Molinas, M. Global tracking passivity-based PI control of bilinear systems: Application to the interleaved boost and modular multilevel converters. Control Eng. Pract. 2015, 43, 109–119. [Google Scholar] [CrossRef]
- Gutman, P.O. Stabilizing controllers for bilinear systems. IEEE Trans. Autom. Control 1981, 26, 917–922. [Google Scholar] [CrossRef]
- Azmi, S.; Ahmed, K.; Finney, S.; Williams, B. Comparative analysis between voltage and current source inverters in grid-connected application. In Proceedings of the IET Conference on Renewable Power Generation (RPG 2011), Edinburgh, UK, 6–8 September 2011. [Google Scholar]
- Venkateswari, R.; Sreejith, S. Factors influencing the efficiency of photovoltaic system. Renew. Sustain. Energy Rev. 2019, 101, 376–394. [Google Scholar] [CrossRef]
- Han, H.; Liu, Y.; Sun, Y.; Su, M.; Xiong, W. Single-phase current source converter with power decoupling capability using a series-connected active buffer. IET Power Electron. 2015, 8, 700–707. [Google Scholar] [CrossRef]
- Bush, C.R.; Wang, B. A single-phase current source solar inverter with reduced-size DC link. In Proceedings of the Energy Conversion Congress and Exposition, San Jose, CA, USA, 20–24 September 2009; pp. 54–59. [Google Scholar]
- Román, I.T.; Silva, L.S. A single-phase current-source inverter with active power filter for grid-tied PV systems. In Proceedings of the 3rd IEEE International Symposium on Power Electronics for Distributed Generation Systems (PEDG), Aalborg, Denmark, 25–28 June 2012; pp. 349–356. [Google Scholar]
- Baier, C.R.; Torres, M.A.; Acuna, P.; Munoz, J.A.; Melín, P.E.; Restrepo, C.; Guzman, J.I. Analysis and design of a control strategy for tracking sinusoidal references in single-phase grid-connected current-source inverters. IEEE Trans. Power Electron. 2017, 33, 819–832. [Google Scholar] [CrossRef]
- Komurcugil, H. Steady-state analysis and passivity-based control of single-phase PWM current-source inverters. IEEE Trans. Ind. Electron. 2009, 57, 1026–1030. [Google Scholar] [CrossRef]
- Saisho, M.; Harimoto, T.; Hayashi, H.; Saito, M. Development of single-phase current source inverter with power decoupling function. In Proceedings of the 10th International Conference on Power Electronics and Drive Systems (PEDS), Kitakyushu, Japan, 22–25 April 2013; pp. 591–596. [Google Scholar]
- Chen, W.; Yang, X.; Zhang, W.; Song, X. Leakage current calculation for PV inverter system based on a parasitic capacitor model. IEEE Trans. Power Electron. 2016, 31, 8205–8217. [Google Scholar] [CrossRef]
- Li, X.; Wang, N.; San, G.; Guo, X. Current source AC-Side clamped inverter for leakage current reduction in grid-connected PV system. Electronics 2019, 8, 1296. [Google Scholar] [CrossRef]
- Jana, J.; Saha, H.; Bhattacharya, K.D. A review of inverter topologies for single-phase grid-connected photovoltaic systems. Renew. Sustain. Energy Rev. 2017, 72, 1256–1270. [Google Scholar] [CrossRef]
- Kasa, N.; Iida, T.; Iwamoto, H. An inverter using buck-boost type chopper circuits for popular small-scale photovoltaic power system. In Proceedings of the IECON’99 25th Annual Conference of the IEEE Industrial Electronics Society (Cat. No. 99CH37029), San Jose, CA, USA, 29 November–3 December 1999; Volume 1, pp. 185–190. [Google Scholar]
- Caceres, R.O.; Barbi, I. A boost DC-AC converter: Analysis, design, and experimentation. IEEE Trans. Power Electron. 1999, 14, 134–141. [Google Scholar] [CrossRef]
- Jain, S.; Agarwal, V. A single-stage grid connected inverter topology for solar PV systems with maximum power point tracking. IEEE Trans. Power Electron. 2007, 22, 1928–1940. [Google Scholar] [CrossRef]
- Rocabert, J.; Luna, A.; Blaabjerg, F.; Rodriguez, P. Control of power converters in AC microgrids. IEEE Trans. Power Electron. 2012, 27, 4734–4749. [Google Scholar] [CrossRef]
- Suul, J.A.; D’Arco, S.; Rodríguez, P.; Molinas, M. Impedance-compensated grid synchronisation for extending the stability range of weak grids with voltage source converters. IET Gener. Transm. Distrib. 2016, 10, 1315–1326. [Google Scholar] [CrossRef]
- Teodorescu, R.; Liserre, M.; Rodriguez, P. Grid Converters for Photovoltaic and Wind Power Systems; John Wiley & Sons: Hoboken, NJ, USA, 2011. [Google Scholar]
- Avila-Becerril, S.; Espinosa-Pérez, G. Control of islanded microgrids considering power converter dynamics. Int. J. Control 2021, 94, 2520–2530. [Google Scholar] [CrossRef]
- Bahrani, B. Advanced Control Strategies for Voltage Source Converters in Microgrids and Traction Networks; Technical Report; EPFL: Lausanne, Switzerland, 2012. [Google Scholar]
- Bahrani, B.; Kenzelmann, S.; Rufer, A. Multivariable-PI-based dq current control of voltage source converters with superior axis decoupling capability. IEEE Trans. Ind. Electron. 2010, 58, 3016–3026. [Google Scholar] [CrossRef]
- Bahrani, B.; Vasiladiotis, M.; Rufer, A. High-order vector control of grid-connected voltage-source converters with LCL-filters. IEEE Trans. Ind. Electron. 2013, 61, 2767–2775. [Google Scholar] [CrossRef]
- Lasseter, R.H.; Chen, Z.; Pattabiraman, D. Grid-forming inverters: A critical asset for the power grid. IEEE J. Emerg. Sel. Top. Power Electron. 2019, 8, 925–935. [Google Scholar] [CrossRef]
- Zhang, L.; Harnefors, L.; Nee, H.P. Power-synchronization control of grid-connected voltage-source converters. IEEE Trans. Power Syst. 2010, 25, 809–820. [Google Scholar] [CrossRef]
- Zhong, Q.C.; Weiss, G. Synchronverters: Inverters that mimic synchronous generators. IEEE Trans. Ind. Electron. 2010, 58, 1259–1267. [Google Scholar] [CrossRef]
- Meng, X.; Liu, J.; Liu, Z. A generalized droop control for grid-supporting inverter based on comparison between traditional droop control and virtual synchronous generator control. IEEE Trans. Power Electron. 2018, 34, 5416–5438. [Google Scholar] [CrossRef]
- Ortega-Velázquez, I.; Avila-Becerril, S.; Espinosa-Pérez, G. A Droop Approach for the Passivity–based Control of Microgrids. IFAC-PapersOnLine 2020, 53, 12962–12967. [Google Scholar] [CrossRef]
- Ackermann, T.; Prevost, T.; Vittal, V.; Roscoe, A.J.; Matevosyan, J.; Miller, N. Paving the way: A future without inertia is closer than you think. IEEE Power Energy Mag. 2017, 15, 61–69. [Google Scholar] [CrossRef]




















| Parameters | IEEE 1547 | IEC 61727 |
|---|---|---|
| Formation | USA | United Kingdom |
| THD | <5% | 5% |
| Power Factor | - | 0.9 |
| DC injection | Less than 0.5% of rated output current | Less than 1% of rated output current |
| Nominal Power | This standard covers distributed resources as large 10 MVA | 10 kW or smaller PV systems connected to a low voltage utility grid |
| Voltage ranger for normal operation | 88–110% | 85–110% |
| Ref. | CSC | VSC | Power
Rating (W) | Decoupling Capacitor (μF) | Switching Frequency (kHz) | Efficiency (%) | Switches and Diodes |
|---|---|---|---|---|---|---|---|
| [26] | 🗸 | 300 | 1500 | 9.6 | 89 | 3 + 2 Diode | |
| [27] | 🗸 | 250 | 5000 | 65 | 94 | 5 | |
| [28] | 🗸 | 5000 | 80 | 50.4 | 95 | 8 + 1 Diode | |
| [29] | 🗸 | 200 | 14.4 | 100 | 91.2 | 2 + 6 Diode | |
| [30] | 🗸 | 200 | 5600 | 100 | 95.7 | 2 + 2 Diode | |
| [31] | 🗸 | 250 | 11,000 | 70 | 95.11 | 4 + 2 Diode | |
| [32] | 🗸 | 500 | 70 | 20 | 85.3 | 4 + 3 Diode | |
| [33] | 🗸 | 135 | 10 | 50 | 80 | - | |
| [34] | 🗸 | 120 | 250 | 70 | 92.4 | 1 + 4 Diode | |
| [35] | 🗸 | 250 | 47 | 50 | 95.4 | 1 + 5 Diode | |
| [36] | 🗸 | 60 | 1000 | 20 | 94.76 | 2 + 5 Diode | |
| [37] | 🗸 | 340 | 220 | 50 | 96.5 | 1 + 5 Diode | |
| [38] | 🗸 | 100 | 100 | 50 | 94.2 | 1 + 3 Diode | |
| [39] | 🗸 | 200 | 100 | 50 | 95 | 1 + 6 Diode |
| Ref. | CSC | VSC | Power Rating (W) | Decoupling Capacitor (μF) | Switching Frequency (kHz) | Efficiency (%) |
|---|---|---|---|---|---|---|
| [55] | 🗸 | 500 | 4.9 | 100 | 94 | |
| [56] | 🗸 | 140 | 10 | 150 | 93 | |
| [57] | 🗸 | 400 | 100 | 61.6 | 98.4 | |
| [58] | 🗸 | 175 | 25 | 250 | 96.5 | |
| [59] | 🗸 | 500 | 75 | - | 96.2 | |
| [60] | 🗸 | 200 | 50 | 88 | 96.2 | |
| [61] | 🗸 | 250 | - | 100 | 93.2 |
| Ref. | Topology | Power Rating (kW) | Decoupling Capacitor (μF) | Switching Frequency (kHz) | Efficiency (%) |
|---|---|---|---|---|---|
| [68] | LLC | 0.250 | 200 | 140 | 98 |
| [71] | Push-pull | 1.5 | 560 | 70 | 95.5 |
| [72] | Current-fed push-pull | 0.25 | - | 100 | 96.6 |
| [75] | Current-fed converter | 0.4 | 22 | 100 | 92.3 |
| [76] | Interleaved resonant converter | 1.2 | 1100 | 70 | - |
| [77] | LLC | 2 | 1000 | 120 | 97.7 |
| [78] | LLCC | 0.167 | - | 268.5 | 96 |
| [79] | Current-fed multi resonant inverter | 0.15 | 2.2 | 365 | 97.2 |
| [80] | Current-fed multi resonant | 0.15 | 0.224 | 255 | 95.4 |
| [81] | Current-fed multi resonant | 0.15 | 16 | 255 | 95.2 |
| [82] | The parallel current-fed resonant converter | 1 | 220 | 135 | 93.3 |
| Comparison Indices | VSC | CSC |
|---|---|---|
| Input current | Discontinuous | Continuous |
| DC power supply | Voltage source | Current source |
| DC side energy storage | Capacitor | Inductor |
| Dynamic performance | High | Low |
| Converter structure | Complex | Simple |
| Application | Industry | High-power |
| Current ripple | High | Low |
| Size | Small | Bulky |
| Leakage inductance | Large | Reduced |
| Reference | Features | Drawbacks |
|---|---|---|
| [87] | All the switches are unidirectional; thus, lower cost and high efficiency can be acquired Low number of passive components is needed | The gain is not constant All the switches are unidirectional; thus, they can only be used at unity power factor The developed MPPT algorithm is complicated |
| [88] | Low value of energy storage inductance Single-stage boost conversion High efficiency Leakage current reduction Small DC inductance | High efficiency compared with other current fed inverter The frequency is limited by the unidirectional switch Its application is restricted to single-phase transformerless PV systems Unidirectional switches are necessary to the inverter |
| [89,90] | Continuous input current | The gain in the positive half-cycle is different to the negative half-cycle, so a DC current injection is expected High number of passive components |
| Ref. | Approach | Method | Topology |
|---|---|---|---|
| [101] | Perturbe | Boost | |
| [102] | and | Boost | |
| [103] | observe | Boost | |
| [104] | Classical algorithms | Open circuit voltage | DC-DC PWM |
| [105] | Short circuit current | DC-DC PWM | |
| [106] | Incremental | Ćuk | |
| [107] | conductance | Flyback | |
| [64] | Frequency modulated | LLC resonant converter | |
| [108] | Frequency modulated algorithms | Center point iteration (CPI) method | LLC resonant converter |
| [109] | Frequency modulated P & O | LCLC resonant converter | |
| [110] | Hybrid frequency modulated algorithm | LLC resonant converter | |
| [111] [112] | Hardware and control methods based on array reconfiguration | Switching matrix Switching matrix | |
| [113] | Algorithms based on partial shading conditions | Control method based on artificial intelligence algorithms | Boost |
| [114] | Improved direct control methods based on perturbation self-optimization | SEPIC | |
| [115] | Boost | ||
| [116] | Some MPPT methods based on other principles | Boost |
| Issue | VSI | CSI |
|---|---|---|
| Power source | An input DC voltage source with insignificant impedance | High input impedance from a changeable current |
| Dependency on load | Amplitude in terms of the output voltage is independent of the load. Additionally, the load determines the waveform and magnitude of the output current | Amplitude of the output current is independent of the load. Additionally, the load determines the waveform and magnitude of the output voltage |
| Power loss | Low conduction losses and high switching losses | High conduction losses and low switching losses |
| Power decoupling | Constant input voltage is maintained, and its decoupling energy device (capacitor) is efficient, cheap, and small | Presents a continuous input current, its decoupling energy device (inductor) presents higher reliability than VSI. Nevertheless, its inductor adds more power losses, cost, and is bulky |
| Advantages | Fewer components and high-efficiency operation | High frequency operation, continuous input current, does not need a filter stage to avoid the ripple current being reflected on the PV system, short-circuit protection provided by the current source, and a load voltage with low total harmonic distortion |
| Disadvantages | Low reliability, and frequency operation. Additionally, as the input current is discontinuous, need an additional filter stage | Need a large and bulky inductor to feed the current inverter, presents less efficiency and the control stage is more complex |
| Mode 1 | 0 | 1 |
| Mode 2 | 0 | 0 |
| Mode 3 | 1 | 0 |
| Mode 4 | 1 | 1 |
| Ref. | Type | Power Rating (kW) | Switches | Decoupling Component |
|---|---|---|---|---|
| [128] | CSI | - | 6 | Bulky inductor |
| [129] | CSI | 3 | 6 | Bulky inductor |
| [130] | H-bridge CSI | 3 | 6 | Bulky inductor |
| [133] | CSI | 3 | 6 | Bulky inductor |
| [135] | CSI with AC-side clamping | 3 | 6 | Bulky inductor |
| [137] | Buck-boost | 3 | 4 | Electrolytic capacitor |
| [138] | Boost | 3 | 4 | Electrolytic capacitor |
| [139] | Buck-boost | 3 | 4 | Electrolytic capacitor |
Publisher’s Note: MDPI stays neutral with regard to jurisdictional claims in published maps and institutional affiliations. |
© 2022 by the authors. Licensee MDPI, Basel, Switzerland. This article is an open access article distributed under the terms and conditions of the Creative Commons Attribution (CC BY) license (https://creativecommons.org/licenses/by/4.0/).
Share and Cite
Rodríguez-Benítez, O.M.; Aqui-Tapia, J.A.; Ortega-Velázquez, I.; Espinosa-Pérez, G. Current Source Topologies for Photovoltaic Applications: An Overview. Electronics 2022, 11, 2953. https://doi.org/10.3390/electronics11182953
Rodríguez-Benítez OM, Aqui-Tapia JA, Ortega-Velázquez I, Espinosa-Pérez G. Current Source Topologies for Photovoltaic Applications: An Overview. Electronics. 2022; 11(18):2953. https://doi.org/10.3390/electronics11182953
Chicago/Turabian StyleRodríguez-Benítez, Oscar Miguel, Juan Antonio Aqui-Tapia, Isaac Ortega-Velázquez, and Gerardo Espinosa-Pérez. 2022. "Current Source Topologies for Photovoltaic Applications: An Overview" Electronics 11, no. 18: 2953. https://doi.org/10.3390/electronics11182953
APA StyleRodríguez-Benítez, O. M., Aqui-Tapia, J. A., Ortega-Velázquez, I., & Espinosa-Pérez, G. (2022). Current Source Topologies for Photovoltaic Applications: An Overview. Electronics, 11(18), 2953. https://doi.org/10.3390/electronics11182953

