A Second Order 1.8–1.9 GHz Tunable Active Band-Pass Filter with Improved Noise Performances
Abstract
:1. Introduction
2. Materials and Methods
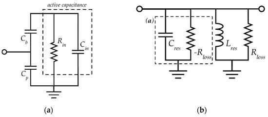
2.1. Negative Resistance Theory
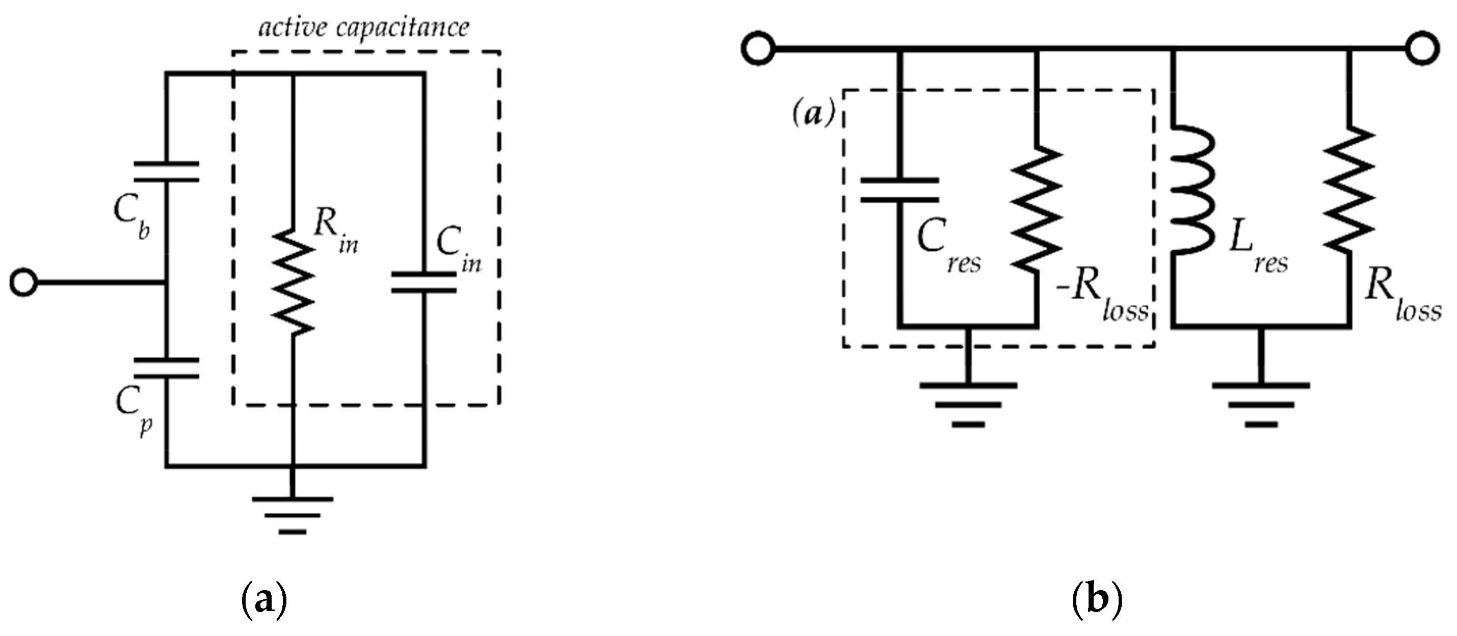
2.2. Losses Compensation and Frequency Tuning
2.3. Performance Evaluation
3. Design and Simulations
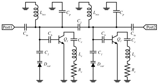
3.1. Filter Design Method
3.2. Simulation Analysis
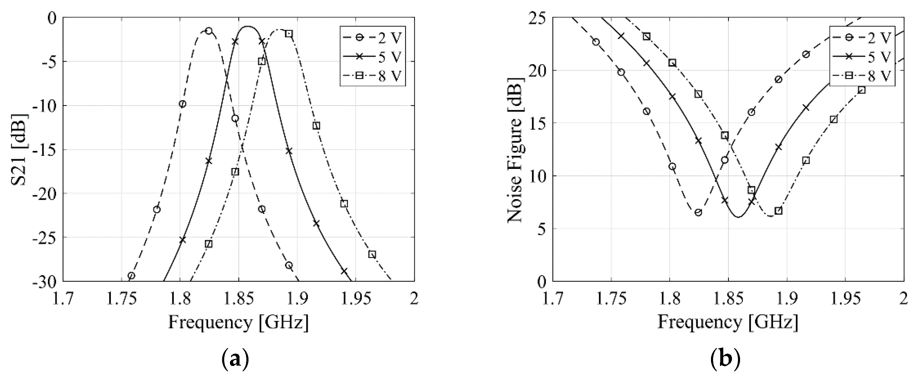
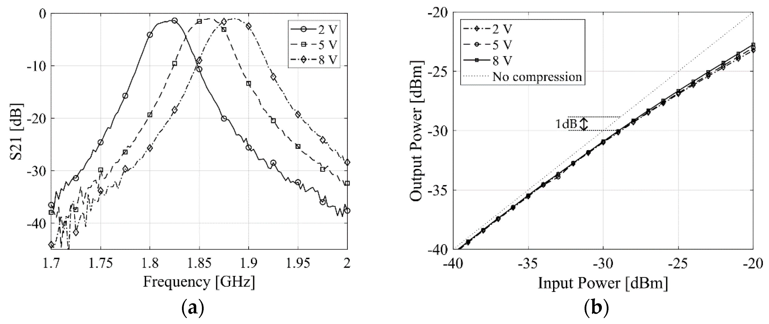
4. Measurements and Results
5. Conclusions
Author Contributions
Funding
Institutional Review Board Statement
Informed Consent Statement
Data Availability Statement
Acknowledgments
Conflicts of Interest
References
- Roshani, S.; Dehghani, K.; Roshani, S. A Lowpass Filter Design Using Curved and Fountain Shaped Resonators. Frequenz 2019, 73, 267–272. [Google Scholar] [CrossRef]
- Tsividis, Y.P. Integrated continuous-time filter design—An overview. IEEE J. Solid-State Circuits 1994, 29, 166–176. [Google Scholar] [CrossRef]
- Adams, D.K.; Ho, R.Y.C. Active Filters for UHF and Microwave Frequencies. IEEE Trans. Microw. Theory Tech. 1969, 17, 662–670. [Google Scholar] [CrossRef]
- Snyder, R.V.; Bozarth, D.L. Analysis and Design of a Microwave Transistor Active Filter. IEEE Trans. Microw. Theory Tech. 1970, 18, 2–9. [Google Scholar] [CrossRef]
- Cheng, L.-K.M.; Chan, H.-Y. Noise performance of negative-resistance compensated microwave band-pass filters. Theory and experiments. IEEE Trans. Microw. Theory Tech. 2001, 49, 924–927. [Google Scholar] [CrossRef]
- Thanachayanont, A. Low voltage low power CMOS inductorless RF band-pass filter with high image rejection capability. In Proceedings of the 2002 45th Midwest Symposium on Circuits and Systems (MWSCAS), Tulsa, OK, USA, 4–7 August 2002. [Google Scholar] [CrossRef]
- Pantoli, L.; Stornelli, V.; Leuzzi, G. RF active circuit simulating a floating inductance. In Proceedings of the 2015 Integrated Nonlinear Microwave and Millimetre-Wave Circuits Workshop (INMMiC), Taormina, Italy, 1–2 October 2015. [Google Scholar] [CrossRef]
- Jarjar, M.; El Ouazzani, N. Design of an OTA-based microwave active band-pass filter. In Proceedings of the 2017 International Conference on Wireless Technologies, Embedded and Intelligent Systems (WITS), Fez, Morocco, 19–20 April 2017. [Google Scholar] [CrossRef]
- Hu, F.; Mouthaan, K. A high-selectivity active band-pass filter using gyrator based resonators in 0.13-μm CMOS. In Proceedings of the 2014 IEEE International Wireless Symposium (IWS), Xi’an, China, 24–26 March 2014. [Google Scholar] [CrossRef]
- Selvathi, D.; Pown, M. Design of Band Pass Filter using active inductor for RF receiver front-end. In Proceedings of the 2014 International Conference on Communication and Network Technologies, Sivakasi, India, 18–19 December 2014. [Google Scholar] [CrossRef]
- Stornelli, V.; Pantoli, L.; Leuzzi, G.; Leoni, A. An assessment on low-voltage low-power integrated single transistor active inductor design for RF filter applications. In Proceedings of the 2016 International Conference on IC Design and Technology (ICICDT), Ho Chi Minh City, Vietnam, 27–29 June 2016. [Google Scholar] [CrossRef]
- Liang, K.-H. CMOS RF Band-Pass Filter Design Using the High Quality Active Inductor. IEICE Trans. Electron. 2005, 88, 2372–2376. [Google Scholar] [CrossRef]
- Leoni, A.; Stornelli, V.; Pantoli, L.; Leuzzi, G.; Marinkovic, Z. RF Active Inductors Small-Signal Design by Means of Conformal Transformations. IEEE Access 2020, 8, 50390–50398. [Google Scholar] [CrossRef]
- Andriesei, C.; Goras, L.; Delacressoniere, B. Active RF band-pass filter with wide frequency tuning range. In Proceedings of the 2008 International Semiconductor Conference, Sinaia, Romania, 13–15 October 2008. [Google Scholar] [CrossRef]
- Leoni, A.; Pantoli, L.; Stornelli, V.; Leuzzi, G.; Marinković, Z. Automated Calibration System for RF Configurable Voltage-Controlled Filters. IEEE Trans. Circuits Syst. II Express Briefs 2018, 65, 1034–1038. [Google Scholar] [CrossRef]
- Pantoli, L.; Stornelli, V.; Leuzzi, G. Class AB gyrator-based active inductor. In Proceedings of the 2015 Integrated Nonlinear Microwave and Millimetre-Wave Circuits Workshop (INMMiC), Taormina, Italy, 1–2 October 2015. [Google Scholar] [CrossRef]
- Sabaghi, M.; Kouchaki, M.; Rostami, A.; Shamsoskouie, H.; Rahnama, M. Design and simulation of low-noise band-pass filter by using active capacitance circuit. In Proceedings of the 2012 IEEE 8th International Colloquium on Signal Processing and Its Applications, Malacca, Malaysia, 23–25 March 2012. [Google Scholar] [CrossRef]
- Il-Soo, K.; Young-Hoon, C.; Sang-Won, Y. Analysis of a novel active capacitance circuit using BJT and its application to RF band-pass filters. In Proceedings of the IEEE MTT-S International Microwave Symposium Digest, Long Beach, CA, USA, 17 June 2005. [Google Scholar] [CrossRef]
- Lee, J.-R.; Chun, Y.-H.; Yun, S.-W. A novel band-pass filter using active capacitance. In Proceedings of the IEEE MTT-S International Microwave Symposium Digest, Philadelphia, PA, USA, 8–13 June 2003. [Google Scholar] [CrossRef]
- Cho, Y.-H.; Hong, S.-C.; Kwon, Y.-S. A low-power monolithic GaAs FET band-pass filter based on negative resistance technique. IEEE Microw. Guided Wave Lett. 1998, 8, 161–163. [Google Scholar] [CrossRef]
- Chun, Y.-H.; Lee, J.-R.; Yun, S.-W.; Rhee, J.-K. Design of an RF low-noise band-pass filter using active capacitance circuit. IEEE Trans. Microw. Theory Tech. 2005, 53, 687–695. [Google Scholar] [CrossRef]
- Andriesei, C.; Goras, L.; Temcamani, F.; Delacressoniere, B. CMOS RF active inductor with improved tuning capability. In Proceedings of the 2009 International Semiconductor Conference, Sinaia, Romania, 12–14 October 2009. [Google Scholar] [CrossRef]
- Trabelsi, H.; Cruchon, C. A varactor-tuned active microwave band-pass filter. IEEE Microw. Guided Wave Lett. 1992, 2, 231–232. [Google Scholar] [CrossRef]
- Kobayashi, K.W.; Tran, L.T.; Umemoto, D.K.; Oki, A.K.; Streit, D.C. A 6.45 GHz active band-pass filter using HBT negative resistance elements. In Proceedings of the GaAs IC Symposium. IEEE Gallium Arsenide Integrated Circuit Symposium. 20th Annual. Technical Digest 1998, Atlanta, GA, USA, 1–4 November 1998. [Google Scholar] [CrossRef]
- Cohn, S. Direct-Coupled-Resonator Filters. Proc. IRE 1957, 45, 187–196. [Google Scholar] [CrossRef]
- Georgescu, B.; Finvers, I.G.; Ghannouchi, F. 2 GHz rmQ-Enhanced Active Filter with Low Passband Distortion and High Dynamic Range. IEEE J. Solid-State Circuits 2006, 41, 2029–2039. [Google Scholar] [CrossRef]
- Gao, Z.; Ma, J.; Yu, M.; Ye, Y. A Fully Integrated CMOS Active Bandpass Filter for Multiband RF Front-Ends. IEEE Trans. Circuits Syst. II Express Briefs 2008, 55, 718–722. [Google Scholar] [CrossRef]
- Wu, B.; Chiu, Y. A 40 nm CMOS Derivative-Free IF Active-RC BPF with Programmable Bandwidth and Center Frequency Achieving over 30 dBm IIP3. IEEE J. Solid-State Circuits 2015, 50, 1772–1784. [Google Scholar] [CrossRef]






| ID | Value | Component |
|---|---|---|
| Cin | 0.2 pF | GJM0225C1CR20WB01 |
| Lres | 1.6 nH | LQP03HQ1N6W02 |
| C1 | 0.8 pF | GRM1555C1HR80BA01 |
| C2 | 0.2 pF series | GJM0225C1CR20WB01 |
| Cb | 0.8 pF | GRM1555C1HR80BA01 |
| Cp | 0.5 pF | GRM1555C1HR50CZ01 |
| Cc | 2.7 pF | GRM1555C1H2R7CZ01 |
| Lc | 4.7 nH | LQW15AN4N7C00 |
| Rc | 5 Ω | - |
| Q1 | NA | BFP840ESD |
| Dvar | NA | BBY51-W03 |
| Ref | [5] | [13] | [12] | [26] | [27] | [28] | This Work |
|---|---|---|---|---|---|---|---|
| Tipology | Active capacitor | Active inductor | Active inductor | Active inductor | Active inductor | Active RC | Active capacitance |
| Center Frequency | 900 MHz | 0.73 GHz | 3.45–3.6 GHz | 2.03 GHz | 2.44 GHz | 0.14 GHz | 1.799–1.905 GHz |
| Bandwidth | 41 MHz | 50 MHz | 418 MHz * | 130 MHz | 60 MHz | 7–56 MHz | 38–43 MHz |
| Gain | 0 dB | −2.5 dB | n.a. | 0 | 6 dB | 0–20 dB | 0.4 dB |
| Noise Figure min. | 6.1 dB | n.a. | 14 dB | 15 dB | 18 dB | 34–55 dB | 2.5 dB |
| Shape Factor * | 5.02 | >12.5 | n.a. | 3.07 | >21.3 | 2.2–2.4 | 5.11–4.43 |
| Technology | GaAs MESFET | discrete | 0.18 µm CMOS | 0.18 µm CMOS | 0.18 µm CMOS | 40 nm CMOS | discrete |
Publisher’s Note: MDPI stays neutral with regard to jurisdictional claims in published maps and institutional affiliations. |
© 2022 by the authors. Licensee MDPI, Basel, Switzerland. This article is an open access article distributed under the terms and conditions of the Creative Commons Attribution (CC BY) license (https://creativecommons.org/licenses/by/4.0/).
Share and Cite
Colaiuda, D.; Leoni, A.; Ferri, G.; Stornelli, V. A Second Order 1.8–1.9 GHz Tunable Active Band-Pass Filter with Improved Noise Performances. Electronics 2022, 11, 2781. https://doi.org/10.3390/electronics11172781
Colaiuda D, Leoni A, Ferri G, Stornelli V. A Second Order 1.8–1.9 GHz Tunable Active Band-Pass Filter with Improved Noise Performances. Electronics. 2022; 11(17):2781. https://doi.org/10.3390/electronics11172781
Chicago/Turabian StyleColaiuda, Davide, Alfiero Leoni, Giuseppe Ferri, and Vincenzo Stornelli. 2022. "A Second Order 1.8–1.9 GHz Tunable Active Band-Pass Filter with Improved Noise Performances" Electronics 11, no. 17: 2781. https://doi.org/10.3390/electronics11172781
APA StyleColaiuda, D., Leoni, A., Ferri, G., & Stornelli, V. (2022). A Second Order 1.8–1.9 GHz Tunable Active Band-Pass Filter with Improved Noise Performances. Electronics, 11(17), 2781. https://doi.org/10.3390/electronics11172781

