Step-Down DC–DC Converters: An Overview and Outlook
Abstract
:1. Introduction
2. Voltage Step-Down Methods
3. Switched-Inductor Converters
3.1. Buck and Quasi-Resonant Buck Converter
3.2. Tapped-Inductor-Based Converters
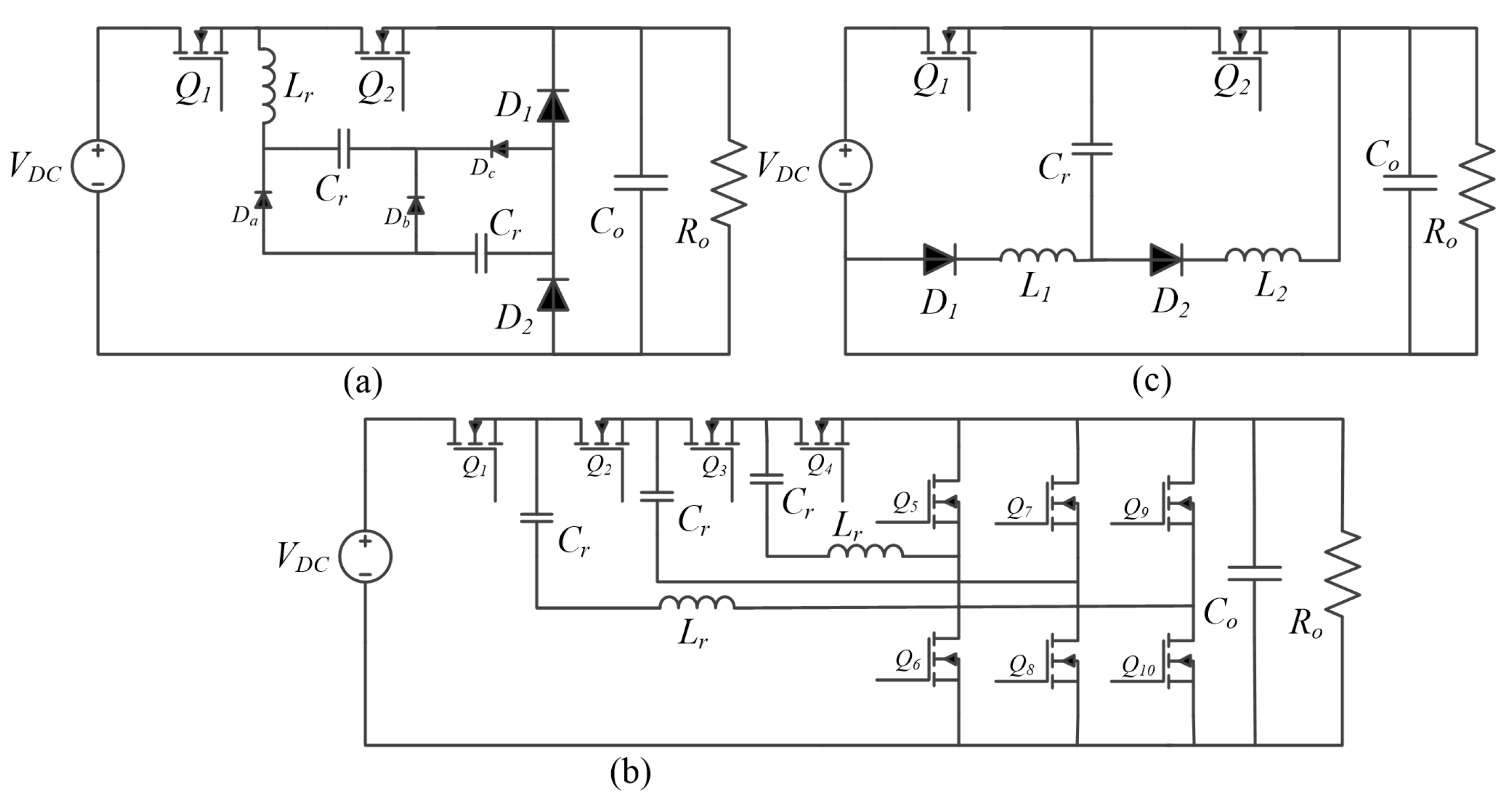
3.3. Multi-Phase and Coupled-Inductor Converters
4. Switched-Capacitor Converters
4.1. Pure Switched-Capacitor Converters
4.2. Resonant Switched-Capacitor Converters
4.3. Switched-Resonator Converter
5. Hybrid Converters
5.1. Extended or Series-Capacitor Buck Converters
5.2. Three-Level Buck Converter
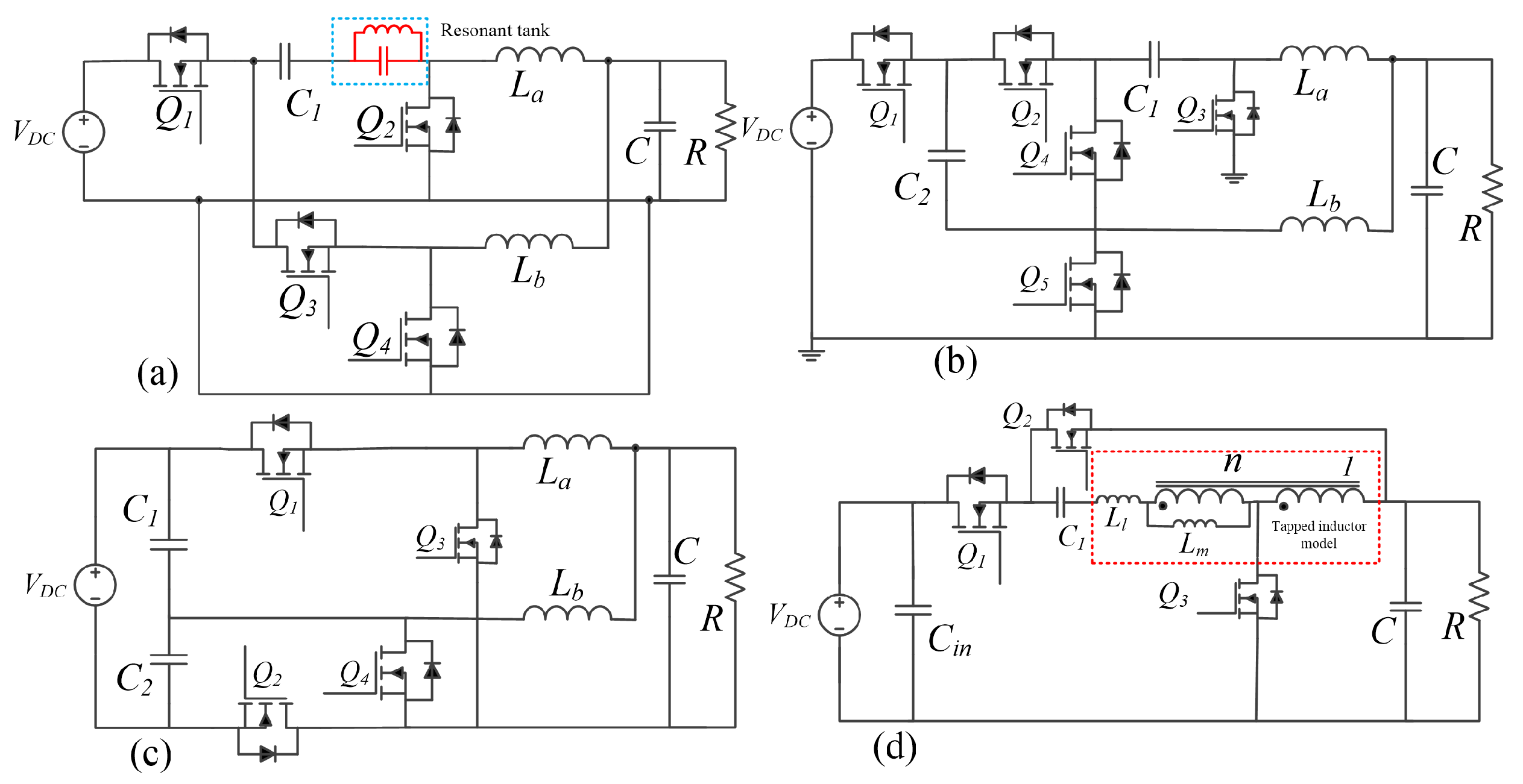
5.3. Single-Path Converters
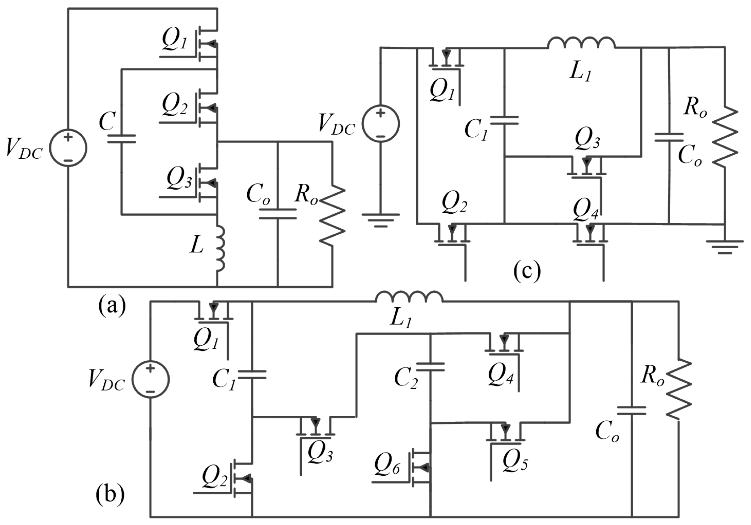
5.4. Dual-Path Converters
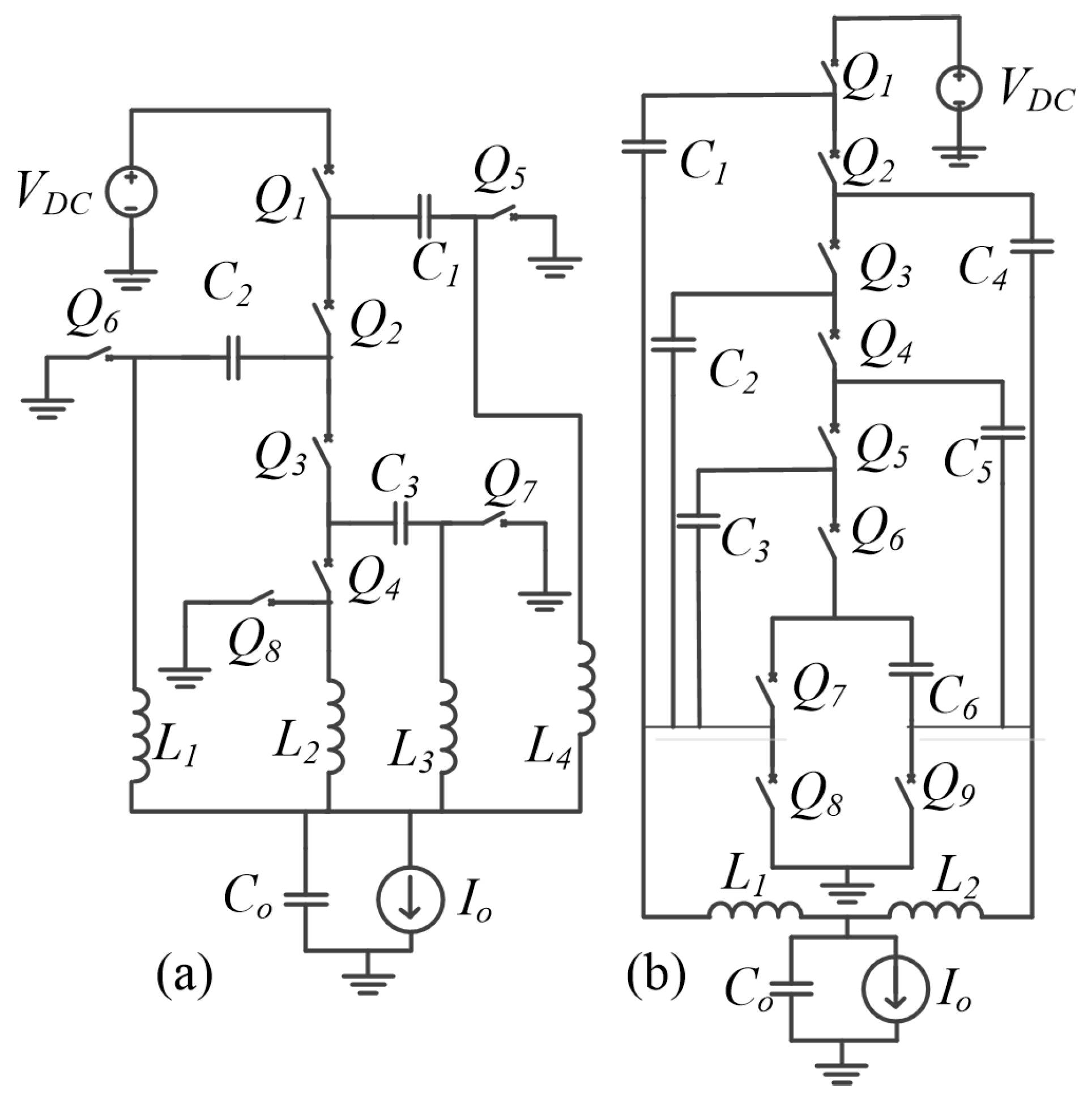
5.5. Multi-Phase Converters
6. Multi-Stage Converters
7. High-Frequency Transformer-Based Converters
8. Comparison between the Converter Classes and Outlook
9. Topology Derivation
10. Converter Control
11. Conclusions
Author Contributions
Funding
Conflicts of Interest
References
- Bindra, A. Driven by Density, Efficiency at Low Cost, Power Integration Reaches New Heights. IEEE Power Electron. Mag. 2022, 9, 14–19. [Google Scholar] [CrossRef]
- Giasson, A.; Dokopoulos, S. Rethinking the Power Delivery Networks of Mobile Robots. IEEE Power Electron. Mag. 2020, 7, 12–18. [Google Scholar] [CrossRef]
- Krein, P.T. Data Center Challenges and Their Power Electronics. CPSS Trans. Power Electron. Appl. 2017, 2, 39–46. [Google Scholar] [CrossRef]
- Fei, C.; Lee, F.C.; Li, Q. High-Efficiency High-Power-Density LLC Converter with an Integrated Planar Matrix Transformer for High-Output Current Applications. IEEE Trans. Ind. Electron. 2017, 64, 9072–9082. [Google Scholar] [CrossRef]
- Xue, F.; Yu, R.; Huang, A. A Family of Ultrahigh Efficiency Fractional Dc-Dc Topologies for High Power Energy Storage Device. IEEE JESTPE 2021, 9, 1420–1427. [Google Scholar] [CrossRef]
- Chen, L.; Wu, H.; Xu, P.; Hu, H.; Wan, C. A High Step-down Non-Isolated Bus Converter with Partial Power Conversion Based on Synchronous LLC Resonant Converter. In Proceedings of the IEEE APEC, Charlotte, NC, USA, 15–19 March 2015; pp. 1950–1955. [Google Scholar]
- Wong, P.L.; Xu, P.; Yang, B.; Lee, F.C. Performance Improvements of Interleaving VRMs with Coupling Inductors. IEEE Trans. Power Electron. 2001, 16, 499–507. [Google Scholar] [CrossRef]
- Liu, K.; Lee, F.C. Resonant Switches—A Unified Approach to Improve Performances of Switching Converters. In Proceedings of the IEEE INTELEC, New Orleans, LA, USA, 4–7 November 1984. [Google Scholar]
- Lee, F.C. High-Frequency Quasi-Resonant Converter Technologies. IEEE Proc. 1988, 76, 377–390. [Google Scholar] [CrossRef]
- Jovanovik, M.M. Merits and Limitations of Resonant and Soft-Switched Converters. In Proceedings of the IEEE INTELEC, Washington, DC, USA, 4–8 October 1992; pp. 51–58. [Google Scholar]
- Divakar, B.P.; Sutanto, D. Optimum Buck Converter with a Single Switch. IEEE Trans. Power Electron. 1999, 14, 636–642. [Google Scholar] [CrossRef]
- Park, J.H.; Cho, B.H. The Zero Voltage Switching (ZVS) Critical Conduction Mode (CRM) Buck Converter with Tapped-Inductor. IEEE Trans. Power Electron. 2005, 20, 762–774. [Google Scholar] [CrossRef]
- Yao, K.; Ye, M.; Xu, M.; Lee, F.C. Tapped-Inductor Buck Converter for High-Step-Down. IEEE Trans. Power Electron. 2005, 20, 775–780. [Google Scholar] [CrossRef]
- Nishijima, K.; Ishida, D.; Harada, K.; Nabeshima, T.; Sato, T.; Nakano, T. A Novel Two-Phase Buck Converter with Two Cores and Four Windings. In Proceedings of the IEEE INTELEC, Rome, Italy, 30 September–4 October 2007; pp. 861–866. [Google Scholar]
- Grant, D.A.; Darroman, Y.; Suter, J. Synthesis of Tapped-Inductor Switched-Mode Converters. IEEE Trans. Power Electron. 2007, 22, 1964–1969. [Google Scholar] [CrossRef]
- Williams, B.W. Unified Synthesis of Tapped-Inductor DC-to-DC Converters. IEEE Trans. Power Electron. 2014, 29, 5370–5383. [Google Scholar] [CrossRef]
- Abramovitz, A.; Yao, J.; Smedley, K. Unified Modeling of PWM Converters with Regular or Tapped Inductors Using TIS-SFG Approach. IEEE Trans. Power Electron. 2016, 31, 1702–1716. [Google Scholar] [CrossRef]
- Yau, Y.T.; Jiang, W.Z.; Hwu, K.I. Ultrahigh Step-down Converter with Wide Input Voltage Range Based on Topology Exchange. IEEE Trans. Power Electron. 2017, 32, 5341–5364. [Google Scholar] [CrossRef]
- Nishijima, K.; Sato, T.; Nabeshima, T. A Novel Tapped-Inductor Buck Converter for Home DC Power Supply Sys Stem. In Proceedings of the IEEE ICRERA, Nagasaki, Japan, 11–14 November 2012; pp. 1–8. [Google Scholar]
- Gu, Y.; Zhang, D. Voltage Regulator Buck Converter with a Tapped Inductor for Fast Transient Response Application. IEEE Trans. Power Electron. 2014, 29, 6249–6254. [Google Scholar] [CrossRef]
- Yau, Y.T.; Jiang, W.Z.; Hwu, K.I. Bidirectional Operation of High Step-Down Converter. IEEE Trans. Power Electron. 2015, 30, 6829–6844. [Google Scholar] [CrossRef]
- Lee, I.; Cho, S.; Moon, G. Interleaved Buck Converter Having Low Switching Losses and Improved Step-Down Conversion Ratio. IEEE Trans. Power Electron. 2012, 27, 3664–3675. [Google Scholar] [CrossRef]
- Xu, P.; Wei, J.; Lee, F.C. Multiphase Coupled-Buck Converter - A Novel High Efficient 12 V Voltage Regulator Module. IEEE Trans. Power Electron. 2003, 18, 74–82. [Google Scholar]
- Yao, K.; Qiu, Y.; Xu, M.; Lee, F.C. A Novel Winding-Coupled Buck Converter for High-Frequency, High-Step-Down DC–DC Conversion. IEEE Trans. Power Electron. 2005, 20, 1017–1024. [Google Scholar] [CrossRef]
- Ge, T.; Miao, Z.; Liu, L. Active Cross-Commutated (ACC) Buck Converter. IEEE Trans. Ind. Electron. 2022, 69, 2577–2587. [Google Scholar] [CrossRef]
- Hajiheidari, M.; Farzanehfard, H.; Adib, E. High-Step-Down DC–DC Converter with Continuous Output Current Using Coupled-Inductors. IEEE Trans. Power Electron. 2019, 34, 10936–10944. [Google Scholar] [CrossRef]
- Singer, Z.; Emanuel, A.; Erlicki, M.S. Power Regulation by Means of a Switched Capacitor. Proc. IEE 1972, 119, 149–152. [Google Scholar] [CrossRef]
- Makowski, M.S.; MaksimoviC, D. Performance Limits of Switched-Capacitor DC-DC Converters. In Proceedings of the IEEE PESC, Atlanta, GA, USA, 18–22 June 1995; pp. 1215–1221. [Google Scholar]
- Mahnashi, Y.; Peng, F.Z. Generalization of the Fundamental Limit Theory in a Switched-Capacitor Converter. IEEE Trans Power Electron. 2017, 32, 6673–6676. [Google Scholar] [CrossRef]
- Umeno, T.; Takahashi, K.; Oota, I.; Ueno, F.; Inoue, T. New Switched-Capacitor DC-DC Converter with Low Input Current Ripple and Its Hybridization. In Proceedings of the IEEE Midwest Symposium on Circuits and Systems, Calgary, AB, Canada, 12–14 August 1990; pp. 1091–1094. [Google Scholar]
- Chung, H.S.-H.; Hui, S.Y.R.; Tang, S.C.; Wu, A. On the Use of Current Control Scheme for Switched-Capacitor DC/DC Converters. IEEE Trans. Ind. Electron. 2000, 47, 238–244. [Google Scholar] [CrossRef]
- Han, J.; von Jouanne, A.; Temes, G.C. A New Approach to Reducing Output Ripple in Switched-Capacitor-Based Step-down DC-DC Converters. IEEE Trans. Power Electron. 2006, 21, 1548–1555. [Google Scholar] [CrossRef]
- Seeman, M.D.; Sanders, S.R. Analysis and Optimization of Switched-Capacitor DC–DC Converters. IEEE Trans. Power Electron. 2008, 23, 841–851. [Google Scholar] [CrossRef]
- Cheong, S.V.; Chung, S.H.; Ioinovici, A. Duty-Cycle Control Boosts DC-DC Converters. IEEE Circuits Devices Mag. 1993, 9, 36–37. [Google Scholar] [CrossRef]
- Cheong, S.V.; Chung, H.; Ioinovici, A. Inductorless DC-to-DC Converter with High Power Density. IEEE Trans. Ind. Electron. 1994, 41, 208–215. [Google Scholar] [CrossRef]
- Suetsugu, T. Novel PWM Control Method of Switched Capacitor DC-DC Converter. In Proceedings of the IEEE ISCAS, Monterey, CA, USA, 31 May–3 June 1998; Volume 6, pp. 454–457. [Google Scholar]
- Lei, Y.; May, R.; Pilawa-Podgurski, R. Split-Phase Control: Achieving Complete Soft-Charging Operation of a Dickson Switched-Capacitor Converter. IEEE Trans. Power Electron. 2016, 31, 770–782. [Google Scholar] [CrossRef]
- Cheng, K.W.E. New Generation of Switched Capacitor Converters. In Proceedings of the IEEE PESC, Fukuoka, Japan, 22 May 1998; pp. 1529–1535. [Google Scholar]
- Rentmeister, J.S.; Stauth, J.T. A 48V: 2V Flying Capacitor Multilevel Converter Using Current-Limit Control for Flying Capacitor Balance. In Proceedings of the IEEE APEC, Tampa, FL, USA, 26–30 March 2017. [Google Scholar]
- Ye, Z.; Lei, Y.; Pilawa-podgurski, R.C.N. The Cascaded Resonant Converter: A Hybrid Switched-Capacitor Topology With High Power Density and Efficiency. IEEE Trans. Power Electron. 2020, 35, 4946–4958. [Google Scholar] [CrossRef]
- Liu, W.C.; Ye, Z.; Pilawa-Podgurski, R.C.N. Comparative Analysis on Minimum Output Impedance of Fixed-Ratio Hybrid Switched Capacitor Converters. In Proceedings of the IEEE COMPEL, Toronto, ON, Canada, 17–20 June 2019; pp. 1–7. [Google Scholar]
- Lin, Y.-C.; Liaw, D.-C. Parametric Study of a Resonant Switched Capacitor DC-DC Converter. In Proceedings of the IEEE TENCON, Singapore, 19–22 August 2001; pp. 710–716. [Google Scholar]
- Qiu, D.; Zhang, B.; Zheng, C. Duty Ratio Control of Resonant Switched Capacitor DC-DC Converter. In Proceedings of the IEEE ICEMS, Nanjing, China, 27–29 September 2005; pp. 1138–1141. [Google Scholar]
- Cervera, A.; Mordechai Peretz, M. Resonant Switched-Capacitor Voltage Regulator with Ideal Transient Response. IEEE Trans. Power Electron. 2015, 30, 4943–4951. [Google Scholar] [CrossRef]
- Ye, Y.; Eric Cheng, K.W.; Liu, J.; Xu, C. A Family of Dual-Phase-Combined Zero-Current Switching Switched-Capacitor Converters. IEEE Trans. Power Electron. 2014, 29, 4209–4218. [Google Scholar] [CrossRef]
- Yeung, B.; Cheng, K.W.E.; Sutanto, D.; Ho, S.L. Zero-Current Switching Switched-Capacitor Quasiresonant Step-down Converter. IEE Proc. 2002, 149, 111–121. [Google Scholar] [CrossRef]
- Li, S.; Xiangli, K.; Zheng, Y.; Smedley, K.M. Analysis and Design of the Ladder Resonant Switched-Capacitor Converters for Regulated Output Voltage Applications. IEEE Trans. Ind. Electron. 2017, 64, 7769–7779. [Google Scholar] [CrossRef]
- Lyu, X.; Li, Y.; Ren, N.; Jiang, S.; Cao, D. A Comparative Study of Switched-Tank Converter and Cascaded Voltage Divider for 48-V Data Center Applications. IEEE JESTPE 2020, 8, 1547–1559. [Google Scholar] [CrossRef]
- Cuk, S. Four-Switch Step-Down Storageless Converter. U.S. Patent 8,134,351/B2, 2012. [Google Scholar]
- Nayanasiri, D.; Li, Y. Voltage Gain Control of a Switched-Resonator Converter Based on the 2:1 Switched-Capacitor Cell. In Proceedings of the IEEE ECCE, Vancouver, BC, Canada, 10–14 October 2021; pp. 1762–1769. [Google Scholar]
- Nayanasiri, D.; Gunawardena, P.; Li, Y. Multiresonant and Multimode Operation of the Switched-Resonator Converters. IEEE Trans. Power Electron. 2021, 36, 5622–5634. [Google Scholar] [CrossRef]
- Nayanasiri, D.; Li, Y. Pulsewidth Modulated Switched Resonator Converter Having Continuous Buck Gain. IEEE Trans. Ind. Electron. 2022, 69, 376–386. [Google Scholar] [CrossRef]
- Nishijima, K.; Harada, K.; Nakano, T.; Nabeshima, T.; Sato, T. Analysis of Double Step-down Two-Phase Buck Converter for VRM. In Proceedings of the IEEE INTELEC, Berlin, Germany, 18–22 September 2005; pp. 497–502. [Google Scholar]
- Abe, K.; Nishijima, K.; Harada, K.; Nakano, T.; Nabeshima, T.; Sato, T. A Novel Three-Phase Buck Converter with Bootstrap Driver Circuit. In Proceedings of the IEEE PESC, Orlando, FL, USA, 17–21 June 2007; Volume 1, pp. 1864–1871. [Google Scholar]
- Jang, Y.; Jovanović, M.M.; Panov, Y. Multi-Phase Buck Converters with Extended Duty Cycle. In Proceedings of the IEEE APEC, Dallas, TX, USA, 19–23 March 2006; pp. 38–44. [Google Scholar]
- Hwu, K.I.; Jiang, W.Z.; Wu, P.Y. An Expandable Four-Phase Interleaved High Step-Down Converter with Low Switch Voltage Stress and Automatic Uniform Current Sharing. IEEE Trans. Ind. Electron. 2016, 63, 6064–6072. [Google Scholar] [CrossRef]
- Bui, D.V.; Cha, H.; Nguyen, V.C. Asymmetrical PWM Series-Capacitor High-Conversion-Ratio DC-DC Converter. IEEE Trans. Power Electron. 2021, 36, 8628–8633. [Google Scholar] [CrossRef]
- Kirshenboim, O.; Peretz, M.M. High-Efficiency Nonisolated Converter with Very High Step-Down Conversion Ratio. IEEE Trans. Power Electron. 2017, 32, 3683–3690. [Google Scholar] [CrossRef]
- Halamicek, M.; Mcrae, T.; Prodic, A. Cross-Coupled Series-Capacitor Quadruple Step-Down Buck Converter. In Proceedings of the IEEE APEC, New Orleans, LA, USA, 15–19 March 2020; pp. 1–6. [Google Scholar]
- Kim, K.; Cha, H.; Park, S.; Lee, I. A Modified Series-Capacitor High Conversion Ratio DC–DC Converter Eliminating Start-Up Voltage Stress Problem. IEEE Trans. Power Electron. 2018, 33, 8–12. [Google Scholar] [CrossRef]
- Chuang, C.F.; Pan, C.T.; Cheng, H.C. A Novel Transformer-Less Interleaved Four-Phase Step-down DC Converter with Low Switch Voltage Stress and Automatic Uniform Current-Sharing Characteristics. IEEE Trans. Power Electron. 2016, 31, 406–417. [Google Scholar] [CrossRef]
- Tu, C.; Chen, R.; Ngo, K.D.T. Series-Resonator Buck Converter—Viability Demonstration. IEEE Trans. Power Electron. 2021, 36, 9693–9697. [Google Scholar] [CrossRef]
- Oraw, B.S.; Ayyanar, R. Voltage Regulator Optimization Using Multiwinding Coupled Inductors and Extended Duty Ratio Mechanisms. IEEE Trans. Power Electron. 2009, 24, 1494–1505. [Google Scholar] [CrossRef]
- Chen, Y.; Giuliano, D.M.; Chen, M. Two-Stage 48V-1V Hybrid Switched-Capacitor Point-of-Load Converter with 24V Intermediate Bus. In Proceedings of the IEEE COMPEL, Aalborg, Denmark, 9–12 November 2020; pp. 1–8. [Google Scholar]
- Cuk, S. Step-down Converter Having a Resonant Inductor, a Resonant Capacitor and a Hybrid Transformer. U.S. Patent 7,915,874 B1, 2011. [Google Scholar]
- Chen, M.; Shenoy, P.S.; Morroni, J. A Series-Capacitor Tapped Buck (SC-TaB) Converter for Regulated High Voltage Conversion Ratio Dc-Dc Applications. In Proceedings of the IEEE ECCE, Pittsburgh, PA, USA, 14–18 September 2014; pp. 3650–3657. [Google Scholar]
- Zhao, X.; Yeh, C.; Zhang, L.; Lai, J. A High-Frequency High-Step-down Converter with Coupled Inductor for Low Power Applications. In Proceedings of the IEEE APEC, Tampa, FL, USA, 26–30 March 2017; pp. 2436–2440. [Google Scholar]
- Zhang, L.; Chakraborty, S. An Interleaved Series-Capacitor Tapped Buck Converter for High Step-Down DC/DC Application. IEEE Trans. Power Electron. 2019, 34, 6565–6574. [Google Scholar] [CrossRef]
- Meynard, T.A.; Foch, H. Multi-Level Conversion: High Voltage Choppers and Voltage-Source Inverters. In Proceedings of the IEEE PESC, Toledo, Spain, 29 June–3 July 1992; pp. 397–403. [Google Scholar]
- Pinheiro, J.R.; Barbi, I. The Three-Level ZVS-PWM DC-to-DC Converter. IEEE Trans. Power 1993, 8, 486–492. [Google Scholar] [CrossRef]
- Yousefzadeh, V.; Alarcón, E.; Maksimović, D. Three-Level Buck Converter for Envelope Tracking Applications. IEEE Trans. Power Electron. 2006, 21, 549–552. [Google Scholar] [CrossRef]
- Ruan, X.; Li, B.; Chen, Q.; Tan, S.C.; Tse, C.K. Fundamental Considerations of Three-Level DC-DC Converters: Topologies, Analyses, and Control. IEEE Trans. Circuits Syst. I Regul. Pap. 2008, 55, 3733–3743. [Google Scholar] [CrossRef]
- Yerra, S.; Krishnamoorthy, H. Multi-Phase Three-Level Buck Converter with Current Self-Balancing for High Bandwidth Envelope Tracking Power Supply. In Proceedings of the IEEE APEC, New Orleans, LA, USA, 15–19 March 2020; pp. 1872–1877. [Google Scholar]
- Reusch, D.; Lee, F.C.; Xu, M. Three Level Buck Converter with Control and Soft Startup. In Proceedings of the IEEE ECCE, San Jose, CA, USA, 20–24 September 2009; Volume 2, pp. 31–35. [Google Scholar]
- Shi, L.; Baddipadiga, B.P.; Ferdowsi, M.; Crow, M.L. Improving the Dynamic Response of a Flying-Capacitor Three-Level Buck Converter. IEEE Trans. Power Electron. 2013, 28, 2356–2365. [Google Scholar] [CrossRef]
- Dusmez, S.; Hasanzadeh, A.; Khaligh, A. Comparative Analysis of Bidirectional Three-Level DC-DC Converter for Automotive Applications. IEEE Trans. Ind. Electron. 2015, 62, 3305–3315. [Google Scholar] [CrossRef]
- Axelrod, B.; Berkovich, Y.; Ioinovici, A. Switched-Capacitor/Switched-Inductor Structures for Getting Transformerless Hybrid DC–DC PWM Converters. IEEE Trans. Circuits Syst. 2008, 55, 687–696. [Google Scholar] [CrossRef]
- Radic, A.; Ahssanuzzaman, S.M.; Mahdavikhah, B.; Prodic, A. High-Power Density Hybrid Converter Topologies for Low-Power Dc-Dc SMPS. In Proceedings of the IEEE IPEC, Hiroshima, Japan, 18–21 May 2014; pp. 3582–3586. [Google Scholar]
- Gabian, G.; Gamble, J.; Blalock, B.; Costinett, D. Hybrid Buck Converter Optimization and Comparison for Smart Phone Integrated Battery Chargers. In Proceedings of the IEEE APEC, San Antonio, TX, USA, 4–8 March 2018; pp. 2148–2154. [Google Scholar]
- Seo, G.; Le, H. S-Hybrid Step-Down DC–DC Converter—Analysis of Operation and Design Considerations. IEEE Trans. Ind. Electron. 2020, 67, 265–275. [Google Scholar] [CrossRef]
- Lei, Y.; Liu, W.C.; Pilawa-Podgurski, R.C.N. An Analytical Method to Evaluate and Design Hybrid Switched-Capacitor and Multilevel Converters. IEEE Trans Power Electron. 2018, 33, 2227–2240. [Google Scholar] [CrossRef]
- Zhen, S.; Yang, R.; Wu, D.; Cheng, Y.; Luo, P.; Zhang, B. Design of Hybrid Dual-Path DC-DC Converter with Wide Input Voltage Efficiency Improvement. In Proceedings of the IEEE ISCAS, Daegu, Korea, 22–28 May 2021; pp. 1–5. [Google Scholar]
- Hata, K.; Yamauchi, Y.; Sai, T.; Sakurai, T.; Takamiya, M. 48V-to-12V Dual-Path Hybrid DC-DC Converter. In Proceedings of the IEEE APEC, New Orleans, LA, USA, 15–19 March 2020; pp. 2279–2284. [Google Scholar]
- Huh, Y.; Hong, S.-W.; Cho, G.-H. A Hybrid Structure Dual-Path Step-Down Converter With 96.2% Peak Efficiency Using 250-m Large-DCR Inductor. IEEE J. Solid-State Circuits 2019, 54, 959–967. [Google Scholar] [CrossRef]
- Hata, K.; Jiang, Y.; Law, M.; Takamiya, M. Always-Dual-Path Hybrid DC-DC Converter Achieving High Efficiency at Around 2:1 Step- Down Ratio. In Proceedings of the IEEE APEC, Phoenix, AZ, USA, 14–17 June 2021; pp. 1302–1307. [Google Scholar]
- Park, I.; Maeng, J.; Jeon, J.; Kim, H.; Kim, C. A Four-Phase Hybrid Step-Up/Down Converter With RMS Inductor Current Reduction and Delay-Based Zero-Current Detection. IEEE Trans Power Electron. 2022, 37, 3708–3712. [Google Scholar] [CrossRef]
- Wang, Y.; Zhang, J.; Guan, Y.; Xu, D. Analysis and Design of a Two-Phase Series Capacitor Dual-Path Hybrid DC-DC Converter. IEEE Trans Power Electron. 2022, 37, 9492–9502. [Google Scholar] [CrossRef]
- Das, R.; Le, H. Hybrid Converter for POL Applications in Data Centers and Telecommunication Systems. In Proceedings of the IEEE APEC, Anaheim, CA, USA, 17–22 March 2019; pp. 1997–2001. [Google Scholar]
- Seo, G.S.; Das, R.; Le, H.P. Dual Inductor Hybrid Converter for Point-of-Load Voltage Regulator Modules. IEEE Trans. Ind. Appl. 2020, 56, 367–377. [Google Scholar] [CrossRef]
- Das, R.; Seo, G.S.; Le, H.P. Analysis of Dual-Inductor Hybrid Converters for Extreme Conversion Ratios. IEEE JESTPE 2021, 9, 5249–5260. [Google Scholar] [CrossRef]
- Zhu, Y.; Ye, Z.; Ge, T.; Abramson, R.; Pilawa-podgurski, R.C.N. A Multi-Phase Cascaded Series-Parallel (CaSP) Hybrid Converter for Direct 48 V to Point-of-Load Applications. In Proceedings of the IEEE ECCE, Vancouver, BC, Canada, 10–14 October 2021; pp. 1973–1980. [Google Scholar]
- Ahmed, M.H.; Lee, F.C.; Li, Q. Two-Stage 48-V VRM With Intermediate Bus Voltage Optimization for Data Centers. IEEE JESTPE 2021, 9, 702–715. [Google Scholar] [CrossRef]
- Baek, J.; Elasser, Y.; Member, S.; Radhakrishnan, K.; Member, S.; Gan, H.; Member, S.; Douglas, J.P.; Krishnamurthy, H.K.; Member, S.; et al. Vertical Stacked LEGO-PoL CPU Voltage Regulator. IEEE Trans Power Electron. 2022, 37, 6305–6322. [Google Scholar] [CrossRef]
- Guan, Y.; Wang, P.; Liu, M.; Xu, D.; Chen, M. MSP-LEGO: Modular Series-Parallel (MSP) Architecture and LEGO Building Blocks for Non-Isolated High Voltage Conversion Ratio Hybrid Dc-Dc Converters. In Proceedings of the IEEE ECCE, Baltimore, MD, USA, 29 September–3 October 2019; pp. 143–150. [Google Scholar]
- Roberts, G.; Vukadinovic, N.; Prodic, A. A Multi-Level, Multi-Phase Buck Converter with Shared Flying Capacitor for VRM Applications. In Proceedings of the IEEE APEC, San Antonio, TX, USA, 4–8 March 2018; pp. 68–72. [Google Scholar]
- Ursino, M.; Saggini, S.; Jiang, S.; Nan, C. High Density 48V-to-PoL VRM with Hybrid Pre-Regulator and Fixed-Ratio Buck. In Proceedings of the IEEE APEC, New Orleans, LA, USA, 15–19 March 2020; pp. 498–505. [Google Scholar]
- Chen, Y.; Wang, P.; Cheng, H.; Szczeszynski, G.; Allen, S.; Giuliano, D.M.; Chen, M. Virtual Intermediate Bus CPU Voltage Regulator. IEEE Trans. Power Electron. 2022, 37, 6883–6898. [Google Scholar] [CrossRef]
- Cui, Y.; Tolbert, L.M. High Step down Ratio (400 V to 1 V) Phase Shift Full Bridge DC/DC Converter for Data Center Power Supplies with GaN FETs. In Proceedings of the IEEE WiPDA, Columbus, OH, USA, 27–29 October 2013; pp. 23–27. [Google Scholar]
- Zhang, Z.; Huang, J.; Xiao, Y. GaN-Based 1-MHz Partial Parallel Dual Active Bridge Converter with Integrated Magnetics. IEEE Trans Ind. Electron. 2021, 68, 6729–6738. [Google Scholar] [CrossRef]
- Abramson, R.A.; Gunter, S.J.; Otten, D.M.; Afridi, K.K.; Member, S.; Perreault, D.J. Design and Evaluation of a Reconfigurable Stacked Active Bridge DC–DC Converter for Efficient Wide Load Range Operation. IEEE Trans. Power Electron. 2018, 33, 10428–10448. [Google Scholar] [CrossRef] [Green Version]
- Yao, Y.; Kulothungan, G.S.; Krishnamoorthy, S.; Soni, H.; Das, A. GaN Based Two-Stage Converter with High Power Density and Fast Response for Pulsed Load Applications. IEEE Trans. 2022, 69, 10035–10044. [Google Scholar] [CrossRef]
- Hou, N.; Li, Y. Overview and Comparison of Modulation and Control Strategies for a Nonresonant Single-Phase Dual-Active-Bridge DC–DC Converter. IEEE Trans Power Electron. 2020, 35, 3148–3172. [Google Scholar] [CrossRef]
- Ahmed, M.; Fei, C.; Lee, F.C.; Li, Q. High-Efficiency High-Power-Density 48/1V Sigma Converter Voltage Regulator Module. In Proceedings of the IEEE APEC, Tampa, FL, USA, 26–30 March 2017; pp. 2207–2212. [Google Scholar]
- Liu, Y.C.; Chen, K.D.; Chen, C.; Syu, Y.L.; Lin, G.W.; Kim, K.A.; Chiu, H.J. Quarter-Turn Transformer Design and Optimization for High Power Density 1-MHz LLC Resonant Converter. IEEE Trans Ind. Electron. 2020, 67, 1580–1591. [Google Scholar] [CrossRef]
- Lidow, A.; Strydom, J.; de Rooij, M.; Reusch, D. GaN Transistors for Efficient Power Conversion; Wiley: Hoboken, NJ, USA, 2019. [Google Scholar]
- Sullivan, C.R.; Reese, B.A.; Stein, A.L.F.; Kyaw, P.A. On Size and Magnetics: Why Small Efficient Power Inductors Are Rare. In Proceedings of the 3D PEIM, Raleigh, NC, USA, 13–15 June 2016; pp. 1–4. [Google Scholar]
- Sturcken, N.; Davies, R.; Cheng, C.; Bailey, W.E.; Shepard, K.L. Design of Coupled Power Inductors with Crossed Anisotropy Magnetic Core for Integrated Power Conversion. In Proceedings of the IEEE APEC, Orlando, FL, USA, 5–9 February 2012; pp. 417–423. [Google Scholar]
- Harburg, D.V.; Hanson, A.J.; Qiu, J.; Reese, B.A.; Ranson, J.D.; Otten, D.M.; Levey, C.G.; Sullivan, C.R. Microfabricated Racetrack Inductors with Thin-Film Magnetic Cores for On-Chip Power Conversion. IEEE JESTPE 2018, 6, 1280–1294. [Google Scholar] [CrossRef]
- Xu, J.; Gu, L.; Rivas-Davila, J. Effect of Class 2 Ceramic Capacitor Variations on Switched-Capacitor and Resonant Switched-Capacitor Converters. IEEE JESTPE 2020, 8, 2268–2275. [Google Scholar] [CrossRef]
- Zhang, X.; Cai, H.; Guan, Y.; Han, S.; Wang, Y.; Costa, M.A.D.; Alonso, J.M.; Xu, D. A Soft-Switching Transformer-Less Step-Down Converter Based on Resonant Current Balance Module. IEEE Trans Power Electron. 2021, 36, 8206–8218. [Google Scholar] [CrossRef]
- Thummala, P.; Yelaverthi, D.B.; Zane, R.A.; Ouyang, Z.; Andersen, M.A.E. A 10-MHz GaNFET-Based-Isolated High Step-Down DC–DC Converter: Design and Magnetics Investigation. IEEE Trans Ind. Appl. 2019, 55, 3889–3900. [Google Scholar] [CrossRef]
- Yano, Y.; Kawata, N.; Iokibe, K.; Toyota, Y. A Method for Optimally Designing Snubber Circuits for Buck Converter Circuits to Damp LC Resonance. IEEE Trans. Electromagn. Compat. 2019, 61, 1217–1225. [Google Scholar] [CrossRef]
- Yu, Z.; Nan, C.; Ayyanar, R. Modeling and Dynamics Investigation of an Active-Clamp Buck Converter. In Proceedings of the IEEE APEC, San Antonio, TX, USA, 4–8 March 2018; pp. 2209–2213. [Google Scholar]
- Erickson, R. Synthesis of Switched-Mode Converters. In Proceedings of the IEEE PESC, Albuquerque, NM, USA, 6–9 June 1983; pp. 9–22. [Google Scholar]
- Maksimovic, D.; Cuk, S. General Properties and Synthesis of PWM DC-to-DC Converters. In Proceedings of the IEEE PESC, Milwaukee, WI, USA, 26–29 June 1989; Volume 2, pp. 515–525. [Google Scholar]
- Burdío, J.M.; Martínez, A.; García, J.R. A Synthesis Method for Generating Switched Electronic Converters. IEEE Trans. Power Electron. 1998, 13, 1056–1068. [Google Scholar] [CrossRef]
- Panigrahi, R.; Mishra, S.K.; Joshi, A.; Ngo, K. Synthesis of DC-DC Converters from Voltage Conversion Ratio and Prescribed Requirements. IEEE Trans. Power Electron. 2021, 36, 13889–13902. [Google Scholar] [CrossRef]
- Ambagahawaththa, T.S.; Nayanasiri, D.R.; Pasqual, A.; Jayasinghe, S.G.D. An Analytical Method to Derive a DC-DC Converter for an Arbitrary Voltage Conversion Ratio. In Proceedings of the IEEE ICPES, Colombo, Sri Lanka, 21–22 December 2018; pp. 11–16. [Google Scholar]
- Ambagahawaththa, T.S.; Nayanasiri, D.; Pasqual, A. A Four-Step Method to Synthesize a DC-DC Converter for Multi-Inductor Realizable Arbitrary Voltage Conversion Ratio. IEEE Trans. Ind. Electron. 2021, 69, 5594–5603. [Google Scholar] [CrossRef]
- Ambagahawaththa, T.S.; Nayanasiri, D.; Pasqual, A.; Li, Y. Non-Isolated DC-DC Power Converter Synthesis Using Low-Entropy Equations. IEEE JESTPE 2022. Early access. [Google Scholar] [CrossRef]
- Ambagahawaththe, T.S.; Nayanasiri, D.; Pasqual, A.; Li, Y. A Design Methodlogy to Synthesize 1st Degree Single-Path Hybrid DC-DC Converters. IEEE Trans Power Electron. 2022. Early access. [Google Scholar] [CrossRef]
- Erickson, R.W.; Maksimovic, D. Fundamentals of Power Electronics; Kluwer Academic Publishers: Dordrecht, The Netherlands, 2017. [Google Scholar]
- Misal, S.; Veerachary, M. Analysis of a Fourth-Order Step-Down Converter. IEEE Trans. Ind. Appl. 2020, 56, 2773–2787. [Google Scholar] [CrossRef]
- Deisch, C.W. Simple Switching Control Method Changes Power Converter into a Current Source. In Proceedings of the IEEE PESC, Syracuse, NY, USA, 13–15 June 1978; pp. 1–7. [Google Scholar]
- Basso, C. Designing Control Loops for Linear and Switching Power Supplies; Artech House: London, UK, 2012. [Google Scholar]
- Mcmurray, W. A Constant Turn-Off Time Control for Variable Thyristor Inverters. IEEE Trans Ind. Appl. 1977, I, 418–422. [Google Scholar] [CrossRef]
- Mcmurray, W. Silicon-Controlled Rectifier DC to DC Power Converters. IEEE Trans Commun. Electron. 1964, 83, 198–203. [Google Scholar] [CrossRef]
- Corradini, L.; Bjeleti, A.; Zane, R.; Maksimović, D. Fully Digital Hysteretic Modulator for DC–DC Switching Converters. IEEE Trans Power Electron. 2011, 26, 2969–2979. [Google Scholar] [CrossRef]
- Kapat, S.; Krein, P.T. A Tutorial and Review Discussion of Modulation, Control and Tuning of High-Performance DC-DC Converters Based on Small-Signal and Large-Signal Approaches. IEEE Open J. Power Electron. 2020, 1, 339–371. [Google Scholar] [CrossRef]












| Topology | Advantages | Disadvantages | Properties | |
|---|---|---|---|---|
| Isolated converters | LLC | Electrical isolation | Higher number of switches | There is balanced secondary current, due to the matrix transformer |
| Use the leakage inductance as a part of the resonant circuit | Efficiency critically depends on loading condition | |||
| DAB | Good current balancing capability | Topologies are not isolated, when used as a part of stacked converter | ||
| Control flexibility, when there are parallel outputs | ||||
| High voltage conversion ratio, using stacked converters | ||||
| Switched Inductor Converters | Switched Inductor | High Gain | Large passive device volume | Low efficiency at low duty ratios |
| Hard-switching operation | ||||
| Tapped Inductor | Extends the duty cycle range | Leakage energy of inductor | Clamp circuits should be used to reduce device stresses, due to the energy stored in leakage inductance | |
| Coupled Inductor | High gain | Voltage overshoot, due to energy stored in leakage inductance | ||
| Large DC magnetizing current | ||||
| Switched Capacitor Converters | Switched Capacitor | High power density, due to a lack of magnetic elements, good devi ce voltage clamp | Lack of lossless voltage regulation | Topology dependant gain |
| Low efficiency | Discrete output levels | |||
| High EMI, large capacitor bank | ||||
| Resonant Switched Capacitor | High efficiency and high power density, ZCS operation, small capacitor bank | Vary output voltage modulating switching frequency | Controlled charge distribution among circuit elements | |
| Switched Resonator | ZCS operation, small capacitor bank | Distributed resonant inductor | Regulate output voltage modulating pulse width | |
| Hybrid Converters | Single Path | Low voltage stresses on switches | Higher losses on magnetic elements | High step down gains using tapped-inductor |
| Small passive component size | Hard-switching converters | Voltage gain control modulating duty ratio | ||
| Dual/ Multi Path | Low-voltage stresses on switches | Voltage gain control modulating duty ratio | ||
| Ultra-high gain without isolation transformer | Higher number of switches | Soft-charging for flying capacitors | ||
| Extended Buck | Low devices stresses and losses | Voltage stresses on the devices at the startup | Divide input voltage, using a series capacitor | |
| High step-down gains | Limited regulation range when increasing number of phases | Multiple phases to share output current | ||
| Automatic current balance in all phases | ||||
| Three- level Buck | Reduce voltage stresses on switches | Suitable for high input voltage applications | ||
| High reliability and efficiency | ||||
| Reduce passive components sizes in some converters |
| Topology | Voltage Gain | Switches/Diode/ Ind/Caps | Voltage Stresses | Current Stresses | ||
|---|---|---|---|---|---|---|
| Converter Class | Converter Type | Figure | ||||
| Switched inductor | Buck and derivatives | Figure 2a | D | 1/1/1/0 | ||
| Figure 2d | b = −D c = | 1/2/2/1 | ||||
| Tapped inductor | Figure 3a | 1/1/1/0 | + (N-1) | |||
| Figure 3b | 4/0/2/1 | |||||
| Figure 3c | 4/0/3/1 | |||||
| Figure 3d | D | 2/2/1/0 | ||||
| Switched capacitor converters | Basic switched capacitor | Figure 4a | 2:1 | 4/0/0/1 | ||
| Figure 4b | 4:1 | 3N-2/0/0/N-1 | (N-1), …, 2, | |||
| Figure 4c | 4:1 | 3N-2/0/0/N-1 | 2, | |||
| Figure 4d | 5:1 | 3k + 1/0/0/k k- # of stages | , …, , F(.)-Fibonacci series | |||
| Figure 4e | 4:1 | 2N/0/0/N-1 | ||||
| Figure 4f | 4:1 | 2N/0/0/N-1 | N | |||
| Resonant switched capacitor | Figure 5a | 2/2/1/1 | ||||
| Figure 5b | 10/0/1/3 | and | ||||
| Figure 5c | 10/0/3/3 | |||||
| Switched resonator converter | Figure 6a | 2/5/1/2 | ||||
| Figure 6b | 10/0/2/3 | and | ||||
| Figure 6c | and function of and D | 2/2/2/1 | ||||
| Hybrid converters | Series capacitor converter | Figure 7a | 4/0/2/1 | and | ||
| Figure 7b | 5/0/2/2 | |||||
| Figure 7c | 4/0/2/2 | and | ||||
| Figure 7d | 3/0/1/1 | |||||
| Three level | Figure 8a | 4/0/1/1 | and | |||
| Figure 8b | 2/2/1/2 | |||||
| Single path | Figure 9a | 3/0/1/1 | ||||
| Figure 9b | 3/0/2/1 | |||||
| Dual path | Figure 10a | 3/0/1/1 | ||||
| Figure 10b | 6/0/1/2 | and | ||||
| Figure 10c | 4/0/1/1 | and | ||||
| Multi phase | Figure 11a | ; N = 4 | 8/0/4/3 | = | ||
| Figure 11b | ; N = 7 | 9/0/2/6 | = | |||
Publisher’s Note: MDPI stays neutral with regard to jurisdictional claims in published maps and institutional affiliations. |
© 2022 by the authors. Licensee MDPI, Basel, Switzerland. This article is an open access article distributed under the terms and conditions of the Creative Commons Attribution (CC BY) license (https://creativecommons.org/licenses/by/4.0/).
Share and Cite
Nayanasiri, D.; Li, Y. Step-Down DC–DC Converters: An Overview and Outlook. Electronics 2022, 11, 1693. https://doi.org/10.3390/electronics11111693
Nayanasiri D, Li Y. Step-Down DC–DC Converters: An Overview and Outlook. Electronics. 2022; 11(11):1693. https://doi.org/10.3390/electronics11111693
Chicago/Turabian StyleNayanasiri, Dulika, and Yunwei Li. 2022. "Step-Down DC–DC Converters: An Overview and Outlook" Electronics 11, no. 11: 1693. https://doi.org/10.3390/electronics11111693
APA StyleNayanasiri, D., & Li, Y. (2022). Step-Down DC–DC Converters: An Overview and Outlook. Electronics, 11(11), 1693. https://doi.org/10.3390/electronics11111693

