A 40-nm CMOS Piezoelectric Energy Harvesting IC for Wearable Biomedical Applications
Abstract
1. Introduction
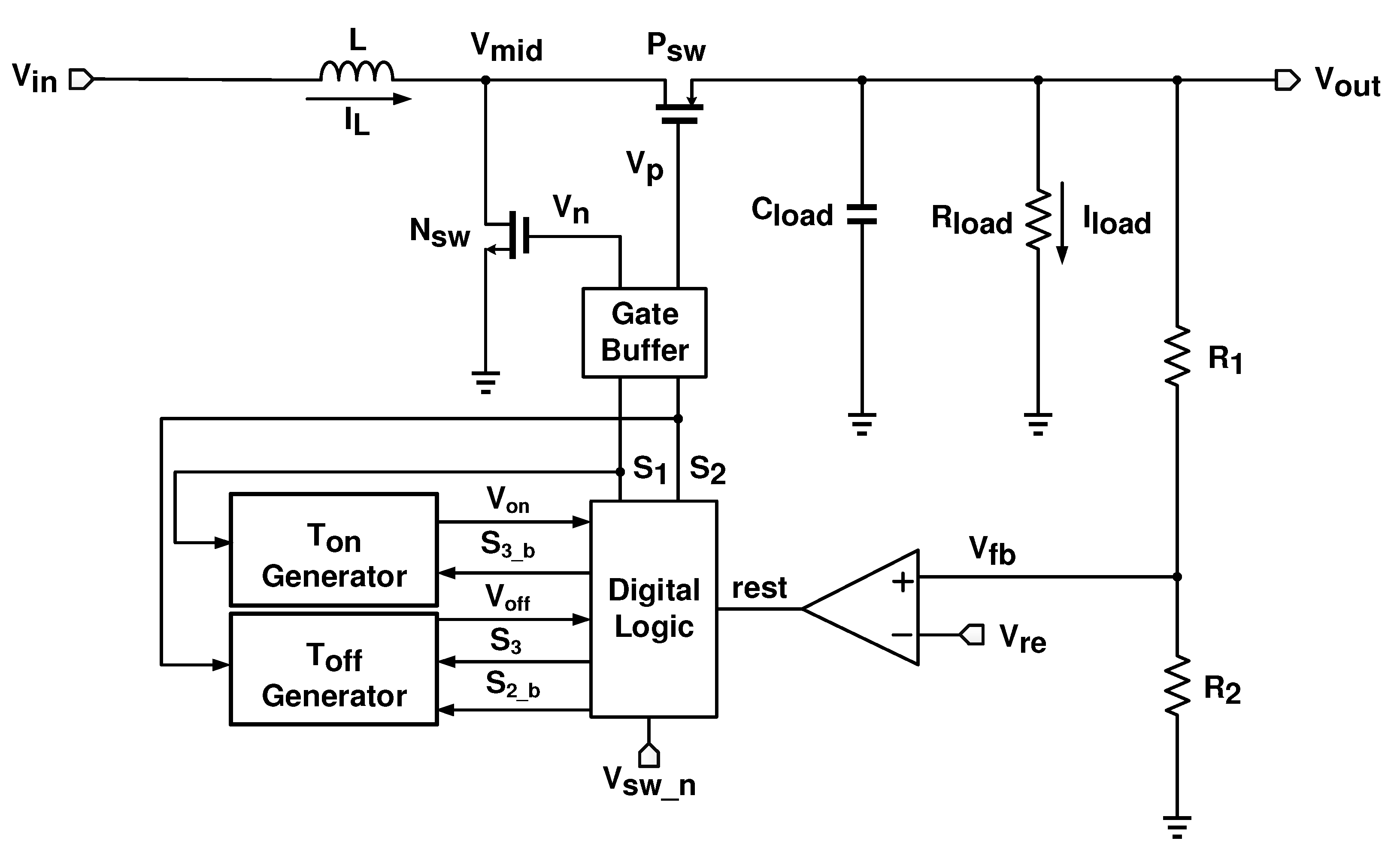
2. System Architecture of Energy Harvester
2.1. AC/DC Converter
2.2. Voltage Monitor
2.3. DC/DC Converter
2.3.1. Ton Generator
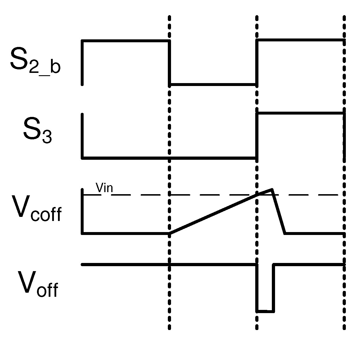
2.3.2. Toff Generator
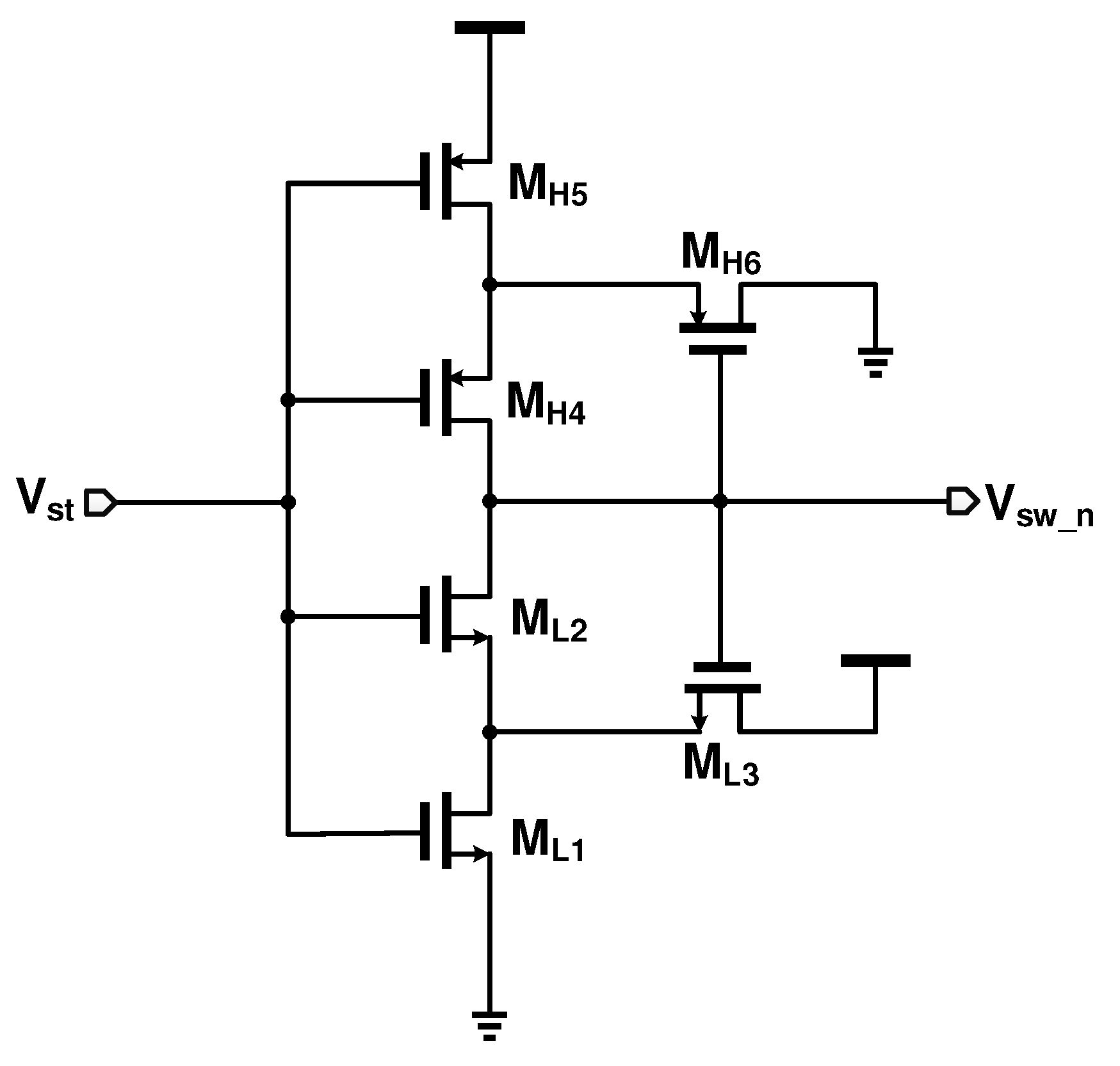
2.3.3. Digital Logic
2.3.4. Reference Current Generator
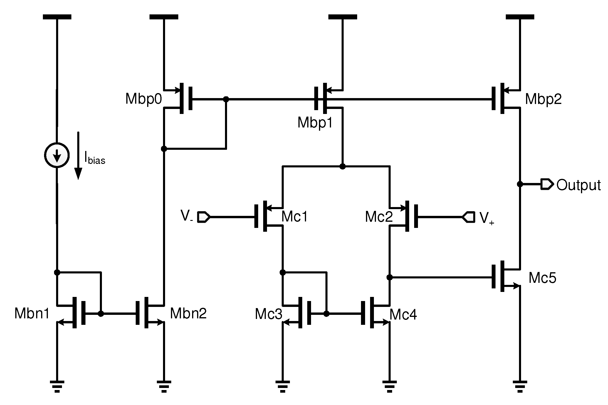
2.3.5. Comparator Circuit
3. Measurement Results and Discussion
4. Conclusions
Author Contributions
Funding
Acknowledgments
Conflicts of Interest
References
- Mahmood, M.F.; Mohammed, S.L.; Gharghan, S.K. Free Battery-based Energy Harvesting Techniques for Medical Devices. IOP Conf. Ser. Mater. Sci. Eng. 2020, 745, 1–17. [Google Scholar] [CrossRef]
- Aroganam, G.; Manivannan, N.; Harrison, D. Review on wearable technology sensors used in consumer sport applications. Sensors 2019, 19, 1983. [Google Scholar] [CrossRef] [PubMed]
- Wang, C.-C.; Chen, P.-C.; Hsueh, Y.-H.; Pan, C.-T.; Yen, C.-K.; Lee, T.-J.; Hizon, J.R. A PVDF-film energy harvesting circuit using 40-nm CMOS process. In Proceedings of the 2020 2nd International Conference on Smart Power & Internet Energy Systems (SPIES), Bangkok, Thailand, 15–18 September 2020. [Google Scholar]
- Khalid, S.; Raouf, I.; Khan, A.; Kim, N.; Kim, H.S. A Review of Human-Powered Energy Harvesting for Smart Electronics: Recent Progress and Challenges. Int. J. Precis. Eng. Manuf.-Green Technol. 2019, 6, 821–851. [Google Scholar] [CrossRef]
- Iqbal, M.; Nauman, M.M.; Khan, F.U.; Abas, P.E.; Cheok, Q.; Iqbal, A.; Aissa, B. Multimodal Hybrid Piezoelectric-Electromagnetic Insole Energy Harvester Using PVDF Generators. Electronics 2020, 9, 635. [Google Scholar] [CrossRef]
- Jeong, S.Y.; Cho, J.Y.; Hong, S.D.; Hwang, W.; Jabbar, H.; Ahn, J.H.; Jhun, J.P.; Sung, T.H. Self-Powered Operational Amplifying System with a Bipolar Voltage Generator Using a Piezoelectric Energy Harvester. Electronics 2020, 9, 41. [Google Scholar] [CrossRef]
- Fernandez, E.O.; Gobres, E.R.; Thio-ac, A.C.; Jandumon, M.S.; Ong, C.L.G.; Perez, R.B.; Ramos, P.G. Design Optimization of Low Power Wind Belt Electric Generator using Piezoelectric Transducer. In Proceedings of the 2018 IEEE 10th International Conference on Humanoid, Nanotechnology, Information Technology, Communication and Control, Environment and Management (HNICEM), Baguio City, Philippines, 29 November–2 December 2018. [Google Scholar]
- Oh, T.; Islam, S.K.; Mahfouz, M.; To, G. A Low-Power CMOS Piezoelectric Transducer Based Energy Harvesting Circuit for Wearable Sensors for Medical Applications. J. Low Power Electron. Appl. 2017, 7, 33. [Google Scholar] [CrossRef]
- Zhao, J.; You, Z. A Shoe-Embedded Piezoelectric Energy Harvester for Wearable Sensors. Sensors 2014, 14, 12497–12510. [Google Scholar] [CrossRef] [PubMed]
- Cepenas, M.; Peng, B.; Andriukaitis, D.; Ravikumar, C.; Markevicius, V.; Dubauskiene, N.; Navikas, D.; Valinevicius, A.; Zilys, M.; Merfeldas, A.; et al. Research of PVDF Energy Harvester Cantilever Parameters for Experimental Model Realization. Electronics 2020, 9, 2030. [Google Scholar] [CrossRef]
- Caliò, R.; Rongala, U.B.; Camboni, D.; Milazzo, M.; Stefanini, C.; De Petris, G.; Oddo, C.M. Piezoelectric Energy Harvesting Solutions. Sensors 2014, 14, 4755–4790. [Google Scholar] [CrossRef] [PubMed]
- Pillatsch, P.; Yeatman, E.M.; Holmes, A.S.; Wright, P.K. Wireless power transfer system for a human motion energy harvester. Sens. Actuators A Phys. 2016, 244, 77–85. [Google Scholar] [CrossRef]
- Fan, S.; Zheng, X.-Q.; Wei, R.; Pulskamp, J.S.; Rudy, R.; Polcawich, R.G.; Feng, P.X.-L. mm-scale and MEMS piezoelectric energy harvesters powering on-chip cmos temperature sensing for IoT applications. In Proceedings of the IEEE 2017 19th International Conference on Solid-State Sensors, Actuators and Microsystems (TRANSDUCERS), Kaohsiung, Taiwan, 18–22 June 2017. [Google Scholar]
- Mahbub, I.; Oh, T.; Shamsir, S.; Islam, S.K.; Pullano, S.A.; Fiorillo, A.S. Design of a pyroelectric charge amplifier and a piezoelectric energy harvester for a novel non-invasive wearable and self-powered respiratory monitoring system. In Proceedings of the 2017 IEEE Region 10 Humanitarian Technology Conference (R10-HTC), Dhaka, Bangladesh, 21–23 December 2017. [Google Scholar]
- Mostafa, M.G.; Motakabber, S.M.A.; Ibrahimy, M.I. Design and analysis of a buck-boost converter circuit for piezoelectric energy harvesting system. In Proceedings of the 2016 International Conference on Computer and Communication Engineering (ICCCE), Kuala Lumpur, Malaysia, 26–27 July 2016. [Google Scholar]
- Aktakka, E.E.; Najafi, K. A micro inertial energy harvesting platform with self-supplied power management circuit for autonomous wireless sensor nodes. IEEE J. Solid State Circ. 2014, 49, 2017–2029. [Google Scholar] [CrossRef]
- Rao, Y.; Arnold, D.P. An input-powered vibrational energy harvesting interface circuit with zero standby power. IEEE Trans. Power Electron. 2011, 26, 3524–3533. [Google Scholar] [CrossRef]
- Vatansever, D.; Hadimani, R.L.; Shah, T.; Siores, E. An investigation of energy harvesting from renewable sources with PVDF and PZT. Smart Mater. Struct. 2011, 20, 1–6. [Google Scholar] [CrossRef]
- Weng, P.S.; Tang, H.Y.; Ku, P.C.; Lu, L.H. 50 mV-input batteryless boost converter for thermal energy harvesting. IEEE J. Solid State Circ. 2013, 48, 1031–1041. [Google Scholar] [CrossRef]
- Baker, R.J. CMOS: Circuit Design, Layout, and Simulation, 4th ed.; John Wiley & Sons: Hoboken, NJ, USA, 2019; pp. 523–528. [Google Scholar]
- Wang, J. Design of a Boost DC-DC Converter for Energy Harvesting Applications in 40 nm CMOS Process. Master’s Thesis, Delft University of Technology, Delft, The Netherlands, 2014. [Google Scholar]
- Teh, Y.K.; Mok, P.K. A piezoelectric energy harvesting interface circuit using one-shot pulse transformer boost converter based on water bucket fountain strategy. In Proceedings of the 2014 IEEE International Symposium on Circuits and Systems (ISCAS), Melbourne, Australia, 1–5 June 2014. [Google Scholar]




















| [13] | [8] | [14] | [15] | [16] | [17] | This work | |
|---|---|---|---|---|---|---|---|
| Year | 2017 | 2017 | 2017 | 2016 | 2014 | 2011 | 2021 |
| Type | PZT | Vibrational | PVDF | Piezoelectric | PZT | Vibrational | PVDF |
| Process | 0.5 μm | 130 nm | 130 nm | PSpice | 0.18 μm | 0.5 μm | 40 nm |
| PVDF voltage | 0.51 V | 0.704 V | 0.703 V | 0.54 V | 1 V | 1 V | 0.12 V |
| Vout | 3 V | 0.694 V | 0.694 V | 3.3 V | 1.8 V | 3 V | 1 V |
| Pout | N.A. | 10.7 μW | 11.1 μW | 57 mW | 55 μW | 3.9 mW | 4.2 mW |
| Ripple | 40 mV | N.A. | N.A. | N.A. | N.A. | N.A. | 3 mV |
| Pump gain | 5.88 | 0.987 | 0.987 | 6.11 | 1.80 | 3 | 8.33 |
Publisher’s Note: MDPI stays neutral with regard to jurisdictional claims in published maps and institutional affiliations. |
© 2021 by the authors. Licensee MDPI, Basel, Switzerland. This article is an open access article distributed under the terms and conditions of the Creative Commons Attribution (CC BY) license (http://creativecommons.org/licenses/by/4.0/).
Share and Cite
Wang, C.-C.; Tolentino, L.K.S.; Chen, P.-C.; Hizon, J.R.E.; Yen, C.-K.; Pan, C.-T.; Hsueh, Y.-H. A 40-nm CMOS Piezoelectric Energy Harvesting IC for Wearable Biomedical Applications. Electronics 2021, 10, 649. https://doi.org/10.3390/electronics10060649
Wang C-C, Tolentino LKS, Chen P-C, Hizon JRE, Yen C-K, Pan C-T, Hsueh Y-H. A 40-nm CMOS Piezoelectric Energy Harvesting IC for Wearable Biomedical Applications. Electronics. 2021; 10(6):649. https://doi.org/10.3390/electronics10060649
Chicago/Turabian StyleWang, Chua-Chin, Lean Karlo S. Tolentino, Pin-Chuan Chen, John Richard E. Hizon, Chung-Kun Yen, Cheng-Tang Pan, and Ya-Hsin Hsueh. 2021. "A 40-nm CMOS Piezoelectric Energy Harvesting IC for Wearable Biomedical Applications" Electronics 10, no. 6: 649. https://doi.org/10.3390/electronics10060649
APA StyleWang, C.-C., Tolentino, L. K. S., Chen, P.-C., Hizon, J. R. E., Yen, C.-K., Pan, C.-T., & Hsueh, Y.-H. (2021). A 40-nm CMOS Piezoelectric Energy Harvesting IC for Wearable Biomedical Applications. Electronics, 10(6), 649. https://doi.org/10.3390/electronics10060649

