On-Chip Voltage-Controlled Oscillator Based on a Center-Tapped Switched Inductor Using GaN-on-SiC HEMT Technology
Abstract
:1. Introduction
2. Circuit Design
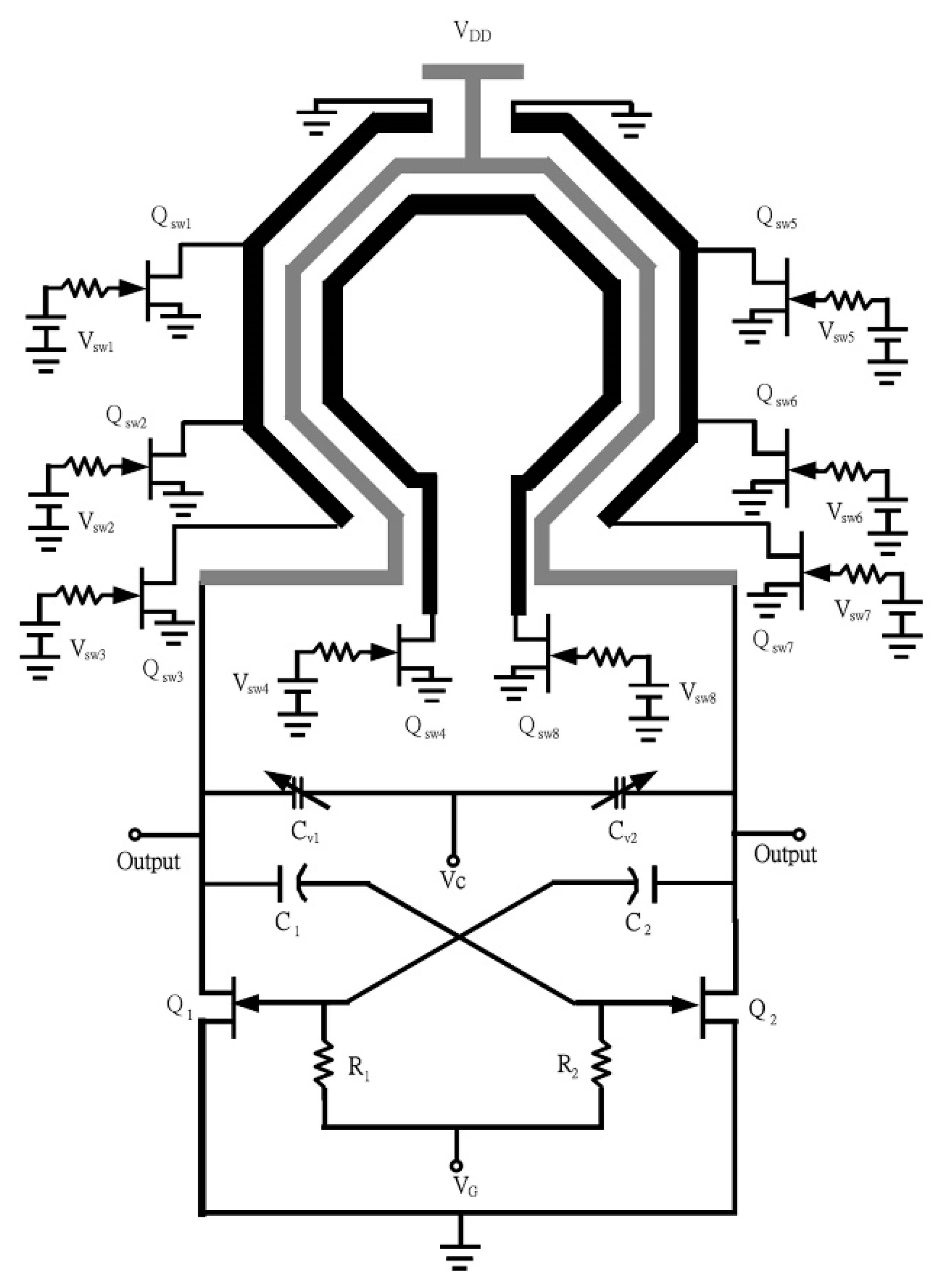
2.1. Switched Inductor
2.2. Design of Switched-Inductor VCO
3. Results and Discussion
4. Conclusions
Funding
Data Availability Statement
Acknowledgments
Conflicts of Interest
References
- Hejazi, A.; Pu, Y.; Lee, K.-Y. A Design of Wide-Range and Low Phase Noise Linear Transconductance VCO with 193.76 dBc/Hz FoMT for mm-Wave 5G Transceivers. Electronics 2020, 9, 935. [Google Scholar] [CrossRef]
- Mghabghab, S.R.; Nanzer, J.A. Impact of VCO and PLL Phase Noise on Distributed Beamforming Arrays with Periodic Synchronization. IEEE Access 2021, 9, 56578–56588. [Google Scholar] [CrossRef]
- Florian, C.; Traverso, P.A.; Santarelli, A. Ka-Band MMIC LNA in GaN-on-Si 100-nm Technology for High Dynamic Range Radar Receivers. IEEE Microw. Wirel. Compon. Lett. 2021, 31, 161–164. [Google Scholar] [CrossRef]
- Kong, C.; Li, H.; Chen, X.; Jiang, S.; Zhou, J.; Chen, C. Monolithic AlGaN/GaN HEMT VCO Using BST Thin-Film Varactor. IEEE Trans. Microw. Theory Tech. 2012, 60, 3413–3419. [Google Scholar] [CrossRef]
- Liu, H.; Zhou, X.; Boon, C.C.; Yi, X.; Mao, M.; Yang, W. Design of Ultra-Low Phase Noise and High Power Integrated Oscillator in GaN-on-SiC HEMT Technology. IEEE Microw. Wirel. Compon. Lett. 2014, 24, 120–122. [Google Scholar] [CrossRef]
- Lai, S.; Kuylenstirena, D.; Özen, M.; Hörberg, M.; Rorsman, N.; Angelov, I.; Zirath, H. Low Phase Noise GaN HEMT Oscillators with Excellent Figures of Merit. IEEE Microw. Wirel. Compon. Lett. 2014, 24, 412–414. [Google Scholar] [CrossRef]
- Kaper, V.; Thompson, R.; Prunty, T.; Shealy, J.R. X-band AlGaN/GaN HEMT MMIC voltage-controlled oscillator. In Proceedings of the 11th Gallium Arsenide applications Symposium, Munich, Germany, 6–7 October 2003; pp. 45–48. [Google Scholar]
- Thanh, N.T.D.; Lai, S.; Hörberg, M.; Zirath, H.; Kuylenstierna, D. A MMIC GaN HEMT voltage-controlled-oscillator with high tuning linearity and low phase noise. In Proceedings of the 2015 IEEE Compound Semiconductor Integrated Circuit Symposium, New Orleans, LA, USA, 11–14 October 2015. [Google Scholar]
- Jang, S.-L.; Chang, Y.-H.; Lai, W.-C. A feedback GaN HEMT oscillator. In Proceedings of the 2018 International Conference on Microwave and Millimeter Wave Technology, Chengdu, China, 7–11 May 2018. [Google Scholar]
- Chuang, C.-C.; Chiou, H.-K. A low phase noise X band class E power VCO in 0.25 μm GaN/SiC technology. In Proceedings of the 2021 IEEE International Symposium on Radio-Frequency Integration Technology, Hualien, Taiwan, 25–27 August 2021. [Google Scholar]
- Mukhopadhyay, R.; Lee, C.-H.; Laskar, J. A 580-μW 1.8–6 GHz Multiband Switched-Resonator SiGe VCO with 0.3-V Supply Voltage. IEEE Microw. Wirel. Compon. Lett. 2007, 17, 793–795. [Google Scholar] [CrossRef]
- Jang, S.-L.; Huang, J.-F.; Lin, Y.-S.; Chang, C.-W. Switched inductor dual-band CMOS cross-coupled VCO. Analog Integr. Circuits Signal Process. 2013, 74, 527–532. [Google Scholar] [CrossRef]
- Vigilante, M.; Reynaert, P. A Dual-band E-band quadrature VCO with switched coupled transformers in 28nm HPM bulk CMOS. In Proceedings of the 2015 IEEE Radio Frequency Integrated Circuits Symposium, Phoenix, AZ, USA, 17–19 May 2015. [Google Scholar]
- Basaligheh, A.; Saffari, P.; Filanovsky, I.M.; Moez, K. A 65–81 GHz CMOS Dual-Mode VCO Using High Quality Factor Transformer-Based Inductors. IEEE Trans. Microw. Theory Tech. 2020, 67, 4533–4543. [Google Scholar] [CrossRef]
- Chen, Z.; Che, J.-X.; Yan, P.; Hou, D.; Zhu, F. K-Band Low Phase Noise VCO Based on Q-Boosted Switched Inductor. Electronics 2019, 8, 1132. [Google Scholar] [CrossRef] [Green Version]
- Fei, W.; Yu, H.; Fu, H.; Ren, J.; Yeo, K.S. Design and Analysis of Wide Frequency-Tuning-Range CMOS 60 GHz VCO by Switching Inductor Loaded Transformer. IEEE Trans. Circuits Syst. I 2014, 61, 699–711. [Google Scholar] [CrossRef]
- Lu, T.-Y.; Yu, C.-Y.; Chen, W.-Z.; Wu, C.-Y. Wide Tunning Range 60 GHz VCO and 40 GHz DCO Using Single Variable Inductor. IEEE Trans. Circuits Syst. I 2013, 60, 257–267. [Google Scholar] [CrossRef]
- Leeson, D.B. A simple model of feedback oscillator noise spectrum. Proc. IEEE 1966, 54, 329–330. [Google Scholar] [CrossRef] [Green Version]
- Jang, S.-L.; Chang, Y.-H.; Chiou, J.-S.; Lai, W.-C. A single GaN HEMT oscillator with four-path inductors. In Proceedings of the 2018 International Symposium on Next-Generation Electronics, Taipei, Taiwan, 7–9 May 2018. [Google Scholar]
- Kim, D.; Jeon, S. W- and G-Band GaN Voltage-Controlled Oscillators with High Output Power and High Efficiency. IEEE Trans. Microw. Theory Tech. 2021, 69, 3908–3916. [Google Scholar] [CrossRef]









| Mode | QSW1/QSW5 | QSW2/QSW6 | QSW3/QSW7 | QSW4/QSW8 |
|---|---|---|---|---|
| Mode 1 | OFF | OFF | OFF | OFF |
| Mode 2 | ON | OFF | OFF | OFF |
| Mode 3 | OFF | ON | OFF | OFF |
| Mode 4 | OFF | OFF | ON | OFF |
| Mode 5 | OFF | OFF | OFF | ON |
| Mode 6 | OFF | OFF | ON | ON |
| Ref. | Technology | f0 (GHz) | Tuning Range (%) | PN @ 1MHz (dBc/Hz) | Pout (dBm) | FOMT |
|---|---|---|---|---|---|---|
| [7] | 0.15 μm HEMT GaN-on-SiC | 9 | 1 GHz (11.1%) | −101 | 20.2 | −174 |
| [9] | 0.25 μm HEMT GaN-on-SiC | 7.28 | 400 MHz (5.5%) | −122.5 | 1.06 | −182.9 |
| [10] | 0.25 μm HEMT GaN-on-SiC * | 7 | 1.1 GHz (15.7%) | −132 | 27.9 | −179.1 |
| [19] | 0.25 μm HEMT GaN-on-SiC | 2.66 | 145 MHz (5.6 %) | −129 | 17.55 | −177.9 |
| This Work | 0.5 μm HEMT GaN-on-SiC | 4.42 | 1.23 GHz (27.8%) | −119.17 | 20.9 | −186.9 |
Publisher’s Note: MDPI stays neutral with regard to jurisdictional claims in published maps and institutional affiliations. |
© 2021 by the author. Licensee MDPI, Basel, Switzerland. This article is an open access article distributed under the terms and conditions of the Creative Commons Attribution (CC BY) license (https://creativecommons.org/licenses/by/4.0/).
Share and Cite
Kao, H.-L. On-Chip Voltage-Controlled Oscillator Based on a Center-Tapped Switched Inductor Using GaN-on-SiC HEMT Technology. Electronics 2021, 10, 2928. https://doi.org/10.3390/electronics10232928
Kao H-L. On-Chip Voltage-Controlled Oscillator Based on a Center-Tapped Switched Inductor Using GaN-on-SiC HEMT Technology. Electronics. 2021; 10(23):2928. https://doi.org/10.3390/electronics10232928
Chicago/Turabian StyleKao, Hsuan-Ling. 2021. "On-Chip Voltage-Controlled Oscillator Based on a Center-Tapped Switched Inductor Using GaN-on-SiC HEMT Technology" Electronics 10, no. 23: 2928. https://doi.org/10.3390/electronics10232928
APA StyleKao, H.-L. (2021). On-Chip Voltage-Controlled Oscillator Based on a Center-Tapped Switched Inductor Using GaN-on-SiC HEMT Technology. Electronics, 10(23), 2928. https://doi.org/10.3390/electronics10232928
