2D Omni-Directional Wireless Power Transfer Modeling for Unmanned Aerial Vehicles with Noncollaborative Charging System Control
Abstract
:1. Introduction
2. Mathematical Analysis of 2D WPT System
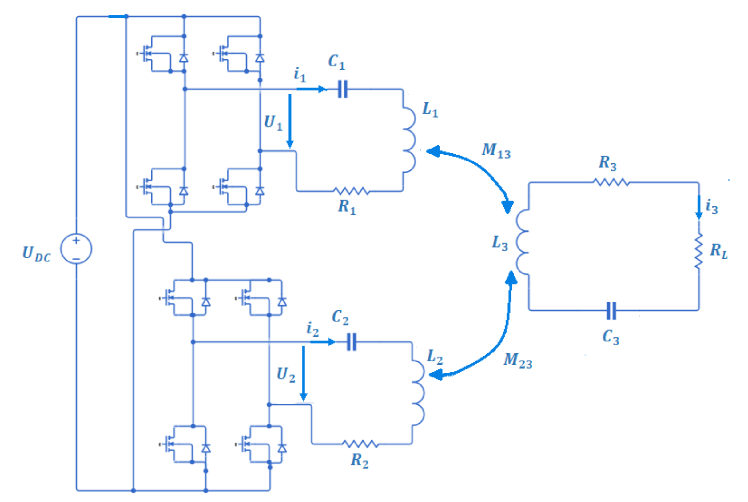
2.1. System Modeling
2.2. Deriving the Mutual Coupling Functions and in Terms of the Rotational Angle α of the Receiver
2.3. The 2D Angular Input Power Calculation
3. Methodology and Implementation
3.1. The Extremum Seeking Control Implementation for 2D WPT System
3.2. The Impact of Receiver Distance Variation on ES Controller
4. Results and Benchmarking
4.1. Results and Benchmarking for the ESC Method in 2D WPT System
4.2. Results and Benchmarking for the ESC Method under Distance Variation
4.3. Discussion of Proposed WPT System Operational Scenarios and Its Limitations
5. Conclusions
Author Contributions
Funding
Conflicts of Interest
References
- Cetinkaya, O.; Balsamo, D.; Merrett, G.V. Internet of MIMO Things: UAV-Assisted Wireless-Powered Networks for Future Smart Cities. IEEE Internet Things Mag. 2020, 3, 8–13. [Google Scholar] [CrossRef]
- Rabello, A.; Brito, R.C.; Favarim, F.; Weitzenfeld, A.; Todt, E. Mobile System for Optimized Planning to Drone Flight applied to the Precision Agriculture. In Proceedings of the 2020 3rd International Conference on Information and Computer Technologies (ICICT), San Jose, CA, USA, 9–12 March 2020; pp. 12–16. [Google Scholar]
- Xiao, W.; Li, M.; Alzahrani, B.; Alotaibi, R.; Barnawi, A.; Ai, Q. A Blockchain-Based Secure Crowd Monitoring System Using UAV Swarm. IEEE Netw. 2021, 35, 108–115. [Google Scholar] [CrossRef]
- Vahidi, V.; Saberinia, E.; Morris, B.T. OFDM Performance Assessment for Traffic Surveillance in Drone Small Cells. IEEE Trans. Intell. Transp. Syst. 2019, 20, 2869–2878. [Google Scholar] [CrossRef]
- Busnel, Y.; Caillouet, C.; Coudert, D. Self-Organized Disaster Management System by Distributed Deployment of Connected UAV. In Proceedings of the 2019 International Conference on Information and Communication Technologies for Disaster Management (ICT-DM), Paris, France, 18–20 December 2019. [Google Scholar]
- Wu, J.; Dai, X.; Gao, R.; Jiang, J. A Coupling Mechanism With Multidegree Freedom for Bidirectional Multistage WPT System. IEEE Trans. Power Electron. 2021, 36, 1376–1387. [Google Scholar] [CrossRef]
- Tian, X.; Chau, K.T.; Liu, W.; Lee, C.H.T. Analysis of Multi-Coil Omnidirectional Energy Harvester. IEEE Trans. Magn. 2021, 57, 1–6. [Google Scholar] [CrossRef]
- Rong, C.; He, X.; Liu, M.; Wang, Y.; Liu, X.; Lu, C.; Zeng, Y.; Liu, R. Omnidirectional Free-Degree Wireless Power Transfer System Based on Magnetic Dipole Coils for Multiple Receivers. IEEE Access 2021, 9, 81588–81600. [Google Scholar] [CrossRef]
- Han, H.; Mao, Z.; Zhu, Q.; Su, M.; Hu, A.P. A 3D Wireless Charging Cylinder With Stable Rotating Magnetic Field for Multi-Load Application. IEEE Access 2019, 7, 35981–35997. [Google Scholar] [CrossRef]
- Feng, J.; Li, Q.; Lee, F.C.; Fu, M. Transmitter Coils Design for Free-Positioning Omnidirectional Wireless Power Transfer System. IEEE Trans. Ind. Inform. 2019, 15, 4656–4664. [Google Scholar] [CrossRef]
- Zhang, Z.; Zhang, B.; Tong, R.; Ai, W.; Chang, S.; Wang, J. Optimal Design of Quadrature-Shaped Pickup for Omnidirectional Wireless Power Transfer. IEEE Trans. Magn. 2018, 54, 1. [Google Scholar] [CrossRef]
- Kisseleff, S.; Akyildiz, I.F.; Gerstacker, W. Beamforming for magnetic induction based wireless power transfer systems with multiple receivers. In Proceedings of the 2015 IEEE Global Communications Conference (GLOBECOM), San Diego, CA, USA, 6–10 December 2015; pp. 1–7. [Google Scholar]
- Wang, H.; Zhang, C.; Yang, Y.; Liang, H.W.R.; Hui, S.Y.R. A Comparative Study on Overall Efficiency of Two-Dimensional Wireless Power Transfer Systems Using Rotational and Directional Methods. IEEE Trans. Ind. Electron. 2022, 69, 260–269. [Google Scholar] [CrossRef]
- Lim, Y.; Park, J. A Novel Phase Control based Energy Beamforming Techniques in Non-radiative Wireless Power Transfer. IEEE Trans. Power Electron. 2014, 30, 1. [Google Scholar] [CrossRef]
- Lin, D.; Zhang, C.; Hui, S.Y.R. Mathematic Analysis of Omnidirectional Wireless Power Transfer—Part-II Three-Dimensional Systems. IEEE Trans. Power Electron. 2016, 32, 613–624. [Google Scholar] [CrossRef]
- Zhang, C.; Lin, D.; Hui, S.Y. Basic Control Principles of Omni-Directional Wireless Power Transfer. IEEE Trans. Power Electron. 2015, 31, 1. [Google Scholar] [CrossRef]
- Lin, D.; Zhang, C.; Hui, S.Y.R. Mathematical Analysis of Omnidirectional Wireless Power Transfer—Part-I: Two-Dimensional Systems. IEEE Trans. Power Electron. 2016, 32, 625–633. [Google Scholar] [CrossRef]
- Su, M.; Liu, Z.; Zhu, Q.; Hu, A.P. Study of Maximum Power Delivery to Movable Device in Omnidirectional Wireless Power Transfer System. IEEE Access 2018, 6, 76153–76164. [Google Scholar] [CrossRef]
- Lin, D.; Hui, S.Y.R.; Zhang, C. Omni-directional wireless power transfer systems using discrete magnetic field vector control. In Proceedings of the 2015 IEEE Energy Conversion Congress and Exposition (ECCE), Montreal, QC, Canada, 20–24 September 2015; pp. 3203–3208. [Google Scholar]
- Ariyur, K.B.; Krstić, M. Real-Time Optimization by Extremum-Seeking Control; Wiley: New York, NY, USA, 2003. [Google Scholar]
- Xu, C.; Zhuang, Y.; Song, C.; Huang, Y.; Zhou, J. Dynamic Wireless Power Transfer System With an Extensible Charging Area Suitable for Moving Objects. IEEE Trans. Microw. Theory Tech. 2021, 69, 1896–1905. [Google Scholar] [CrossRef]
- Babaki, A.; Vaez-Zadeh, S.; Zakerian, A.; Covic, G.A. Variable-Frequency Retuned WPT System for Power Transfer and Efficiency Improvement in Dynamic EV Charging With Fixed Voltage Characteristic. IEEE Trans. Energy Convers. 2021, 36, 2141–2151. [Google Scholar] [CrossRef]
- Dong, Z.; Li, X.; Liu, S.; Xu, Z.; Yang, L. A Novel All-Direction Antimisalignment Wireless Power Transfer System Designed by Truncated Region Eigenfunction Expansion Method. IEEE Trans. Power Electron. 2021, 36, 12456–12467. [Google Scholar] [CrossRef]
- Fendji, J.L.E.K.; Bayaola, I.K.; Thron, C.; Fendji, M.D.; Förster, A. Cost-Effective Placement of Recharging Stations in Drone Path Planning for Surveillance Missions on Large Farms. Symmetry 2020, 12, 1661. [Google Scholar] [CrossRef]



















| Extremum Seeking Control Parameters | Expression |
|---|---|
| Reductive relative degree factor | |
| High-pass filter | |
| Perturbation signal | |
| Proportional gain |
Publisher’s Note: MDPI stays neutral with regard to jurisdictional claims in published maps and institutional affiliations. |
© 2021 by the authors. Licensee MDPI, Basel, Switzerland. This article is an open access article distributed under the terms and conditions of the Creative Commons Attribution (CC BY) license (https://creativecommons.org/licenses/by/4.0/).
Share and Cite
Allama, O.; Habaebi, M.H.; Khan, S.; Elsheikh, E.A.A.; Suliman, F.E.M. 2D Omni-Directional Wireless Power Transfer Modeling for Unmanned Aerial Vehicles with Noncollaborative Charging System Control. Electronics 2021, 10, 2858. https://doi.org/10.3390/electronics10222858
Allama O, Habaebi MH, Khan S, Elsheikh EAA, Suliman FEM. 2D Omni-Directional Wireless Power Transfer Modeling for Unmanned Aerial Vehicles with Noncollaborative Charging System Control. Electronics. 2021; 10(22):2858. https://doi.org/10.3390/electronics10222858
Chicago/Turabian StyleAllama, Oussama, Mohamed Hadi Habaebi, Sheroz Khan, Elfatih A. A. Elsheikh, and Fakher Eldin M. Suliman. 2021. "2D Omni-Directional Wireless Power Transfer Modeling for Unmanned Aerial Vehicles with Noncollaborative Charging System Control" Electronics 10, no. 22: 2858. https://doi.org/10.3390/electronics10222858
APA StyleAllama, O., Habaebi, M. H., Khan, S., Elsheikh, E. A. A., & Suliman, F. E. M. (2021). 2D Omni-Directional Wireless Power Transfer Modeling for Unmanned Aerial Vehicles with Noncollaborative Charging System Control. Electronics, 10(22), 2858. https://doi.org/10.3390/electronics10222858

