Area-Efficient Universal Code Generator for GPS L1C and BDS B1C Signals
Abstract
:1. Introduction
2. Background
2.1. Signal Configuration
2.2. Legendre Sequence-Based PRN Code Generation
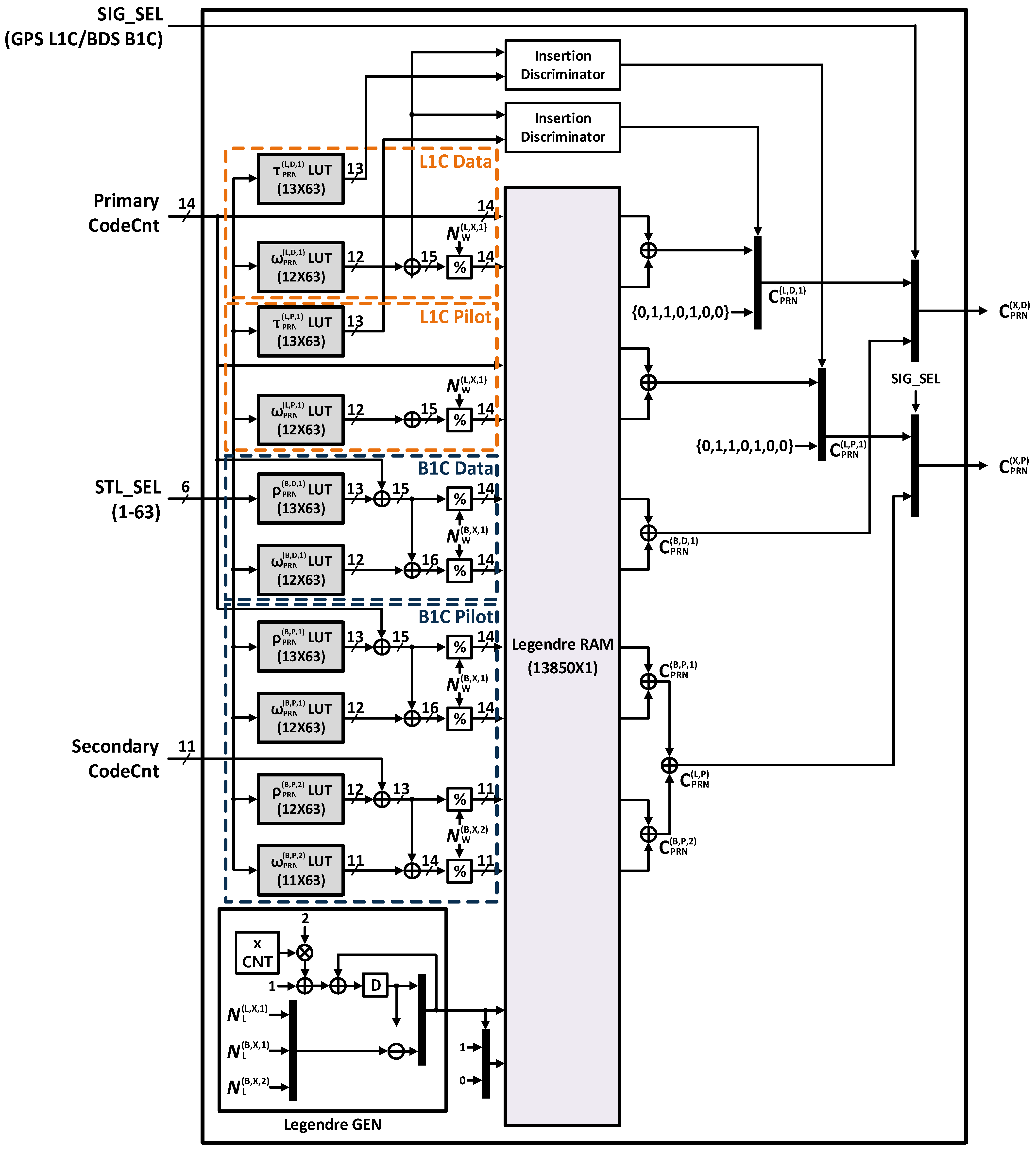
3. Previous Code Generator Structures
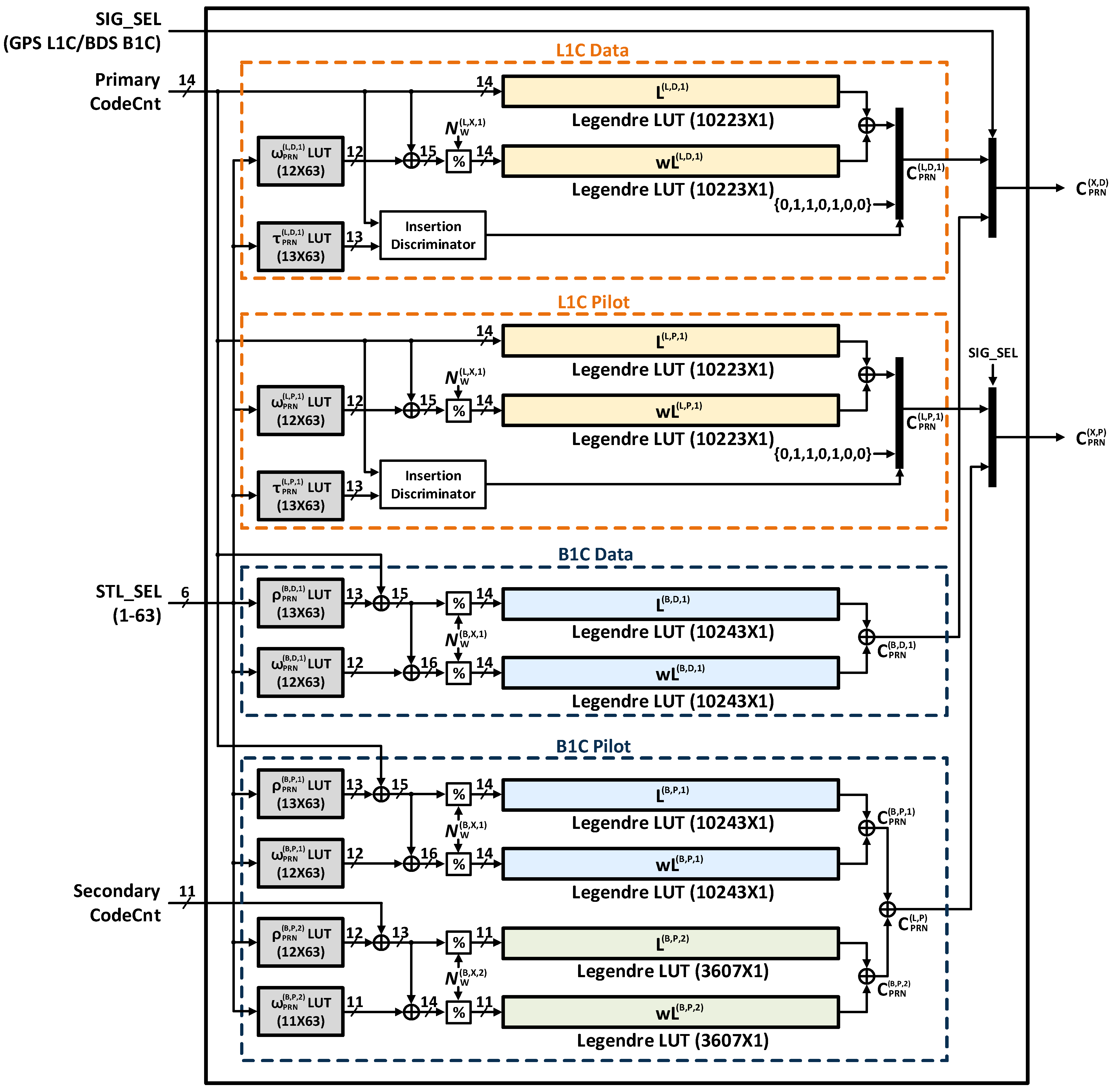
4. Proposed Area-Efficient Universal Code Generator
5. Experimental Results
6. Conclusions
Author Contributions
Funding
Institutional Review Board Statement
Informed Consent Statement
Data Availability Statement
Acknowledgments
Conflicts of Interest
References
- Manosas-Caballu, M.; Seco-Granados, G. Alternative Implementations of the GNSS Power-Based Capon Beamformer. IEEE Signal Process. Lett. 2021, 28, 1435–1439. [Google Scholar] [CrossRef]
- Carreno-Luengo, H.; Camps, A.; Ruf, C.; Floury, N.; Martin-Neira, M.; Wang, T.; Khalsa, S.J.; Clarizia, M.P.; Reynolds, J.; Johnson, J.; et al. The IEEE-SA Working Group on Spaceborne GNSS-R: Scene Study. IEEE Access 2021, 9, 89906–89933. [Google Scholar] [CrossRef]
- Tsui, J.B.-Y. Fundamentals of Global Positioning System Receivers: A Software Approach, 2nd ed.; John Wiley & Sons: New York, NY, USA, 2005; Volume 173. [Google Scholar]
- Interface Specification IS-GPS-800H. NAVSTAR GPS Space Segment/User Segment L1C Interfaces. Available online: https://www.gps.gov/technical/icwg/ (accessed on 28 July 2021).
- Galileo Open Service Signal-In-Space Interface Control Document. Available online: https://www.gsc-europa.eu/electronic-library/programme-reference-documents (accessed on 28 July 2021).
- Global Navigations Satellite System GLONASS. Navigational Radio Signal in Bands L1,L2. Available online: http://russianspacesystems.ru/wp-content/uploads/2016/08/ICD_GLONASS_eng_v5.1.pdf (accessed on 28 July 2021).
- BeiDou Navigation Satellite System Signal In Space Interface Control Document Open Service Signal. Available online: http://en.beidou.gov.cn/SYSTEMS/ICD/ (accessed on 28 July 2021).
- Cao, K.; Wang, L.; Li, B.; Ma, H. A Real-Time Phase Center Variation Compensation Algorithm for the Anti-Jamming GNSS Antennas. IEEE Access 2020, 8, 128705–128715. [Google Scholar] [CrossRef]
- Ceccato, M.; Formaggio, F.; Laurenti, N.; Tomasin, S. Generalized Likelihood Ratio Test for GNSS Spoofing Detection in Devices With IMU. IEEE Trans. Inf. Forensics Secur. 2021, 16, 3496–3509. [Google Scholar] [CrossRef]
- Bu, J.; Yu, K.; Qian, N.; Zuo, X.; Chang, J. Performance Assessment of Positioning Based on Multi-Frequency Multi-GNSS Observations: Signal Quality, PPP and Baseline Solution. IEEE Access 2020, 9, 5845–5861. [Google Scholar] [CrossRef]
- Hussain, A.; Ahmed, A.; Magsi, H.; Tiwari, R. Adaptive GNSS Receiver Design for Highly Dynamic Multipath Environments. IEEE Access 2020, 8, 172481–172497. [Google Scholar] [CrossRef]
- Fan, P.; Cui, X.; Zhao, S.; Liu, G.; Lu, M. A Two-Step Stochastic Hybrid Estimation for GNSS Carrier Phase Tracking in Urban Environments. IEEE Trans. Instrum. Meas. 2021, 70, 1–18. [Google Scholar] [CrossRef]
- Mikhaylova, O.K.; Korogodin, I.V.; Lipa, I.V. Universal ranging code generator of GNSS signals. In Proceedings of the 2020 International Youth Conference on Radio Electronics, Electrical and Power Engineering (REEPE), Moscow, Russia, 12–14 March 2020. [Google Scholar]
- Shivaramaiah, N.C.; Andrew, G.D. On the baseband hardware complexity of modernized GNSS receivers. In Proceedings of the Proceedings of 2010 IEEE International Symposium on Circuits and Systems, Paris, France, 30 May–2 June 2010. [Google Scholar]
- Fortin, M.-A.; Landry, R., Jr. Implementation strategies for a universal acquisition and tracking channel applied to real GNSS signals. Sensors 2016, 16, 624. [Google Scholar] [CrossRef] [PubMed] [Green Version]
- Yang, Y.; Ba, X.; Chen, J. A novel VLSI architecture for multi-constellation and multi-frequency GNSS acquisition engine. IEEE Access 2018, 7, 655–665. [Google Scholar] [CrossRef]
- Park, J.; Jo, G.; Kim, J.; Yoo, H. Area-Efficient On-the-Fly Code Generator for BDS B1C Receivers. In Proceedings of the 2021 International Conference on Electronics, Information, and Communication (ICEIC), Jeju, Korea, 31 January–3 February 2021. [Google Scholar]





| GNSS | Frequency Band a | Signal | Code Structure |
|---|---|---|---|
| GPS [4] | L1 | L1C/A | LFSR |
| L1C | Legendre sequence | ||
| L2 | L2C (L2CM/L2CL) | LFSR | |
| L5 | L5 I | LFSR | |
| L5 Q | LFSR | ||
| GALILEO [5] | E1 | E1 | Memory code |
| E5 | E5a (E5a-I/E5a-Q) | LFSR | |
| E5b (E5b-I/E5b-Q) | LFSR | ||
| GLONASS [6] | L1 | L1OF | LFSR |
| L1OC (L1OCd/L1OCp) | LFSR | ||
| L2 | L2OF | LFSR | |
| L2OC (L2OCp) | LFSR | ||
| L3 | L3OC (L3OCd/L3OCp) | LFSR | |
| BDS [7] | B1 | B1I | LFSR |
| L1 | B1C | Legendre sequence | |
| B2 | B2I | LFSR | |
| L5 | B2A (B2ad/B2ap) | LFSR | |
| B3 | B3I | LFSR |
| Signal Property | GPS L1C | BDS B1C |
|---|---|---|
| Frequency (MHz) | 1575.42 (L1) | 1575.42 (L1) |
| Modulation | TMBOC | QMBOC |
| Data code () | Plain code | Plain code |
| Pilot code () | Tiered code | Tiered code |
| Code rate (Mcps) | 1.023 | 1.023 |
| Code Property | GPS L1C | BDS B1C | ||||
|---|---|---|---|---|---|---|
| Channel | Data | Pilot | Data | Pilot | ||
| Code | Primary | Primary | Secondary | Primary | Primary | Secondary |
| Type | Legendre | Legendre | LFSR | Legendre | Legendre | Legendre |
| Code Length | 10,230 | 10,230 | 2047 | 10,230 | 10,230 | 1800 |
| Weil Length | 10,223 | 10,223 | - | 10,243 | 10,243 | 3607 |
| Legendre Length | 10,223 | 10,223 | - | 10,243 | 10,243 | 3607 |
| Phase difference | 1–5111 | 1–5111 | - | 1–5121 | 1–5121 | 1–1803 |
| Insertion Point | 1–10,223 | 1–10,223 | - | - | - | - |
| Truncation Point | - | - | - | 1–10,243 | 1–10,243 | 1–3607 |
| Notation | Meaning |
|---|---|
| GPS L1C signal | |
| BDS B1C signal | |
| Universal signals | |
| Pilot channel | |
| Data channel | |
| All channels | |
| Primary code | |
| Secondary code | |
| All codes |
| Metrics | MB UCG [14,15] | LG UCG [16] | WG UCG [17] | Proposed UCG |
|---|---|---|---|---|
| Operating frequency | 200 MHz | 200 MHz | 200 MHz | 200 MHz |
| Critical Path Delay | 4.91 ns | 4.92 ns | 4.93 ns | 4.92 ns |
| Equivalent Gate Count | 925K | 279K | 46K | 19K |
| Normalized EGC a | 100% | 30.1% | 4.97% | 2.05% |
| Max Additional CC b | 0 | 0 | 6924 CC | 6 CC |
| Throughput c | 200 Mbps | 200 Mbps | 200 Mbps | 33 Mbps |
Publisher’s Note: MDPI stays neutral with regard to jurisdictional claims in published maps and institutional affiliations. |
© 2021 by the authors. Licensee MDPI, Basel, Switzerland. This article is an open access article distributed under the terms and conditions of the Creative Commons Attribution (CC BY) license (https://creativecommons.org/licenses/by/4.0/).
Share and Cite
Park, J.; Kim, M.; Jo, G.; Yoo, H. Area-Efficient Universal Code Generator for GPS L1C and BDS B1C Signals. Electronics 2021, 10, 2737. https://doi.org/10.3390/electronics10222737
Park J, Kim M, Jo G, Yoo H. Area-Efficient Universal Code Generator for GPS L1C and BDS B1C Signals. Electronics. 2021; 10(22):2737. https://doi.org/10.3390/electronics10222737
Chicago/Turabian StylePark, Jiwoon, Minsu Kim, Gwanghee Jo, and Hoyoung Yoo. 2021. "Area-Efficient Universal Code Generator for GPS L1C and BDS B1C Signals" Electronics 10, no. 22: 2737. https://doi.org/10.3390/electronics10222737
APA StylePark, J., Kim, M., Jo, G., & Yoo, H. (2021). Area-Efficient Universal Code Generator for GPS L1C and BDS B1C Signals. Electronics, 10(22), 2737. https://doi.org/10.3390/electronics10222737

