Modeling and Analysis of PV System with Fuzzy Logic MPPT Technique for a DC Microgrid under Variable Atmospheric Conditions
Abstract
:1. Introduction
2. Literature Review
3. Mathematical Model of Solar PV and Fuel Cell
3.1. Modelling of Solar PV
3.2. FC Mathematical Model
3.2.1. Model Equations of FC
3.2.2. Continuity Equation
3.2.3. Momentum Conservation
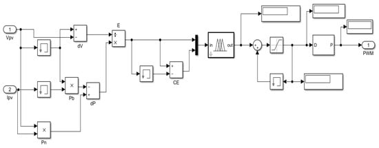
4. Fuzzy Logic Controller
5. DC Microgrid Simulink Model
6. Conclusions
Author Contributions
Funding
Conflicts of Interest
References
- Gandini, D.; de Almeida, A.T. Direct Current microgrids based on solar power systems and storage optimization, as a tool for cost-effective rural electrification. Renew. Energy 2017, 111, 275–283. [Google Scholar] [CrossRef]
- Kumar, L.V.S.; Kumar, G.V.N. Power conversion in renewable energy systems: A review advances in wind and PV system. Int. J. Energy Resour. 2017, 41, 182–197. [Google Scholar]
- Wai, R.J.; Wang, W.-H. Grid-connected photovoltaic generation system. IEEE Trans. Circuits Syst. 2008, 55, 953–964. [Google Scholar]
- Jedtberg, H.; Pigazo, A.; Liserre, M.; Buticchi, G. Analysis of the robustness of transformerless PV inverter topologies to the choice of power devices. IEEE Trans. Power Electron. 2017, 32, 5248–5257. [Google Scholar] [CrossRef]
- Xiao, H.F.; Zhang, L.; Li, Y. A zero-voltage-transition HERIC-type transformerless photovoltaic grid-connected inverter. IEEE Trans. Ind. Electron. 2017, 64, 1222–1232. [Google Scholar] [CrossRef]
- Ahmed, O.A.; Bleijs, J.A.M. Power Flow Control Methods for an Ultra capacitor Bidirectional Converter in DC Microgrids—A Comparative Study. Renew. Sustain. Energy Rev. 2013, 26, 727–738. [Google Scholar] [CrossRef]
- Cheng, Z.; Li, Z.; Li, S.; Gao, J.; Si, J.; Das, H.S.; Dong, W. A novel cascaded control to improve stability and inertia of parallel buck boost converters in DC microgrid. Electr. Power Energy Syst. 2020, 119, 105950. [Google Scholar] [CrossRef]
- Costano, L.; Vitelli, M. A Novel MPPT technique for single stage grid connected PV systems: T4S. Energies 2019, 12, 4501. [Google Scholar] [CrossRef] [Green Version]
- Khan, M.J.; Mathew, L. Fuzzy logic controller based MPPT for hybrid photo-voltaic/wind/fuel cell power system. Neural Comput. Appl. 2019, 31, 6331–6344. [Google Scholar] [CrossRef]
- Kharb, R.K.; Shimi, S.L.; Chatterji, S.; Ansari, M.F. Modeling of solar PV module and maximum power point tracking using ANFIS. Renew. Sustain. Energy Rev. 2014, 33, 602–612. [Google Scholar] [CrossRef]
- Gantharan, S.; Rengasamy, M.; Elavarasan, R.M.; Das, N.; Hossain, E.; Sundaram, V.M. A Novel Battery supported Energy Management System for the Effective Handling of Feeble Power in Hybrid Microgrid Environment. IEEE Access 2020, 8, 217391–217415. [Google Scholar] [CrossRef]
- Bayindir, R.; Hossain, E.; Kabalci, E.; Perez, R. A comprehensive study on microgrid technology. Int. J. Renew. Energy Res. 2014, 4, 1094–1107. [Google Scholar]
- Rezvani, A.; Gandomkar, M. Simulatiion and Control of intelligent photovoltaic system using new hybrid fuzzy-neural method. Neural Comput. Appl. 2017, 28, 2501–2518. [Google Scholar] [CrossRef]
- Rezvani, A.; Izadbakhsh, M.; Gandomkar, M. Enhancement of microgrid dynamic responses under fault conditions using artificial neural network for fast changes of photovoltaic radiation and FLC for wind turbine. Energy Syst. 2015, 6, 551–584. [Google Scholar] [CrossRef]
- Bielmann, M.; Vogt, U.F.; Zimmermann, M.; Züttel, A. Seasonal energy storage system based on hydrogen for self-sufficient livin. J. Power Sources 2011, 196, 4054–4060. [Google Scholar] [CrossRef]
- Zoulias, E.I.; Lymberopoulos, N. Techno-economic analysis of the integration of hydrogen energy technologies in renewable energy-based stand-alone power systems. Energy 2007, 32, 680–696. [Google Scholar] [CrossRef]
- Botzung, M.; Chaudourne, S.; Gillia, O.; Perret, C.; Latroche, M.; Percheron-Guegan, A.; Marty, P. Simulation and experimental validation of a hydrogen storage tank with metal hydrides. Int. J. Hydrog. Energy 2008, 33, 98–104. [Google Scholar] [CrossRef] [Green Version]
- Liu, Z.; Zhao, J.; Zou, Z. Impedance Modeling, dynamic Analysis and damping enhancement for DC Microgrid with multiple types of loads. Electr. Power Energy Syst. 2020, 122, 106183. [Google Scholar] [CrossRef]
- Liu, Z.; Su, M.; Sun, Y.; Yuan, W.; Han, H.; Feng, J. Existence and Stability of Equilibrium of DC Microgrid with Constant Power Load. IEEE Trans. Power Syst. 2018, 33, 6999–7010. [Google Scholar] [CrossRef] [Green Version]
- Srinivasan, M.; Kwasinski, A. Control analysis of parallel DC—DC converters in a microgrid with constant power loads. Electr. Power Energy Syst. 2020, 122, 106207. [Google Scholar] [CrossRef]
- Enany, M.A.; Farahat, M.A.; Nasr, A. Modeling and evaluation of main maximum power point tracking algorithms for Photovoltaic systems. Renew. Sustain. Energy Rev. 2016, 58, 1578–1586. [Google Scholar] [CrossRef]
- Danandeh, M.A.; Mousavi, G.S.M. Comparative and Comprehensive review of maximum power point tracking methods for PV cells. Renew. Sustain. Energy Rev. 2018, 82, 2743–2767. [Google Scholar] [CrossRef]
- Yilmaz, U.; Turksoy, O.; Teke, A. Improved MPPT method to increase accuracy and speed in photovoltaic systems under variable atmospheric conditions. Electr. Power Energy Syst. 2019, 113, 634–651. [Google Scholar] [CrossRef]
- Yilmaz, U.; Kircay, A.; Borekci, S. PV system fuzzy logic MPPT method and PI control as a charge controller. Renew. Sustain. Energy 2018, 81, 994–1001. [Google Scholar] [CrossRef]
- Silveira, A.M.; Araújo, R.E. A new approach for the diagnosis of different types of faults in dc–dc power converters based on inversion method. Electr. Power Syst. Res. 2020, 180, 106103. [Google Scholar] [CrossRef]
- Nansur, A.R.; Hermawan, A.S.L.; Murdianto, F.D. Constant Voltage control using FLC to overcome the Unstable output voltage of MPPT in DC Microgrid system. In Proceedings of the 2018 International Electronics Symposium on Engineering Technology and Applications (IES-ETA), Bali, Indonesia, 29–30 October 2018. [Google Scholar]
- Al Badwawi, R.; Issa, W.; Mallick, T.; Abusara, M. DC microgrid power coordination based on fuzzy logic control. In Proceedings of the 2016 18th European Conference on Power Electronics and Applications (EPE’16 ECCE Europe), Karlsruhe, Germany, 27 October 2016; pp. 1–10. [Google Scholar]
- Bharathi, G.; Kantharao, P.; Srinivasarao, R. Fuzzy Logic based coordination control of DC Microgrid and hybrid distributed generation. Int. J. Ambient. Energy 2021, 42, 1–17. [Google Scholar] [CrossRef]
- Wang, M.H.; Huang, M.-L.; Jiang, W.-J.; Liou, K.-J. Maximum Power Point Tracking Control method for proton exchange membrane fuel cell. IET Renew. Power Gener. 2016, 10, 908–915. [Google Scholar] [CrossRef]
- Ally, J.; Pryor, T. Life-cycle assessment of diesel, natural gas and hydrogen fuel cell bus transportation systems. J. Power Sources 2007, 170, 401–411. [Google Scholar] [CrossRef] [Green Version]
- Eid, A. Utility integration of PV-wind-fuel cell hybrid distribution generation systems under variable load demand. Electr. Power Energy Syst. 2014, 62, 689–699. [Google Scholar] [CrossRef]
- Venkateswari, R.; Sreejith, S. Factors influencing the efficiency of photovoltaic system. Renew. Sustain. Energy Rev. 2019, 101, 376–394. [Google Scholar] [CrossRef]
- Sundarabalan, C.K.; Puttagunta, Y.; Vignesh, V. Fuel Cell Integrated unified power quality conditioner for voltage and current reparation in four-wire distribution grid. IET Smart Grid 2019, 2, 60–68. [Google Scholar] [CrossRef]
- Daud, W.R.W.; Rosli, R.E.; Majlan, E.H.; Hamid, S.A.A.; Mohamed, R.; Husaini, T. PEM fuel cell system control: A review. Renew. Energy 2017, 113, 620–638. [Google Scholar] [CrossRef]
- Liu, H.; Chen, J.; Hissel, D.; Su, H. Short-term Prognostics of PEM Fuel Cells: A Comparative and Improvement Study. IEEE Trans. Ind. Electron. 2019, 66, 6077–6086. [Google Scholar] [CrossRef]
- Kyriakarakos, G.; Dounis, A.I.; Arvanitis, K.G.; Papadakis, G. A fuzzy logic energy management system for poly generation microgrids. Renew. Energy 2012, 41, 315–327. [Google Scholar] [CrossRef]
- Youssef, A.; El Telbany, M.; Zekry, A. Reconfigurable generic FPGA implementation of fuzzy logic controller for MPPT of PV systems. Renew. Sustain. Energy Rev. 2018, 82, 1313–1319. [Google Scholar] [CrossRef]
- García, P.; García, C.A.; Fernández, L.M.; Llorens, F.; Jurado, F. ANFIS-Based Control of a Grid-Connected System Integrating Renewable Energies, Hydrogen and Batteries. IEEE Trans. Ind. Inform. 2014, 10, 1107–1117. [Google Scholar] [CrossRef]
- Ozdemir, S.; Altin, N.; Sefa, I. Fuzzy Logic Based MPPT controller for high conversion ratio quadratic boost converter. Int. J. Hydrog. Energy 2017, 42, 17748–17759. [Google Scholar] [CrossRef]



















| Ref. No. | Year of Publication | Controller Proposed | Contribution of the Work |
|---|---|---|---|
| [10] | 2014 | ANFIS controller | • ANFIS controller shows better accuracy and fast response. |
| [19] | 2018 | Tarski fixed-point theorem | • The presence and stability of equilibrium of DC MGs with CPLs are investigated, as well as the necessary circumstances for their existence. |
| [20] | 2020 | Droop Control | • This article discusses the challenges of connecting sources with a wide voltage range, enabling any power source to be used. |
| [21] | 2016 | ANFIS controller | • Provides high accuracy, stability, and very fast tracking. |
| [23] | 2019 | FLC | • MPP’s tracking capacity has improved, while steady-state oscillations have decreased. |
| [24] | 2018 | Fuzzy logic MPPT with PI Controller | • Charges the battery with the proper current and voltage, reducing losses and extending the battery’s life cycle. |
| [25] | 2020 | FLC | • Fault detection and isolation in DC–DC power converter. |
| E(k) | NB | NM | NS | ZE | PS | PM | PB |
|---|---|---|---|---|---|---|---|
| ∆E(k) | |||||||
| NB | ZE | ZE | NS | NM | PM | PM | PB |
| NM | ZE | ZE | ZE | NS | PS | PM | PB |
| NS | ZE | ZE | ZE | ZE | PS | PM | PB |
| ZE | NB | NM | NM | ZE | PS | PM | PB |
| PS | PB | NM | NM | ZE | ZE | ZE | ZE |
| PM | NB | NM | NM | PS | ZE | ZE | ZE |
| PB | NB | NM | NM | PM | PS | ZE | ZE |
| Sources | Voltage (V) | ||
|---|---|---|---|
| Without MPPT | With MPPT (Triangular MF) | With MPPT (Trapezoidal MF) | |
| PV | 131.8 | 237.2 | 210.8 |
| FC | 40.08 | 80.80 | 78.64 |
Publisher’s Note: MDPI stays neutral with regard to jurisdictional claims in published maps and institutional affiliations. |
© 2021 by the authors. Licensee MDPI, Basel, Switzerland. This article is an open access article distributed under the terms and conditions of the Creative Commons Attribution (CC BY) license (https://creativecommons.org/licenses/by/4.0/).
Share and Cite
Subramanian, V.; Indragandhi, V.; Kuppusamy, R.; Teekaraman, Y. Modeling and Analysis of PV System with Fuzzy Logic MPPT Technique for a DC Microgrid under Variable Atmospheric Conditions. Electronics 2021, 10, 2541. https://doi.org/10.3390/electronics10202541
Subramanian V, Indragandhi V, Kuppusamy R, Teekaraman Y. Modeling and Analysis of PV System with Fuzzy Logic MPPT Technique for a DC Microgrid under Variable Atmospheric Conditions. Electronics. 2021; 10(20):2541. https://doi.org/10.3390/electronics10202541
Chicago/Turabian StyleSubramanian, Vasantharaj, Vairavasundaram Indragandhi, Ramya Kuppusamy, and Yuvaraja Teekaraman. 2021. "Modeling and Analysis of PV System with Fuzzy Logic MPPT Technique for a DC Microgrid under Variable Atmospheric Conditions" Electronics 10, no. 20: 2541. https://doi.org/10.3390/electronics10202541
APA StyleSubramanian, V., Indragandhi, V., Kuppusamy, R., & Teekaraman, Y. (2021). Modeling and Analysis of PV System with Fuzzy Logic MPPT Technique for a DC Microgrid under Variable Atmospheric Conditions. Electronics, 10(20), 2541. https://doi.org/10.3390/electronics10202541

