Modelling the Make Process of the Mineral Supply Chain Upstream Segment
Abstract
:1. Introduction
2. Research Aim and Methodology
3. Problem and Requirement
3.1. Explicate Problem
3.2. Define Requirement
3.2.1. The Exploration and Mining Business Reference Model (EM)
3.2.2. The Supply Chain Operation Reference Model (SCOR Model)
3.2.3. The Matching Process Technique between SCOR and EM Models
4. MiSCOR Design
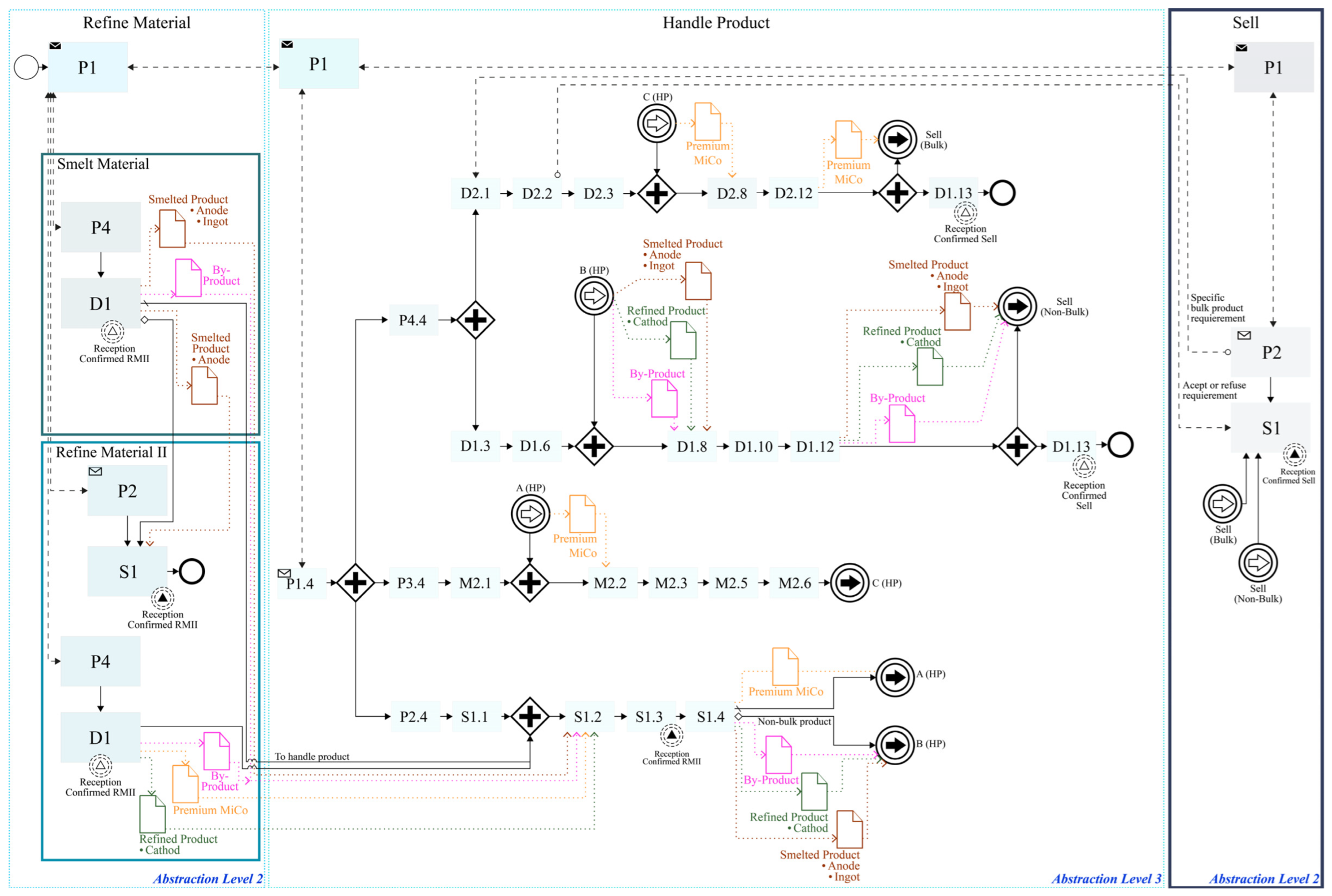
4.1. Highest Level Processes—Abstraction Level 1
4.2. Mid-Level Processes—Abstraction Level 2
4.3. Lowest Level Processes—Abstraction Level 3
5. MiSCOR Evaluation
6. Discussion
6.1. Design of MiSCOR
6.2. Evaluation of MiSCOR
6.3. Implication of MiSCOR for Decision-Makers
7. Conclusions
Author Contributions
Funding
Data Availability Statement
Acknowledgments
Conflicts of Interest
Appendix A
| N° | Project Name (Spanish) | Project Name (English *) | Submission |
|---|---|---|---|
| 1 | MP1 Inicio | MP1 Kickoff | Jun-1995 |
| 2 | Proyecto Expansión 110 KTPD Planta Concentradora | 110 KTPD Concentrator Plant Expansion Project | Mar-2001 |
| 3 | Proyecto Optimización | Optimization Project | Jun-2003 |
| 4 | Proyecto Recuperación de Molibdeno (Mo) desde Concentrados de Cobre (Cu) | Molybdenum (Mo) Recovery from Copper (Cu) Concentrates Project | Aug-2004 |
| 5 | Modificaciones al Proceso de Recuperación de Cu desde Minerales Lixiviables | Modifications to the Cu Recovery Process from Leachable Minerals | Oct-2004 |
| 6 | Proyecto Explotación Rajo Huinquintipa Este | Huinquintipa East Pit Exploitation Project | Mar-2005 |
| 7 | Proyecto Explotación Depósitos Huinquintipa Este Fases II y III | Exploitation Project Huinquintipa East Deposits Phases II-III | Dec-2006 |
| 8 | Modificación Mineroducto (e-seia) | Pipeline Modification | Feb-2007 |
| 9 | Proyecto Explotación Depósito Huinquintipa Este Fase IV | Exploitation Project Huinquintipa East Deposit Phase IV | Jun-2007 |
| 10 | Adecuación de Áreas de Lixiviación | Adequacy of Leaching Areas | Nov-2007 |
| 11 | Proyecto Planta Nanofiltración | Nanofiltration Plant Project | Dec-2007 |
| 12 | Socavón Rampa de Prospección Rosario | Rosario Prospecting Ramp Pit | Jun-2008 |
| 13 | Proyecto Optimización a 170 KTPD | Optimization Project to 170 KTPD | Aug-2009 |
| 14 | Explotación Rosario Sur I y II | Rosario Sur I and II Exploitation | Nov-2010 |
| 15 | Sondaje de Prospección Rosario Oeste | Rosario West Prospecting Drilling | Feb-2011 |
| 16 | Continuidad Relaves Convencionales, Depósito Pampa Pabellón | Continuity of Conventional Tailings, Pampa Pabellón Deposit | May-2014 |
| 17 | Aumento Capacidad Pad 1 | Pad 1 Capacity Increase | Feb-2015 |
| 18 | Instalaciones Complementarias para Alcanzar Tratamiento de 170 ktpd | Complementary Facilities to Reach Treatment of 170 ktpd | Sep-2017 |
| 19 | Desarrollo de Infraestructura y Mejoramiento de Capacidad Productiva | Infrastructure Development and Productive Capacity Upgrade | Jan-2019 |
References
- IEA. Net Zero by 2050: A Roadmap for the Global Energy Sector; IEA: Paris, Francia, 2021; Available online: https://www.iea.org/reports/net-zero-by-2050 (accessed on 23 February 2023).
- IEA. The Role of Critical Minerals in Clean Energy Transitions; IEA: Paris, Francia, 2021; Available online: https://www.iea.org/reports/the-role-of-critical-minerals-in-clean-energy-transitions (accessed on 23 February 2023).
- IEA. World Energy Outlook 2020; IEA: Paris, Francia, 2020; Available online: https://www.iea.org/reports/world-energy-outlook-2020 (accessed on 23 February 2023).
- Arroyo Ortiz, C.E.; Viana Júnior, E.M. Rare Earth Elements in the International Economic Scenario. Min. Min. 2014, 67, 361–366. [Google Scholar] [CrossRef]
- Sauer, P.C.; Seuring, S. Sustainable supply chain management for minerals. J. Clean. Prod. 2017, 151, 235–249. [Google Scholar] [CrossRef]
- Giese, E.C. Strategic minerals: Global challenges post-COVID-19. Extr. Ind. Soc. 2022, 12, 101113. [Google Scholar] [CrossRef]
- Wen, W.; Yang, S.; Zhou, P.; Gao, S.Z. Impacts of COVID-19 on the electric vehicle industry: Evidence from China. Renew. Sustain. Energy Rev. 2021, 144, 111024. [Google Scholar] [CrossRef]
- Mubarik, M.S.; Kusi-Sarpong, S.; Govindan, K.; Khan, S.A.; Oyedijo, A. Supply chain mapping: A proposed construct. Int. J. Prod. Res. 2021, 61, 2653–2669. [Google Scholar] [CrossRef]
- MacCarthy, B.L.; Ahmed, W.A.; Demirel, G. Mapping the supply chain: Why, what and how? Int. J. Prod. Econ. 2022, 250, 108688. [Google Scholar] [CrossRef]
- Sprecher, B.; Daigo, I.; Murakami, S.; Kleijn, R.; Vos, M.; Kramer, G.J. Framework for resilience in material supply chains, with a case study from the 2010 Rare Earth Crisis. Environ. Sci. Technol. 2015, 49, 6740–6750. [Google Scholar] [CrossRef] [PubMed]
- Mancheri, N.A.; Sprecher, B.; Bailey, G.; Ge, J.; Tukker, A. Effect of Chinese policies on rare earth supply chain resilience. Resour. Conserv. Recycl. 2019, 142, 101–112. [Google Scholar] [CrossRef]
- Lim-Camacho, L.; Jeanneret, T.; Hodgkinson, J.H. Towards resilient, responsive and rewarding mining: An adaptive value chains approach. Resour. Policy 2019, 74, 101465. [Google Scholar] [CrossRef]
- Makki, M.; Ali, S.H. Gemstone supply chains and development in Pakistan: Analyzing the post-Taliban emerald economy in the Swat Valley. Geoforum 2019, 100, 166–175. [Google Scholar] [CrossRef]
- Zeng, L.; Liu, S.Q.; Kozan, E.; Corry, P.; Masoud, M. A comprehensive interdisciplinary review of mine supply chain management. Resour. Policy 2021, 74, 102274. [Google Scholar] [CrossRef]
- Sauer, P.C.; Seuring, S. Extending the reach of multi-tier sustainable supply chain management—Insights from mineral supply chains. Int. J. Prod. Econ. 2019, 217, 31–43. [Google Scholar] [CrossRef]
- Budeba, M.D.; Joubert, J.W.; Webber-Youngman, R. Modelling and Determining the Technical Efficiency of a Surface Coal Mine Supply Chain. J. S. Afr. Inst. Min. Metall. 2014, 114, 1001–1008. [Google Scholar]
- Fettke, P.; Loos, P. Classification of Reference Models: A Methodology and its Application. Inf. Syst. E-Bus. Manag. 2003, 1, 35–53. [Google Scholar] [CrossRef]
- Fettke, P.; Loos, P. Perspectives on Reference Modeling. In Reference Modeling for Business Systems Analysis; Fettke, P., Loos, P., Eds.; IGI Global: Hershey, PA, USA, 2007; pp. 1–21. ISBN 9781599040547. [Google Scholar]
- Thomas, O. Understanding the Term Reference Model in Information Systems Research: History, Literature Analysis and Explanation. In Business Process Management Workshops; Hutchison, D., Kanade, T., Kittler, J., Kleinberg, J.M., Mattern, F., Mitchell, J.C., Naor, M., Nierstrasz, O., Pandu Rangan, C., Steffen, B., et al., Eds.; Springer: Berlin/Heidelberg, Germany, 2006; pp. 484–496. ISBN 978-3-540-32595-6. [Google Scholar]
- Georgise, F.B.; Wuest, T.; Thoben, K.-D. SCOR model application in developing countries: Challenges & requirements. Prod. Plan. Control. 2017, 28, 17–32. [Google Scholar] [CrossRef]
- APICS. Supply Chain Operations Reference Model: SCOR; APICS: Chicago, IL, USA, 2017. [Google Scholar]
- EMMM Forum. The Exploration and Mining Business Reference Model; EMMM Forum: Reading, UK, 2013. [Google Scholar]
- Johannesson, P.; Perjons, E. An Introduction to Design Science; Springer International Publishing: Cham, Germany, 2014; ISBN 978-3-319-10631-1. [Google Scholar]
- Gregor, S.; Hevner, A.R. Positioning and Presenting Design Science Research for Maximum Impact. MIS Q. 2013, 37, 337–355. [Google Scholar] [CrossRef]
- Grant, M.J.; Booth, A. A typology of reviews: An analysis of 14 review types and associated methodologies. Health Info. Libr. J. 2009, 26, 91–108. [Google Scholar] [CrossRef]
- Beheshti, S.-M.-R.; Benatallah, B.; Sakr, S.; Grigori, D.; Motahari-Nezhad, H.R.; Barukh, M.C.; Gater, A.; Ryu, S.H. Process Matching Techniques. In Process Analytics; Beheshti, S.-M.-R., Benatallah, B., Sakr, S., Grigori, D., Motahari-Nezhad, H.R., Barukh, M.C., Gater, A., Ryu, S.H., Eds.; Springer International Publishing: Cham, Germany, 2016; pp. 61–90. ISBN 978-3-319-25036-6. [Google Scholar]
- Ostrowski, L.; Helfert, M. Business Process Modelling in Design Science Paradigm. In Design Science: Perspectives from Europe; Helfert, M., Donnellan, B., Kenneally, J., Eds.; Springer International Publishing: Cham, Germany, 2014; pp. 111–122. ISBN 978-3-319-13935-7. [Google Scholar]
- Goel, K.; Bandara, W.; Gable, G. A Typology of Business Process Standardization Strategies. Bus. Inf. Syst. Eng. 2021, 63, 621–635. [Google Scholar] [CrossRef]
- Steinberg, J.G.; de Tomi, G. Lean mining: Principles for modelling and improving processes of mineral value chains. Int. J. Logist. Syst. Manag. 2010, 6, 279. [Google Scholar] [CrossRef]
- Nader, B.; Sachs, P.F.; de Tomi, G. The mine value chain integration beyond the ERP systems. Int. J. Min. Miner. Eng. 2011, 3, 233. [Google Scholar] [CrossRef]
- Soto-Viruet, Y.; Menzie, W.D.; Papp, J.F.; Yager, T.R. An Exploration in Mineral Supply Chain Mapping Using Tantalum as an Example; USGS: Reston, VA, USA, 2013. Available online: https://pubs.usgs.gov/of/2013/1239/pdf/ofr2013-1239.pdf (accessed on 1 November 2023).
- Agudelo, I. Supply Chain Management in the Cement Industry. Master’s Thesis, Massachusetts Institute of Technology, Cambridge, MA, USA, 2009. [Google Scholar]
- Lim-Camacho, L.; Plagányi, É.; Crimp, S.; Hodgkinson, J.H.; Hobday, A.J.; Howden, S.M.; Loechel, B. Complex resource supply chains display higher resilience to simulated climate shocks. Glob. Environ. Chang. 2017, 46, 126–138. [Google Scholar] [CrossRef]
- Sprecher, B.; Daigo, I.; Spekkink, W.; Vos, M.; Kleijn, R.; Murakami, S.; Kramer, G.J. Novel Indicators for the Quantification of Resilience in Critical Material Supply Chains, with a 2010 Rare Earth Crisis Case Study. Environ. Sci. Technol. 2017, 51, 3860–3870. [Google Scholar] [CrossRef] [PubMed]
- Mancheri, N.A.; Sprecher, B.; Deetman, S.; Young, S.B.; Bleischwitz, R.; Dong, L.; Kleijn, R.; Tukker, A. Resilience in the tantalum supply chain. Resour. Conserv. Recycl. 2018, 129, 56–69. [Google Scholar] [CrossRef]
- van den Brink, S.; Kleijn, R.; Sprecher, B.; Tukker, A. Identifying supply risks by mapping the cobalt supply chain. Resour. Conserv. Recycl. 2020, 156, 104743. [Google Scholar] [CrossRef]
- KEK, V.; Nadeem, S.P.; Ravichandran, M.; Ethirajan, M.; Kandasamy, J. Resilience strategies to recover from the cascading ripple effect in a copper supply chain through project management. Oper. Manag. Res. 2022, 15, 440–460. [Google Scholar] [CrossRef]
- Akbari-Kasgari, M.; Khademi-Zare, H.; Fakhrzad, M.B.; Hajiaghaei-Keshteli, M.; Honarvar, M. Designing a resilient and sustainable closed-loop supply chain network in copper industry. Clean Technol. Environ. Policy 2022, 24, 1553–1580. [Google Scholar] [CrossRef]
- Osborne, D.; Smith, G.; Mann, B. 18-Supply chain management for bulk materials in the coal industry. In The Coal Handbook: Towards Cleaner Production; Elsevier: Amsterdam, The Netherlands, 2013; pp. 589–627. ISBN 9780857094223. [Google Scholar]
- Osborne, D.; Dempsey, F. 19-Supply chain management for bulk materials in the coal industry. In The Coal Handbook, 2nd ed.; Elsevier: Amsterdam, The Netherlands, 2023; pp. 619–664. ISBN 9780128243282. [Google Scholar]
- Bjørndal, T.; Herrero, I.; Newman, A.; Romero, C.; Weintraub, A. Operations Research in the Natural Resource Industry. Int. Trans. Oper. Res. 2012, 19, 39–62. [Google Scholar] [CrossRef]
- Zuñiga, R.; Wuest, T.; Thoben, K.-D. Comparing mining and manufacturing supply chain processes: Challenges and requirements. Prod. Plan. Control 2015, 26, 81–96. [Google Scholar] [CrossRef]
- Zuñiga, R. Modeling of Supply Chain Processes of the Mineral Raw Materials Industry from the Perspective of EM, SCOR and DCOR Models. Ph.D. Thesis, Universität Bremen, Bremen, Germany, 2015. [Google Scholar]
- Leal Gomes Leite, J.M.; Arruda, E.F.; Bahiense, L.; Marujo, L.G. Modeling the integrated mine-to-client supply chain: A survey. Int. J. Min. Reclam. Environ. 2020, 34, 247–293. [Google Scholar] [CrossRef]
- Caro, R.; Epstein, R.; Santibañez, P.; Weintraub, A. An Integrated Approach to the Long-Term Planning Process in the Copper Mining Industry. In Handbook of Operations Research in Natural Resources; Weintraub, A., Romero, C., Bjørndal, T., Epstein, R., Miranda, J., Eds.; Springer US: Boston, MA, USA, 2007; pp. 595–609. ISBN 978-0-387-71814-9. [Google Scholar]
- Córdova, E.; Mobarec, V.; Pizarro, E.; Videla, A.R. A Structured Key Cost Analysis Methodology to Identify Value-Contributing Activities in Mining Projects: A case study of the Chuquicamata Underground Project. J. S. Afr. Inst. Min. Metall. 2018, 118, 279–288. [Google Scholar] [CrossRef]
- Fung, J.; Singh, G.; Zinder, Y. Capacity planning in supply chains of mineral resources. Inf. Sci. 2015, 316, 397–418. [Google Scholar] [CrossRef]
- Lèbre, É.; Corder, G. Integrating Industrial Ecology Thinking into the Management of Mining Waste. Resources 2015, 4, 765–786. [Google Scholar] [CrossRef]
- Lèbre, É.; Corder, G.; Golev, A. The Role of the Mining Industry in a Circular Economy: A Framework for Resource Management at the Mine Site Level. J. Ind. Ecol. 2017, 21, 662–672. [Google Scholar] [CrossRef]
- Lèbre, É.; Corder, G.D.; Golev, A. Sustainable practices in the management of mining waste: A focus on the mineral resource. Miner. Eng. 2017, 107, 34–42. [Google Scholar] [CrossRef]
- Castillo-Villagra, R.; Thoben, K.-D. Towards Supply Chain Resilience in Mining Industry: A Literature Analysis. In Dynamics in Logistics; Freitag, M., Kinra, A., Kotzab, H., Megow, N., Eds.; Springer International Publishing: Cham, Germany, 2022; pp. 92–103. ISBN 978-3-031-05358-0. [Google Scholar]
- APICS. Design Chain Operation Reference Model: DCOR; APICS: Chicago, IL, USA, 2014; Available online: http://www.apics.org/docs/default-source/scc-non-research/dcor-framework-a4.pdf?sfvrsn=2 (accessed on 23 February 2023).
- Huan, S.H.; Sheoran, S.K.; Wang, G. A review and analysis of supply chain operations reference (SCOR) model. Supply Chain Manag. Int. J. 2004, 9, 23–29. [Google Scholar] [CrossRef]
- Verdouw, C.N.; Beulens, A.; Trienekens, J.H.; van der Vorst, J. A framework for modelling business processes in demand-driven supply chains. Prod. Plan. Control 2011, 22, 365–388. [Google Scholar] [CrossRef]
- Darling, P. SME Mining Engineering Handbook, 3rd ed.; Society for Mining Metallurgy and Exploration: Englewood, CO, USA, 2011; ISBN 978-0-87335-264-2. [Google Scholar]
- OMG. Business Process Model and Notation (BPMN): Version 2.0; OMG: Agawam, MA, USA, 2010; Available online: https://www.omg.org/spec/BPMN/2.0/PDF (accessed on 23 February 2023).
- Cheng, J.C.; Law, K.H.; Bjornsson, H.; Jones, A.; Sriram, R.D. Modeling and monitoring of construction supply chains. Adv. Eng. Inform. 2010, 24, 435–455. [Google Scholar] [CrossRef]
- Lhassan, E.; Ali, R.; Majda, F. Combining SCOR and BPMN to support supply chain decision-making of the pharmaceutical wholesaler-distributors. In Proceedings of the 2018 4th International Conference on Logistics Operations Management (GOL), Le Havre, France, 10–12 April 2018; IEEE: Piscataway, NJ, USA, 2018; pp. 1–9. [Google Scholar]
- Torres, M.A. Análise de Linguagens de Modelagem de Processos de um Modelo de Referência na Cadeia de Suprimentos. Master’s Thesis, Universidade Estadual Paulista, São Paulo, Brazil, 2011. [Google Scholar]
- Zor, S.; Görlach, K.; Leymann, F. Using BPMN for Modeling Manufacturing Processes. In Proceedings of the Sustainable Production and Logistics in Global Networks: 43rd CIRP International Conference on Manufacturing Systems, Vienna, Austria, 26–28 May 2010; Sihn, W., Kuhlang, P., Eds.; NWV: Wien, Austria, 2010. ISBN 9783708306865. [Google Scholar]
- Sachs, P.F.T. Cadeia de Valor Mineral e Tecnologia da Informação: Alinhamento Estratégico Como Gerador de Eficácia em Empresas de Mineração. Ph.D. Thesis, Escola Politécnica, São Paulo, Brazil, 2009. [Google Scholar]
- ICSG. The World Copper Factbook 2022; ICSG: Lisbon, Portugal, 2022; Available online: https://icsg.org/copper-factbook/ (accessed on 23 February 2023).
- Cochilco. Yearbook: Copper and Other Mineral Statistics 1997–2016; Cochilco: Santiago, Chile, 2017; Available online: https://www.cochilco.cl/Lists/Anuario/Attachments/17/Anuario-%20avance7-10-7-17.pdf (accessed on 23 February 2023).
- SEA—Chilean Government. Servicio de Evaluación Ambiental. Available online: https://www.sea.gob.cl/ (accessed on 28 February 2023).
- Dominy, S.; O’Connor, L.; Parbhakar-Fox, A.; Glass, H.; Purevgerel, S. Geometallurgy—A Route to More Resilient Mine Operations. Minerals 2018, 8, 560. [Google Scholar] [CrossRef]
- Pimentel, B.S.; Gonzalez, E.S.; Barbosa, G.N. Decision-support models for sustainable mining networks: Fundamentals and challenges. J. Clean. Prod. 2016, 112, 2145–2157. [Google Scholar] [CrossRef]
- World Bank Group. Mining Together: Large-Scale Mining Meets Artisanal Mining—A Guide for Action; World Bank Group: Washington, DC, USA, 2009; Available online: http://documents.worldbank.org/curated/en/148081468163163514/Mining-together-large-scale-mining-meets-artisanal-mining-a-guide-for-action (accessed on 30 October 2023).
- Higgins, L.; Marshall, A.; Crysel, K.; Dencik, J. From efficiencies to transformation—Tapping the full potential of process mining. Strat. Leadersh. 2023, 51, 31–36. [Google Scholar] [CrossRef]
- McLellan, B.C.; Corder, G.D.; Giurco, D.; Green, S. Incorporating sustainable development in the design of mineral processing operations—Review and analysis of current approaches. J. Clean. Prod. 2009, 17, 1414–1425. [Google Scholar] [CrossRef]
- Stohler, M.; Rebs, T.; Brandenburg, M. Toward the Integration of Sustainability Metrics into the Supply Chain Operations Reference (SCOR) Model. In Social and Environmental Dimensions of Organizations and Supply Chains; Brandenburg, M., Hahn, G.J., Rebs, T., Eds.; Springer International Publishing: Cham, Germany, 2018; pp. 49–60. ISBN 978-3-319-59586-3. [Google Scholar]
















Disclaimer/Publisher’s Note: The statements, opinions and data contained in all publications are solely those of the individual author(s) and contributor(s) and not of MDPI and/or the editor(s). MDPI and/or the editor(s) disclaim responsibility for any injury to people or property resulting from any ideas, methods, instructions or products referred to in the content. |
© 2023 by the authors. Licensee MDPI, Basel, Switzerland. This article is an open access article distributed under the terms and conditions of the Creative Commons Attribution (CC BY) license (https://creativecommons.org/licenses/by/4.0/).
Share and Cite
Castillo-Villagra, R.; Icarte, G.; Thoben, K.-D. Modelling the Make Process of the Mineral Supply Chain Upstream Segment. Resources 2023, 12, 132. https://doi.org/10.3390/resources12110132
Castillo-Villagra R, Icarte G, Thoben K-D. Modelling the Make Process of the Mineral Supply Chain Upstream Segment. Resources. 2023; 12(11):132. https://doi.org/10.3390/resources12110132
Chicago/Turabian StyleCastillo-Villagra, Raúl, Gabriel Icarte, and Klaus-Dieter Thoben. 2023. "Modelling the Make Process of the Mineral Supply Chain Upstream Segment" Resources 12, no. 11: 132. https://doi.org/10.3390/resources12110132
APA StyleCastillo-Villagra, R., Icarte, G., & Thoben, K.-D. (2023). Modelling the Make Process of the Mineral Supply Chain Upstream Segment. Resources, 12(11), 132. https://doi.org/10.3390/resources12110132

