A Framework for Service-Oriented Digital Twin Systems for Discrete Workshops and Its Practical Case Study
Abstract
:1. Introduction
2. Literature Review
3. Digital-Twin-System Architecture for Discrete Workshops
3.1. Visual-Monitoring-Requirement Analysis
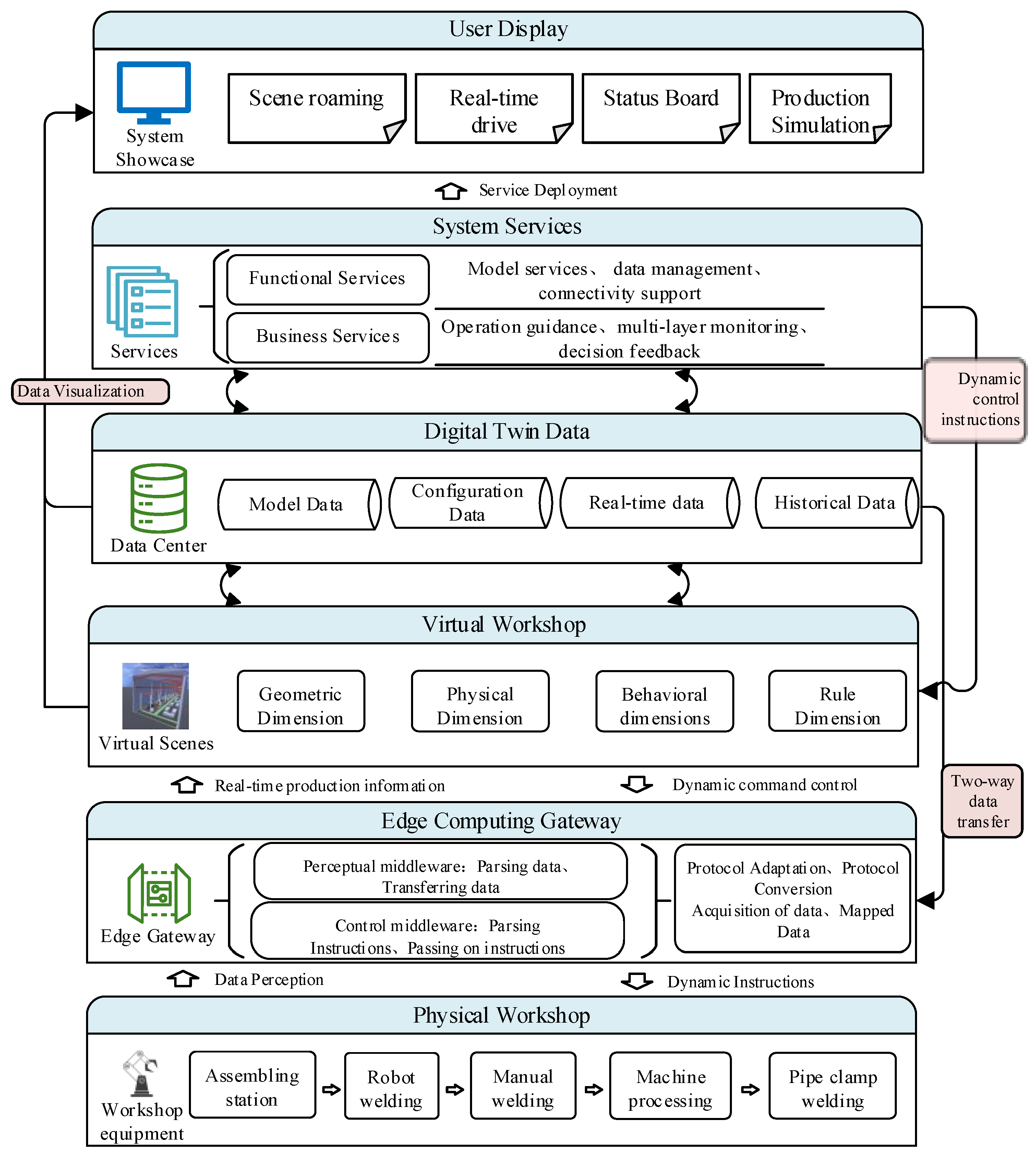
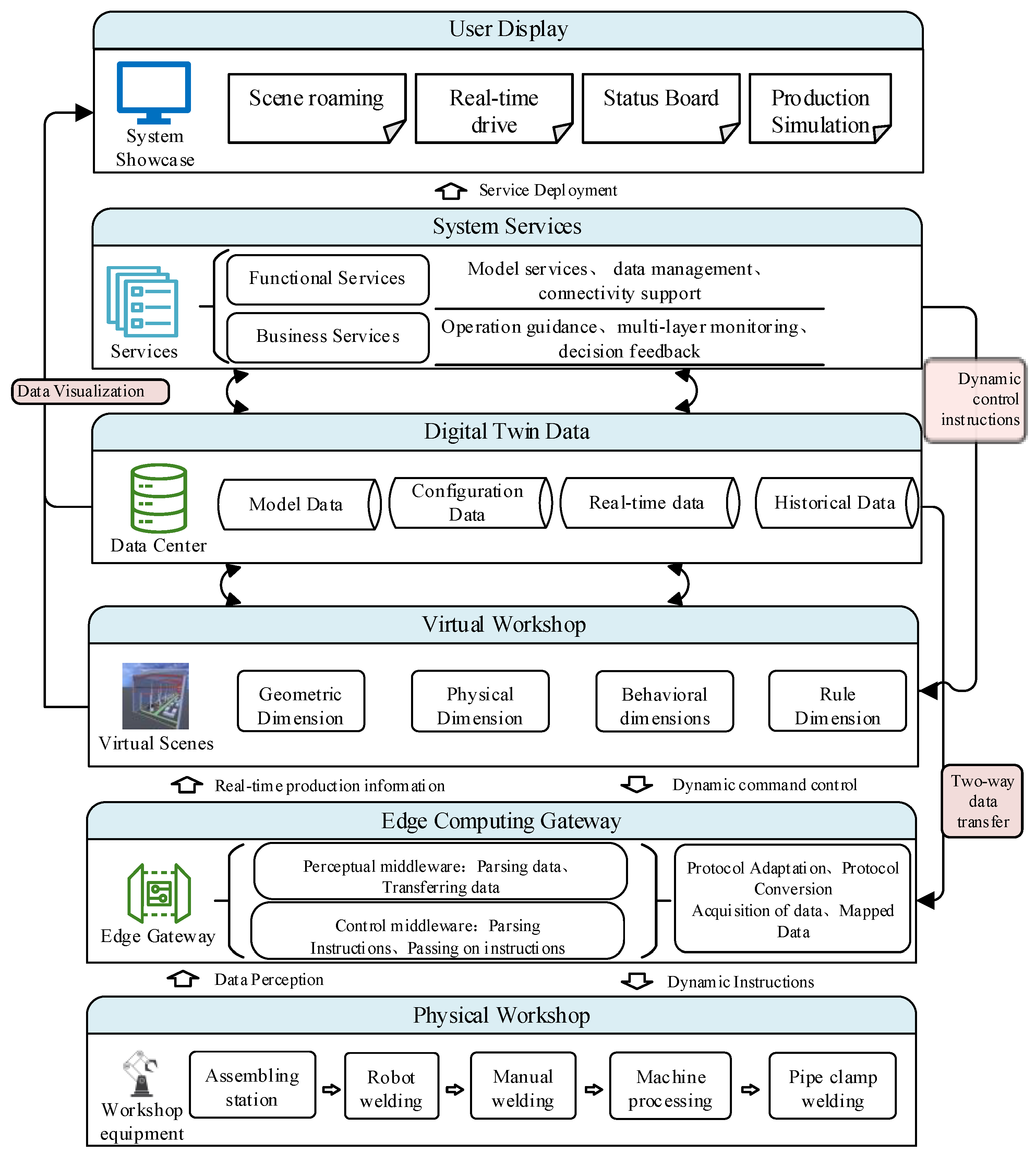
3.2. Digital-Twin-Visual-Monitoring Architecture
- (1)
- The physical workshop (PS). The PS is the basis of the six-dimensional model and is mainly used to execute the task instructions issued by the shop service system. The PS can be divided into the equipment layer, unit layer, production-line layer, and shop layer according to the functional structure. The equipment layer, as the minimum production component of the shop, includes each piece of equipment in the shop; the unit layer is a collection of equipment performing the same task or process, such as the grouping unit, robot-welding unit, filler-welding unit, machine-processing unit, and pipe-clamping welding unit, etc.; the production-line layer is a collection of units performing the same production task, such as the moving-arm production line. The unit level is a collection of equipment performing the same task or process, such as the grouping unit, robot-welding unit, filler-welding unit, machine-processing unit, and pipe-clamping unit, etc.; the production-line level is a collection of units performing the same production task, such as the moving-arm production line. Each shop level works together to complete the shop production tasks.
- (2)
- The virtual workshop (VS). The VS, as a proportional virtual map for the PS, is mainly responsible for the operation index of the PS. Through 3D modeling software, the workshop equipment is constructed in multiple dimensions and the model is fused at the multiscale level to achieve a realistic mapping of the whole workshop. The model is further refined by adding materials, lighting, effects, rendering, and a virtual reality modeling language through Unity 3D to make it consistent with the PS production states (properties, event state), dynamic behavior, and 3D scenes.
- (3)
- The system service (Ss). The Ss contains the services needed in the process of digital-twin-workshop realization, mainly provided by 3D modeling software, the IoT service platform, virtual development software, etc. According to the demand of the service, it can be divided into the functional service (FS) and business service (BS). The functional service mainly includes: (i) a model service based on virtual model construction, virtual scene construction, and model rendering; (ii) a data-management service based on data storage, cleaning, encapsulation, mining, fusion, and analysis; (iii) a connection-support service based on an interface service and protocol service. Operational services mainly include a series of user-oriented services, such as multilevel-monitoring forms (large-screen kiosks, augmented-reality devices, mobile devices, etc.), and expressed through the user-display (UD) dimension.
- (4)
- Digital twin data (DD). DD mainly provides the data engine when the VS, PS, Ss, UD, and other functional services are running, including (i) physical properties and the data of the PS, such as the workshop environment, equipment parameters, etc.; (ii) the VS-oriented data describing the PS model, such as the geometric model, physical model, behavior model, and rule model; (iii) the interaction data between the PS and VS, including real-time-operation data and historical-operation data.
- (5)
- The edge-computing gateway (CN). The CN mainly represents the connection interaction relationship between other dimensions in the six-dimensional model. It mainly includes the connection between the PS and VS. The CN targets the characteristics of multiple devices with multiple sources of heterogeneous data in the workshop, and the CN plays the functions of edge computing, communication, connection, protocol adaptation, the conversion and physical mapping of information in the six-dimensional model, receiving, sensing, parsing, and the transmission of the PS real-time data, on the one hand, and receiving, parsing, and transmitting commands from the virtual workshop, on the other.
- (6)
- The user display (UD): The UD is a specific extension of the business service as the display dimension of the MDT. The specific content of the workshop production is displayed in this dimension through real-time monitoring, model-driven monitoring, and the workshop simulation operation at multiple levels and from multiple perspectives. We propose a multilevel interaction with 3D virtual workshop scenes and real-time monitoring as the main focus, complemented by scene roaming and simulation operation.
4. Key Implementations for Digital Twin Shop-Floor Monitoring
4.1. Digital-Twin-Workshop Model Construction
4.1.1. Multidimensional Construction
4.1.2. Multiscale Construction
4.1.3. Scene-Building and Optimization
4.1.4. Human–Computer Interaction
4.2. Edge-Computing-Gateway-Based Data Collection
4.2.1. Data Acquisition
4.2.2. Data Processing
4.2.3. Data Transmission
4.3. Dynamic Monitoring of the Production Process
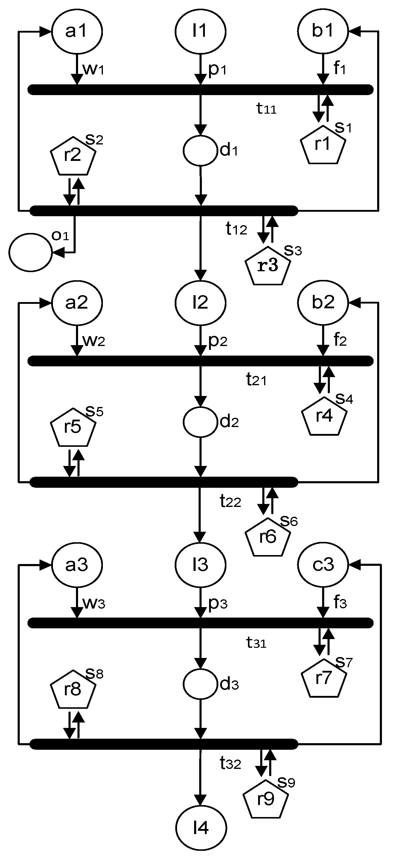
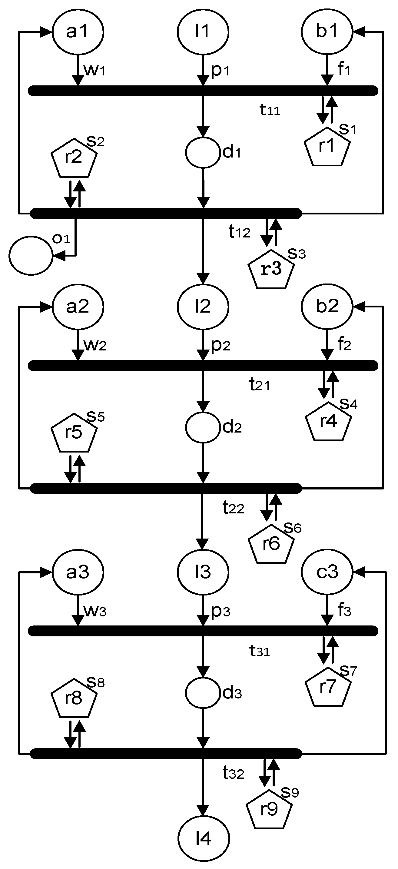
4.3.1. Production-Dynamic-System Modeling
indicates the change, and
indicates the change rule. The token in the decision point in the ESHLEP-N can be reused, but instead of moving out from the output library to the input library, the token is moved out to the corresponding output library with the workshop event as the trigger condition. Take the first work station of the moving-arm production as an example, the work step can be divided into: 1. Moving-arm-parts group-pair assembly; 2. Moving-arm group-pair internal welding; 3. Moving-arm top-plate welding. Then, p1 means the group-pair part input buffer waiting library, w1 library means the group-pair assembly worker is idle, f1 library means the group-pair machine is idle, and so on.4.3.2. Data-Driven Multilevel-Mapping of Shop-Floor Operations
- (1)
- Logistics mapping
- (2)
- Device mapping
- (3)
- Product mapping
5. System Example
5.1. Workshop-Production Scene
5.2. System Design
5.2.1. Virtual Scene Construction
5.2.2. Data Mapping Based on Edge-Computing Gateways
5.2.3. Digital Twin Monitoring System
6. Conclusions
- In this paper, only the main equipment of the workshop is mapped for data collection. With the development of a smart factory, the manufacturing process requires real-time monitoring and management, as well as the status display of all equipment in the workshop. In terms of the human–machine interaction, the operation design should be more convenient and efficient, and provide more simulation and design tools to enable management personnel to adjust, optimize, and simulate workshop production at a minimal cost.
- With the development of the digital twin technology, the digital twin workshop should have full virtual real mapping, as well as interactive functions, and be able to complete the adjustment of the equipment status in the virtual system, realizing the complete closed loop from the real to virtual and from the virtual to the real.
- The use of IoT in the workshop has basically eliminated information silos, but there is still a certain delay in data communication that needs to be further explored.
Author Contributions
Funding
Data Availability Statement
Conflicts of Interest
References
- Tao, F.; Qi, Q. New IT Driven Service-Oriented Smart Manufacturing: Framework and Characteristics. IEEE Trans. Syst. Man Cybern. Syst. 2019, 49, 81–91. [Google Scholar] [CrossRef]
- Saracco, R. Digital Twins: Bridging Physical Space and Cyberspace. Computer 2019, 52, 58–64. [Google Scholar] [CrossRef]
- Mhlanga, D. Human-Centered Artificial Intelligence: The Superlative Approach to Achieve Sustainable Development Goals in the Fourth Industrial Revolution. Sustainability 2022, 14, 7804. [Google Scholar] [CrossRef]
- Zizic, M.C.; Mladineo, M.; Gjeldum, N.; Celent, L. From Industry 4.0 towards Industry 5.0: A Review and Analysis of Paradigm Shift for the People, Organization and Technology. Energies 2022, 15, 5221. [Google Scholar] [CrossRef]
- Tao, F.; Zhang, M. Digital Twin Shop-Floor: A New Shop-Floor Paradigm Towards Smart Manufacturing. IEEE Access 2017, 5, 20418–20427. [Google Scholar] [CrossRef]
- Zhang, Z.; Zhu, Z.; Zhang, J.; Wang, J. Construction of intelligent integrated model framework for the workshop manufacturing system via digital twin. Int. J. Adv. Manuf. Technol. 2022, 118, 3119–3132. [Google Scholar] [CrossRef]
- Tao, F.; Xiao, B.; Qi, Q.; Cheng, J.; Ji, P. Digital twin modeling. J. Manuf. Syst. 2022, 64, 372–389. [Google Scholar] [CrossRef]
- Zhang, H.; Qi, Q.; Tao, F. A multi-scale modeling method for digital twin shop-floor. J. Manuf. Syst. 2022, 62, 417–428. [Google Scholar] [CrossRef]
- Zhang, Y.F.; Shao, Y.Q.; Wang, J.F.; Li, S.Q. Digital Twin-based Production Simulation of Discrete Manufacturing Shop-floor for Onsite Performance Analysis. In Proceedings of the 2020 IEEE International Conference on Power and Energy, Online, 7–8 December 2020; pp. 1107–1111. [Google Scholar] [CrossRef]
- Zhang, H.; Zhang, G.; Yan, Q. Digital twin-driven cyber-physical production system towards smart shop-floor. J. Ambient. Intell. Humaniz. Comput. 2019, 10, 4439–4453. [Google Scholar] [CrossRef]
- Bao, Q.; Zhao, G.; Yu, Y.; Dai, S.; Wang, W. The ontology-based modeling and evolution of digital twin for assembly workshop. Int. J. Adv. Manuf. Technol. 2021, 117, 395–411. [Google Scholar] [CrossRef]
- Rolle, R.P.; Martucci, V.D.O.; Godoy, E.P. Architecture for Digital Twin implementation focusing on Industry 4.0. IEEE Lat. Am. Trans. 2020, 18, 889–898. [Google Scholar] [CrossRef]
- Choi, S.; Woo, J.; Kim, J.; Lee, J.Y. Digital Twin-Based Integrated Monitoring System: Korean Application Cases. Sensors 2022, 22, 5450. [Google Scholar] [CrossRef] [PubMed]
- Zhuang, C.; Liu, J.; Xiong, H. Digital twin-based smart production management and control framework for the complex product assembly shop-floor. Int. J. Adv. Manuf. Technol. 2018, 96, 1149–1163. [Google Scholar] [CrossRef]
- Chuang, W.; Guanghui, Z.; Junsheng, W. Smart cyber-physical production system enabled workpiece production in digital twin job shop. Adv. Mech. Eng. 2021, 13, 16878140211040888. [Google Scholar] [CrossRef]
- Cheng, J.; Zhang, H.; Tao, F.; Juang, C.-F. DT-II:Digital twin enhanced Industrial Internet reference framework towards smart manufacturing. Robot. Comput.-Integr. Manuf. 2020, 62, 101881. [Google Scholar] [CrossRef]
- Yang, M.; Liu, L.; Gao, Z.; Wei, W. Research on Digital Twin System of Intelligent Workshop and Application of Historical Data. In Advanced Manufacturing and Automation XI; Wang, Y., Martinsen, K., Yu, T., Wang, K., Eds.; Springer: Singapore, 2022; pp. 20–27. [Google Scholar] [CrossRef]
- Tong, X.; Liu, Q.; Pi, S.; Xiao, Y. Real-time machining data application and service based on IMT digital twin. J. Intell. Manuf. 2020, 31, 1113–1132. [Google Scholar] [CrossRef]
- Cao, H.; Liu, L.; Zhou, S.; Li, J.; Chang, Y.; Wei, W. Real-Time Data-Driven Digital Twin Workshop Web Interactive Applica-tion. In Advanced Manufacturing and Automation XI; Wang, Y., Martinsen, K., Yu, T., Wang, K., Eds.; Springer: Singapore, 2022; pp. 93–100. [Google Scholar] [CrossRef]
- Wang, G.; Bing, Z.; Hou, Z.; Guan, Y.; Qi, X.; Liu, M. Workshop Management and Control System Based on Digital Twin. In Proceedings of the 2022 8th International Conference on Control, Automation and Robotics (ICCAR), Xiamen, China, 8–10 April 2022; pp. 16–21. [Google Scholar] [CrossRef]
- Zhang, J.; Deng, C.; Zheng, P.; Xu, X.; Ma, Z. Development of an edge computing-based cyber-physical machine tool. Robot. Comput.-Integr. Manuf. 2021, 67, 102042. [Google Scholar] [CrossRef]
- Tsinarakis, G.J.; Spanoudakis, P.S.; Arabatzis, G.; Tsourveloudis, N.C.; Doitsidis, L. Implementation of a Petri-net based Digital Twin for the development procedure of an Electric Vehicle. In Proceedings of the 28th Mediterranean Conference on Control and Automation (MED’2020), Saint-Raphaël, France, 16–18 September 2020; pp. 862–867. [Google Scholar] [CrossRef]
- Wilhelm, J.; Petzoldt, C.; Beinke, T.; Freitag, M. Review of Digital Twin-based Interaction in Smart Manufacturing: Enabling Cyber-Physical Systems for Human-Machine Interaction. Int. J. Comput. Integr. Manuf. 2021, 34, 1031–1048. [Google Scholar] [CrossRef]
- Wang, T.; Li, J.; Kong, Z.; Liu, X.; Snoussi, H.; Lv, H. Digital twin improved via visual question answering for vision-language interactive mode in human–machine collaboration. J. Manuf. Syst. 2021, 58, 261–269. [Google Scholar] [CrossRef]



















Disclaimer/Publisher’s Note: The statements, opinions and data contained in all publications are solely those of the individual author(s) and contributor(s) and not of MDPI and/or the editor(s). MDPI and/or the editor(s) disclaim responsibility for any injury to people or property resulting from any ideas, methods, instructions or products referred to in the content. |
© 2023 by the authors. Licensee MDPI, Basel, Switzerland. This article is an open access article distributed under the terms and conditions of the Creative Commons Attribution (CC BY) license (https://creativecommons.org/licenses/by/4.0/).
Share and Cite
Zhang, Q.; Wei, Y.; Liu, Z.; Duan, J.; Qin, J. A Framework for Service-Oriented Digital Twin Systems for Discrete Workshops and Its Practical Case Study. Systems 2023, 11, 156. https://doi.org/10.3390/systems11030156
Zhang Q, Wei Y, Liu Z, Duan J, Qin J. A Framework for Service-Oriented Digital Twin Systems for Discrete Workshops and Its Practical Case Study. Systems. 2023; 11(3):156. https://doi.org/10.3390/systems11030156
Chicago/Turabian StyleZhang, Qinglei, Yang Wei, Zhen Liu, Jianguo Duan, and Jiyun Qin. 2023. "A Framework for Service-Oriented Digital Twin Systems for Discrete Workshops and Its Practical Case Study" Systems 11, no. 3: 156. https://doi.org/10.3390/systems11030156
APA StyleZhang, Q., Wei, Y., Liu, Z., Duan, J., & Qin, J. (2023). A Framework for Service-Oriented Digital Twin Systems for Discrete Workshops and Its Practical Case Study. Systems, 11(3), 156. https://doi.org/10.3390/systems11030156

