Characterization of AlCrN Coated on Tungsten Carbide Substrate by a Continuous Plasma Nitriding-HiPIMS Hybrid Process
Abstract
1. Introduction
2. Experimental Details
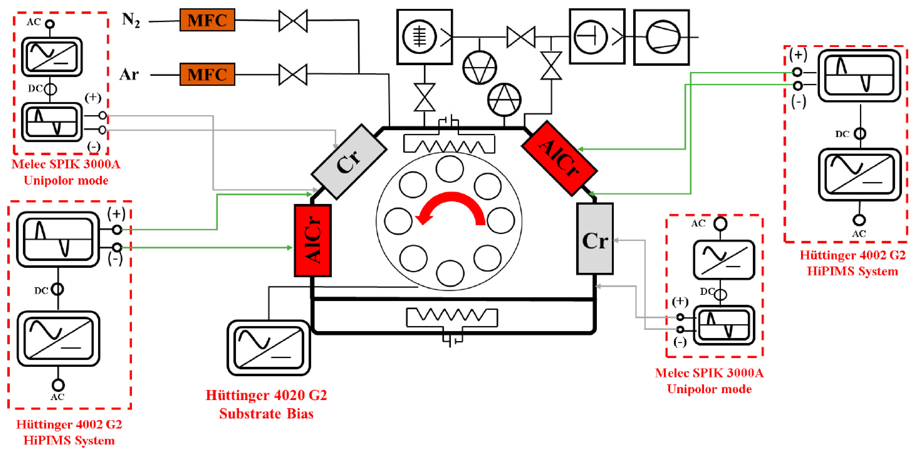
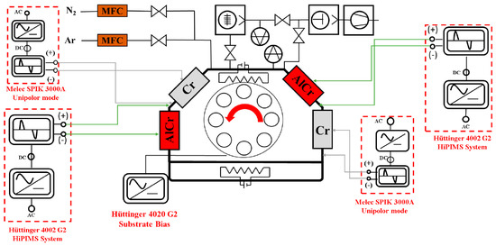
2.1. Deposition Techniques and Methods
2.2. Characterization
3. Results and Discussion
3.1. Plasma Nitriding Treatment
3.2. Duplex Surface Treatment (Plasma Nitriding and COATING)
4. Conclusions
Author Contributions
Funding
Institutional Review Board Statement
Informed Consent Statement
Data Availability Statement
Acknowledgments
Conflicts of Interest
References
- Shi, H.; Liu, X.; Lou, Y. Materials and micro drilling of high frequency and high speed printed circuit board: A review. Int. J. Adv. Manuf. Technol. 2019, 100, 827–841. [Google Scholar] [CrossRef]
- Huang, G.; Wan, Z.; Yang, S.; Li, Q.; Zhong, G.; Wang, B.; Liu, Z. Mechanism investigation of micro-drill fracture in PCB large aspect ratio micro-hole drilling. J. Mech. Work. Technol. 2023, 316, 117962. [Google Scholar] [CrossRef]
- Geier, N.; Patra, K.; Anand, R.S.; Ashworth, S.; Balázs, B.Z.; Lukács, T.; Magyar, G.; Tamás-Bényei, P.; Xu, J.; Davim, J.P. A critical review on mechanical micro-drilling of glass and carbon fibre reinforced polymer (GFRP and CFRP) composites. Compos. Part B 2023, 254, 110589. [Google Scholar] [CrossRef]
- Hasan, M.; Zhao, J.; Jiang, Z. A review of modern advancements in micro drilling techniques. J. Manuf. Process. 2017, 29, 343–375. [Google Scholar] [CrossRef]
- Singh, A.; Ghosh, S.; Aravindan, S. Investigation of oxidation behaviour of AlCrN and AlTiN coatings deposited by arc enhanced HIPIMS technique. Appl. Surf. Sci. 2020, 508, 144812. [Google Scholar] [CrossRef]
- Ge, L.; Tian, N.; Lu, Z.; You, C. Influence of the surface nanocrystallization on the gas nitriding of Ti–6Al–4V alloy. Appl. Surf. Sci. 2013, 286, 412–416. [Google Scholar] [CrossRef]
- Wang, B.; Sun, S.; Guo, M.; Jin, G.; Zhou, Z.; Fu, W. Study on pressurized gas nitriding characteristics for steel 38CrMoAlA. Surf. Coat. Technol. 2015, 279, 60–64. [Google Scholar] [CrossRef]
- Kumar, B.C.; Charan, P.S.; Jayakumar, K.; Alankrutha, D.; Sindhu, G.; Subbiah, R. Assessment of wear properties on low temperature molten salt bath nitriding on austenitic stainless steel. Mater. Today Proc. 2020, 27, 1541–1544. [Google Scholar] [CrossRef]
- Wang, J.; Lin, Y.; Yan, J.; Zen, D.; Zhang, Q.; Huang, R.; Fan, H. Influence of time on the microstructure of AISI 321 austenitic stainless steel in salt bath nitriding. Surf. Coat. Technol. 2012, 206, 3399–3404. [Google Scholar] [CrossRef]
- Zhao, C.; Li, C.; Dong, H.; Bell, T. Study on the active screen plasma nitriding and its nitriding mechanism. Surf. Coat. Technol. 2006, 201, 2320–2325. [Google Scholar] [CrossRef]
- Li, Y.; He, Y.; Xiu, J.; Wang, W.; Zhu, Y.; Hu, B. Wear and corrosion properties of AISI 420 martensitic stainless steel treated by active screen plasma nitriding. Surf. Coat. Technol. 2017, 329, 184–192. [Google Scholar] [CrossRef]
- Kovacı, H.; Hacısalihoğlu, İ.; Yetim, A.; Çelik, A. Effects of shot peening pre-treatment and plasma nitriding parameters on the structural, mechanical and tribological properties of AISI 4140 low-alloy steel. Surf. Coat. Technol. 2019, 358, 256–265. [Google Scholar] [CrossRef]
- Lampe, T.; Eisenberg, S.; Laudien, G. Compound Layer Formation during Plasma Nitriding and Plasma Nitrocarburising. Surf. Eng. 1993, 9, 69–76. [Google Scholar] [CrossRef]
- Esfandiari, M.; Dong, H. Improving the surface properties of A286 precipitation-hardening stainless steel by low-temperature plasma nitriding. Surf. Coat. Technol. 2007, 201, 6189–6196. [Google Scholar] [CrossRef]
- Yetim, A.; Kovacı, H.; Uzun, Y.; Tekdir, H.; Çelik, A. A comprehensive study on the fatigue properties of duplex surface treated Ti6Al4V by plasma nitriding and DLC coating. Surf. Coat. Technol. 2023, 458, 129367. [Google Scholar] [CrossRef]
- Miyamoto, J.; Abraha, P. The effect of plasma nitriding treatment time on the tribological properties of the AISI H13 tool steel. Surf. Coat. Technol. 2019, 375, 15–21. [Google Scholar] [CrossRef]
- Kovacı, H.; Bozkurt, Y.B.; Yetim, A.F.; Baran, O.; Çelik, A. Corrosion and tribocorrosion properties of duplex surface treatments consisting of plasma nitriding and DLC coating. Tribol. Int. 2021, 156, 106823. [Google Scholar] [CrossRef]
- Nishimoto, A.; Amano, R.; Tamiya, T. Duplex treatment of active screen plasma nitriding and amorphous hydrogenated carbon coating. Appl. Surf. Sci. Adv. 2021, 6, 100129. [Google Scholar] [CrossRef]
- Alvarez-Vera, M.; Hdz-García, H.M.; Díaz-Guill, J.C.; Mu, R.; Acevedo-Davila, J.L.; Mtz-Enriquez, A.I.; Badillo, C.K.F. Tribological performance of Ti nanolayer coating post plasma nitriding treatment on Co based alloy. Wear 2021, 477, 203798. [Google Scholar] [CrossRef]
- Sun, F.; Liu, X.-L.; Luo, S.-Q.; Xiang, D.-D.; Ba, D.-C.; Lin, Z.; Song, G.-Q. Duplex treatment of arc plasma nitriding and PVD TiN coating applied to dental implant screws. Surf. Coat. Technol. 2022, 439, 128449. [Google Scholar] [CrossRef]
- Tang, J.-F.; Huang, C.-H.; Lin, C.-Y.; Tsai, Y.-J.; Chang, C.-L. Effect of plasma nitriding and modulation structure on the adhesion and corrosion resistance of CrN/Cr2O3 coatings. Surf. Coat. Technol. 2019, 379, 125051. [Google Scholar] [CrossRef]
- Chen, C.-Z.; Li, Q.; Leng, Y.-X.; Chen, J.; Zhang, P.-C.; Bai, B.; Huang, N. Improved hardness and corrosion resistance of iron by Ti/TiN multilayer coating and plasma nitriding duplex treatment. Surf. Coat. Technol. 2010, 204, 3082–3086. [Google Scholar] [CrossRef]
- Deng, Y.; Tan, C.; Wang, Y.; Chen, L.; Cai, P.; Kuang, T.; Lei, S.; Zhou, K. Effects of tailored nitriding layers on comprehensive properties of duplex plasma-treated AlTiN coatings. Ceram. Int. 2017, 43, 8721–8729. [Google Scholar] [CrossRef]
- Zhang, X.; Tian, X.; Gong, C.; Liu, X.; Li, J.; Zhu, J.; Lin, H. Effect of plasma nitriding ion current density on tribological properties of composite CrAlN coatings. Ceram. Int. 2022, 48, 3954–3962. [Google Scholar] [CrossRef]
- Anders, A. Deposition rates of high power impulse magnetron sputtering: Physics and economics. J. Vac. Sci. Technol. A 2010, 28, 783–790. [Google Scholar] [CrossRef]
- Meng, L.; Yu, H.; Szott, M.M.; McLain, J.T.; Ruzic, D.N. Downstream plasma transport and metal ionization in a high-powered pulsed-plasma magnetron. J. Vac. Sci. Technol. A 2011, 29, 011024. [Google Scholar] [CrossRef]
- Lin, J.; Sproul, W.D. Structure and properties of Cr2O3 coatings deposited using DCMS, PDCMS, and DOMS. Surf. Coat. Technol. 2015, 276, 70–76. [Google Scholar] [CrossRef]
- Dong, Y.; Wang, T.-G.; Yan, B.; Qi, H.-J.; Guo, Y.-Y.; Xu, S.-S. Study on the microstructure and mechanical properties of Zr-B-(N) tool coatings prepared by hybrid coating system. Procedia Manuf. 2018, 26, 806–817. [Google Scholar] [CrossRef]
- Le Bourhis, E.; Goudeau, P.; Staia, M.; Carrasquero, E.; Puchi-Cabrera, E. Mechanical properties of hard AlCrN-based coated substrates. Surf. Coat. Technol. 2009, 203, 2961–2968. [Google Scholar] [CrossRef]
- Sanjinés, R.; Banakh, O.; Rojas, C.; Schmid, P.; Lévy, F. Electronic properties of Cr1−xAlxN thin films deposited by reactive magnetron sputtering. Thin Solid Films 2002, 420–421, 312–317. [Google Scholar] [CrossRef]
- Tang, J.-F.; Lin, C.-Y.; Yang, F.-C.; Tsai, Y.-J.; Chang, C.-L. Effects of nitrogen-argon flow ratio on the microstructural and mechanical properties of AlCrN coatings prepared using high power impulse magnetron sputtering. Surf. Coat. Technol. 2020, 386, 125484. [Google Scholar] [CrossRef]
- Liu, Y.; Ding, J.C.; Zhang, B.R.; Chen, J.J.; Tang, C.R.; Zhu, R.Y.; Zheng, J. Effect of duty cycle on microstructure and mechanical properties of AlCrN coatings deposited by HiPIMS. Vacuum 2022, 205, 111409. [Google Scholar] [CrossRef]
- DIN 4856:2018-02; Carbon-Based Films and Other Hard Coatings—Rockwell Penetration Test to Evaluate the Adhesion. DIN Media GmbH: Berlin, Germany, 2018.
- Shen, L.; Wang, N. Effect of Nitrogen Pressure on the Structure of Cr-N, Ta-N, Mo-N, and W-N Nanocrystals Synthesized by Arc Discharge. J. Nanomater. 2011, 2011, 781935. [Google Scholar] [CrossRef]
- Wicher, B.; Chodun, R.; Nowakowska-Langier, K.; Trzcinski, M.; Skowroński, L.; Okrasa, S.; Minikayev, R.; Naparty, M.K.; Zdunek, K. Chemical and structural characterization of tungsten nitride (WNx) thin films synthesized via Gas Injection Magnetron Sputtering technique. Vacuum 2019, 165, 266–273. [Google Scholar] [CrossRef]
- Wang, C.; Tao, Q.; Li, Y.; Ma, S.; Dong, S.; Cui, T.; Wang, X.; Zhu, P. Excellent mechanical properties of metastable c-WN fabricated at high pressure and high temperature. Int. J. Refract. Met. Hard Mater. 2017, 66, 63–67. [Google Scholar] [CrossRef]
- Bozzini, B.; Dalmiglio, M.; De Gaudenzi, G.P.; D’Urzo, L.; Gregoratti, L. An investigation of the corrosion of WC–Co cermets in CN–-containing aqueous solutions. Part II: Synchrotron-based high lateral-resolution XPS study. Corros. Sci. 2009, 51, 1675–1678. [Google Scholar] [CrossRef]
- Fox-Rabinovich, G.; Yamamoto, K.; Veldhuis, S.; Kovalev, A.; Shuster, L.; Ning, L. Self-adaptive wear behavior of nano-multilayered TiAlCrN/WN coatings under severe machining conditions. Surf. Coat. Technol. 2006, 201, 1852–1860. [Google Scholar] [CrossRef]
- Tillmann, W.; Stangier, D.; Roese, P.; Shamout, K.; Berges, U.; Westphal, C.; Debus, J. Structural and mechanical properties of carbon incorporation in DC/HiPIMS CrAlN coatings. Surf. Coat. Technol. 2019, 374, 774–783. [Google Scholar] [CrossRef]
- Pengfei, H.; Bailing, J. Study on tribological property of CrCN coating based on magnetron sputtering plating technique. Vacuum 2011, 85, 994–998. [Google Scholar] [CrossRef]
- Wang, Q.; Zhou, F.; Zhou, Z.; Li, L.K.-Y.; Yan, J. Influence of carbon concentration on the electrochemical behavior of CrCN coatings in simulated body fluid. Surf. Coat. Technol. 2015, 265, 16–23. [Google Scholar] [CrossRef]
- Yu, L.; Zhao, H.; Xu, J. Influence of silver content on structure, mechanical and tribological properties of WCN–Ag films. Mater. Charact. 2016, 114, 136–145. [Google Scholar] [CrossRef]
- Zellner, M.B.; Chen, J.G. Surface science and electrochemical studies of WC and W2C PVD films as potential electrocatalysts. Catal. Today 2005, 99, 299–307. [Google Scholar] [CrossRef]
- Caliskan, H.; Panjan, P.; Kurbanoglu, C. 3.16 Hard Coatings on Cutting Tools and Surface Finish. Compr. Mater. Finish. 2017, 3, 230–242. [Google Scholar]
- Paschke, H.; Weber, M.; Kaestner, P.; Braeuer, G. Influence of different plasma nitriding treatments on the wear and crack behavior of forging tools evaluated by Rockwell indentation and scratch tests. Surf. Coat. Technol. 2010, 205, 1465–1469. [Google Scholar] [CrossRef]
- Naeem, M.; Torres, A.; Serra, P.; Monção, R.; Junior, C.A.; Rossino, L.; Costa, T.; Costa, C.; Iqbal, J.; Sousa, R. Combined plasma treatment of AISI-1045 steel by hastelloy deposition and plasma nitriding. J. Build. Eng. 2022, 47, 103882. [Google Scholar] [CrossRef]










| Part | Item | Values |
|---|---|---|
| PN | Working pressure (mtorr) | 8 |
| N2 flow (sccm) | 160 | |
| Working temperature (°C) | 300 | |
| Nitriding time (h) | 0, 0.5, 1.0, 1.5 | |
| Bias mode | DC | |
| Bias (V) | −1000 | |
| AlCrN/PN | Target | Cr (99.99%), Al70Cr30 |
| Distance (mm) | 90 | |
| Working pressure (mtorr) | 3 | |
| N2/Ar (%) | 100 (Ar: 160 sccm, N2: 160 sccm) | |
| Bias (V) | −60 | |
| Rotating speed (rpm) | 3.2 | |
| Deposition time (min) | 50 | |
| Output power (kW) | 5 | |
| Duty cycle (%) | 3 (ON time: 150 μs, OFF time: 4850 μs) | |
| Mode | Unipolar (negative) |
| Samples (No.) | Hardness (Hv0.025) | COF | Wear Rate (10−8 mm3/Nm) |
|---|---|---|---|
| AlCrN/PN-0 h | 2257.8 ± 92.9 | 0.34 | 14.504 |
| AlCrN/PN-0.5 h | 2258.2 ± 106.2 | 0.32 | 3.208 |
| AlCrN/PN-1.0 h | 2561.8 ± 96.6 | 0.24 | 3.410 |
| AlCrN/PN-1.5 h | 2568.2 ± 122.6 | 0.25 | 3.367 |
Disclaimer/Publisher’s Note: The statements, opinions and data contained in all publications are solely those of the individual author(s) and contributor(s) and not of MDPI and/or the editor(s). MDPI and/or the editor(s) disclaim responsibility for any injury to people or property resulting from any ideas, methods, instructions or products referred to in the content. |
© 2025 by the authors. Licensee MDPI, Basel, Switzerland. This article is an open access article distributed under the terms and conditions of the Creative Commons Attribution (CC BY) license (https://creativecommons.org/licenses/by/4.0/).
Share and Cite
Yang, F.-S.; Kuo, Y.-L.; Tang, J.-F.; Liu, T.-W.; Chang, C.-L. Characterization of AlCrN Coated on Tungsten Carbide Substrate by a Continuous Plasma Nitriding-HiPIMS Hybrid Process. Coatings 2025, 15, 353. https://doi.org/10.3390/coatings15030353
Yang F-S, Kuo Y-L, Tang J-F, Liu T-W, Chang C-L. Characterization of AlCrN Coated on Tungsten Carbide Substrate by a Continuous Plasma Nitriding-HiPIMS Hybrid Process. Coatings. 2025; 15(3):353. https://doi.org/10.3390/coatings15030353
Chicago/Turabian StyleYang, Fu-Sen, Yu-Lin Kuo, Jian-Fu Tang, Ting-Wei Liu, and Chi-Lung Chang. 2025. "Characterization of AlCrN Coated on Tungsten Carbide Substrate by a Continuous Plasma Nitriding-HiPIMS Hybrid Process" Coatings 15, no. 3: 353. https://doi.org/10.3390/coatings15030353
APA StyleYang, F.-S., Kuo, Y.-L., Tang, J.-F., Liu, T.-W., & Chang, C.-L. (2025). Characterization of AlCrN Coated on Tungsten Carbide Substrate by a Continuous Plasma Nitriding-HiPIMS Hybrid Process. Coatings, 15(3), 353. https://doi.org/10.3390/coatings15030353

